Kia Picanto Power Window Not Working . Consult your kia owner's manual for the location of the fuse box. My girlfriend has a 2016 kia picanto that she bought earlier this year. I’m leaning towards a motor because the window doesn’t work between both switches but also confused as to why the motor would work. Verify that the power window fuses are not blown. I had a problem with my power window yesterday. Check the power window fuses. Turn the ignition switch to the on position. We never tested the windows at the time but the passenger side. Detailed video tutorial on repairing the power window of a kia picanto. If the power window does not operate normally, the automatic power window system must be reset as follows: You’ll need to locate the fuse box, and then the. If all of the windows don’t work, that is going to be a fuse or window relay that has gone bad.
from www.youtube.com
Verify that the power window fuses are not blown. Detailed video tutorial on repairing the power window of a kia picanto. If the power window does not operate normally, the automatic power window system must be reset as follows: If all of the windows don’t work, that is going to be a fuse or window relay that has gone bad. Check the power window fuses. My girlfriend has a 2016 kia picanto that she bought earlier this year. I had a problem with my power window yesterday. You’ll need to locate the fuse box, and then the. Consult your kia owner's manual for the location of the fuse box. Turn the ignition switch to the on position.
Kia picanto power window switch troubleshooting YouTube
Kia Picanto Power Window Not Working My girlfriend has a 2016 kia picanto that she bought earlier this year. We never tested the windows at the time but the passenger side. My girlfriend has a 2016 kia picanto that she bought earlier this year. Turn the ignition switch to the on position. Detailed video tutorial on repairing the power window of a kia picanto. Consult your kia owner's manual for the location of the fuse box. Check the power window fuses. If the power window does not operate normally, the automatic power window system must be reset as follows: Verify that the power window fuses are not blown. You’ll need to locate the fuse box, and then the. I’m leaning towards a motor because the window doesn’t work between both switches but also confused as to why the motor would work. If all of the windows don’t work, that is going to be a fuse or window relay that has gone bad. I had a problem with my power window yesterday.
From www.youtube.com
Kia Picanto Power Window Repair YouTube Kia Picanto Power Window Not Working You’ll need to locate the fuse box, and then the. Check the power window fuses. I had a problem with my power window yesterday. My girlfriend has a 2016 kia picanto that she bought earlier this year. Turn the ignition switch to the on position. We never tested the windows at the time but the passenger side. If the power. Kia Picanto Power Window Not Working.
From www.lazada.com.ph
Electric Power Window Control Switch Button for Kia Picanto Morning Kia Picanto Power Window Not Working I had a problem with my power window yesterday. Check the power window fuses. Verify that the power window fuses are not blown. I’m leaning towards a motor because the window doesn’t work between both switches but also confused as to why the motor would work. We never tested the windows at the time but the passenger side. You’ll need. Kia Picanto Power Window Not Working.
From www.shopkoreaonline.com
Genuine 935751Y000 Power Window Assist Switch For Kia Picanto Morning Kia Picanto Power Window Not Working Consult your kia owner's manual for the location of the fuse box. I’m leaning towards a motor because the window doesn’t work between both switches but also confused as to why the motor would work. Detailed video tutorial on repairing the power window of a kia picanto. We never tested the windows at the time but the passenger side. I. Kia Picanto Power Window Not Working.
From www.youtube.com
Kia Picanto power Window switch not working (bisaya) easy fix👌 YouTube Kia Picanto Power Window Not Working Consult your kia owner's manual for the location of the fuse box. Detailed video tutorial on repairing the power window of a kia picanto. My girlfriend has a 2016 kia picanto that she bought earlier this year. If the power window does not operate normally, the automatic power window system must be reset as follows: I had a problem with. Kia Picanto Power Window Not Working.
From www.alibaba.com
Electric Power Window Main Control Switch 935701y200 935701y200 For Kia Picanto Power Window Not Working You’ll need to locate the fuse box, and then the. Verify that the power window fuses are not blown. Consult your kia owner's manual for the location of the fuse box. If all of the windows don’t work, that is going to be a fuse or window relay that has gone bad. My girlfriend has a 2016 kia picanto that. Kia Picanto Power Window Not Working.
From www.ebay.com
Power Window Switch For Hyundai KIA Picanto 20112022,935701Y500 Kia Picanto Power Window Not Working Consult your kia owner's manual for the location of the fuse box. Verify that the power window fuses are not blown. If the power window does not operate normally, the automatic power window system must be reset as follows: Check the power window fuses. If all of the windows don’t work, that is going to be a fuse or window. Kia Picanto Power Window Not Working.
From flavored.ph
Car & Truck Parts Power Window Switch Main Driver LH 935701Y000 for Kia Kia Picanto Power Window Not Working Verify that the power window fuses are not blown. Consult your kia owner's manual for the location of the fuse box. Turn the ignition switch to the on position. My girlfriend has a 2016 kia picanto that she bought earlier this year. Detailed video tutorial on repairing the power window of a kia picanto. I had a problem with my. Kia Picanto Power Window Not Working.
From www.ebay.co.uk
OEM Front Power Window Assist Switch ASSY KIA Picanto 20112016 Kia Picanto Power Window Not Working Turn the ignition switch to the on position. If the power window does not operate normally, the automatic power window system must be reset as follows: If all of the windows don’t work, that is going to be a fuse or window relay that has gone bad. Detailed video tutorial on repairing the power window of a kia picanto. My. Kia Picanto Power Window Not Working.
From www.kpicanto.com
Kia Picanto Power Windows Body Electrical System Kia Picanto Power Window Not Working You’ll need to locate the fuse box, and then the. My girlfriend has a 2016 kia picanto that she bought earlier this year. If all of the windows don’t work, that is going to be a fuse or window relay that has gone bad. If the power window does not operate normally, the automatic power window system must be reset. Kia Picanto Power Window Not Working.
From www.amazon.co.uk
Window Switch Button For Kia Picanto 20122015 935701Y200 16 Pins Kia Picanto Power Window Not Working You’ll need to locate the fuse box, and then the. If all of the windows don’t work, that is going to be a fuse or window relay that has gone bad. Detailed video tutorial on repairing the power window of a kia picanto. My girlfriend has a 2016 kia picanto that she bought earlier this year. Consult your kia owner's. Kia Picanto Power Window Not Working.
From www.kpicanto.com
Kia Picanto Power Window Switch Power Windows Kia Picanto Power Window Not Working Detailed video tutorial on repairing the power window of a kia picanto. My girlfriend has a 2016 kia picanto that she bought earlier this year. If all of the windows don’t work, that is going to be a fuse or window relay that has gone bad. Consult your kia owner's manual for the location of the fuse box. Verify that. Kia Picanto Power Window Not Working.
From www.lazada.com.ph
935751Y000 935751Y000 Electric Power Window Switch For Kia Picanto Kia Picanto Power Window Not Working I had a problem with my power window yesterday. My girlfriend has a 2016 kia picanto that she bought earlier this year. Check the power window fuses. Turn the ignition switch to the on position. If all of the windows don’t work, that is going to be a fuse or window relay that has gone bad. You’ll need to locate. Kia Picanto Power Window Not Working.
From www.youtube.com
Kia picanto power window switch troubleshooting YouTube Kia Picanto Power Window Not Working Check the power window fuses. If the power window does not operate normally, the automatic power window system must be reset as follows: Consult your kia owner's manual for the location of the fuse box. Verify that the power window fuses are not blown. You’ll need to locate the fuse box, and then the. Turn the ignition switch to the. Kia Picanto Power Window Not Working.
From www.shopkoreaonline.com
Genuine 935751Y000 Power Window Assist Switch For Kia Picanto Morning Kia Picanto Power Window Not Working If the power window does not operate normally, the automatic power window system must be reset as follows: I had a problem with my power window yesterday. Detailed video tutorial on repairing the power window of a kia picanto. I’m leaning towards a motor because the window doesn’t work between both switches but also confused as to why the motor. Kia Picanto Power Window Not Working.
From www.lazada.co.id
Switch Power Window Kia Picanto 2011 2012 2013 2014 2015 2016 Anak Kia Picanto Power Window Not Working Detailed video tutorial on repairing the power window of a kia picanto. Turn the ignition switch to the on position. My girlfriend has a 2016 kia picanto that she bought earlier this year. If the power window does not operate normally, the automatic power window system must be reset as follows: Consult your kia owner's manual for the location of. Kia Picanto Power Window Not Working.
From www.youtube.com
REPAIR POWER WINDOW SWITCH MAIN KIA PICANTO 2017 MODEL YouTube Kia Picanto Power Window Not Working If all of the windows don’t work, that is going to be a fuse or window relay that has gone bad. I’m leaning towards a motor because the window doesn’t work between both switches but also confused as to why the motor would work. We never tested the windows at the time but the passenger side. Turn the ignition switch. Kia Picanto Power Window Not Working.
From www.flowschema.com
Power Window Wiring Diagram Kia Wiring Flow Schema Kia Picanto Power Window Not Working I’m leaning towards a motor because the window doesn’t work between both switches but also confused as to why the motor would work. We never tested the windows at the time but the passenger side. You’ll need to locate the fuse box, and then the. My girlfriend has a 2016 kia picanto that she bought earlier this year. Turn the. Kia Picanto Power Window Not Working.
From www.wiringdigital.com
Power Window Wiring Diagram Kia Wiring Digital and Schematic Kia Picanto Power Window Not Working Detailed video tutorial on repairing the power window of a kia picanto. We never tested the windows at the time but the passenger side. I’m leaning towards a motor because the window doesn’t work between both switches but also confused as to why the motor would work. Consult your kia owner's manual for the location of the fuse box. You’ll. Kia Picanto Power Window Not Working.
From www.youtube.com
Repair power window switch & power window motor KIA PICANTO 2012 YouTube Kia Picanto Power Window Not Working If all of the windows don’t work, that is going to be a fuse or window relay that has gone bad. Verify that the power window fuses are not blown. Check the power window fuses. Consult your kia owner's manual for the location of the fuse box. I had a problem with my power window yesterday. We never tested the. Kia Picanto Power Window Not Working.
From africaboyzonline.com
KIA PICANTO 2012 ELECTRIC WINDOW MECHANISM RIGHT FRONT AfricaBoyz Online Kia Picanto Power Window Not Working Turn the ignition switch to the on position. Check the power window fuses. I’m leaning towards a motor because the window doesn’t work between both switches but also confused as to why the motor would work. You’ll need to locate the fuse box, and then the. Detailed video tutorial on repairing the power window of a kia picanto. If the. Kia Picanto Power Window Not Working.
From www.kpicanto.com
Kia Picanto Power Window Switch Power Windows Kia Picanto Power Window Not Working I’m leaning towards a motor because the window doesn’t work between both switches but also confused as to why the motor would work. Detailed video tutorial on repairing the power window of a kia picanto. My girlfriend has a 2016 kia picanto that she bought earlier this year. If the power window does not operate normally, the automatic power window. Kia Picanto Power Window Not Working.
From www.dubicars.com
New KIA PICANTO CAR WITH 14 INCH DISPLAY DISC, POWER WINDOW, KEYLESS Kia Picanto Power Window Not Working Verify that the power window fuses are not blown. I had a problem with my power window yesterday. You’ll need to locate the fuse box, and then the. My girlfriend has a 2016 kia picanto that she bought earlier this year. We never tested the windows at the time but the passenger side. Detailed video tutorial on repairing the power. Kia Picanto Power Window Not Working.
From www.shopkoreaonline.com
Genuine 935751Y000 Power Window Assist Switch For Kia Picanto Morning Kia Picanto Power Window Not Working I had a problem with my power window yesterday. We never tested the windows at the time but the passenger side. Detailed video tutorial on repairing the power window of a kia picanto. If the power window does not operate normally, the automatic power window system must be reset as follows: Consult your kia owner's manual for the location of. Kia Picanto Power Window Not Working.
From www.lazada.com.ph
[ORIGINAL] 935701Y100 SWITCH POWER WINDOW MAIN KIA PICANTO 20112016 / Kia Picanto Power Window Not Working Detailed video tutorial on repairing the power window of a kia picanto. I’m leaning towards a motor because the window doesn’t work between both switches but also confused as to why the motor would work. Turn the ignition switch to the on position. My girlfriend has a 2016 kia picanto that she bought earlier this year. Verify that the power. Kia Picanto Power Window Not Working.
From www.lazada.com.ph
[Genuine] Power Window Switch For Kia Picanto 20112016 Years Model Kia Picanto Power Window Not Working If all of the windows don’t work, that is going to be a fuse or window relay that has gone bad. Detailed video tutorial on repairing the power window of a kia picanto. You’ll need to locate the fuse box, and then the. We never tested the windows at the time but the passenger side. My girlfriend has a 2016. Kia Picanto Power Window Not Working.
From flavored.ph
Car & Truck Parts Power Window Switch Main Driver LH 935701Y000 for Kia Kia Picanto Power Window Not Working Verify that the power window fuses are not blown. Detailed video tutorial on repairing the power window of a kia picanto. Consult your kia owner's manual for the location of the fuse box. My girlfriend has a 2016 kia picanto that she bought earlier this year. I’m leaning towards a motor because the window doesn’t work between both switches but. Kia Picanto Power Window Not Working.
From www.kpicanto.com
Kia Picanto Power Window Switch Power Windows Kia Picanto Power Window Not Working My girlfriend has a 2016 kia picanto that she bought earlier this year. Detailed video tutorial on repairing the power window of a kia picanto. Turn the ignition switch to the on position. If all of the windows don’t work, that is going to be a fuse or window relay that has gone bad. You’ll need to locate the fuse. Kia Picanto Power Window Not Working.
From www.ebay.com
KIA PICANTO 2011+ Genuine OEM Power Window Motor Front Left eBay Kia Picanto Power Window Not Working If all of the windows don’t work, that is going to be a fuse or window relay that has gone bad. Turn the ignition switch to the on position. If the power window does not operate normally, the automatic power window system must be reset as follows: I’m leaning towards a motor because the window doesn’t work between both switches. Kia Picanto Power Window Not Working.
From www.youtube.com
power window not working easy step to solve power window problem Kia Picanto Power Window Not Working Verify that the power window fuses are not blown. Check the power window fuses. You’ll need to locate the fuse box, and then the. My girlfriend has a 2016 kia picanto that she bought earlier this year. Consult your kia owner's manual for the location of the fuse box. I’m leaning towards a motor because the window doesn’t work between. Kia Picanto Power Window Not Working.
From www.kpicanto.com
Kia Picanto Power Window Motor Power Windows Kia Picanto Power Window Not Working Consult your kia owner's manual for the location of the fuse box. You’ll need to locate the fuse box, and then the. We never tested the windows at the time but the passenger side. If the power window does not operate normally, the automatic power window system must be reset as follows: I’m leaning towards a motor because the window. Kia Picanto Power Window Not Working.
From www.kpicanto.com
Kia Picanto Power Window Motor Power Windows Kia Picanto Power Window Not Working If all of the windows don’t work, that is going to be a fuse or window relay that has gone bad. We never tested the windows at the time but the passenger side. Verify that the power window fuses are not blown. Turn the ignition switch to the on position. I had a problem with my power window yesterday. If. Kia Picanto Power Window Not Working.
From www.ebay.com
Genuine 935701Y200 Power Window Main Switch W/16 Pins For Kia Picanto Kia Picanto Power Window Not Working I had a problem with my power window yesterday. Consult your kia owner's manual for the location of the fuse box. I’m leaning towards a motor because the window doesn’t work between both switches but also confused as to why the motor would work. Turn the ignition switch to the on position. If the power window does not operate normally,. Kia Picanto Power Window Not Working.
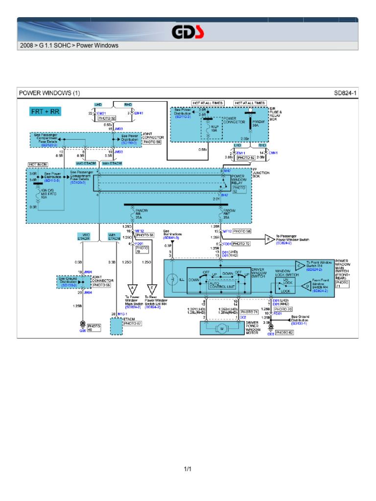
From www.scribd.com
Kia Picanto Power Windows PDF Kia Picanto Power Window Not Working Consult your kia owner's manual for the location of the fuse box. I had a problem with my power window yesterday. I’m leaning towards a motor because the window doesn’t work between both switches but also confused as to why the motor would work. Detailed video tutorial on repairing the power window of a kia picanto. If all of the. Kia Picanto Power Window Not Working.
From www.shopkoreaonline.com
Genuine 935751Y000 Power Window Assist Switch For Kia Picanto Morning Kia Picanto Power Window Not Working Check the power window fuses. I’m leaning towards a motor because the window doesn’t work between both switches but also confused as to why the motor would work. You’ll need to locate the fuse box, and then the. Detailed video tutorial on repairing the power window of a kia picanto. If the power window does not operate normally, the automatic. Kia Picanto Power Window Not Working.
From www.shopkoreaonline.com
Genuine 935751Y000 Power Window Assist Switch For Kia Picanto Morning Kia Picanto Power Window Not Working Verify that the power window fuses are not blown. If all of the windows don’t work, that is going to be a fuse or window relay that has gone bad. Consult your kia owner's manual for the location of the fuse box. Detailed video tutorial on repairing the power window of a kia picanto. Turn the ignition switch to the. Kia Picanto Power Window Not Working.