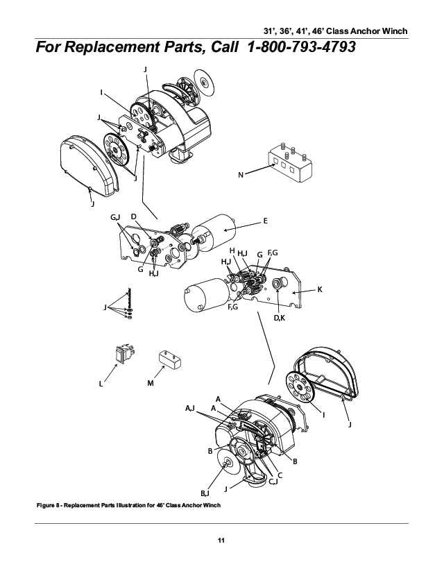
Maxwell Windlass Parts Diagram . Maxset bow roller 10kg product dimensions spare parts product pamphlet. This diagram showcases all the essential components of the windlass, allowing boaters to identify the specific part they need and ensure. Congratulations on your purchase of a maxwell freedom windlass. The maxwell windlasses are designed for rope/chain systems using: Some smaller parts might not be assembled on the windlass by. The drawings are protected by copyright and must not be copied. Stocking thousands of oem & aftermarket marine parts by top suppliers. This document which covers the rc6, rc8 & rc10 range of windlasses is intended to assist customer services and service agents with. Refer to drawing in this manual and identify all parts. If any parts are damaged or missing, contact your maxwell distributor. Find the exact marine boat parts you need online. Find detailed drawings of maxwell windlass parts for different models and series. Please read these instructions carefully to enable you to correctly install and.
from leaderland.academy
Find detailed drawings of maxwell windlass parts for different models and series. The drawings are protected by copyright and must not be copied. Some smaller parts might not be assembled on the windlass by. The maxwell windlasses are designed for rope/chain systems using: Please read these instructions carefully to enable you to correctly install and. Maxset bow roller 10kg product dimensions spare parts product pamphlet. Congratulations on your purchase of a maxwell freedom windlass. If any parts are damaged or missing, contact your maxwell distributor. Stocking thousands of oem & aftermarket marine parts by top suppliers. This diagram showcases all the essential components of the windlass, allowing boaters to identify the specific part they need and ensure.
Maxwell 500 Windlass Parts Diagram Online Stores leaderland.academy
Maxwell Windlass Parts Diagram The maxwell windlasses are designed for rope/chain systems using: Please read these instructions carefully to enable you to correctly install and. The maxwell windlasses are designed for rope/chain systems using: Maxset bow roller 10kg product dimensions spare parts product pamphlet. Stocking thousands of oem & aftermarket marine parts by top suppliers. Find detailed drawings of maxwell windlass parts for different models and series. If any parts are damaged or missing, contact your maxwell distributor. Congratulations on your purchase of a maxwell freedom windlass. Find the exact marine boat parts you need online. Refer to drawing in this manual and identify all parts. This diagram showcases all the essential components of the windlass, allowing boaters to identify the specific part they need and ensure. Some smaller parts might not be assembled on the windlass by. This document which covers the rc6, rc8 & rc10 range of windlasses is intended to assist customer services and service agents with. The drawings are protected by copyright and must not be copied.
From www.myxxgirl.com
Windlass Parts Diagram My XXX Hot Girl Maxwell Windlass Parts Diagram Find detailed drawings of maxwell windlass parts for different models and series. Stocking thousands of oem & aftermarket marine parts by top suppliers. Some smaller parts might not be assembled on the windlass by. Maxset bow roller 10kg product dimensions spare parts product pamphlet. Refer to drawing in this manual and identify all parts. Please read these instructions carefully to. Maxwell Windlass Parts Diagram.
From schematron.org
Maxwell Windlass Wiring Diagram Wiring Diagram Pictures Maxwell Windlass Parts Diagram This diagram showcases all the essential components of the windlass, allowing boaters to identify the specific part they need and ensure. If any parts are damaged or missing, contact your maxwell distributor. Refer to drawing in this manual and identify all parts. Stocking thousands of oem & aftermarket marine parts by top suppliers. Please read these instructions carefully to enable. Maxwell Windlass Parts Diagram.
From resolutionsforyou.com
"Maxwell 500 Windlass Exploring Parts Diagram for Maintenance and Repair" Maxwell Windlass Parts Diagram Some smaller parts might not be assembled on the windlass by. Maxset bow roller 10kg product dimensions spare parts product pamphlet. This document which covers the rc6, rc8 & rc10 range of windlasses is intended to assist customer services and service agents with. Please read these instructions carefully to enable you to correctly install and. This diagram showcases all the. Maxwell Windlass Parts Diagram.
From schematron.org
Maxwell Windlass Parts Diagram Wiring Diagram Pictures Maxwell Windlass Parts Diagram Please read these instructions carefully to enable you to correctly install and. The maxwell windlasses are designed for rope/chain systems using: This document which covers the rc6, rc8 & rc10 range of windlasses is intended to assist customer services and service agents with. Congratulations on your purchase of a maxwell freedom windlass. Some smaller parts might not be assembled on. Maxwell Windlass Parts Diagram.
From resolutionsforyou.com
"Maxwell 500 Windlass Exploring Parts Diagram for Maintenance and Repair" Maxwell Windlass Parts Diagram Stocking thousands of oem & aftermarket marine parts by top suppliers. This diagram showcases all the essential components of the windlass, allowing boaters to identify the specific part they need and ensure. This document which covers the rc6, rc8 & rc10 range of windlasses is intended to assist customer services and service agents with. Maxset bow roller 10kg product dimensions. Maxwell Windlass Parts Diagram.
From resolutionsforyou.com
"Maxwell 500 Windlass Exploring Parts Diagram for Maintenance and Repair" Maxwell Windlass Parts Diagram The maxwell windlasses are designed for rope/chain systems using: Congratulations on your purchase of a maxwell freedom windlass. This diagram showcases all the essential components of the windlass, allowing boaters to identify the specific part they need and ensure. The drawings are protected by copyright and must not be copied. Find detailed drawings of maxwell windlass parts for different models. Maxwell Windlass Parts Diagram.
From hanenhuusholli.blogspot.com
Maxwell Windlass Parts Diagram Hanenhuusholli Maxwell Windlass Parts Diagram If any parts are damaged or missing, contact your maxwell distributor. Stocking thousands of oem & aftermarket marine parts by top suppliers. Maxset bow roller 10kg product dimensions spare parts product pamphlet. Refer to drawing in this manual and identify all parts. The maxwell windlasses are designed for rope/chain systems using: Find detailed drawings of maxwell windlass parts for different. Maxwell Windlass Parts Diagram.
From leaderland.academy
Maxwell 500 Windlass Parts Diagram Online Stores leaderland.academy Maxwell Windlass Parts Diagram Refer to drawing in this manual and identify all parts. Find detailed drawings of maxwell windlass parts for different models and series. Stocking thousands of oem & aftermarket marine parts by top suppliers. This diagram showcases all the essential components of the windlass, allowing boaters to identify the specific part they need and ensure. The maxwell windlasses are designed for. Maxwell Windlass Parts Diagram.
From resolutionsforyou.com
"Maxwell 500 Windlass Exploring Parts Diagram for Maintenance and Repair" Maxwell Windlass Parts Diagram Stocking thousands of oem & aftermarket marine parts by top suppliers. Find the exact marine boat parts you need online. Maxset bow roller 10kg product dimensions spare parts product pamphlet. Congratulations on your purchase of a maxwell freedom windlass. The maxwell windlasses are designed for rope/chain systems using: Please read these instructions carefully to enable you to correctly install and.. Maxwell Windlass Parts Diagram.
From mungfali.com
Lewmar Windlass Parts Diagram Maxwell Windlass Parts Diagram This diagram showcases all the essential components of the windlass, allowing boaters to identify the specific part they need and ensure. Refer to drawing in this manual and identify all parts. Please read these instructions carefully to enable you to correctly install and. Some smaller parts might not be assembled on the windlass by. Stocking thousands of oem & aftermarket. Maxwell Windlass Parts Diagram.
From resolutionsforyou.com
"Maxwell 500 Windlass Exploring Parts Diagram for Maintenance and Repair" Maxwell Windlass Parts Diagram This diagram showcases all the essential components of the windlass, allowing boaters to identify the specific part they need and ensure. Find the exact marine boat parts you need online. The maxwell windlasses are designed for rope/chain systems using: Find detailed drawings of maxwell windlass parts for different models and series. Please read these instructions carefully to enable you to. Maxwell Windlass Parts Diagram.
From mungfali.com
Lewmar Windlass Parts Diagram Maxwell Windlass Parts Diagram This diagram showcases all the essential components of the windlass, allowing boaters to identify the specific part they need and ensure. Maxset bow roller 10kg product dimensions spare parts product pamphlet. If any parts are damaged or missing, contact your maxwell distributor. Find the exact marine boat parts you need online. Please read these instructions carefully to enable you to. Maxwell Windlass Parts Diagram.
From device.report
Quick DP1_P 300 500 VERTICAL WINDLASSES User Manual Maxwell Windlass Parts Diagram This diagram showcases all the essential components of the windlass, allowing boaters to identify the specific part they need and ensure. Refer to drawing in this manual and identify all parts. Find the exact marine boat parts you need online. The maxwell windlasses are designed for rope/chain systems using: Find detailed drawings of maxwell windlass parts for different models and. Maxwell Windlass Parts Diagram.
From mungfali.com
Lewmar Windlass Parts Diagram Maxwell Windlass Parts Diagram This diagram showcases all the essential components of the windlass, allowing boaters to identify the specific part they need and ensure. Please read these instructions carefully to enable you to correctly install and. Find detailed drawings of maxwell windlass parts for different models and series. This document which covers the rc6, rc8 & rc10 range of windlasses is intended to. Maxwell Windlass Parts Diagram.
From diagramweb.net
Lewmar Windlass Wiring Diagram Maxwell Windlass Parts Diagram Find detailed drawings of maxwell windlass parts for different models and series. Please read these instructions carefully to enable you to correctly install and. Find the exact marine boat parts you need online. Maxset bow roller 10kg product dimensions spare parts product pamphlet. The maxwell windlasses are designed for rope/chain systems using: Refer to drawing in this manual and identify. Maxwell Windlass Parts Diagram.
From hanenhuusholli.blogspot.com
Lewmar Windlass Parts Diagram Hanenhuusholli Maxwell Windlass Parts Diagram The drawings are protected by copyright and must not be copied. Refer to drawing in this manual and identify all parts. Some smaller parts might not be assembled on the windlass by. Find detailed drawings of maxwell windlass parts for different models and series. This diagram showcases all the essential components of the windlass, allowing boaters to identify the specific. Maxwell Windlass Parts Diagram.
From wiringpictures.net
A Detailed Look at the Components of the Maxwell 800 Windlass Parts Maxwell Windlass Parts Diagram This document which covers the rc6, rc8 & rc10 range of windlasses is intended to assist customer services and service agents with. Find the exact marine boat parts you need online. Some smaller parts might not be assembled on the windlass by. Maxset bow roller 10kg product dimensions spare parts product pamphlet. Please read these instructions carefully to enable you. Maxwell Windlass Parts Diagram.
From funnyhacklife.blogspot.com
Maxwell Windlass Wiring Diagram Hack Your Life Skill Maxwell Windlass Parts Diagram Find detailed drawings of maxwell windlass parts for different models and series. Refer to drawing in this manual and identify all parts. Maxset bow roller 10kg product dimensions spare parts product pamphlet. Stocking thousands of oem & aftermarket marine parts by top suppliers. This document which covers the rc6, rc8 & rc10 range of windlasses is intended to assist customer. Maxwell Windlass Parts Diagram.
From wiringall.com
Maxwell Windlass Parts Diagram Maxwell Windlass Parts Diagram Find detailed drawings of maxwell windlass parts for different models and series. Some smaller parts might not be assembled on the windlass by. Maxset bow roller 10kg product dimensions spare parts product pamphlet. If any parts are damaged or missing, contact your maxwell distributor. Congratulations on your purchase of a maxwell freedom windlass. This document which covers the rc6, rc8. Maxwell Windlass Parts Diagram.
From galvinconanstuart.blogspot.com
Maxwell Windlass Parts Diagram General Wiring Diagram Maxwell Windlass Parts Diagram This document which covers the rc6, rc8 & rc10 range of windlasses is intended to assist customer services and service agents with. The maxwell windlasses are designed for rope/chain systems using: Stocking thousands of oem & aftermarket marine parts by top suppliers. Find the exact marine boat parts you need online. This diagram showcases all the essential components of the. Maxwell Windlass Parts Diagram.
From leaderland.academy
Maxwell 500 Windlass Parts Diagram Online Stores leaderland.academy Maxwell Windlass Parts Diagram Congratulations on your purchase of a maxwell freedom windlass. This document which covers the rc6, rc8 & rc10 range of windlasses is intended to assist customer services and service agents with. This diagram showcases all the essential components of the windlass, allowing boaters to identify the specific part they need and ensure. Find the exact marine boat parts you need. Maxwell Windlass Parts Diagram.
From jumpstarterdiscount.blogspot.com
Maxwell Windlass Parts Diagram Wiring Diagram Maxwell Windlass Parts Diagram Find detailed drawings of maxwell windlass parts for different models and series. The drawings are protected by copyright and must not be copied. Maxset bow roller 10kg product dimensions spare parts product pamphlet. If any parts are damaged or missing, contact your maxwell distributor. Some smaller parts might not be assembled on the windlass by. Congratulations on your purchase of. Maxwell Windlass Parts Diagram.
From wirelistsubdolous.z21.web.core.windows.net
Maxwell Windlass Solenoid Wiring Diagram Maxwell Windlass Parts Diagram Congratulations on your purchase of a maxwell freedom windlass. Stocking thousands of oem & aftermarket marine parts by top suppliers. Find detailed drawings of maxwell windlass parts for different models and series. Find the exact marine boat parts you need online. If any parts are damaged or missing, contact your maxwell distributor. Refer to drawing in this manual and identify. Maxwell Windlass Parts Diagram.
From schempro.com
Visualize the Components of the Maxwell 500 Windlass with this Diagram Maxwell Windlass Parts Diagram Please read these instructions carefully to enable you to correctly install and. The drawings are protected by copyright and must not be copied. Maxset bow roller 10kg product dimensions spare parts product pamphlet. Find the exact marine boat parts you need online. This diagram showcases all the essential components of the windlass, allowing boaters to identify the specific part they. Maxwell Windlass Parts Diagram.
From schempro.com
Exploring the Parts of a Maxwell Windlass A Comprehensive Diagram Maxwell Windlass Parts Diagram Please read these instructions carefully to enable you to correctly install and. Some smaller parts might not be assembled on the windlass by. Refer to drawing in this manual and identify all parts. Maxset bow roller 10kg product dimensions spare parts product pamphlet. This document which covers the rc6, rc8 & rc10 range of windlasses is intended to assist customer. Maxwell Windlass Parts Diagram.
From www.thehulltruth.com
Maxwell Freedom 800 Windlass Parts The Hull Truth Boating and Maxwell Windlass Parts Diagram If any parts are damaged or missing, contact your maxwell distributor. Find the exact marine boat parts you need online. Refer to drawing in this manual and identify all parts. Please read these instructions carefully to enable you to correctly install and. This diagram showcases all the essential components of the windlass, allowing boaters to identify the specific part they. Maxwell Windlass Parts Diagram.
From mvwildblue.blogspot.com
m/v WILD BLUE Cruising Blog 201512 Windlass Repair Maxwell Windlass Parts Diagram If any parts are damaged or missing, contact your maxwell distributor. Some smaller parts might not be assembled on the windlass by. Maxset bow roller 10kg product dimensions spare parts product pamphlet. This diagram showcases all the essential components of the windlass, allowing boaters to identify the specific part they need and ensure. The drawings are protected by copyright and. Maxwell Windlass Parts Diagram.
From defender.com
Maxwell VWC Series VWC3500 Vertical Windlass Kit Defender Maxwell Windlass Parts Diagram This document which covers the rc6, rc8 & rc10 range of windlasses is intended to assist customer services and service agents with. Maxset bow roller 10kg product dimensions spare parts product pamphlet. If any parts are damaged or missing, contact your maxwell distributor. Find the exact marine boat parts you need online. Find detailed drawings of maxwell windlass parts for. Maxwell Windlass Parts Diagram.
From resolutionsforyou.com
Maxwell 500 windlass parts diagram Maxwell Windlass Parts Diagram This document which covers the rc6, rc8 & rc10 range of windlasses is intended to assist customer services and service agents with. Maxset bow roller 10kg product dimensions spare parts product pamphlet. If any parts are damaged or missing, contact your maxwell distributor. The maxwell windlasses are designed for rope/chain systems using: Stocking thousands of oem & aftermarket marine parts. Maxwell Windlass Parts Diagram.
From leaderland.academy
Maxwell 500 Windlass Parts Diagram Online Stores leaderland.academy Maxwell Windlass Parts Diagram This document which covers the rc6, rc8 & rc10 range of windlasses is intended to assist customer services and service agents with. Find detailed drawings of maxwell windlass parts for different models and series. The maxwell windlasses are designed for rope/chain systems using: If any parts are damaged or missing, contact your maxwell distributor. Some smaller parts might not be. Maxwell Windlass Parts Diagram.
From wire-mold.blogspot.com
boat winch parts diagram wire mold Maxwell Windlass Parts Diagram The drawings are protected by copyright and must not be copied. If any parts are damaged or missing, contact your maxwell distributor. This diagram showcases all the essential components of the windlass, allowing boaters to identify the specific part they need and ensure. Congratulations on your purchase of a maxwell freedom windlass. This document which covers the rc6, rc8 &. Maxwell Windlass Parts Diagram.
From galvinconanstuart.blogspot.com
Maxwell Windlass Parts Diagram General Wiring Diagram Maxwell Windlass Parts Diagram Find the exact marine boat parts you need online. Refer to drawing in this manual and identify all parts. Maxset bow roller 10kg product dimensions spare parts product pamphlet. This diagram showcases all the essential components of the windlass, allowing boaters to identify the specific part they need and ensure. This document which covers the rc6, rc8 & rc10 range. Maxwell Windlass Parts Diagram.
From harborshoppers.com
Buy Windlass Maxwell 2200 (Used), Saint Kitts Harbor Shoppers Maxwell Windlass Parts Diagram Please read these instructions carefully to enable you to correctly install and. Find detailed drawings of maxwell windlass parts for different models and series. Congratulations on your purchase of a maxwell freedom windlass. Stocking thousands of oem & aftermarket marine parts by top suppliers. Find the exact marine boat parts you need online. This document which covers the rc6, rc8. Maxwell Windlass Parts Diagram.
From galvinconanstuart.blogspot.com
Maxwell Windlass Parts Diagram General Wiring Diagram Maxwell Windlass Parts Diagram Refer to drawing in this manual and identify all parts. Congratulations on your purchase of a maxwell freedom windlass. Stocking thousands of oem & aftermarket marine parts by top suppliers. This document which covers the rc6, rc8 & rc10 range of windlasses is intended to assist customer services and service agents with. Maxset bow roller 10kg product dimensions spare parts. Maxwell Windlass Parts Diagram.
From schematron.org
Maxwell Windlass Parts Diagram Wiring Diagram Pictures Maxwell Windlass Parts Diagram Refer to drawing in this manual and identify all parts. Find the exact marine boat parts you need online. The maxwell windlasses are designed for rope/chain systems using: Some smaller parts might not be assembled on the windlass by. This diagram showcases all the essential components of the windlass, allowing boaters to identify the specific part they need and ensure.. Maxwell Windlass Parts Diagram.