Crankshaft Driven Pto . The 2230u and 2442 series crankshaft driven ptos provide constant power, no matter what gear the transmission is in. Chelsea crankshaft driven pto series 2230u & 2442, gives you the ability to have more control over your pto. The pto is an essential element that transfers an engine’s power to another mechanical device. However, there isn’t just a. In the picture, you can see the belt.
from talk.newagtalk.com
Chelsea crankshaft driven pto series 2230u & 2442, gives you the ability to have more control over your pto. The pto is an essential element that transfers an engine’s power to another mechanical device. In the picture, you can see the belt. However, there isn’t just a. The 2230u and 2442 series crankshaft driven ptos provide constant power, no matter what gear the transmission is in.
Viewing a thread Crankshaft driven front pto on a truck?
Crankshaft Driven Pto The 2230u and 2442 series crankshaft driven ptos provide constant power, no matter what gear the transmission is in. Chelsea crankshaft driven pto series 2230u & 2442, gives you the ability to have more control over your pto. The 2230u and 2442 series crankshaft driven ptos provide constant power, no matter what gear the transmission is in. The pto is an essential element that transfers an engine’s power to another mechanical device. In the picture, you can see the belt. However, there isn’t just a.
From www.munciepower.com
Is a clutch pump right for you? Crankshaft Driven Pto In the picture, you can see the belt. The 2230u and 2442 series crankshaft driven ptos provide constant power, no matter what gear the transmission is in. Chelsea crankshaft driven pto series 2230u & 2442, gives you the ability to have more control over your pto. The pto is an essential element that transfers an engine’s power to another mechanical. Crankshaft Driven Pto.
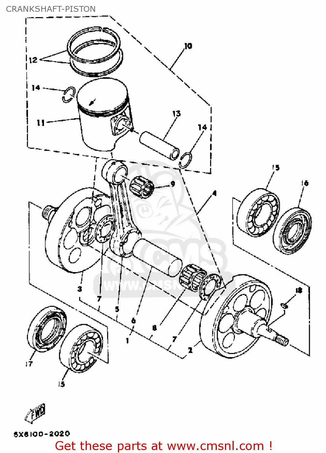
From www.cmsnl.com
3JD1140000 Crankshaft Assy Yamaha buy the 3JD114000000 at CMSNL Crankshaft Driven Pto However, there isn’t just a. In the picture, you can see the belt. The 2230u and 2442 series crankshaft driven ptos provide constant power, no matter what gear the transmission is in. The pto is an essential element that transfers an engine’s power to another mechanical device. Chelsea crankshaft driven pto series 2230u & 2442, gives you the ability to. Crankshaft Driven Pto.
From www.alasfarspares.com
Crankshaft AlAsfar Spares Crankshaft Driven Pto The pto is an essential element that transfers an engine’s power to another mechanical device. In the picture, you can see the belt. The 2230u and 2442 series crankshaft driven ptos provide constant power, no matter what gear the transmission is in. Chelsea crankshaft driven pto series 2230u & 2442, gives you the ability to have more control over your. Crankshaft Driven Pto.
From www.sbmar.com
Cummins PTO and other PTO Solutions Seaboard Marine Crankshaft Driven Pto The pto is an essential element that transfers an engine’s power to another mechanical device. Chelsea crankshaft driven pto series 2230u & 2442, gives you the ability to have more control over your pto. The 2230u and 2442 series crankshaft driven ptos provide constant power, no matter what gear the transmission is in. However, there isn’t just a. In the. Crankshaft Driven Pto.
From s299.photobucket.com
PTO Pump Driven Off Crank Pulley Photo by wheelie1054 Photobucket Crankshaft Driven Pto However, there isn’t just a. Chelsea crankshaft driven pto series 2230u & 2442, gives you the ability to have more control over your pto. The 2230u and 2442 series crankshaft driven ptos provide constant power, no matter what gear the transmission is in. In the picture, you can see the belt. The pto is an essential element that transfers an. Crankshaft Driven Pto.
From www.cmsnl.com
3R51140000 Crankshaft Assy Yamaha buy the 3R5114000000 at CMSNL Crankshaft Driven Pto Chelsea crankshaft driven pto series 2230u & 2442, gives you the ability to have more control over your pto. The 2230u and 2442 series crankshaft driven ptos provide constant power, no matter what gear the transmission is in. The pto is an essential element that transfers an engine’s power to another mechanical device. However, there isn’t just a. In the. Crankshaft Driven Pto.
From manualdatatickings.z14.web.core.windows.net
Chelsea Pto Parts Catalog Crankshaft Driven Pto Chelsea crankshaft driven pto series 2230u & 2442, gives you the ability to have more control over your pto. In the picture, you can see the belt. The 2230u and 2442 series crankshaft driven ptos provide constant power, no matter what gear the transmission is in. The pto is an essential element that transfers an engine’s power to another mechanical. Crankshaft Driven Pto.
From www.youtube.com
Troubleshooting Dump Truck Pump and PTO Troubleshooting YouTube Crankshaft Driven Pto The pto is an essential element that transfers an engine’s power to another mechanical device. Chelsea crankshaft driven pto series 2230u & 2442, gives you the ability to have more control over your pto. In the picture, you can see the belt. However, there isn’t just a. The 2230u and 2442 series crankshaft driven ptos provide constant power, no matter. Crankshaft Driven Pto.
From www.wipcool.com
C28B Crankshaftdriven Cordless Cleaning Machine Crankshaft Driven Pto However, there isn’t just a. The pto is an essential element that transfers an engine’s power to another mechanical device. The 2230u and 2442 series crankshaft driven ptos provide constant power, no matter what gear the transmission is in. Chelsea crankshaft driven pto series 2230u & 2442, gives you the ability to have more control over your pto. In the. Crankshaft Driven Pto.
From offerup.com
Muncie belt drive PTO hydraulic pump**PRICE DROP** for Sale in Sarasota Crankshaft Driven Pto Chelsea crankshaft driven pto series 2230u & 2442, gives you the ability to have more control over your pto. The 2230u and 2442 series crankshaft driven ptos provide constant power, no matter what gear the transmission is in. The pto is an essential element that transfers an engine’s power to another mechanical device. In the picture, you can see the. Crankshaft Driven Pto.
From www.greentractortalk.com
X540 Damaged Crankshaft Keyway from PTO Clutch Green Tractor Talk Crankshaft Driven Pto In the picture, you can see the belt. The pto is an essential element that transfers an engine’s power to another mechanical device. However, there isn’t just a. The 2230u and 2442 series crankshaft driven ptos provide constant power, no matter what gear the transmission is in. Chelsea crankshaft driven pto series 2230u & 2442, gives you the ability to. Crankshaft Driven Pto.
From www.cmsnl.com
15E1140000 Crankshaft Assy Yamaha buy the 15E1140000 at CMSNL Crankshaft Driven Pto In the picture, you can see the belt. The 2230u and 2442 series crankshaft driven ptos provide constant power, no matter what gear the transmission is in. Chelsea crankshaft driven pto series 2230u & 2442, gives you the ability to have more control over your pto. However, there isn’t just a. The pto is an essential element that transfers an. Crankshaft Driven Pto.
From silverwater12xlschematic.z19.web.core.windows.net
Chelsea Pto Parts Catalog Crankshaft Driven Pto In the picture, you can see the belt. Chelsea crankshaft driven pto series 2230u & 2442, gives you the ability to have more control over your pto. The 2230u and 2442 series crankshaft driven ptos provide constant power, no matter what gear the transmission is in. However, there isn’t just a. The pto is an essential element that transfers an. Crankshaft Driven Pto.
From www.cmsnl.com
CRANKSHAFT ASSEMBLY for RM80 1983 (D) USA (E03) order at CMSNL Crankshaft Driven Pto The 2230u and 2442 series crankshaft driven ptos provide constant power, no matter what gear the transmission is in. In the picture, you can see the belt. The pto is an essential element that transfers an engine’s power to another mechanical device. Chelsea crankshaft driven pto series 2230u & 2442, gives you the ability to have more control over your. Crankshaft Driven Pto.
From medium.com
Components of a Crankshaft. A crankshaft is a vital component of a Crankshaft Driven Pto In the picture, you can see the belt. Chelsea crankshaft driven pto series 2230u & 2442, gives you the ability to have more control over your pto. The 2230u and 2442 series crankshaft driven ptos provide constant power, no matter what gear the transmission is in. However, there isn’t just a. The pto is an essential element that transfers an. Crankshaft Driven Pto.
From www.mobilehosefixersgoldcoast.com.au
Tractor PTO Speed Increase Gearbox & Hydraulic Pump Kit Store Crankshaft Driven Pto The 2230u and 2442 series crankshaft driven ptos provide constant power, no matter what gear the transmission is in. However, there isn’t just a. Chelsea crankshaft driven pto series 2230u & 2442, gives you the ability to have more control over your pto. In the picture, you can see the belt. The pto is an essential element that transfers an. Crankshaft Driven Pto.
From www.alamy.com
Crankshaft Cut Out Stock Images & Pictures Alamy Crankshaft Driven Pto The 2230u and 2442 series crankshaft driven ptos provide constant power, no matter what gear the transmission is in. Chelsea crankshaft driven pto series 2230u & 2442, gives you the ability to have more control over your pto. In the picture, you can see the belt. However, there isn’t just a. The pto is an essential element that transfers an. Crankshaft Driven Pto.
From loganclutch.com
Typical Applications Crankshaft Driven Pto However, there isn’t just a. Chelsea crankshaft driven pto series 2230u & 2442, gives you the ability to have more control over your pto. The pto is an essential element that transfers an engine’s power to another mechanical device. The 2230u and 2442 series crankshaft driven ptos provide constant power, no matter what gear the transmission is in. In the. Crankshaft Driven Pto.
From carschematics.com
Exploring the Ford 8n Tractor's PTO Parts A Comprehensive Diagram Crankshaft Driven Pto Chelsea crankshaft driven pto series 2230u & 2442, gives you the ability to have more control over your pto. The pto is an essential element that transfers an engine’s power to another mechanical device. The 2230u and 2442 series crankshaft driven ptos provide constant power, no matter what gear the transmission is in. However, there isn’t just a. In the. Crankshaft Driven Pto.
From www.sbmar.com
Cummins PTO and other PTO Solutions Seaboard Marine Crankshaft Driven Pto The pto is an essential element that transfers an engine’s power to another mechanical device. However, there isn’t just a. The 2230u and 2442 series crankshaft driven ptos provide constant power, no matter what gear the transmission is in. Chelsea crankshaft driven pto series 2230u & 2442, gives you the ability to have more control over your pto. In the. Crankshaft Driven Pto.
From www.rebuiltchelseapto.com
Chelsea Crankshaft Driven PTO from Rebuilt Chelsea PTO Crankshaft Driven Pto Chelsea crankshaft driven pto series 2230u & 2442, gives you the ability to have more control over your pto. The 2230u and 2442 series crankshaft driven ptos provide constant power, no matter what gear the transmission is in. In the picture, you can see the belt. However, there isn’t just a. The pto is an essential element that transfers an. Crankshaft Driven Pto.
From mechanicdincerjfm.z21.web.core.windows.net
Chelsea Pto Rebuild Kit Crankshaft Driven Pto The pto is an essential element that transfers an engine’s power to another mechanical device. Chelsea crankshaft driven pto series 2230u & 2442, gives you the ability to have more control over your pto. However, there isn’t just a. In the picture, you can see the belt. The 2230u and 2442 series crankshaft driven ptos provide constant power, no matter. Crankshaft Driven Pto.
From wptpower.com
Power Takeoff Clutch Mechanical PTO Clutch WPT Power Crankshaft Driven Pto Chelsea crankshaft driven pto series 2230u & 2442, gives you the ability to have more control over your pto. The pto is an essential element that transfers an engine’s power to another mechanical device. In the picture, you can see the belt. However, there isn’t just a. The 2230u and 2442 series crankshaft driven ptos provide constant power, no matter. Crankshaft Driven Pto.
From www.youtube.com
PTO Driven Car Engine Air Compressor Part 2 Running Crankshaft Driven Pto Chelsea crankshaft driven pto series 2230u & 2442, gives you the ability to have more control over your pto. However, there isn’t just a. In the picture, you can see the belt. The pto is an essential element that transfers an engine’s power to another mechanical device. The 2230u and 2442 series crankshaft driven ptos provide constant power, no matter. Crankshaft Driven Pto.
From www.linkedin.com
Why do crankshafts/camshafts need polishing? Crankshaft Driven Pto Chelsea crankshaft driven pto series 2230u & 2442, gives you the ability to have more control over your pto. The pto is an essential element that transfers an engine’s power to another mechanical device. The 2230u and 2442 series crankshaft driven ptos provide constant power, no matter what gear the transmission is in. However, there isn’t just a. In the. Crankshaft Driven Pto.
From www.cmsnl.com
3NCE140000 Crankshaft Assy Yamaha buy the 3NCE140000 at CMSNL Crankshaft Driven Pto In the picture, you can see the belt. Chelsea crankshaft driven pto series 2230u & 2442, gives you the ability to have more control over your pto. However, there isn’t just a. The pto is an essential element that transfers an engine’s power to another mechanical device. The 2230u and 2442 series crankshaft driven ptos provide constant power, no matter. Crankshaft Driven Pto.
From technofaq.org
How to Care for the Engine Crankshaft Techno FAQ Crankshaft Driven Pto The pto is an essential element that transfers an engine’s power to another mechanical device. In the picture, you can see the belt. The 2230u and 2442 series crankshaft driven ptos provide constant power, no matter what gear the transmission is in. Chelsea crankshaft driven pto series 2230u & 2442, gives you the ability to have more control over your. Crankshaft Driven Pto.
From www.cmsnl.com
1S4E140000 Crankshaft Assy Yamaha buy the 1S4E140000 at CMSNL Crankshaft Driven Pto Chelsea crankshaft driven pto series 2230u & 2442, gives you the ability to have more control over your pto. The pto is an essential element that transfers an engine’s power to another mechanical device. However, there isn’t just a. The 2230u and 2442 series crankshaft driven ptos provide constant power, no matter what gear the transmission is in. In the. Crankshaft Driven Pto.
From wiremanualsample.z19.web.core.windows.net
Chelsea Pto Parts Online Crankshaft Driven Pto Chelsea crankshaft driven pto series 2230u & 2442, gives you the ability to have more control over your pto. However, there isn’t just a. The 2230u and 2442 series crankshaft driven ptos provide constant power, no matter what gear the transmission is in. The pto is an essential element that transfers an engine’s power to another mechanical device. In the. Crankshaft Driven Pto.
From www.sbmar.com
Custom Power Take Off (PTO) Fabrication Seaboard Marine Crankshaft Driven Pto The 2230u and 2442 series crankshaft driven ptos provide constant power, no matter what gear the transmission is in. The pto is an essential element that transfers an engine’s power to another mechanical device. In the picture, you can see the belt. However, there isn’t just a. Chelsea crankshaft driven pto series 2230u & 2442, gives you the ability to. Crankshaft Driven Pto.
From www.redpowermagazine.com
PTO crank driven TD18 pic IH Construction Equipment Red Power Crankshaft Driven Pto The pto is an essential element that transfers an engine’s power to another mechanical device. In the picture, you can see the belt. However, there isn’t just a. Chelsea crankshaft driven pto series 2230u & 2442, gives you the ability to have more control over your pto. The 2230u and 2442 series crankshaft driven ptos provide constant power, no matter. Crankshaft Driven Pto.
From motsmachining.com
Crankshaft Rebuilding Mots Machining Crankshaft Driven Pto Chelsea crankshaft driven pto series 2230u & 2442, gives you the ability to have more control over your pto. The 2230u and 2442 series crankshaft driven ptos provide constant power, no matter what gear the transmission is in. The pto is an essential element that transfers an engine’s power to another mechanical device. However, there isn’t just a. In the. Crankshaft Driven Pto.
From talk.newagtalk.com
Viewing a thread Crankshaft driven front pto on a truck? Crankshaft Driven Pto The 2230u and 2442 series crankshaft driven ptos provide constant power, no matter what gear the transmission is in. The pto is an essential element that transfers an engine’s power to another mechanical device. However, there isn’t just a. In the picture, you can see the belt. Chelsea crankshaft driven pto series 2230u & 2442, gives you the ability to. Crankshaft Driven Pto.
From www.youtube.com
Making a PTO adaptor for a Cummins 6bt flywheel. YouTube Crankshaft Driven Pto The pto is an essential element that transfers an engine’s power to another mechanical device. In the picture, you can see the belt. The 2230u and 2442 series crankshaft driven ptos provide constant power, no matter what gear the transmission is in. Chelsea crankshaft driven pto series 2230u & 2442, gives you the ability to have more control over your. Crankshaft Driven Pto.
From www.youtube.com
How to Assemble Your John Deere PTO Clutch Pack YouTube Crankshaft Driven Pto The pto is an essential element that transfers an engine’s power to another mechanical device. The 2230u and 2442 series crankshaft driven ptos provide constant power, no matter what gear the transmission is in. In the picture, you can see the belt. However, there isn’t just a. Chelsea crankshaft driven pto series 2230u & 2442, gives you the ability to. Crankshaft Driven Pto.