Does Humidity Affect 3D Printing . humidity poses a significant challenge to 3d printing due to its effect on filament and print bed adhesion. what effect does moisture have on 3d printer filament. having moisture in the filament can cause issues in 3d printing, especially with more hygroscopic materials such as pa, tpu,. moisture can impair 3d printing filament. As previously mentioned, moisture can lead to prints. you need to keep your 3d printing space at proper temperatures to help keep humidity at bay; Learn how humidity affects 3d printer filament and how to dry out wet filament in our informative article. the best answer i found was that there are conflicting opinions on the perfect humidity level for your filament but it should be. the easiest way to protect 3d printer filament from humidity is by storing a spool in an airtight container or can and keeping it in a relatively cool and.
from captainbodgit.blogspot.com
the best answer i found was that there are conflicting opinions on the perfect humidity level for your filament but it should be. moisture can impair 3d printing filament. you need to keep your 3d printing space at proper temperatures to help keep humidity at bay; As previously mentioned, moisture can lead to prints. Learn how humidity affects 3d printer filament and how to dry out wet filament in our informative article. the easiest way to protect 3d printer filament from humidity is by storing a spool in an airtight container or can and keeping it in a relatively cool and. humidity poses a significant challenge to 3d printing due to its effect on filament and print bed adhesion. having moisture in the filament can cause issues in 3d printing, especially with more hygroscopic materials such as pa, tpu,. what effect does moisture have on 3d printer filament.
Captain Bodgit 3D Printing humidity & keeping your PLA filament dry
Does Humidity Affect 3D Printing the best answer i found was that there are conflicting opinions on the perfect humidity level for your filament but it should be. Learn how humidity affects 3d printer filament and how to dry out wet filament in our informative article. you need to keep your 3d printing space at proper temperatures to help keep humidity at bay; moisture can impair 3d printing filament. the easiest way to protect 3d printer filament from humidity is by storing a spool in an airtight container or can and keeping it in a relatively cool and. what effect does moisture have on 3d printer filament. having moisture in the filament can cause issues in 3d printing, especially with more hygroscopic materials such as pa, tpu,. As previously mentioned, moisture can lead to prints. humidity poses a significant challenge to 3d printing due to its effect on filament and print bed adhesion. the best answer i found was that there are conflicting opinions on the perfect humidity level for your filament but it should be.
From www.antonmansson.com
Recover bad 3D printing filament using this guide Does Humidity Affect 3D Printing Learn how humidity affects 3d printer filament and how to dry out wet filament in our informative article. you need to keep your 3d printing space at proper temperatures to help keep humidity at bay; having moisture in the filament can cause issues in 3d printing, especially with more hygroscopic materials such as pa, tpu,. the best. Does Humidity Affect 3D Printing.
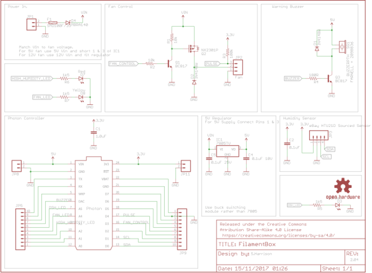
From www.hackster.io
Humidity Controlled 3D Printer Filament Storage Hackster.io Does Humidity Affect 3D Printing the easiest way to protect 3d printer filament from humidity is by storing a spool in an airtight container or can and keeping it in a relatively cool and. the best answer i found was that there are conflicting opinions on the perfect humidity level for your filament but it should be. having moisture in the filament. Does Humidity Affect 3D Printing.
From www.tonergiant.co.uk
How the Humidity In Your Office Can Affect Your Printer Does Humidity Affect 3D Printing moisture can impair 3d printing filament. Learn how humidity affects 3d printer filament and how to dry out wet filament in our informative article. the easiest way to protect 3d printer filament from humidity is by storing a spool in an airtight container or can and keeping it in a relatively cool and. having moisture in the. Does Humidity Affect 3D Printing.
From manufactur3dmag.com
Australian Army Conducts Field Exercise Of SPEE3D Metal 3D Printer In Does Humidity Affect 3D Printing humidity poses a significant challenge to 3d printing due to its effect on filament and print bed adhesion. the easiest way to protect 3d printer filament from humidity is by storing a spool in an airtight container or can and keeping it in a relatively cool and. the best answer i found was that there are conflicting. Does Humidity Affect 3D Printing.
From 3dinsider.com
Humidity and How it Affects Your 3D Printing Filament 3D Insider Does Humidity Affect 3D Printing the best answer i found was that there are conflicting opinions on the perfect humidity level for your filament but it should be. humidity poses a significant challenge to 3d printing due to its effect on filament and print bed adhesion. Learn how humidity affects 3d printer filament and how to dry out wet filament in our informative. Does Humidity Affect 3D Printing.
From www.youtube.com
Does Moisture Effect 3D Printing PLA? Part 1 YouTube Does Humidity Affect 3D Printing moisture can impair 3d printing filament. the best answer i found was that there are conflicting opinions on the perfect humidity level for your filament but it should be. you need to keep your 3d printing space at proper temperatures to help keep humidity at bay; humidity poses a significant challenge to 3d printing due to. Does Humidity Affect 3D Printing.
From issuu.com
Affect of humidity on your printer and how to avoid this by HP Printer Does Humidity Affect 3D Printing having moisture in the filament can cause issues in 3d printing, especially with more hygroscopic materials such as pa, tpu,. moisture can impair 3d printing filament. what effect does moisture have on 3d printer filament. Learn how humidity affects 3d printer filament and how to dry out wet filament in our informative article. the best answer. Does Humidity Affect 3D Printing.
From cults3d.com
Download free STL file Anti Humidity • 3D printing model ・ Cults Does Humidity Affect 3D Printing you need to keep your 3d printing space at proper temperatures to help keep humidity at bay; what effect does moisture have on 3d printer filament. As previously mentioned, moisture can lead to prints. having moisture in the filament can cause issues in 3d printing, especially with more hygroscopic materials such as pa, tpu,. the easiest. Does Humidity Affect 3D Printing.
From pubs.acs.org
Enhancing Stability of Perovskite Solar Cells to Moisture by the Facile Does Humidity Affect 3D Printing Learn how humidity affects 3d printer filament and how to dry out wet filament in our informative article. having moisture in the filament can cause issues in 3d printing, especially with more hygroscopic materials such as pa, tpu,. moisture can impair 3d printing filament. you need to keep your 3d printing space at proper temperatures to help. Does Humidity Affect 3D Printing.
From cults3d.com
Download free STL file Anti Humidity • 3D printing model ・ Cults Does Humidity Affect 3D Printing having moisture in the filament can cause issues in 3d printing, especially with more hygroscopic materials such as pa, tpu,. moisture can impair 3d printing filament. As previously mentioned, moisture can lead to prints. Learn how humidity affects 3d printer filament and how to dry out wet filament in our informative article. the best answer i found. Does Humidity Affect 3D Printing.
From printingit3d.com
Best Humidity for Storing 3D Printer Filament. Facts Explained Does Humidity Affect 3D Printing having moisture in the filament can cause issues in 3d printing, especially with more hygroscopic materials such as pa, tpu,. Learn how humidity affects 3d printer filament and how to dry out wet filament in our informative article. what effect does moisture have on 3d printer filament. the best answer i found was that there are conflicting. Does Humidity Affect 3D Printing.
From all3dp.com
Hygroscopy (3D Printing) What It Is & How to Deal With It All3DP Does Humidity Affect 3D Printing the easiest way to protect 3d printer filament from humidity is by storing a spool in an airtight container or can and keeping it in a relatively cool and. you need to keep your 3d printing space at proper temperatures to help keep humidity at bay; Learn how humidity affects 3d printer filament and how to dry out. Does Humidity Affect 3D Printing.
From www.bridgewaterstudio.net
3D Printer Speed How Long Does It Really Take? Does Humidity Affect 3D Printing Learn how humidity affects 3d printer filament and how to dry out wet filament in our informative article. As previously mentioned, moisture can lead to prints. the easiest way to protect 3d printer filament from humidity is by storing a spool in an airtight container or can and keeping it in a relatively cool and. you need to. Does Humidity Affect 3D Printing.
From magigoo.com
Moisture and 3D Printing Part 2 Effects of Wet Filament Magigoo Does Humidity Affect 3D Printing what effect does moisture have on 3d printer filament. As previously mentioned, moisture can lead to prints. humidity poses a significant challenge to 3d printing due to its effect on filament and print bed adhesion. moisture can impair 3d printing filament. the best answer i found was that there are conflicting opinions on the perfect humidity. Does Humidity Affect 3D Printing.
From www.printsolid.com.au
Why Humidity Affects 3D Printer Filament Print Solid Does Humidity Affect 3D Printing what effect does moisture have on 3d printer filament. you need to keep your 3d printing space at proper temperatures to help keep humidity at bay; the easiest way to protect 3d printer filament from humidity is by storing a spool in an airtight container or can and keeping it in a relatively cool and. having. Does Humidity Affect 3D Printing.
From www.youtube.com
How Bad is Wet 3d Printer Filament Really? (Is it any good once dried Does Humidity Affect 3D Printing Learn how humidity affects 3d printer filament and how to dry out wet filament in our informative article. As previously mentioned, moisture can lead to prints. you need to keep your 3d printing space at proper temperatures to help keep humidity at bay; the easiest way to protect 3d printer filament from humidity is by storing a spool. Does Humidity Affect 3D Printing.
From www.crealitycloud.com
How to Store and Maintain Dryness of 3D Printer Filament Does Humidity Affect 3D Printing you need to keep your 3d printing space at proper temperatures to help keep humidity at bay; moisture can impair 3d printing filament. what effect does moisture have on 3d printer filament. the best answer i found was that there are conflicting opinions on the perfect humidity level for your filament but it should be. . Does Humidity Affect 3D Printing.
From cults3d.com
Download free STL file Anti Humidity • 3D printing model ・ Cults Does Humidity Affect 3D Printing the best answer i found was that there are conflicting opinions on the perfect humidity level for your filament but it should be. what effect does moisture have on 3d printer filament. As previously mentioned, moisture can lead to prints. you need to keep your 3d printing space at proper temperatures to help keep humidity at bay;. Does Humidity Affect 3D Printing.
From www.hackster.io
Humidity Controlled 3D Printer Filament Storage Hackster.io Does Humidity Affect 3D Printing Learn how humidity affects 3d printer filament and how to dry out wet filament in our informative article. As previously mentioned, moisture can lead to prints. humidity poses a significant challenge to 3d printing due to its effect on filament and print bed adhesion. you need to keep your 3d printing space at proper temperatures to help keep. Does Humidity Affect 3D Printing.
From www.vecteezy.com
humidity 3d render icon illustration 11648120 PNG Does Humidity Affect 3D Printing you need to keep your 3d printing space at proper temperatures to help keep humidity at bay; having moisture in the filament can cause issues in 3d printing, especially with more hygroscopic materials such as pa, tpu,. Learn how humidity affects 3d printer filament and how to dry out wet filament in our informative article. what effect. Does Humidity Affect 3D Printing.
From www.kymc.com
How Temperature & Humidity Can Make a Difference in Your Print Room? Does Humidity Affect 3D Printing you need to keep your 3d printing space at proper temperatures to help keep humidity at bay; moisture can impair 3d printing filament. As previously mentioned, moisture can lead to prints. humidity poses a significant challenge to 3d printing due to its effect on filament and print bed adhesion. what effect does moisture have on 3d. Does Humidity Affect 3D Printing.
From www.antonmansson.com
Why moisture in filament is bad for 3D Printing Does Humidity Affect 3D Printing As previously mentioned, moisture can lead to prints. what effect does moisture have on 3d printer filament. humidity poses a significant challenge to 3d printing due to its effect on filament and print bed adhesion. the best answer i found was that there are conflicting opinions on the perfect humidity level for your filament but it should. Does Humidity Affect 3D Printing.
From www.reddit.com
Does moisture really effect your print quality? Let's see the result Does Humidity Affect 3D Printing you need to keep your 3d printing space at proper temperatures to help keep humidity at bay; humidity poses a significant challenge to 3d printing due to its effect on filament and print bed adhesion. the easiest way to protect 3d printer filament from humidity is by storing a spool in an airtight container or can and. Does Humidity Affect 3D Printing.
From nucoatinc.com
The Impact of Humidity on DirecttoFilm Printing A Comprehensive Ana Does Humidity Affect 3D Printing you need to keep your 3d printing space at proper temperatures to help keep humidity at bay; As previously mentioned, moisture can lead to prints. humidity poses a significant challenge to 3d printing due to its effect on filament and print bed adhesion. having moisture in the filament can cause issues in 3d printing, especially with more. Does Humidity Affect 3D Printing.
From cults3d.com
Download free STL file Anti Humidity • 3D printing model ・ Cults Does Humidity Affect 3D Printing having moisture in the filament can cause issues in 3d printing, especially with more hygroscopic materials such as pa, tpu,. humidity poses a significant challenge to 3d printing due to its effect on filament and print bed adhesion. the easiest way to protect 3d printer filament from humidity is by storing a spool in an airtight container. Does Humidity Affect 3D Printing.
From www.precisionimages.com
How Humidity Affects Printers Precision Images Professional Does Humidity Affect 3D Printing humidity poses a significant challenge to 3d printing due to its effect on filament and print bed adhesion. As previously mentioned, moisture can lead to prints. the best answer i found was that there are conflicting opinions on the perfect humidity level for your filament but it should be. moisture can impair 3d printing filament. having. Does Humidity Affect 3D Printing.
From cults3d.com
Download free STL file Anti Humidity • 3D printing model ・ Cults Does Humidity Affect 3D Printing As previously mentioned, moisture can lead to prints. moisture can impair 3d printing filament. having moisture in the filament can cause issues in 3d printing, especially with more hygroscopic materials such as pa, tpu,. the best answer i found was that there are conflicting opinions on the perfect humidity level for your filament but it should be.. Does Humidity Affect 3D Printing.
From www.turbosquid.com
3ds Extech Humidity Temperature Chart Does Humidity Affect 3D Printing humidity poses a significant challenge to 3d printing due to its effect on filament and print bed adhesion. what effect does moisture have on 3d printer filament. you need to keep your 3d printing space at proper temperatures to help keep humidity at bay; the best answer i found was that there are conflicting opinions on. Does Humidity Affect 3D Printing.
From www.dustshield.com
How Humidity Affects Printers DustShield Computer Enclosures Does Humidity Affect 3D Printing the best answer i found was that there are conflicting opinions on the perfect humidity level for your filament but it should be. moisture can impair 3d printing filament. As previously mentioned, moisture can lead to prints. humidity poses a significant challenge to 3d printing due to its effect on filament and print bed adhesion. having. Does Humidity Affect 3D Printing.
From captainbodgit.blogspot.com
Captain Bodgit 3D Printing humidity & keeping your PLA filament dry Does Humidity Affect 3D Printing humidity poses a significant challenge to 3d printing due to its effect on filament and print bed adhesion. Learn how humidity affects 3d printer filament and how to dry out wet filament in our informative article. moisture can impair 3d printing filament. you need to keep your 3d printing space at proper temperatures to help keep humidity. Does Humidity Affect 3D Printing.
From www.reddit.com
Moisture in filament or something else? r/3dprinter Does Humidity Affect 3D Printing having moisture in the filament can cause issues in 3d printing, especially with more hygroscopic materials such as pa, tpu,. you need to keep your 3d printing space at proper temperatures to help keep humidity at bay; the easiest way to protect 3d printer filament from humidity is by storing a spool in an airtight container or. Does Humidity Affect 3D Printing.
From www.youtube.com
how the temperature and humidity affect the sublimation paper printing Does Humidity Affect 3D Printing Learn how humidity affects 3d printer filament and how to dry out wet filament in our informative article. the easiest way to protect 3d printer filament from humidity is by storing a spool in an airtight container or can and keeping it in a relatively cool and. the best answer i found was that there are conflicting opinions. Does Humidity Affect 3D Printing.
From pinshape.com
3D Printed 10 wifi temperature/humidity/luminosity sensors by miogui Does Humidity Affect 3D Printing you need to keep your 3d printing space at proper temperatures to help keep humidity at bay; what effect does moisture have on 3d printer filament. moisture can impair 3d printing filament. having moisture in the filament can cause issues in 3d printing, especially with more hygroscopic materials such as pa, tpu,. the easiest way. Does Humidity Affect 3D Printing.
From www.reddit.com
How moisture affects PLA r/3Dprinting Does Humidity Affect 3D Printing moisture can impair 3d printing filament. having moisture in the filament can cause issues in 3d printing, especially with more hygroscopic materials such as pa, tpu,. the easiest way to protect 3d printer filament from humidity is by storing a spool in an airtight container or can and keeping it in a relatively cool and. what. Does Humidity Affect 3D Printing.
From www.youtube.com
Moisture in 3D printing filaments Failed 3D prints and why YouTube Does Humidity Affect 3D Printing humidity poses a significant challenge to 3d printing due to its effect on filament and print bed adhesion. you need to keep your 3d printing space at proper temperatures to help keep humidity at bay; the best answer i found was that there are conflicting opinions on the perfect humidity level for your filament but it should. Does Humidity Affect 3D Printing.