Comparator Subtract Mode . Let’s talk about how those work. Doing so will cause the short redstone torch at the. The redstone comparator has two modes, subtraction (when the single back torch is on) and comparison (when the single back torch is off). When it’s lit, the comparator is in “subtraction mode”. The purpose of subtraction mode is to reduce the total output signal strength. Redstone comparators are used to compare two input signals and output a signal. Comparators have 2 inputs the back (a) input. A comparator is a block that well compares 2 signals together based on signal strength. Learn how to use comparators to compare, subtract and report the strength of redstone signals in minecraft. Find out how to craft,.
from www.researchgate.net
When it’s lit, the comparator is in “subtraction mode”. Doing so will cause the short redstone torch at the. The redstone comparator has two modes, subtraction (when the single back torch is on) and comparison (when the single back torch is off). Redstone comparators are used to compare two input signals and output a signal. Learn how to use comparators to compare, subtract and report the strength of redstone signals in minecraft. The purpose of subtraction mode is to reduce the total output signal strength. Let’s talk about how those work. Comparators have 2 inputs the back (a) input. A comparator is a block that well compares 2 signals together based on signal strength. Find out how to craft,.
The complete proposed comparator circuit with improved speed and power
Comparator Subtract Mode The purpose of subtraction mode is to reduce the total output signal strength. Learn how to use comparators to compare, subtract and report the strength of redstone signals in minecraft. Comparators have 2 inputs the back (a) input. Doing so will cause the short redstone torch at the. Let’s talk about how those work. When it’s lit, the comparator is in “subtraction mode”. The redstone comparator has two modes, subtraction (when the single back torch is on) and comparison (when the single back torch is off). Find out how to craft,. Redstone comparators are used to compare two input signals and output a signal. The purpose of subtraction mode is to reduce the total output signal strength. A comparator is a block that well compares 2 signals together based on signal strength.
From tutorialsinhand.com
Comparator in digital electronics Comparator Subtract Mode Find out how to craft,. Comparators have 2 inputs the back (a) input. Let’s talk about how those work. A comparator is a block that well compares 2 signals together based on signal strength. The redstone comparator has two modes, subtraction (when the single back torch is on) and comparison (when the single back torch is off). Doing so will. Comparator Subtract Mode.
From www.researchgate.net
(a) Circuit schematic of D/Emodepair comparator. (b) Basic working Comparator Subtract Mode Redstone comparators are used to compare two input signals and output a signal. When it’s lit, the comparator is in “subtraction mode”. Doing so will cause the short redstone torch at the. Learn how to use comparators to compare, subtract and report the strength of redstone signals in minecraft. The purpose of subtraction mode is to reduce the total output. Comparator Subtract Mode.
From www.youtube.com
How to use Redstone Comparator Subtract Mode YouTube Comparator Subtract Mode Comparators have 2 inputs the back (a) input. Doing so will cause the short redstone torch at the. Learn how to use comparators to compare, subtract and report the strength of redstone signals in minecraft. The redstone comparator has two modes, subtraction (when the single back torch is on) and comparison (when the single back torch is off). Find out. Comparator Subtract Mode.
From www.electronics-tutorial.net
Binary Adder/Subtractor Combinational logic circuits Electronics Comparator Subtract Mode Find out how to craft,. Comparators have 2 inputs the back (a) input. The purpose of subtraction mode is to reduce the total output signal strength. Learn how to use comparators to compare, subtract and report the strength of redstone signals in minecraft. Doing so will cause the short redstone torch at the. When it’s lit, the comparator is in. Comparator Subtract Mode.
From www.researchgate.net
Dynamic comparator with offset cancellation. (a) Simplified schematic Comparator Subtract Mode Redstone comparators are used to compare two input signals and output a signal. Doing so will cause the short redstone torch at the. Learn how to use comparators to compare, subtract and report the strength of redstone signals in minecraft. The purpose of subtraction mode is to reduce the total output signal strength. Comparators have 2 inputs the back (a). Comparator Subtract Mode.
From www.sportskeeda.com
How to make a redstone comparator and how does it work in Minecraft Comparator Subtract Mode When it’s lit, the comparator is in “subtraction mode”. Find out how to craft,. Comparators have 2 inputs the back (a) input. Let’s talk about how those work. Learn how to use comparators to compare, subtract and report the strength of redstone signals in minecraft. The redstone comparator has two modes, subtraction (when the single back torch is on) and. Comparator Subtract Mode.
From wiringengineabt.z19.web.core.windows.net
Comparator Circuit How It Works Comparator Subtract Mode When it’s lit, the comparator is in “subtraction mode”. Find out how to craft,. Comparators have 2 inputs the back (a) input. The redstone comparator has two modes, subtraction (when the single back torch is on) and comparison (when the single back torch is off). Doing so will cause the short redstone torch at the. Learn how to use comparators. Comparator Subtract Mode.
From www.researchgate.net
Schematic of the dynamic comparator. Download Scientific Diagram Comparator Subtract Mode Let’s talk about how those work. The purpose of subtraction mode is to reduce the total output signal strength. Find out how to craft,. A comparator is a block that well compares 2 signals together based on signal strength. Comparators have 2 inputs the back (a) input. Learn how to use comparators to compare, subtract and report the strength of. Comparator Subtract Mode.
From www.electroniclinic.com
Basic comparator operations with circuit diagram examples Comparator Subtract Mode A comparator is a block that well compares 2 signals together based on signal strength. The redstone comparator has two modes, subtraction (when the single back torch is on) and comparison (when the single back torch is off). The purpose of subtraction mode is to reduce the total output signal strength. Comparators have 2 inputs the back (a) input. Doing. Comparator Subtract Mode.
From www.electronics-lab.com
Digital Comparator Comparator Subtract Mode Redstone comparators are used to compare two input signals and output a signal. When it’s lit, the comparator is in “subtraction mode”. Learn how to use comparators to compare, subtract and report the strength of redstone signals in minecraft. A comparator is a block that well compares 2 signals together based on signal strength. Comparators have 2 inputs the back. Comparator Subtract Mode.
From www.youtube.com
Comparators Compare, Subtract, and Container Interactions Minecraft Comparator Subtract Mode The purpose of subtraction mode is to reduce the total output signal strength. Let’s talk about how those work. When it’s lit, the comparator is in “subtraction mode”. A comparator is a block that well compares 2 signals together based on signal strength. Learn how to use comparators to compare, subtract and report the strength of redstone signals in minecraft.. Comparator Subtract Mode.
From circuitdiagramcreme.z21.web.core.windows.net
Inverting Comparator With Hysteresis Circuit Diagram Comparator Subtract Mode When it’s lit, the comparator is in “subtraction mode”. The purpose of subtraction mode is to reduce the total output signal strength. A comparator is a block that well compares 2 signals together based on signal strength. Find out how to craft,. Learn how to use comparators to compare, subtract and report the strength of redstone signals in minecraft. The. Comparator Subtract Mode.
From www.sportskeeda.com
Comparator in Minecraft Everything you need to know Comparator Subtract Mode The purpose of subtraction mode is to reduce the total output signal strength. Find out how to craft,. Let’s talk about how those work. Doing so will cause the short redstone torch at the. Comparators have 2 inputs the back (a) input. A comparator is a block that well compares 2 signals together based on signal strength. The redstone comparator. Comparator Subtract Mode.
From www.monolithicpower.com
Operational Amplifier Basics, Types and Uses Article MPS Comparator Subtract Mode Learn how to use comparators to compare, subtract and report the strength of redstone signals in minecraft. Comparators have 2 inputs the back (a) input. When it’s lit, the comparator is in “subtraction mode”. Find out how to craft,. The redstone comparator has two modes, subtraction (when the single back torch is on) and comparison (when the single back torch. Comparator Subtract Mode.
From irpsiea4schematic.z21.web.core.windows.net
Op Amp Based Comparator Comparator Subtract Mode Let’s talk about how those work. The redstone comparator has two modes, subtraction (when the single back torch is on) and comparison (when the single back torch is off). Find out how to craft,. The purpose of subtraction mode is to reduce the total output signal strength. Learn how to use comparators to compare, subtract and report the strength of. Comparator Subtract Mode.
From www.slideserve.com
PPT Digital Comparator PowerPoint Presentation, free download ID Comparator Subtract Mode A comparator is a block that well compares 2 signals together based on signal strength. Let’s talk about how those work. Doing so will cause the short redstone torch at the. The redstone comparator has two modes, subtraction (when the single back torch is on) and comparison (when the single back torch is off). Redstone comparators are used to compare. Comparator Subtract Mode.
From www.reddit.com
The comparator's subtract mode torch is one pixel higher Comparator Subtract Mode Doing so will cause the short redstone torch at the. Learn how to use comparators to compare, subtract and report the strength of redstone signals in minecraft. Redstone comparators are used to compare two input signals and output a signal. The purpose of subtraction mode is to reduce the total output signal strength. Let’s talk about how those work. When. Comparator Subtract Mode.
From www.researchgate.net
The complete proposed comparator circuit with improved speed and power Comparator Subtract Mode A comparator is a block that well compares 2 signals together based on signal strength. Let’s talk about how those work. Find out how to craft,. The purpose of subtraction mode is to reduce the total output signal strength. Comparators have 2 inputs the back (a) input. The redstone comparator has two modes, subtraction (when the single back torch is. Comparator Subtract Mode.
From www.wisc-online.com
Op Amp Comparator (Screencast) OER Comparator Subtract Mode Doing so will cause the short redstone torch at the. Redstone comparators are used to compare two input signals and output a signal. Learn how to use comparators to compare, subtract and report the strength of redstone signals in minecraft. A comparator is a block that well compares 2 signals together based on signal strength. Let’s talk about how those. Comparator Subtract Mode.
From wiringfixbegirt.z5.web.core.windows.net
Circuit Diagram Of 2 Bit Comparator Comparator Subtract Mode Comparators have 2 inputs the back (a) input. A comparator is a block that well compares 2 signals together based on signal strength. The purpose of subtraction mode is to reduce the total output signal strength. When it’s lit, the comparator is in “subtraction mode”. Learn how to use comparators to compare, subtract and report the strength of redstone signals. Comparator Subtract Mode.
From www.typhoon-hil.com
Output Voltage Comparator Comparator Subtract Mode When it’s lit, the comparator is in “subtraction mode”. The redstone comparator has two modes, subtraction (when the single back torch is on) and comparison (when the single back torch is off). Redstone comparators are used to compare two input signals and output a signal. A comparator is a block that well compares 2 signals together based on signal strength.. Comparator Subtract Mode.
From mavink.com
Verilog Subtractor Comparator Subtract Mode Find out how to craft,. The redstone comparator has two modes, subtraction (when the single back torch is on) and comparison (when the single back torch is off). Doing so will cause the short redstone torch at the. Learn how to use comparators to compare, subtract and report the strength of redstone signals in minecraft. Comparators have 2 inputs the. Comparator Subtract Mode.
From www.planetminecraft.com
How to use comparators for basic maths (add and substract) Comparator Subtract Mode Learn how to use comparators to compare, subtract and report the strength of redstone signals in minecraft. Let’s talk about how those work. The purpose of subtraction mode is to reduce the total output signal strength. Doing so will cause the short redstone torch at the. A comparator is a block that well compares 2 signals together based on signal. Comparator Subtract Mode.
From www.instructables.com
OpAmp Comparator & Voltage Divider Tutorial With Theory & Lab Comparator Subtract Mode Comparators have 2 inputs the back (a) input. A comparator is a block that well compares 2 signals together based on signal strength. The redstone comparator has two modes, subtraction (when the single back torch is on) and comparison (when the single back torch is off). When it’s lit, the comparator is in “subtraction mode”. Let’s talk about how those. Comparator Subtract Mode.
From e2e.ti.com
[FAQ] Common Mode Voltage Range vs. Input Voltage Range for a Comparator Subtract Mode Redstone comparators are used to compare two input signals and output a signal. A comparator is a block that well compares 2 signals together based on signal strength. When it’s lit, the comparator is in “subtraction mode”. Find out how to craft,. Comparators have 2 inputs the back (a) input. The purpose of subtraction mode is to reduce the total. Comparator Subtract Mode.
From www.electronics-lab.com
Digital Comparator Comparator Subtract Mode Learn how to use comparators to compare, subtract and report the strength of redstone signals in minecraft. The redstone comparator has two modes, subtraction (when the single back torch is on) and comparison (when the single back torch is off). Let’s talk about how those work. Comparators have 2 inputs the back (a) input. A comparator is a block that. Comparator Subtract Mode.
From www.reddit.com
Take a guess at what this does (2nd comparator from the top is in Comparator Subtract Mode Find out how to craft,. A comparator is a block that well compares 2 signals together based on signal strength. Doing so will cause the short redstone torch at the. When it’s lit, the comparator is in “subtraction mode”. Learn how to use comparators to compare, subtract and report the strength of redstone signals in minecraft. Let’s talk about how. Comparator Subtract Mode.
From theakj-images.blogspot.com
Redstone Comparator How To Make A Simple Portable Rapid Piston Comparator Subtract Mode The purpose of subtraction mode is to reduce the total output signal strength. Learn how to use comparators to compare, subtract and report the strength of redstone signals in minecraft. Doing so will cause the short redstone torch at the. Let’s talk about how those work. Redstone comparators are used to compare two input signals and output a signal. Comparators. Comparator Subtract Mode.
From www.slideserve.com
PPT Review of Combinational Circuits PowerPoint Presentation, free Comparator Subtract Mode Redstone comparators are used to compare two input signals and output a signal. Comparators have 2 inputs the back (a) input. The redstone comparator has two modes, subtraction (when the single back torch is on) and comparison (when the single back torch is off). Doing so will cause the short redstone torch at the. When it’s lit, the comparator is. Comparator Subtract Mode.
From www.organised-sound.com
3 Bit Comparator Circuit Diagram Wiring Diagram Comparator Subtract Mode When it’s lit, the comparator is in “subtraction mode”. Let’s talk about how those work. Redstone comparators are used to compare two input signals and output a signal. Learn how to use comparators to compare, subtract and report the strength of redstone signals in minecraft. The purpose of subtraction mode is to reduce the total output signal strength. A comparator. Comparator Subtract Mode.
From www.researchgate.net
Tail current and Commonmode voltage of two comparators. Download Comparator Subtract Mode Find out how to craft,. When it’s lit, the comparator is in “subtraction mode”. Learn how to use comparators to compare, subtract and report the strength of redstone signals in minecraft. Doing so will cause the short redstone torch at the. The purpose of subtraction mode is to reduce the total output signal strength. Let’s talk about how those work.. Comparator Subtract Mode.
From microcontrollerslab.com
How to Use Pic Microcontroller Comparator Channels Comparator Subtract Mode Let’s talk about how those work. Comparators have 2 inputs the back (a) input. The purpose of subtraction mode is to reduce the total output signal strength. Learn how to use comparators to compare, subtract and report the strength of redstone signals in minecraft. Doing so will cause the short redstone torch at the. Find out how to craft,. The. Comparator Subtract Mode.
From www.gamepur.com
How to make and use a Redstone Comparator in Minecraft Gamepur Comparator Subtract Mode Comparators have 2 inputs the back (a) input. Let’s talk about how those work. Redstone comparators are used to compare two input signals and output a signal. The purpose of subtraction mode is to reduce the total output signal strength. Learn how to use comparators to compare, subtract and report the strength of redstone signals in minecraft. When it’s lit,. Comparator Subtract Mode.
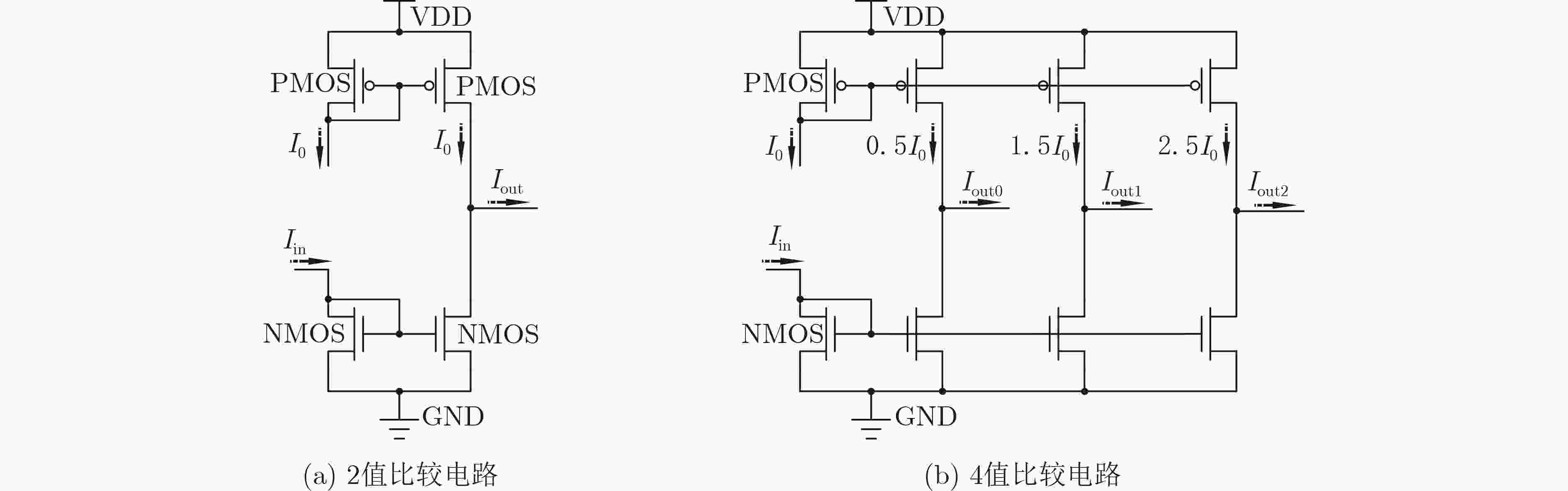
From jeit.ac.cn
Design of Quaternary Logic Current Mode CMOS Addsubtract Circuit Based Comparator Subtract Mode Let’s talk about how those work. Learn how to use comparators to compare, subtract and report the strength of redstone signals in minecraft. Find out how to craft,. A comparator is a block that well compares 2 signals together based on signal strength. When it’s lit, the comparator is in “subtraction mode”. Doing so will cause the short redstone torch. Comparator Subtract Mode.
From www.mdpi.com
Electronics Free FullText A BIST Scheme for Dynamic Comparators Comparator Subtract Mode A comparator is a block that well compares 2 signals together based on signal strength. Doing so will cause the short redstone torch at the. When it’s lit, the comparator is in “subtraction mode”. The purpose of subtraction mode is to reduce the total output signal strength. Let’s talk about how those work. Find out how to craft,. Comparators have. Comparator Subtract Mode.