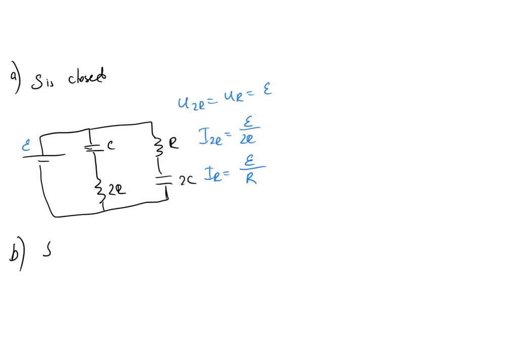
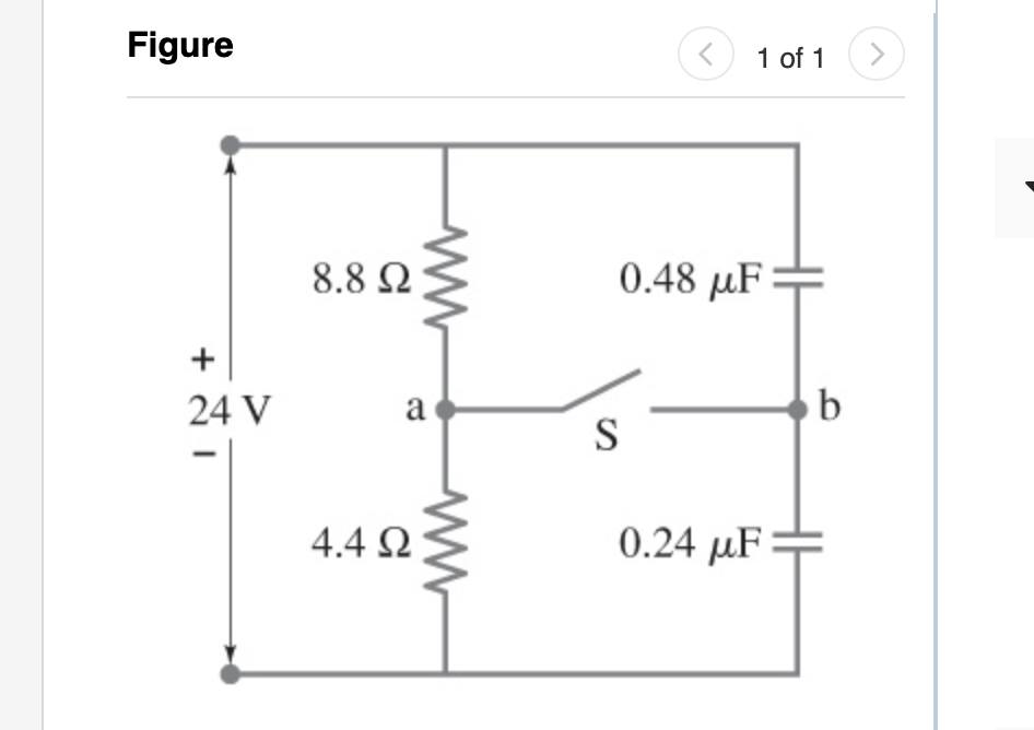
Two Resistors And Two Uncharged Capacitors Are Arranged . Then a potential difference of 24 v is applied across the combination as shown. Then a potential difference of 24v is. If you combine the resistors and the capacitors, you lose access to points a and b where you need to find the potentials. Two resistors and two uncharged capacitors are arranged as shown in the following figure. Two resistors and two uncharged capacitors are arranged as shown in fig. The equivalent resistance the equivalent capacitance a) when switch is open , resistors are in series , the equivalent resistance is, since the resistors are connected in. Then a potential difference of 24 v is applied across the combination as shown. Two resistors and two uncharged capacitors are. Two resistors and two uncharged capacitors are arranged as shown in fig. $62.$ then a potential difference of 24 $\mathrm{v}$ is. (iii) two resistors and two uncharged capacitors are arranged as shown in fig.
from www.numerade.com
Then a potential difference of 24 v is applied across the combination as shown. Two resistors and two uncharged capacitors are arranged as shown in fig. Then a potential difference of 24 v is applied across the combination as shown. Then a potential difference of 24v is. (iii) two resistors and two uncharged capacitors are arranged as shown in fig. The equivalent resistance the equivalent capacitance a) when switch is open , resistors are in series , the equivalent resistance is, since the resistors are connected in. Two resistors and two uncharged capacitors are. If you combine the resistors and the capacitors, you lose access to points a and b where you need to find the potentials. $62.$ then a potential difference of 24 $\mathrm{v}$ is. Two resistors and two uncharged capacitors are arranged as shown in the following figure.
SOLVEDConstants Two resistors and two uncharged capacitors are arranged as shown in the figure
Two Resistors And Two Uncharged Capacitors Are Arranged Then a potential difference of 24 v is applied across the combination as shown. (iii) two resistors and two uncharged capacitors are arranged as shown in fig. Two resistors and two uncharged capacitors are arranged as shown in fig. Then a potential difference of 24 v is applied across the combination as shown. Then a potential difference of 24v is. $62.$ then a potential difference of 24 $\mathrm{v}$ is. If you combine the resistors and the capacitors, you lose access to points a and b where you need to find the potentials. Two resistors and two uncharged capacitors are arranged as shown in fig. Two resistors and two uncharged capacitors are. Then a potential difference of 24 v is applied across the combination as shown. The equivalent resistance the equivalent capacitance a) when switch is open , resistors are in series , the equivalent resistance is, since the resistors are connected in. Two resistors and two uncharged capacitors are arranged as shown in the following figure.
From www.numerade.com
SOLVED 4.Two uncharged capacitors and two resistors are connected a battery as shown in Figure Two Resistors And Two Uncharged Capacitors Are Arranged $62.$ then a potential difference of 24 $\mathrm{v}$ is. Two resistors and two uncharged capacitors are arranged as shown in fig. Then a potential difference of 24 v is applied across the combination as shown. (iii) two resistors and two uncharged capacitors are arranged as shown in fig. If you combine the resistors and the capacitors, you lose access to. Two Resistors And Two Uncharged Capacitors Are Arranged.
From www.numerade.com
SOLVEDConstants Two resistors and two uncharged capacitors are arranged as shown in the figure Two Resistors And Two Uncharged Capacitors Are Arranged (iii) two resistors and two uncharged capacitors are arranged as shown in fig. The equivalent resistance the equivalent capacitance a) when switch is open , resistors are in series , the equivalent resistance is, since the resistors are connected in. Two resistors and two uncharged capacitors are arranged as shown in fig. Then a potential difference of 24v is. Two. Two Resistors And Two Uncharged Capacitors Are Arranged.
From www.chegg.com
Solved Two resistors and two uncharged capacitors are Two Resistors And Two Uncharged Capacitors Are Arranged Two resistors and two uncharged capacitors are arranged as shown in fig. Then a potential difference of 24 v is applied across the combination as shown. (iii) two resistors and two uncharged capacitors are arranged as shown in fig. If you combine the resistors and the capacitors, you lose access to points a and b where you need to find. Two Resistors And Two Uncharged Capacitors Are Arranged.
From serviceisanattitude.blogspot.com
Two Resistors And Two Uncharged Capacitors Are Arranged Two Resistors And Two Uncharged Capacitors Are Arranged Then a potential difference of 24 v is applied across the combination as shown. Two resistors and two uncharged capacitors are. $62.$ then a potential difference of 24 $\mathrm{v}$ is. Then a potential difference of 24 v is applied across the combination as shown. Two resistors and two uncharged capacitors are arranged as shown in fig. Then a potential difference. Two Resistors And Two Uncharged Capacitors Are Arranged.
From www.chegg.com
Solved Two uncharged capacitors; three resistors and the Two Resistors And Two Uncharged Capacitors Are Arranged Then a potential difference of 24 v is applied across the combination as shown. Then a potential difference of 24v is. Two resistors and two uncharged capacitors are arranged as shown in the following figure. Then a potential difference of 24 v is applied across the combination as shown. If you combine the resistors and the capacitors, you lose access. Two Resistors And Two Uncharged Capacitors Are Arranged.
From www.chegg.com
4. Two uncharged capacitors and two resistors are Two Resistors And Two Uncharged Capacitors Are Arranged Two resistors and two uncharged capacitors are. Two resistors and two uncharged capacitors are arranged as shown in fig. Then a potential difference of 24 v is applied across the combination as shown. (iii) two resistors and two uncharged capacitors are arranged as shown in fig. Then a potential difference of 24v is. $62.$ then a potential difference of 24. Two Resistors And Two Uncharged Capacitors Are Arranged.
From www.numerade.com
(III) Two resistors and two uncharged capacitors are arranged as shown in Fig. 1972. Then a Two Resistors And Two Uncharged Capacitors Are Arranged Two resistors and two uncharged capacitors are arranged as shown in the following figure. (iii) two resistors and two uncharged capacitors are arranged as shown in fig. Then a potential difference of 24 v is applied across the combination as shown. The equivalent resistance the equivalent capacitance a) when switch is open , resistors are in series , the equivalent. Two Resistors And Two Uncharged Capacitors Are Arranged.
From www.numerade.com
SOLVED 4. Two uncharged capacitors and two resistors are connected a battery as shown in Fig a Two Resistors And Two Uncharged Capacitors Are Arranged Two resistors and two uncharged capacitors are arranged as shown in fig. Then a potential difference of 24 v is applied across the combination as shown. $62.$ then a potential difference of 24 $\mathrm{v}$ is. Two resistors and two uncharged capacitors are arranged as shown in fig. Two resistors and two uncharged capacitors are arranged as shown in the following. Two Resistors And Two Uncharged Capacitors Are Arranged.
From www.numerade.com
SOLVED Q5) Two resistors and two uncharged capacitors are arranged as shown in the figure. Then Two Resistors And Two Uncharged Capacitors Are Arranged Then a potential difference of 24v is. The equivalent resistance the equivalent capacitance a) when switch is open , resistors are in series , the equivalent resistance is, since the resistors are connected in. Two resistors and two uncharged capacitors are arranged as shown in the following figure. If you combine the resistors and the capacitors, you lose access to. Two Resistors And Two Uncharged Capacitors Are Arranged.
From serviceisanattitude.blogspot.com
Two Resistors And Two Uncharged Capacitors Are Arranged Two Resistors And Two Uncharged Capacitors Are Arranged Then a potential difference of 24 v is applied across the combination as shown. Two resistors and two uncharged capacitors are. $62.$ then a potential difference of 24 $\mathrm{v}$ is. (iii) two resistors and two uncharged capacitors are arranged as shown in fig. The equivalent resistance the equivalent capacitance a) when switch is open , resistors are in series ,. Two Resistors And Two Uncharged Capacitors Are Arranged.
From www.chegg.com
Solved An uncharged capacitor and a resistor are connected Two Resistors And Two Uncharged Capacitors Are Arranged Then a potential difference of 24v is. The equivalent resistance the equivalent capacitance a) when switch is open , resistors are in series , the equivalent resistance is, since the resistors are connected in. Two resistors and two uncharged capacitors are arranged as shown in the following figure. (iii) two resistors and two uncharged capacitors are arranged as shown in. Two Resistors And Two Uncharged Capacitors Are Arranged.
From www.numerade.com
(III) Two resistors and two uncharged capacitors are arranged as shown in Fig. 62 . Then a Two Resistors And Two Uncharged Capacitors Are Arranged $62.$ then a potential difference of 24 $\mathrm{v}$ is. Then a potential difference of 24v is. Two resistors and two uncharged capacitors are arranged as shown in fig. Then a potential difference of 24 v is applied across the combination as shown. Two resistors and two uncharged capacitors are arranged as shown in the following figure. Then a potential difference. Two Resistors And Two Uncharged Capacitors Are Arranged.
From kunduz.com
[ANSWERED] Two uncharged identical capacitors A and B each of Kunduz Two Resistors And Two Uncharged Capacitors Are Arranged Two resistors and two uncharged capacitors are arranged as shown in the following figure. Two resistors and two uncharged capacitors are. (iii) two resistors and two uncharged capacitors are arranged as shown in fig. Two resistors and two uncharged capacitors are arranged as shown in fig. If you combine the resistors and the capacitors, you lose access to points a. Two Resistors And Two Uncharged Capacitors Are Arranged.
From www.chegg.com
Solved Given Two resistors and two uncharged capacitors are Two Resistors And Two Uncharged Capacitors Are Arranged Two resistors and two uncharged capacitors are arranged as shown in fig. If you combine the resistors and the capacitors, you lose access to points a and b where you need to find the potentials. Then a potential difference of 24 v is applied across the combination as shown. Two resistors and two uncharged capacitors are arranged as shown in. Two Resistors And Two Uncharged Capacitors Are Arranged.
From www.numerade.com
SOLVEDResistors and Capacitors in a Circuit Two resistors 8.40 Q and R2 4.20 and two Two Resistors And Two Uncharged Capacitors Are Arranged Then a potential difference of 24 v is applied across the combination as shown. Two resistors and two uncharged capacitors are arranged as shown in the following figure. (iii) two resistors and two uncharged capacitors are arranged as shown in fig. The equivalent resistance the equivalent capacitance a) when switch is open , resistors are in series , the equivalent. Two Resistors And Two Uncharged Capacitors Are Arranged.
From www.toppr.com
Pictured below is a circuit with two identical resistors, a battery, an initially uncharged Two Resistors And Two Uncharged Capacitors Are Arranged Two resistors and two uncharged capacitors are. Two resistors and two uncharged capacitors are arranged as shown in the following figure. The equivalent resistance the equivalent capacitance a) when switch is open , resistors are in series , the equivalent resistance is, since the resistors are connected in. Two resistors and two uncharged capacitors are arranged as shown in fig.. Two Resistors And Two Uncharged Capacitors Are Arranged.
From www.toppr.com
Two uncharged identical capacitors A and B, each of capacitance , and an inductor of inductance Two Resistors And Two Uncharged Capacitors Are Arranged (iii) two resistors and two uncharged capacitors are arranged as shown in fig. If you combine the resistors and the capacitors, you lose access to points a and b where you need to find the potentials. The equivalent resistance the equivalent capacitance a) when switch is open , resistors are in series , the equivalent resistance is, since the resistors. Two Resistors And Two Uncharged Capacitors Are Arranged.
From www.chegg.com
Two uncharged capacitors and two resistors are Two Resistors And Two Uncharged Capacitors Are Arranged Then a potential difference of 24v is. (iii) two resistors and two uncharged capacitors are arranged as shown in fig. Then a potential difference of 24 v is applied across the combination as shown. Two resistors and two uncharged capacitors are. The equivalent resistance the equivalent capacitance a) when switch is open , resistors are in series , the equivalent. Two Resistors And Two Uncharged Capacitors Are Arranged.
From www.chegg.com
Solved Two resistors and two uncharged capacitors are Two Resistors And Two Uncharged Capacitors Are Arranged Two resistors and two uncharged capacitors are. $62.$ then a potential difference of 24 $\mathrm{v}$ is. Two resistors and two uncharged capacitors are arranged as shown in the following figure. The equivalent resistance the equivalent capacitance a) when switch is open , resistors are in series , the equivalent resistance is, since the resistors are connected in. Then a potential. Two Resistors And Two Uncharged Capacitors Are Arranged.
From www.chegg.com
Solved 3. Two uncharged capacitors and two resistors are Two Resistors And Two Uncharged Capacitors Are Arranged If you combine the resistors and the capacitors, you lose access to points a and b where you need to find the potentials. Two resistors and two uncharged capacitors are arranged as shown in fig. (iii) two resistors and two uncharged capacitors are arranged as shown in fig. Then a potential difference of 24v is. The equivalent resistance the equivalent. Two Resistors And Two Uncharged Capacitors Are Arranged.
From www.numerade.com
SOLVED Two uncharged capacitors and two resistors are connected a battery as shown in Figure a Two Resistors And Two Uncharged Capacitors Are Arranged Two resistors and two uncharged capacitors are arranged as shown in the following figure. Two resistors and two uncharged capacitors are arranged as shown in fig. If you combine the resistors and the capacitors, you lose access to points a and b where you need to find the potentials. Two resistors and two uncharged capacitors are. (iii) two resistors and. Two Resistors And Two Uncharged Capacitors Are Arranged.
From www.numerade.com
VIDEO solution Four resistors, one uncharged capacitor, and two inductors are arranged as shown Two Resistors And Two Uncharged Capacitors Are Arranged Two resistors and two uncharged capacitors are arranged as shown in fig. Then a potential difference of 24 v is applied across the combination as shown. Two resistors and two uncharged capacitors are arranged as shown in fig. The equivalent resistance the equivalent capacitance a) when switch is open , resistors are in series , the equivalent resistance is, since. Two Resistors And Two Uncharged Capacitors Are Arranged.
From www.chegg.com
Solved Two Resistors And Two Uncharged Capacitors Are Arr... Two Resistors And Two Uncharged Capacitors Are Arranged Two resistors and two uncharged capacitors are arranged as shown in fig. Two resistors and two uncharged capacitors are. Then a potential difference of 24v is. Then a potential difference of 24 v is applied across the combination as shown. (iii) two resistors and two uncharged capacitors are arranged as shown in fig. Two resistors and two uncharged capacitors are. Two Resistors And Two Uncharged Capacitors Are Arranged.
From www.chegg.com
Solved Two resistors and two uncharged capacitors are Two Resistors And Two Uncharged Capacitors Are Arranged Two resistors and two uncharged capacitors are arranged as shown in the following figure. Two resistors and two uncharged capacitors are arranged as shown in fig. Then a potential difference of 24 v is applied across the combination as shown. (iii) two resistors and two uncharged capacitors are arranged as shown in fig. Then a potential difference of 24 v. Two Resistors And Two Uncharged Capacitors Are Arranged.
From www.numerade.com
26. Identical resistors and identical uncharged capacitors are connected to identical ideal Two Resistors And Two Uncharged Capacitors Are Arranged $62.$ then a potential difference of 24 $\mathrm{v}$ is. (iii) two resistors and two uncharged capacitors are arranged as shown in fig. Then a potential difference of 24 v is applied across the combination as shown. Two resistors and two uncharged capacitors are arranged as shown in fig. The equivalent resistance the equivalent capacitance a) when switch is open ,. Two Resistors And Two Uncharged Capacitors Are Arranged.
From www.chegg.com
Solved Two uncharged capacitors; three resistors and the Two Resistors And Two Uncharged Capacitors Are Arranged (iii) two resistors and two uncharged capacitors are arranged as shown in fig. Then a potential difference of 24v is. Two resistors and two uncharged capacitors are. $62.$ then a potential difference of 24 $\mathrm{v}$ is. Two resistors and two uncharged capacitors are arranged as shown in fig. Then a potential difference of 24 v is applied across the combination. Two Resistors And Two Uncharged Capacitors Are Arranged.
From www.chegg.com
Solved Two uncharged capacitors and two resistors are Two Resistors And Two Uncharged Capacitors Are Arranged Two resistors and two uncharged capacitors are arranged as shown in the following figure. (iii) two resistors and two uncharged capacitors are arranged as shown in fig. $62.$ then a potential difference of 24 $\mathrm{v}$ is. Then a potential difference of 24 v is applied across the combination as shown. The equivalent resistance the equivalent capacitance a) when switch is. Two Resistors And Two Uncharged Capacitors Are Arranged.
From www.chegg.com
Solved Two resistors and two uncharged capacitors are Two Resistors And Two Uncharged Capacitors Are Arranged Then a potential difference of 24v is. Then a potential difference of 24 v is applied across the combination as shown. Two resistors and two uncharged capacitors are arranged as shown in fig. The equivalent resistance the equivalent capacitance a) when switch is open , resistors are in series , the equivalent resistance is, since the resistors are connected in.. Two Resistors And Two Uncharged Capacitors Are Arranged.
From www.chegg.com
Solved 2. The diagram below shows an uncharged capacitor, Two Resistors And Two Uncharged Capacitors Are Arranged Two resistors and two uncharged capacitors are arranged as shown in fig. If you combine the resistors and the capacitors, you lose access to points a and b where you need to find the potentials. Then a potential difference of 24 v is applied across the combination as shown. Then a potential difference of 24v is. Two resistors and two. Two Resistors And Two Uncharged Capacitors Are Arranged.
From www.toppr.com
Two uncharged identical capacitors A and B, each of capacitance , and an inductor of inductance Two Resistors And Two Uncharged Capacitors Are Arranged Then a potential difference of 24 v is applied across the combination as shown. $62.$ then a potential difference of 24 $\mathrm{v}$ is. Then a potential difference of 24v is. Two resistors and two uncharged capacitors are arranged as shown in the following figure. The equivalent resistance the equivalent capacitance a) when switch is open , resistors are in series. Two Resistors And Two Uncharged Capacitors Are Arranged.
From serviceisanattitude.blogspot.com
Two Resistors And Two Uncharged Capacitors Are Arranged Two Resistors And Two Uncharged Capacitors Are Arranged Then a potential difference of 24v is. Two resistors and two uncharged capacitors are arranged as shown in fig. If you combine the resistors and the capacitors, you lose access to points a and b where you need to find the potentials. The equivalent resistance the equivalent capacitance a) when switch is open , resistors are in series , the. Two Resistors And Two Uncharged Capacitors Are Arranged.
From www.numerade.com
SOLVED Text Two resistors and two uncharged capacitors are arranged as shown in (Figure 1 Two Resistors And Two Uncharged Capacitors Are Arranged Two resistors and two uncharged capacitors are. Then a potential difference of 24v is. If you combine the resistors and the capacitors, you lose access to points a and b where you need to find the potentials. Two resistors and two uncharged capacitors are arranged as shown in fig. Then a potential difference of 24 v is applied across the. Two Resistors And Two Uncharged Capacitors Are Arranged.
From www.numerade.com
SOLVED A circuit consists of two resistors and uncharged capacitors, which are connected to a Two Resistors And Two Uncharged Capacitors Are Arranged (iii) two resistors and two uncharged capacitors are arranged as shown in fig. Two resistors and two uncharged capacitors are arranged as shown in the following figure. Then a potential difference of 24 v is applied across the combination as shown. Then a potential difference of 24 v is applied across the combination as shown. The equivalent resistance the equivalent. Two Resistors And Two Uncharged Capacitors Are Arranged.
From www.numerade.com
SOLVED Two resistors and two uncharged capacitors are arranged as shown in Figure 1. A Two Resistors And Two Uncharged Capacitors Are Arranged (iii) two resistors and two uncharged capacitors are arranged as shown in fig. Then a potential difference of 24v is. The equivalent resistance the equivalent capacitance a) when switch is open , resistors are in series , the equivalent resistance is, since the resistors are connected in. Two resistors and two uncharged capacitors are arranged as shown in the following. Two Resistors And Two Uncharged Capacitors Are Arranged.
From www.numerade.com
SOLVED (III) Two resistors and two uncharged capacitors are arranged as shown in Fig. 1972 Two Resistors And Two Uncharged Capacitors Are Arranged The equivalent resistance the equivalent capacitance a) when switch is open , resistors are in series , the equivalent resistance is, since the resistors are connected in. Two resistors and two uncharged capacitors are arranged as shown in the following figure. Two resistors and two uncharged capacitors are. Then a potential difference of 24v is. If you combine the resistors. Two Resistors And Two Uncharged Capacitors Are Arranged.