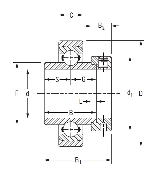
Radial Insert Ball Bearing With Eccentric Locking Collar . It has a narrow inner ring extended on. Radial insert ball bearings / single row / krr / eccentric locking collar / ina from ina order in many variants in the misumi. Insert bearings are based on sealed deep groove ball bearings. This variant is intended for use in applications where the direction of rotation is constant. Radial insert ball bearings are particularly easy to fit and are suitable for drawn shafts of grades h6 to h9 and can be relubricated with only a few. They can be equipped with an optional eccentric locking collar. Radial insert ball bearings are particularly easy to fit and are suitable for drawn shafts of grades h6 to h9 and can be relubricated with only a few. Radial insert ball bearings feeds picard feed bearings radial ball bearings list grid. Radial insert ball bearings rabr, with rubber interliner, location by eccentric locking collar, p seals on both sides. 27 rows browse fafnir® eccentric locking collar ball bearings in the the timken company catalog including part number,shaft size d,outside diameter,total width,static.
from www.ball-rollerbearing.com
This variant is intended for use in applications where the direction of rotation is constant. Radial insert ball bearings / single row / krr / eccentric locking collar / ina from ina order in many variants in the misumi. Radial insert ball bearings are particularly easy to fit and are suitable for drawn shafts of grades h6 to h9 and can be relubricated with only a few. Insert bearings are based on sealed deep groove ball bearings. It has a narrow inner ring extended on. Radial insert ball bearings rabr, with rubber interliner, location by eccentric locking collar, p seals on both sides. Radial insert ball bearings feeds picard feed bearings radial ball bearings list grid. They can be equipped with an optional eccentric locking collar. 27 rows browse fafnir® eccentric locking collar ball bearings in the the timken company catalog including part number,shaft size d,outside diameter,total width,static. Radial insert ball bearings are particularly easy to fit and are suitable for drawn shafts of grades h6 to h9 and can be relubricated with only a few.
Gcr15 Steel Material INA RAE35XLNPPNR Radial Insert Ball Bearing
Radial Insert Ball Bearing With Eccentric Locking Collar Radial insert ball bearings rabr, with rubber interliner, location by eccentric locking collar, p seals on both sides. Radial insert ball bearings rabr, with rubber interliner, location by eccentric locking collar, p seals on both sides. They can be equipped with an optional eccentric locking collar. This variant is intended for use in applications where the direction of rotation is constant. Radial insert ball bearings are particularly easy to fit and are suitable for drawn shafts of grades h6 to h9 and can be relubricated with only a few. It has a narrow inner ring extended on. Radial insert ball bearings / single row / krr / eccentric locking collar / ina from ina order in many variants in the misumi. 27 rows browse fafnir® eccentric locking collar ball bearings in the the timken company catalog including part number,shaft size d,outside diameter,total width,static. Radial insert ball bearings are particularly easy to fit and are suitable for drawn shafts of grades h6 to h9 and can be relubricated with only a few. Radial insert ball bearings feeds picard feed bearings radial ball bearings list grid. Insert bearings are based on sealed deep groove ball bearings.
From www.aliexpress.com
1pcs RAE50 NPP B 50 MOCHU Radial insert ball bearings Spherical outer Radial Insert Ball Bearing With Eccentric Locking Collar 27 rows browse fafnir® eccentric locking collar ball bearings in the the timken company catalog including part number,shaft size d,outside diameter,total width,static. Radial insert ball bearings feeds picard feed bearings radial ball bearings list grid. Insert bearings are based on sealed deep groove ball bearings. This variant is intended for use in applications where the direction of rotation is constant.. Radial Insert Ball Bearing With Eccentric Locking Collar.
From www.colliermiller.com.au
UBC ECCENTRIC LOCKING COLLAR BEARING 25MM Collier Miller Radial Insert Ball Bearing With Eccentric Locking Collar It has a narrow inner ring extended on. Radial insert ball bearings rabr, with rubber interliner, location by eccentric locking collar, p seals on both sides. Radial insert ball bearings feeds picard feed bearings radial ball bearings list grid. They can be equipped with an optional eccentric locking collar. Radial insert ball bearings are particularly easy to fit and are. Radial Insert Ball Bearing With Eccentric Locking Collar.
From www.tapered-rollerbearing.com
PSHE50XLN Radial Insert Ball Bearing with Eccentric Locking Collar, P Radial Insert Ball Bearing With Eccentric Locking Collar Radial insert ball bearings rabr, with rubber interliner, location by eccentric locking collar, p seals on both sides. Insert bearings are based on sealed deep groove ball bearings. Radial insert ball bearings are particularly easy to fit and are suitable for drawn shafts of grades h6 to h9 and can be relubricated with only a few. Radial insert ball bearings. Radial Insert Ball Bearing With Eccentric Locking Collar.
From cad.timken.com
Fafnir® Eccentric Locking Collar Ball Bearings On The Timken Company Radial Insert Ball Bearing With Eccentric Locking Collar It has a narrow inner ring extended on. Insert bearings are based on sealed deep groove ball bearings. Radial insert ball bearings feeds picard feed bearings radial ball bearings list grid. Radial insert ball bearings are particularly easy to fit and are suitable for drawn shafts of grades h6 to h9 and can be relubricated with only a few. They. Radial Insert Ball Bearing With Eccentric Locking Collar.
From qdyixinyan.en.made-in-china.com
Cast Iron Housing, Radial Insert Ball Bearing with Eccentric Locking Radial Insert Ball Bearing With Eccentric Locking Collar Insert bearings are based on sealed deep groove ball bearings. Radial insert ball bearings / single row / krr / eccentric locking collar / ina from ina order in many variants in the misumi. Radial insert ball bearings feeds picard feed bearings radial ball bearings list grid. It has a narrow inner ring extended on. 27 rows browse fafnir® eccentric. Radial Insert Ball Bearing With Eccentric Locking Collar.
From cad.timken.com
Part Number SMN215KS, Fafnir® Eccentric Locking Collar Ball Bearings On Radial Insert Ball Bearing With Eccentric Locking Collar Radial insert ball bearings / single row / krr / eccentric locking collar / ina from ina order in many variants in the misumi. Radial insert ball bearings feeds picard feed bearings radial ball bearings list grid. Insert bearings are based on sealed deep groove ball bearings. Radial insert ball bearings are particularly easy to fit and are suitable for. Radial Insert Ball Bearing With Eccentric Locking Collar.
From www.ball-rollerbearing.com
Gcr15 Steel Material INA RAE35XLNPPFA106 Radial Insert Ball Bearing Radial Insert Ball Bearing With Eccentric Locking Collar Radial insert ball bearings are particularly easy to fit and are suitable for drawn shafts of grades h6 to h9 and can be relubricated with only a few. It has a narrow inner ring extended on. 27 rows browse fafnir® eccentric locking collar ball bearings in the the timken company catalog including part number,shaft size d,outside diameter,total width,static. Radial insert. Radial Insert Ball Bearing With Eccentric Locking Collar.
From qdyixinyan.en.made-in-china.com
Plummer Block Housing Units Rshe, Cast Iron Housing, Radial Insert Ball Radial Insert Ball Bearing With Eccentric Locking Collar Radial insert ball bearings feeds picard feed bearings radial ball bearings list grid. Radial insert ball bearings are particularly easy to fit and are suitable for drawn shafts of grades h6 to h9 and can be relubricated with only a few. Radial insert ball bearings rabr, with rubber interliner, location by eccentric locking collar, p seals on both sides. 27. Radial Insert Ball Bearing With Eccentric Locking Collar.
From bofabearings.en.made-in-china.com
NTN NSK Radial Insert Ball Bearings with Eccentric Locking Collar Radial Insert Ball Bearing With Eccentric Locking Collar Radial insert ball bearings feeds picard feed bearings radial ball bearings list grid. Radial insert ball bearings rabr, with rubber interliner, location by eccentric locking collar, p seals on both sides. They can be equipped with an optional eccentric locking collar. Radial insert ball bearings are particularly easy to fit and are suitable for drawn shafts of grades h6 to. Radial Insert Ball Bearing With Eccentric Locking Collar.
From www.bearingstation.co.uk
FS SA206 Bearing Insert w/ Eccentric Collar 30mm Bearing Station Radial Insert Ball Bearing With Eccentric Locking Collar 27 rows browse fafnir® eccentric locking collar ball bearings in the the timken company catalog including part number,shaft size d,outside diameter,total width,static. It has a narrow inner ring extended on. Radial insert ball bearings are particularly easy to fit and are suitable for drawn shafts of grades h6 to h9 and can be relubricated with only a few. This variant. Radial Insert Ball Bearing With Eccentric Locking Collar.
From simplybearings.co.uk
SKF YET206 Eccentric Locking Collar Bearing Insert with 30mm Bore 62mm Radial Insert Ball Bearing With Eccentric Locking Collar 27 rows browse fafnir® eccentric locking collar ball bearings in the the timken company catalog including part number,shaft size d,outside diameter,total width,static. Radial insert ball bearings are particularly easy to fit and are suitable for drawn shafts of grades h6 to h9 and can be relubricated with only a few. Radial insert ball bearings are particularly easy to fit and. Radial Insert Ball Bearing With Eccentric Locking Collar.
From www.surpluscenter.com
13/4" Bore Insert Bearing with Eccentric Locking Collar DuraRoll Radial Insert Ball Bearing With Eccentric Locking Collar Radial insert ball bearings are particularly easy to fit and are suitable for drawn shafts of grades h6 to h9 and can be relubricated with only a few. Radial insert ball bearings feeds picard feed bearings radial ball bearings list grid. They can be equipped with an optional eccentric locking collar. Radial insert ball bearings rabr, with rubber interliner, location. Radial Insert Ball Bearing With Eccentric Locking Collar.
From bearingfinder.ntnamericas.com
Item UELS206102LD1N, Bearing Insert w/ Eccentric Locking Collar Radial Insert Ball Bearing With Eccentric Locking Collar Radial insert ball bearings / single row / krr / eccentric locking collar / ina from ina order in many variants in the misumi. Radial insert ball bearings feeds picard feed bearings radial ball bearings list grid. They can be equipped with an optional eccentric locking collar. It has a narrow inner ring extended on. Radial insert ball bearings are. Radial Insert Ball Bearing With Eccentric Locking Collar.
From www.ball-rollerbearing.com
Gcr15 Steel Material INA RAE35XLNPPB Radial Insert Ball Bearing with Radial Insert Ball Bearing With Eccentric Locking Collar It has a narrow inner ring extended on. Radial insert ball bearings feeds picard feed bearings radial ball bearings list grid. Radial insert ball bearings are particularly easy to fit and are suitable for drawn shafts of grades h6 to h9 and can be relubricated with only a few. Radial insert ball bearings rabr, with rubber interliner, location by eccentric. Radial Insert Ball Bearing With Eccentric Locking Collar.
From cad.timken.com
Fafnir® Eccentric Locking Collar Ball Bearings On The Timken Company Radial Insert Ball Bearing With Eccentric Locking Collar Insert bearings are based on sealed deep groove ball bearings. It has a narrow inner ring extended on. 27 rows browse fafnir® eccentric locking collar ball bearings in the the timken company catalog including part number,shaft size d,outside diameter,total width,static. Radial insert ball bearings rabr, with rubber interliner, location by eccentric locking collar, p seals on both sides. Radial insert. Radial Insert Ball Bearing With Eccentric Locking Collar.
From www.ebay.com
FH20412G Insert Bearing Eccentric Locking Collar 3/4" Inch Bearings Radial Insert Ball Bearing With Eccentric Locking Collar 27 rows browse fafnir® eccentric locking collar ball bearings in the the timken company catalog including part number,shaft size d,outside diameter,total width,static. Radial insert ball bearings rabr, with rubber interliner, location by eccentric locking collar, p seals on both sides. Radial insert ball bearings feeds picard feed bearings radial ball bearings list grid. Radial insert ball bearings are particularly easy. Radial Insert Ball Bearing With Eccentric Locking Collar.
From cad.timken.com
Fafnir® Eccentric Locking Collar Ball Bearings On The Timken Company Radial Insert Ball Bearing With Eccentric Locking Collar This variant is intended for use in applications where the direction of rotation is constant. 27 rows browse fafnir® eccentric locking collar ball bearings in the the timken company catalog including part number,shaft size d,outside diameter,total width,static. Radial insert ball bearings feeds picard feed bearings radial ball bearings list grid. It has a narrow inner ring extended on. Insert bearings. Radial Insert Ball Bearing With Eccentric Locking Collar.
From hightempbearings.com
11/4" 206 Eccentric Collar Locking NonGreaseable Narrow Ball Bearing Radial Insert Ball Bearing With Eccentric Locking Collar 27 rows browse fafnir® eccentric locking collar ball bearings in the the timken company catalog including part number,shaft size d,outside diameter,total width,static. This variant is intended for use in applications where the direction of rotation is constant. Radial insert ball bearings are particularly easy to fit and are suitable for drawn shafts of grades h6 to h9 and can be. Radial Insert Ball Bearing With Eccentric Locking Collar.
From exohmiplt.blob.core.windows.net
How Does An Eccentric Locking Collar Work at Robyn Connor blog Radial Insert Ball Bearing With Eccentric Locking Collar Radial insert ball bearings feeds picard feed bearings radial ball bearings list grid. It has a narrow inner ring extended on. Radial insert ball bearings rabr, with rubber interliner, location by eccentric locking collar, p seals on both sides. Radial insert ball bearings are particularly easy to fit and are suitable for drawn shafts of grades h6 to h9 and. Radial Insert Ball Bearing With Eccentric Locking Collar.
From www.ball-rollerbearing.com
Gcr15 Steel Material INA RAE35XLNPPNR Radial Insert Ball Bearing Radial Insert Ball Bearing With Eccentric Locking Collar Radial insert ball bearings / single row / krr / eccentric locking collar / ina from ina order in many variants in the misumi. It has a narrow inner ring extended on. 27 rows browse fafnir® eccentric locking collar ball bearings in the the timken company catalog including part number,shaft size d,outside diameter,total width,static. This variant is intended for use. Radial Insert Ball Bearing With Eccentric Locking Collar.
From simplybearings.co.uk
SKF YEL2091122F Eccentric Locking Collar Type Bearing Insert 13/4 Radial Insert Ball Bearing With Eccentric Locking Collar Radial insert ball bearings are particularly easy to fit and are suitable for drawn shafts of grades h6 to h9 and can be relubricated with only a few. It has a narrow inner ring extended on. 27 rows browse fafnir® eccentric locking collar ball bearings in the the timken company catalog including part number,shaft size d,outside diameter,total width,static. Insert bearings. Radial Insert Ball Bearing With Eccentric Locking Collar.
From www.bearingboys.co.uk
CSA20412 3/4inch Bore FK Flatback Cylindrical Bearing Insert with Radial Insert Ball Bearing With Eccentric Locking Collar Radial insert ball bearings rabr, with rubber interliner, location by eccentric locking collar, p seals on both sides. Radial insert ball bearings feeds picard feed bearings radial ball bearings list grid. Radial insert ball bearings / single row / krr / eccentric locking collar / ina from ina order in many variants in the misumi. Radial insert ball bearings are. Radial Insert Ball Bearing With Eccentric Locking Collar.
From sfnbbearing.en.made-in-china.com
Radial Insert Ball Bearings Ge 70krrb Insert Bearing Eccentric Locking Radial Insert Ball Bearing With Eccentric Locking Collar This variant is intended for use in applications where the direction of rotation is constant. They can be equipped with an optional eccentric locking collar. 27 rows browse fafnir® eccentric locking collar ball bearings in the the timken company catalog including part number,shaft size d,outside diameter,total width,static. Insert bearings are based on sealed deep groove ball bearings. Radial insert ball. Radial Insert Ball Bearing With Eccentric Locking Collar.
From www.jnsnbearing.com
Radial Insert Ball Bearing SA211 2RS Shaft 55 mmRadial Insert Ball Radial Insert Ball Bearing With Eccentric Locking Collar Radial insert ball bearings feeds picard feed bearings radial ball bearings list grid. Radial insert ball bearings are particularly easy to fit and are suitable for drawn shafts of grades h6 to h9 and can be relubricated with only a few. 27 rows browse fafnir® eccentric locking collar ball bearings in the the timken company catalog including part number,shaft size. Radial Insert Ball Bearing With Eccentric Locking Collar.
From www.walmart.com
FH20412G Insert Bearing Eccentric Locking Collar 3/4" Inch Bearings Radial Insert Ball Bearing With Eccentric Locking Collar This variant is intended for use in applications where the direction of rotation is constant. Radial insert ball bearings are particularly easy to fit and are suitable for drawn shafts of grades h6 to h9 and can be relubricated with only a few. Radial insert ball bearings / single row / krr / eccentric locking collar / ina from ina. Radial Insert Ball Bearing With Eccentric Locking Collar.
From medias.schaeffler.cn
Radial insert ball bearings Schaeffler medias Radial Insert Ball Bearing With Eccentric Locking Collar Radial insert ball bearings are particularly easy to fit and are suitable for drawn shafts of grades h6 to h9 and can be relubricated with only a few. 27 rows browse fafnir® eccentric locking collar ball bearings in the the timken company catalog including part number,shaft size d,outside diameter,total width,static. Radial insert ball bearings feeds picard feed bearings radial ball. Radial Insert Ball Bearing With Eccentric Locking Collar.
From bofabearings.en.made-in-china.com
Radial Insert Ball Bearings with Eccentric Locking Collar Uels211 Radial Insert Ball Bearing With Eccentric Locking Collar It has a narrow inner ring extended on. 27 rows browse fafnir® eccentric locking collar ball bearings in the the timken company catalog including part number,shaft size d,outside diameter,total width,static. Radial insert ball bearings / single row / krr / eccentric locking collar / ina from ina order in many variants in the misumi. Insert bearings are based on sealed. Radial Insert Ball Bearing With Eccentric Locking Collar.
From www.dhk-intl.com
What are the primary advantages of using radial insert ball bearings Radial Insert Ball Bearing With Eccentric Locking Collar Radial insert ball bearings rabr, with rubber interliner, location by eccentric locking collar, p seals on both sides. Radial insert ball bearings are particularly easy to fit and are suitable for drawn shafts of grades h6 to h9 and can be relubricated with only a few. It has a narrow inner ring extended on. Radial insert ball bearings feeds picard. Radial Insert Ball Bearing With Eccentric Locking Collar.
From yochbearing.com
Insert ball bearings with eccentric collar HC308 Radial Insert Ball Bearing With Eccentric Locking Collar Radial insert ball bearings rabr, with rubber interliner, location by eccentric locking collar, p seals on both sides. Radial insert ball bearings are particularly easy to fit and are suitable for drawn shafts of grades h6 to h9 and can be relubricated with only a few. They can be equipped with an optional eccentric locking collar. Insert bearings are based. Radial Insert Ball Bearing With Eccentric Locking Collar.
From us.misumi-ec.com
Insert Ball Bearing Double Seals, Single Row, Eccentric Lock, Inch Radial Insert Ball Bearing With Eccentric Locking Collar Radial insert ball bearings rabr, with rubber interliner, location by eccentric locking collar, p seals on both sides. Insert bearings are based on sealed deep groove ball bearings. It has a narrow inner ring extended on. Radial insert ball bearings feeds picard feed bearings radial ball bearings list grid. This variant is intended for use in applications where the direction. Radial Insert Ball Bearing With Eccentric Locking Collar.
From shaft-collar.net
China Plummer block housing units PASE, cast iron housing, radial Radial Insert Ball Bearing With Eccentric Locking Collar Radial insert ball bearings are particularly easy to fit and are suitable for drawn shafts of grades h6 to h9 and can be relubricated with only a few. Radial insert ball bearings / single row / krr / eccentric locking collar / ina from ina order in many variants in the misumi. Radial insert ball bearings rabr, with rubber interliner,. Radial Insert Ball Bearing With Eccentric Locking Collar.
From www.ball-rollerbearing.com
Gcr15 Steel Material INA RAE35XLNPPB Radial Insert Ball Bearing with Radial Insert Ball Bearing With Eccentric Locking Collar They can be equipped with an optional eccentric locking collar. Radial insert ball bearings rabr, with rubber interliner, location by eccentric locking collar, p seals on both sides. Radial insert ball bearings are particularly easy to fit and are suitable for drawn shafts of grades h6 to h9 and can be relubricated with only a few. This variant is intended. Radial Insert Ball Bearing With Eccentric Locking Collar.
From www.dhk-intl.com
What are the primary advantages of using radial insert ball bearings Radial Insert Ball Bearing With Eccentric Locking Collar 27 rows browse fafnir® eccentric locking collar ball bearings in the the timken company catalog including part number,shaft size d,outside diameter,total width,static. They can be equipped with an optional eccentric locking collar. Radial insert ball bearings feeds picard feed bearings radial ball bearings list grid. Radial insert ball bearings are particularly easy to fit and are suitable for drawn shafts. Radial Insert Ball Bearing With Eccentric Locking Collar.
From cksbearing.com
SA205 GRAE25 NPPB Radial insert ball bearing with eccentric locking Radial Insert Ball Bearing With Eccentric Locking Collar Radial insert ball bearings are particularly easy to fit and are suitable for drawn shafts of grades h6 to h9 and can be relubricated with only a few. They can be equipped with an optional eccentric locking collar. Radial insert ball bearings feeds picard feed bearings radial ball bearings list grid. Radial insert ball bearings / single row / krr. Radial Insert Ball Bearing With Eccentric Locking Collar.
From medias.schaeffler.co.th
Radial insert ball bearings Schaeffler medias Radial Insert Ball Bearing With Eccentric Locking Collar Radial insert ball bearings are particularly easy to fit and are suitable for drawn shafts of grades h6 to h9 and can be relubricated with only a few. Radial insert ball bearings are particularly easy to fit and are suitable for drawn shafts of grades h6 to h9 and can be relubricated with only a few. Insert bearings are based. Radial Insert Ball Bearing With Eccentric Locking Collar.