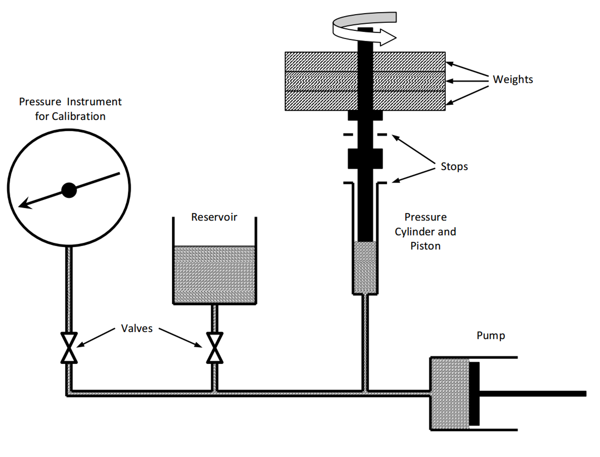
Dead Weight Pressure Gauge Diagram . A fluid (oil) that transmits the pressure, a weight and piston. Deadweight testers are the basic primary standard for the accurate measurement of pressure. There are three main components of this device: In this article, i will show you step by step process of pressure gauge calibration using a dead weight tester. Dead weight testers are widely used as a calibrating instrument for calibrating pressure sensing instruments like pressure gauges and sometimes pressure transmitters too. In this post, we learn the principle of the dead weight pressure tester and the types of pressure gauge calibration methods. Chandler testers are used to measure the pressure exerted by a gas or liquid and can also. A dead weight tester is a device which balances fluid pressure against a known weight and this device is used for calibration of bourdon pressure gauges. Dead weight tester (dwt) is a pressure measurement instrument that calibrates pressure based on the weight of force divided by the area the force is applied. Deadweight testers (dwt) are the primary standard for pressure measurement. It consists of a piston.
from construction329.blogspot.com
Dead weight testers are widely used as a calibrating instrument for calibrating pressure sensing instruments like pressure gauges and sometimes pressure transmitters too. A fluid (oil) that transmits the pressure, a weight and piston. Deadweight testers (dwt) are the primary standard for pressure measurement. Chandler testers are used to measure the pressure exerted by a gas or liquid and can also. Dead weight tester (dwt) is a pressure measurement instrument that calibrates pressure based on the weight of force divided by the area the force is applied. Deadweight testers are the basic primary standard for the accurate measurement of pressure. It consists of a piston. In this article, i will show you step by step process of pressure gauge calibration using a dead weight tester. In this post, we learn the principle of the dead weight pressure tester and the types of pressure gauge calibration methods. There are three main components of this device:
Fluid Pressure and it's Measurement
Dead Weight Pressure Gauge Diagram A dead weight tester is a device which balances fluid pressure against a known weight and this device is used for calibration of bourdon pressure gauges. Dead weight tester (dwt) is a pressure measurement instrument that calibrates pressure based on the weight of force divided by the area the force is applied. A dead weight tester is a device which balances fluid pressure against a known weight and this device is used for calibration of bourdon pressure gauges. A fluid (oil) that transmits the pressure, a weight and piston. Deadweight testers are the basic primary standard for the accurate measurement of pressure. In this article, i will show you step by step process of pressure gauge calibration using a dead weight tester. Deadweight testers (dwt) are the primary standard for pressure measurement. There are three main components of this device: It consists of a piston. Dead weight testers are widely used as a calibrating instrument for calibrating pressure sensing instruments like pressure gauges and sometimes pressure transmitters too. Chandler testers are used to measure the pressure exerted by a gas or liquid and can also. In this post, we learn the principle of the dead weight pressure tester and the types of pressure gauge calibration methods.
From blog.dandkmotorsports.com
Pressure Gauge Calibration Procedure Using Dead Weight Tester Blog Dandk Dead Weight Pressure Gauge Diagram There are three main components of this device: Deadweight testers are the basic primary standard for the accurate measurement of pressure. In this article, i will show you step by step process of pressure gauge calibration using a dead weight tester. Deadweight testers (dwt) are the primary standard for pressure measurement. A dead weight tester is a device which balances. Dead Weight Pressure Gauge Diagram.
From blog.dandkmotorsports.com
Pressure Gauge Calibration Procedure Using Dead Weight Tester Blog Dandk Dead Weight Pressure Gauge Diagram There are three main components of this device: Chandler testers are used to measure the pressure exerted by a gas or liquid and can also. Deadweight testers (dwt) are the primary standard for pressure measurement. In this post, we learn the principle of the dead weight pressure tester and the types of pressure gauge calibration methods. A dead weight tester. Dead Weight Pressure Gauge Diagram.
From www.vrogue.co
How To Calibrate Pressure Gauge Using Dead Weight Tes vrogue.co Dead Weight Pressure Gauge Diagram Chandler testers are used to measure the pressure exerted by a gas or liquid and can also. Dead weight tester (dwt) is a pressure measurement instrument that calibrates pressure based on the weight of force divided by the area the force is applied. Dead weight testers are widely used as a calibrating instrument for calibrating pressure sensing instruments like pressure. Dead Weight Pressure Gauge Diagram.
From blog.dandkmotorsports.com
Pressure Gauge Calibration Using Dead Weight Tester Blog Dandk Dead Weight Pressure Gauge Diagram Dead weight tester (dwt) is a pressure measurement instrument that calibrates pressure based on the weight of force divided by the area the force is applied. Dead weight testers are widely used as a calibrating instrument for calibrating pressure sensing instruments like pressure gauges and sometimes pressure transmitters too. A dead weight tester is a device which balances fluid pressure. Dead Weight Pressure Gauge Diagram.
From atelier-yuwa.ciao.jp
What Is Dead Weight Tester? Construction, Working, Diagram Calibration Dead Weight Pressure Gauge Diagram It consists of a piston. A dead weight tester is a device which balances fluid pressure against a known weight and this device is used for calibration of bourdon pressure gauges. Chandler testers are used to measure the pressure exerted by a gas or liquid and can also. In this article, i will show you step by step process of. Dead Weight Pressure Gauge Diagram.
From www.scribd.com
Dead Weight Pressure Gauge Tester PDF Dead Weight Pressure Gauge Diagram Deadweight testers are the basic primary standard for the accurate measurement of pressure. Dead weight tester (dwt) is a pressure measurement instrument that calibrates pressure based on the weight of force divided by the area the force is applied. Dead weight testers are widely used as a calibrating instrument for calibrating pressure sensing instruments like pressure gauges and sometimes pressure. Dead Weight Pressure Gauge Diagram.
From blog.dandkmotorsports.com
Pressure Gauge Calibration Procedure Using Dead Weight Tester Blog Dandk Dead Weight Pressure Gauge Diagram It consists of a piston. Dead weight testers are widely used as a calibrating instrument for calibrating pressure sensing instruments like pressure gauges and sometimes pressure transmitters too. Deadweight testers are the basic primary standard for the accurate measurement of pressure. Deadweight testers (dwt) are the primary standard for pressure measurement. Dead weight tester (dwt) is a pressure measurement instrument. Dead Weight Pressure Gauge Diagram.
From www.researchgate.net
Batch extraction apparatus (/) MP2500 deadweight pressure gauge, (2 Dead Weight Pressure Gauge Diagram Dead weight tester (dwt) is a pressure measurement instrument that calibrates pressure based on the weight of force divided by the area the force is applied. There are three main components of this device: A dead weight tester is a device which balances fluid pressure against a known weight and this device is used for calibration of bourdon pressure gauges.. Dead Weight Pressure Gauge Diagram.
From construction329.blogspot.com
Fluid Pressure and it's Measurement Dead Weight Pressure Gauge Diagram Dead weight tester (dwt) is a pressure measurement instrument that calibrates pressure based on the weight of force divided by the area the force is applied. Chandler testers are used to measure the pressure exerted by a gas or liquid and can also. Dead weight testers are widely used as a calibrating instrument for calibrating pressure sensing instruments like pressure. Dead Weight Pressure Gauge Diagram.
From forumautomation.com
How to calibrate pressure gauge? Using Dead weight Tester Calibration Dead Weight Pressure Gauge Diagram Dead weight tester (dwt) is a pressure measurement instrument that calibrates pressure based on the weight of force divided by the area the force is applied. Dead weight testers are widely used as a calibrating instrument for calibrating pressure sensing instruments like pressure gauges and sometimes pressure transmitters too. A dead weight tester is a device which balances fluid pressure. Dead Weight Pressure Gauge Diagram.
From www.slideserve.com
PPT Pressure Measurements PowerPoint Presentation, free download ID Dead Weight Pressure Gauge Diagram In this article, i will show you step by step process of pressure gauge calibration using a dead weight tester. A fluid (oil) that transmits the pressure, a weight and piston. Dead weight testers are widely used as a calibrating instrument for calibrating pressure sensing instruments like pressure gauges and sometimes pressure transmitters too. Deadweight testers are the basic primary. Dead Weight Pressure Gauge Diagram.
From www.youtube.com
WORKING PRINCIPLE & OPERATION OF DEAD WEIGHT TESTER YouTube Dead Weight Pressure Gauge Diagram Dead weight testers are widely used as a calibrating instrument for calibrating pressure sensing instruments like pressure gauges and sometimes pressure transmitters too. A fluid (oil) that transmits the pressure, a weight and piston. Chandler testers are used to measure the pressure exerted by a gas or liquid and can also. In this post, we learn the principle of the. Dead Weight Pressure Gauge Diagram.
From www.youtube.com
Dead weight pressure gauge (हिन्दी) Hydraulic and Pnenumatics Up Dead Weight Pressure Gauge Diagram Deadweight testers (dwt) are the primary standard for pressure measurement. A dead weight tester is a device which balances fluid pressure against a known weight and this device is used for calibration of bourdon pressure gauges. Deadweight testers are the basic primary standard for the accurate measurement of pressure. A fluid (oil) that transmits the pressure, a weight and piston.. Dead Weight Pressure Gauge Diagram.
From www.youtube.com
How does a Deadweight Tester Work? Setup Operation Pressure Flow Dead Weight Pressure Gauge Diagram Chandler testers are used to measure the pressure exerted by a gas or liquid and can also. In this article, i will show you step by step process of pressure gauge calibration using a dead weight tester. In this post, we learn the principle of the dead weight pressure tester and the types of pressure gauge calibration methods. Dead weight. Dead Weight Pressure Gauge Diagram.
From www.instrumentationtoolbox.com
How to Calibrate a Pressure Gauge With a Dead Weight Tester Learning Dead Weight Pressure Gauge Diagram Dead weight tester (dwt) is a pressure measurement instrument that calibrates pressure based on the weight of force divided by the area the force is applied. It consists of a piston. There are three main components of this device: In this post, we learn the principle of the dead weight pressure tester and the types of pressure gauge calibration methods.. Dead Weight Pressure Gauge Diagram.
From www.budenberg-me.org
dead weight tester Principle Budenberg Middle East LLC Dead Weight Pressure Gauge Diagram Deadweight testers (dwt) are the primary standard for pressure measurement. Dead weight tester (dwt) is a pressure measurement instrument that calibrates pressure based on the weight of force divided by the area the force is applied. Chandler testers are used to measure the pressure exerted by a gas or liquid and can also. In this article, i will show you. Dead Weight Pressure Gauge Diagram.
From blog.dandkmotorsports.com
Pressure Gauge Calibration Procedure Using Dead Weight Tester Blog Dandk Dead Weight Pressure Gauge Diagram Dead weight tester (dwt) is a pressure measurement instrument that calibrates pressure based on the weight of force divided by the area the force is applied. A fluid (oil) that transmits the pressure, a weight and piston. In this article, i will show you step by step process of pressure gauge calibration using a dead weight tester. Deadweight testers are. Dead Weight Pressure Gauge Diagram.
From www.slideshare.net
Dead weight piston gauge Dead Weight Pressure Gauge Diagram Chandler testers are used to measure the pressure exerted by a gas or liquid and can also. In this article, i will show you step by step process of pressure gauge calibration using a dead weight tester. In this post, we learn the principle of the dead weight pressure tester and the types of pressure gauge calibration methods. A dead. Dead Weight Pressure Gauge Diagram.
From blog.dandkmotorsports.com
Pressure Gauge Calibration Using Dead Weight Tester Blog Dandk Dead Weight Pressure Gauge Diagram A fluid (oil) that transmits the pressure, a weight and piston. Dead weight testers are widely used as a calibrating instrument for calibrating pressure sensing instruments like pressure gauges and sometimes pressure transmitters too. Deadweight testers are the basic primary standard for the accurate measurement of pressure. There are three main components of this device: Chandler testers are used to. Dead Weight Pressure Gauge Diagram.
From www.scribd.com
Dead Weight Tester Expt Calibration Pressure Measurement Dead Weight Pressure Gauge Diagram Chandler testers are used to measure the pressure exerted by a gas or liquid and can also. In this post, we learn the principle of the dead weight pressure tester and the types of pressure gauge calibration methods. Dead weight tester (dwt) is a pressure measurement instrument that calibrates pressure based on the weight of force divided by the area. Dead Weight Pressure Gauge Diagram.
From ourelabs.blogspot.com
Calibration of pressure gauge using dead weight tester Ourengineeringlabs Dead Weight Pressure Gauge Diagram There are three main components of this device: Deadweight testers are the basic primary standard for the accurate measurement of pressure. Deadweight testers (dwt) are the primary standard for pressure measurement. Dead weight testers are widely used as a calibrating instrument for calibrating pressure sensing instruments like pressure gauges and sometimes pressure transmitters too. In this article, i will show. Dead Weight Pressure Gauge Diagram.
From atelier-yuwa.ciao.jp
What Is Dead Weight Tester? Construction, Working, Diagram Calibration Dead Weight Pressure Gauge Diagram Dead weight tester (dwt) is a pressure measurement instrument that calibrates pressure based on the weight of force divided by the area the force is applied. There are three main components of this device: Dead weight testers are widely used as a calibrating instrument for calibrating pressure sensing instruments like pressure gauges and sometimes pressure transmitters too. It consists of. Dead Weight Pressure Gauge Diagram.
From forumautomation.com
How to calibrate pressure gauge? Using Dead weight Tester Calibration Dead Weight Pressure Gauge Diagram Dead weight testers are widely used as a calibrating instrument for calibrating pressure sensing instruments like pressure gauges and sometimes pressure transmitters too. It consists of a piston. Dead weight tester (dwt) is a pressure measurement instrument that calibrates pressure based on the weight of force divided by the area the force is applied. In this article, i will show. Dead Weight Pressure Gauge Diagram.
From www.precisionmass.com
Dead Weight Testers & How it works for Pressure Calibration? Dead Weight Pressure Gauge Diagram Chandler testers are used to measure the pressure exerted by a gas or liquid and can also. Dead weight testers are widely used as a calibrating instrument for calibrating pressure sensing instruments like pressure gauges and sometimes pressure transmitters too. Dead weight tester (dwt) is a pressure measurement instrument that calibrates pressure based on the weight of force divided by. Dead Weight Pressure Gauge Diagram.
From www.chegg.com
Solved Suppose that you neglected to level the deadweight Dead Weight Pressure Gauge Diagram A fluid (oil) that transmits the pressure, a weight and piston. In this article, i will show you step by step process of pressure gauge calibration using a dead weight tester. There are three main components of this device: Deadweight testers (dwt) are the primary standard for pressure measurement. Dead weight testers are widely used as a calibrating instrument for. Dead Weight Pressure Gauge Diagram.
From instrumentationtools.com
What is a Dead Weight Tester? InstrumentationTools Dead Weight Pressure Gauge Diagram Chandler testers are used to measure the pressure exerted by a gas or liquid and can also. There are three main components of this device: Dead weight testers are widely used as a calibrating instrument for calibrating pressure sensing instruments like pressure gauges and sometimes pressure transmitters too. Deadweight testers are the basic primary standard for the accurate measurement of. Dead Weight Pressure Gauge Diagram.
From www.youtube.com
Dead Weight Pressure Gauge Tester • Working Principle • Briefly In Dead Weight Pressure Gauge Diagram There are three main components of this device: A fluid (oil) that transmits the pressure, a weight and piston. It consists of a piston. In this post, we learn the principle of the dead weight pressure tester and the types of pressure gauge calibration methods. Dead weight testers are widely used as a calibrating instrument for calibrating pressure sensing instruments. Dead Weight Pressure Gauge Diagram.
From www.scribd.com
Dead Weight Pressure Gauge Testers Pressure Measurement Calibration Dead Weight Pressure Gauge Diagram It consists of a piston. A dead weight tester is a device which balances fluid pressure against a known weight and this device is used for calibration of bourdon pressure gauges. In this article, i will show you step by step process of pressure gauge calibration using a dead weight tester. Dead weight testers are widely used as a calibrating. Dead Weight Pressure Gauge Diagram.
From blog.dandkmotorsports.com
Pressure Gauge Calibration Procedure Using Dead Weight Tester Blog Dandk Dead Weight Pressure Gauge Diagram A dead weight tester is a device which balances fluid pressure against a known weight and this device is used for calibration of bourdon pressure gauges. There are three main components of this device: Dead weight tester (dwt) is a pressure measurement instrument that calibrates pressure based on the weight of force divided by the area the force is applied.. Dead Weight Pressure Gauge Diagram.
From instrumentationtools.com
The Principle of Dead Weight Pressure Tester Inst Tools Dead Weight Pressure Gauge Diagram A dead weight tester is a device which balances fluid pressure against a known weight and this device is used for calibration of bourdon pressure gauges. It consists of a piston. Dead weight testers are widely used as a calibrating instrument for calibrating pressure sensing instruments like pressure gauges and sometimes pressure transmitters too. In this post, we learn the. Dead Weight Pressure Gauge Diagram.
From blog.dandkmotorsports.com
Pressure Gauge Calibration Procedure Using Dead Weight Tester Blog Dandk Dead Weight Pressure Gauge Diagram There are three main components of this device: Deadweight testers are the basic primary standard for the accurate measurement of pressure. Dead weight testers are widely used as a calibrating instrument for calibrating pressure sensing instruments like pressure gauges and sometimes pressure transmitters too. Dead weight tester (dwt) is a pressure measurement instrument that calibrates pressure based on the weight. Dead Weight Pressure Gauge Diagram.
From worldofinstrumentation.com
Dead Weight Tester How to calibrate Pressure Gauge WOIN Dead Weight Pressure Gauge Diagram In this post, we learn the principle of the dead weight pressure tester and the types of pressure gauge calibration methods. A dead weight tester is a device which balances fluid pressure against a known weight and this device is used for calibration of bourdon pressure gauges. Dead weight tester (dwt) is a pressure measurement instrument that calibrates pressure based. Dead Weight Pressure Gauge Diagram.
From instrumentationandcontrollers.blogspot.com
Dead Weight Tester Instrumentation and Control Engineering Dead Weight Pressure Gauge Diagram Dead weight testers are widely used as a calibrating instrument for calibrating pressure sensing instruments like pressure gauges and sometimes pressure transmitters too. It consists of a piston. Dead weight tester (dwt) is a pressure measurement instrument that calibrates pressure based on the weight of force divided by the area the force is applied. Deadweight testers are the basic primary. Dead Weight Pressure Gauge Diagram.
From blog.dandkmotorsports.com
Pressure Gauge Calibration Procedure Using Dead Weight Tester Blog Dandk Dead Weight Pressure Gauge Diagram Dead weight tester (dwt) is a pressure measurement instrument that calibrates pressure based on the weight of force divided by the area the force is applied. Deadweight testers (dwt) are the primary standard for pressure measurement. A fluid (oil) that transmits the pressure, a weight and piston. It consists of a piston. Deadweight testers are the basic primary standard for. Dead Weight Pressure Gauge Diagram.
From benvalle.com
Deadweight Testers Dead Weight Pressure Gauge Diagram It consists of a piston. There are three main components of this device: Dead weight testers are widely used as a calibrating instrument for calibrating pressure sensing instruments like pressure gauges and sometimes pressure transmitters too. In this article, i will show you step by step process of pressure gauge calibration using a dead weight tester. Deadweight testers (dwt) are. Dead Weight Pressure Gauge Diagram.