Kia Sorento Heater Core Replacement . ensure that all your excursions are comfortable, regardless of the season, by replacing your kia sorento heater core at autozone. Once filled, lower the vehicle. This component is part of. i have a 99' sportage and have replaced heater core, radiator, timing belt, 4wheel drive bearings including half shaft bearings, warn auto locking hub kit. Remove the heater and blower assembly. evaporator core replacement 1. Remove the heater and blower assembly. Once the heater core, clamps, hoses and tube are secure, you’re ready to add new coolant to the radiator. install the new core, reinstall or replace the mounting clamps and then the hoses as well as the heater drain tube. heater core replacement 1. kia sorento heater core replacement costs autonation mobile service offers upfront and competitive pricing. a kia sorento heater core replacement costs between $964 and $1,260 on average. Get a free detailed estimate for a repair in.
from techschematic.com
Get a free detailed estimate for a repair in. install the new core, reinstall or replace the mounting clamps and then the hoses as well as the heater drain tube. ensure that all your excursions are comfortable, regardless of the season, by replacing your kia sorento heater core at autozone. evaporator core replacement 1. a kia sorento heater core replacement costs between $964 and $1,260 on average. heater core replacement 1. Once filled, lower the vehicle. Remove the heater and blower assembly. Remove the heater and blower assembly. i have a 99' sportage and have replaced heater core, radiator, timing belt, 4wheel drive bearings including half shaft bearings, warn auto locking hub kit.
Understanding the 2004 Kia Sorento Heater Hose Diagram for Optimal
Kia Sorento Heater Core Replacement Get a free detailed estimate for a repair in. ensure that all your excursions are comfortable, regardless of the season, by replacing your kia sorento heater core at autozone. Remove the heater and blower assembly. evaporator core replacement 1. This component is part of. heater core replacement 1. i have a 99' sportage and have replaced heater core, radiator, timing belt, 4wheel drive bearings including half shaft bearings, warn auto locking hub kit. Once the heater core, clamps, hoses and tube are secure, you’re ready to add new coolant to the radiator. Get a free detailed estimate for a repair in. Remove the heater and blower assembly. Once filled, lower the vehicle. install the new core, reinstall or replace the mounting clamps and then the hoses as well as the heater drain tube. kia sorento heater core replacement costs autonation mobile service offers upfront and competitive pricing. a kia sorento heater core replacement costs between $964 and $1,260 on average.
From www.alibaba.com
Auto Heater Core / Heater Exchange For Kia Sorento 2.5crdi Brazing Type Kia Sorento Heater Core Replacement Remove the heater and blower assembly. ensure that all your excursions are comfortable, regardless of the season, by replacing your kia sorento heater core at autozone. Once the heater core, clamps, hoses and tube are secure, you’re ready to add new coolant to the radiator. This component is part of. install the new core, reinstall or replace the. Kia Sorento Heater Core Replacement.
From www.kia.parts
971381U000 Heater Core 20112013 Kia Sorento Kia.Parts Store Kia Sorento Heater Core Replacement kia sorento heater core replacement costs autonation mobile service offers upfront and competitive pricing. Get a free detailed estimate for a repair in. evaporator core replacement 1. install the new core, reinstall or replace the mounting clamps and then the hoses as well as the heater drain tube. Once the heater core, clamps, hoses and tube are. Kia Sorento Heater Core Replacement.
From themotorguy.com
How to Repair a Leaking Heater Core in 20142020 Kia Sorento The Kia Sorento Heater Core Replacement Once the heater core, clamps, hoses and tube are secure, you’re ready to add new coolant to the radiator. install the new core, reinstall or replace the mounting clamps and then the hoses as well as the heater drain tube. ensure that all your excursions are comfortable, regardless of the season, by replacing your kia sorento heater core. Kia Sorento Heater Core Replacement.
From aus.grandado.com
Heater Core Coolant Water Outlet Hose for KIA Sore... Grandado Kia Sorento Heater Core Replacement evaporator core replacement 1. Once filled, lower the vehicle. i have a 99' sportage and have replaced heater core, radiator, timing belt, 4wheel drive bearings including half shaft bearings, warn auto locking hub kit. This component is part of. Get a free detailed estimate for a repair in. ensure that all your excursions are comfortable, regardless of. Kia Sorento Heater Core Replacement.
From www.carid.com
Spectra Premium® 99371 Kia Sorento 2003 HVAC Heater Core Kia Sorento Heater Core Replacement a kia sorento heater core replacement costs between $964 and $1,260 on average. Remove the heater and blower assembly. Once the heater core, clamps, hoses and tube are secure, you’re ready to add new coolant to the radiator. heater core replacement 1. Get a free detailed estimate for a repair in. install the new core, reinstall or. Kia Sorento Heater Core Replacement.
From www.alibaba.com
Auto Heater Core / Heater Exchange For Kia Sorento 2.5crdi Brazing Type Kia Sorento Heater Core Replacement Remove the heater and blower assembly. Once the heater core, clamps, hoses and tube are secure, you’re ready to add new coolant to the radiator. This component is part of. kia sorento heater core replacement costs autonation mobile service offers upfront and competitive pricing. Get a free detailed estimate for a repair in. i have a 99' sportage. Kia Sorento Heater Core Replacement.
From www.klcparts.com.my
HEATER CORE KIA Malaysia, Kedah, Sungai Petani Auto Parts Store, Car Kia Sorento Heater Core Replacement This component is part of. evaporator core replacement 1. install the new core, reinstall or replace the mounting clamps and then the hoses as well as the heater drain tube. i have a 99' sportage and have replaced heater core, radiator, timing belt, 4wheel drive bearings including half shaft bearings, warn auto locking hub kit. Remove the. Kia Sorento Heater Core Replacement.
From techschematic.com
Understanding the 2004 Kia Sorento Heater Hose Diagram for Optimal Kia Sorento Heater Core Replacement Once the heater core, clamps, hoses and tube are secure, you’re ready to add new coolant to the radiator. Remove the heater and blower assembly. install the new core, reinstall or replace the mounting clamps and then the hoses as well as the heater drain tube. heater core replacement 1. i have a 99' sportage and have. Kia Sorento Heater Core Replacement.
From www.alibaba.com
Auto Heater Core / Heater Exchange For Kia Sorento 2.5crdi Brazing Type Kia Sorento Heater Core Replacement Remove the heater and blower assembly. i have a 99' sportage and have replaced heater core, radiator, timing belt, 4wheel drive bearings including half shaft bearings, warn auto locking hub kit. heater core replacement 1. Once the heater core, clamps, hoses and tube are secure, you’re ready to add new coolant to the radiator. kia sorento heater. Kia Sorento Heater Core Replacement.
From www.kiapartsnow.com
2006 Kia Sorento New Body Style (Produced Before SEP.2006) Heater Kia Sorento Heater Core Replacement i have a 99' sportage and have replaced heater core, radiator, timing belt, 4wheel drive bearings including half shaft bearings, warn auto locking hub kit. Remove the heater and blower assembly. install the new core, reinstall or replace the mounting clamps and then the hoses as well as the heater drain tube. ensure that all your excursions. Kia Sorento Heater Core Replacement.
From www.justanswer.com
2006 Kia Sorento has no heat. Replaced thermostat, back flushed heater Kia Sorento Heater Core Replacement Get a free detailed estimate for a repair in. Remove the heater and blower assembly. install the new core, reinstall or replace the mounting clamps and then the hoses as well as the heater drain tube. evaporator core replacement 1. This component is part of. Once the heater core, clamps, hoses and tube are secure, you’re ready to. Kia Sorento Heater Core Replacement.
From www.walmart.com
REACH 1813230 Heater core for a 20162020 kia Sorento Heater core Kia Sorento Heater Core Replacement ensure that all your excursions are comfortable, regardless of the season, by replacing your kia sorento heater core at autozone. evaporator core replacement 1. a kia sorento heater core replacement costs between $964 and $1,260 on average. kia sorento heater core replacement costs autonation mobile service offers upfront and competitive pricing. Remove the heater and blower. Kia Sorento Heater Core Replacement.
From aus.grandado.com
Heater Core Coolant Water Outlet Hose for KIA Sore... Grandado Kia Sorento Heater Core Replacement evaporator core replacement 1. kia sorento heater core replacement costs autonation mobile service offers upfront and competitive pricing. install the new core, reinstall or replace the mounting clamps and then the hoses as well as the heater drain tube. i have a 99' sportage and have replaced heater core, radiator, timing belt, 4wheel drive bearings including. Kia Sorento Heater Core Replacement.
From www.ebay.com
HVAC Heater CoreHeater Core Aluminum UAC HT 2159C fits 0306 Kia Kia Sorento Heater Core Replacement heater core replacement 1. Remove the heater and blower assembly. Once the heater core, clamps, hoses and tube are secure, you’re ready to add new coolant to the radiator. Get a free detailed estimate for a repair in. evaporator core replacement 1. This component is part of. kia sorento heater core replacement costs autonation mobile service offers. Kia Sorento Heater Core Replacement.
From italian.alibaba.com
Genuine Oem Auto Air Conditioners Heater Core For Hyundai Kia Sorento Kia Sorento Heater Core Replacement Once the heater core, clamps, hoses and tube are secure, you’re ready to add new coolant to the radiator. heater core replacement 1. install the new core, reinstall or replace the mounting clamps and then the hoses as well as the heater drain tube. This component is part of. Remove the heater and blower assembly. a kia. Kia Sorento Heater Core Replacement.
From italian.alibaba.com
Genuine Oem Auto Air Conditioners Heater Core For Hyundai Kia Sorento Kia Sorento Heater Core Replacement This component is part of. Get a free detailed estimate for a repair in. kia sorento heater core replacement costs autonation mobile service offers upfront and competitive pricing. i have a 99' sportage and have replaced heater core, radiator, timing belt, 4wheel drive bearings including half shaft bearings, warn auto locking hub kit. Remove the heater and blower. Kia Sorento Heater Core Replacement.
From www.youtube.com
06 Kia Sorento heater hose replacement tips YouTube Kia Sorento Heater Core Replacement i have a 99' sportage and have replaced heater core, radiator, timing belt, 4wheel drive bearings including half shaft bearings, warn auto locking hub kit. evaporator core replacement 1. a kia sorento heater core replacement costs between $964 and $1,260 on average. kia sorento heater core replacement costs autonation mobile service offers upfront and competitive pricing.. Kia Sorento Heater Core Replacement.
From www.aliexpress.com
Heater Core Coolant Water Outlet Hose for KIA Sorento 3.5L 2003 2006 Kia Sorento Heater Core Replacement i have a 99' sportage and have replaced heater core, radiator, timing belt, 4wheel drive bearings including half shaft bearings, warn auto locking hub kit. Get a free detailed estimate for a repair in. kia sorento heater core replacement costs autonation mobile service offers upfront and competitive pricing. evaporator core replacement 1. a kia sorento heater. Kia Sorento Heater Core Replacement.
From www.youtube.com
Kia Sorento AC and Heater switches, control module locations and Kia Sorento Heater Core Replacement i have a 99' sportage and have replaced heater core, radiator, timing belt, 4wheel drive bearings including half shaft bearings, warn auto locking hub kit. Remove the heater and blower assembly. install the new core, reinstall or replace the mounting clamps and then the hoses as well as the heater drain tube. ensure that all your excursions. Kia Sorento Heater Core Replacement.
From www.kia-forums.com
Heater Core Removal/Replacement Workaround Page 2 Kia Forum Kia Sorento Heater Core Replacement Once the heater core, clamps, hoses and tube are secure, you’re ready to add new coolant to the radiator. ensure that all your excursions are comfortable, regardless of the season, by replacing your kia sorento heater core at autozone. a kia sorento heater core replacement costs between $964 and $1,260 on average. i have a 99' sportage. Kia Sorento Heater Core Replacement.
From kia.oempartsonline.com
20112013 Kia Sorento Heater Core 971381U000 OEM Parts Online Kia Sorento Heater Core Replacement kia sorento heater core replacement costs autonation mobile service offers upfront and competitive pricing. heater core replacement 1. install the new core, reinstall or replace the mounting clamps and then the hoses as well as the heater drain tube. evaporator core replacement 1. Remove the heater and blower assembly. Once filled, lower the vehicle. a. Kia Sorento Heater Core Replacement.
From www.ecrater.com
2011 2012 2013 Kia Sorento LX AC Heater Climate Control Temperature OEM Kia Sorento Heater Core Replacement Once filled, lower the vehicle. heater core replacement 1. Get a free detailed estimate for a repair in. kia sorento heater core replacement costs autonation mobile service offers upfront and competitive pricing. a kia sorento heater core replacement costs between $964 and $1,260 on average. i have a 99' sportage and have replaced heater core, radiator,. Kia Sorento Heater Core Replacement.
From www.kia.parts
972273E200 Heater Core 20032006 Kia Sorento Kia.Parts Store Kia Sorento Heater Core Replacement Get a free detailed estimate for a repair in. kia sorento heater core replacement costs autonation mobile service offers upfront and competitive pricing. install the new core, reinstall or replace the mounting clamps and then the hoses as well as the heater drain tube. a kia sorento heater core replacement costs between $964 and $1,260 on average.. Kia Sorento Heater Core Replacement.
From italian.alibaba.com
Genuine Oem Auto Air Conditioners Heater Core For Hyundai Kia Sorento Kia Sorento Heater Core Replacement ensure that all your excursions are comfortable, regardless of the season, by replacing your kia sorento heater core at autozone. kia sorento heater core replacement costs autonation mobile service offers upfront and competitive pricing. evaporator core replacement 1. Get a free detailed estimate for a repair in. i have a 99' sportage and have replaced heater. Kia Sorento Heater Core Replacement.
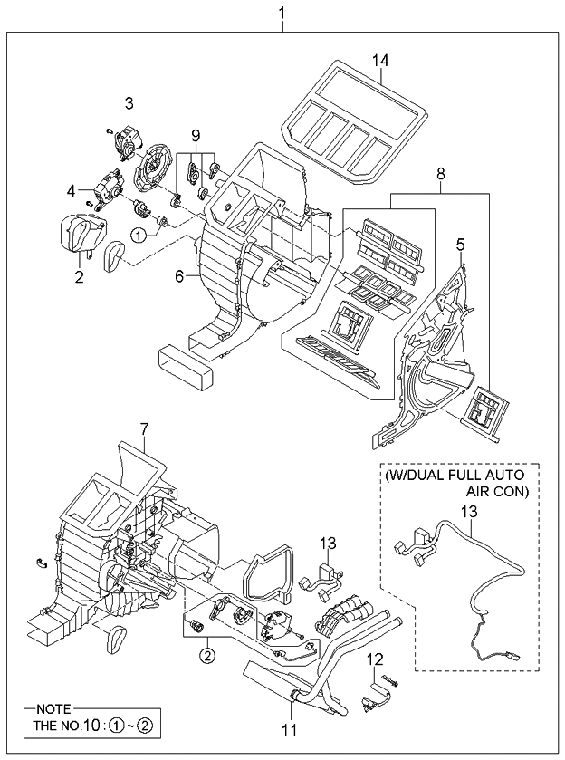
From www.ksmanual.com
Kia Sorento Heater Unit Components Heater Heating,Ventilation And Kia Sorento Heater Core Replacement Remove the heater and blower assembly. i have a 99' sportage and have replaced heater core, radiator, timing belt, 4wheel drive bearings including half shaft bearings, warn auto locking hub kit. kia sorento heater core replacement costs autonation mobile service offers upfront and competitive pricing. Get a free detailed estimate for a repair in. Once filled, lower the. Kia Sorento Heater Core Replacement.
From www.ebay.com
New Radiator Support Core for Kia Sorento 20162018 KI1225173 Kia Sorento Heater Core Replacement Once the heater core, clamps, hoses and tube are secure, you’re ready to add new coolant to the radiator. install the new core, reinstall or replace the mounting clamps and then the hoses as well as the heater drain tube. evaporator core replacement 1. Get a free detailed estimate for a repair in. a kia sorento heater. Kia Sorento Heater Core Replacement.
From www.kia.parts
972273E200 Heater Core 20032006 Kia Sorento Kia.Parts Store Kia Sorento Heater Core Replacement install the new core, reinstall or replace the mounting clamps and then the hoses as well as the heater drain tube. Get a free detailed estimate for a repair in. Once the heater core, clamps, hoses and tube are secure, you’re ready to add new coolant to the radiator. kia sorento heater core replacement costs autonation mobile service. Kia Sorento Heater Core Replacement.
From www.ksmanual.com
Kia Sorento Heater Unit Components Heater Heating,Ventilation And Kia Sorento Heater Core Replacement a kia sorento heater core replacement costs between $964 and $1,260 on average. Once filled, lower the vehicle. Remove the heater and blower assembly. This component is part of. install the new core, reinstall or replace the mounting clamps and then the hoses as well as the heater drain tube. i have a 99' sportage and have. Kia Sorento Heater Core Replacement.
From www.tascaparts.com
20152020 Kia Sorento Heater Core 97138C6000 Kia Sorento Heater Core Replacement evaporator core replacement 1. install the new core, reinstall or replace the mounting clamps and then the hoses as well as the heater drain tube. This component is part of. i have a 99' sportage and have replaced heater core, radiator, timing belt, 4wheel drive bearings including half shaft bearings, warn auto locking hub kit. a. Kia Sorento Heater Core Replacement.
From www.kia.parts
97138C6000 Heater Core 20152020 Kia Sorento Kia.Parts Store Kia Sorento Heater Core Replacement evaporator core replacement 1. Once the heater core, clamps, hoses and tube are secure, you’re ready to add new coolant to the radiator. Get a free detailed estimate for a repair in. Once filled, lower the vehicle. Remove the heater and blower assembly. install the new core, reinstall or replace the mounting clamps and then the hoses as. Kia Sorento Heater Core Replacement.
From www.kiapartsnow.com
972273E260 Genuine Kia CORE ASSEMBLYHEATER Kia Sorento Heater Core Replacement evaporator core replacement 1. This component is part of. Once the heater core, clamps, hoses and tube are secure, you’re ready to add new coolant to the radiator. i have a 99' sportage and have replaced heater core, radiator, timing belt, 4wheel drive bearings including half shaft bearings, warn auto locking hub kit. a kia sorento heater. Kia Sorento Heater Core Replacement.
From www.kia-forums.com
Heater Core Removal/Replacement Workaround Page 2 Kia Forum Kia Sorento Heater Core Replacement Once the heater core, clamps, hoses and tube are secure, you’re ready to add new coolant to the radiator. i have a 99' sportage and have replaced heater core, radiator, timing belt, 4wheel drive bearings including half shaft bearings, warn auto locking hub kit. This component is part of. heater core replacement 1. ensure that all your. Kia Sorento Heater Core Replacement.
From www.alibaba.com
Auto Heater Core / Heater Exchange For Kia Sorento 2.5crdi Brazing Type Kia Sorento Heater Core Replacement ensure that all your excursions are comfortable, regardless of the season, by replacing your kia sorento heater core at autozone. Remove the heater and blower assembly. Once the heater core, clamps, hoses and tube are secure, you’re ready to add new coolant to the radiator. Get a free detailed estimate for a repair in. This component is part of.. Kia Sorento Heater Core Replacement.
From www.walmart.com
REACH 1813230 Heater core for a 20162020 kia Sorento Heater core Kia Sorento Heater Core Replacement Remove the heater and blower assembly. kia sorento heater core replacement costs autonation mobile service offers upfront and competitive pricing. a kia sorento heater core replacement costs between $964 and $1,260 on average. Once filled, lower the vehicle. ensure that all your excursions are comfortable, regardless of the season, by replacing your kia sorento heater core at. Kia Sorento Heater Core Replacement.
From www.ebay.com
A/C Heater Core fits Kia Sorento 20032006 OE 972273E200 UQ eBay Kia Sorento Heater Core Replacement a kia sorento heater core replacement costs between $964 and $1,260 on average. Once filled, lower the vehicle. install the new core, reinstall or replace the mounting clamps and then the hoses as well as the heater drain tube. i have a 99' sportage and have replaced heater core, radiator, timing belt, 4wheel drive bearings including half. Kia Sorento Heater Core Replacement.