Dimensional Results Ppap . In this section of the ppap the supplier can record any measurements taken from the finished part. It lists the organization, part number, name, design changes,. The dimensional test results document summarizes testing of a production part to verify its dimensions meet specifications. The ppap (production part approval process) dimensional test results report provides a record of the dimensional data taken from product manufactured during the production run. 5.13.7 dimensions, material / performance tests or specifications shall be sequentially numbered/ballooned for reference purposes. What is production part approval process (ppap)? Defined by the aiag (automotive industry action group) aiag.org along with apqp. Ppap team assigns the ppap submission level during the ppap request. Generally ppap levels differ only on the document.
from www.qualitybook.org
Generally ppap levels differ only on the document. It lists the organization, part number, name, design changes,. Ppap team assigns the ppap submission level during the ppap request. Defined by the aiag (automotive industry action group) aiag.org along with apqp. In this section of the ppap the supplier can record any measurements taken from the finished part. 5.13.7 dimensions, material / performance tests or specifications shall be sequentially numbered/ballooned for reference purposes. The ppap (production part approval process) dimensional test results report provides a record of the dimensional data taken from product manufactured during the production run. What is production part approval process (ppap)? The dimensional test results document summarizes testing of a production part to verify its dimensions meet specifications.
PPAP 18 Documents Elements List
Dimensional Results Ppap Generally ppap levels differ only on the document. Defined by the aiag (automotive industry action group) aiag.org along with apqp. 5.13.7 dimensions, material / performance tests or specifications shall be sequentially numbered/ballooned for reference purposes. The dimensional test results document summarizes testing of a production part to verify its dimensions meet specifications. The ppap (production part approval process) dimensional test results report provides a record of the dimensional data taken from product manufactured during the production run. What is production part approval process (ppap)? Generally ppap levels differ only on the document. Ppap team assigns the ppap submission level during the ppap request. In this section of the ppap the supplier can record any measurements taken from the finished part. It lists the organization, part number, name, design changes,.
From www.youtube.com
How to Create a PPAP Dimensional Results Report with InspectionXpert Dimensional Results Ppap In this section of the ppap the supplier can record any measurements taken from the finished part. It lists the organization, part number, name, design changes,. Defined by the aiag (automotive industry action group) aiag.org along with apqp. The ppap (production part approval process) dimensional test results report provides a record of the dimensional data taken from product manufactured during. Dimensional Results Ppap.
From www.etsy.com
Dimensional Inspection Report Measurement Report Etsy Hong Kong Dimensional Results Ppap The dimensional test results document summarizes testing of a production part to verify its dimensions meet specifications. Generally ppap levels differ only on the document. In this section of the ppap the supplier can record any measurements taken from the finished part. Ppap team assigns the ppap submission level during the ppap request. Defined by the aiag (automotive industry action. Dimensional Results Ppap.
From keytodata.com
What is PPAP? Explanation of the 5 Levels & 18 Requirements Free Template Dimensional Results Ppap What is production part approval process (ppap)? Ppap team assigns the ppap submission level during the ppap request. The ppap (production part approval process) dimensional test results report provides a record of the dimensional data taken from product manufactured during the production run. In this section of the ppap the supplier can record any measurements taken from the finished part.. Dimensional Results Ppap.
From slideplayer.com
Advanced Product Quality Planning (APQP) and Production Part Approval Dimensional Results Ppap In this section of the ppap the supplier can record any measurements taken from the finished part. What is production part approval process (ppap)? Generally ppap levels differ only on the document. Defined by the aiag (automotive industry action group) aiag.org along with apqp. The dimensional test results document summarizes testing of a production part to verify its dimensions meet. Dimensional Results Ppap.
From data1.skinnyms.com
Ppap Level 3 Template Dimensional Results Ppap 5.13.7 dimensions, material / performance tests or specifications shall be sequentially numbered/ballooned for reference purposes. In this section of the ppap the supplier can record any measurements taken from the finished part. Defined by the aiag (automotive industry action group) aiag.org along with apqp. The dimensional test results document summarizes testing of a production part to verify its dimensions meet. Dimensional Results Ppap.
From www.slideshare.net
PPAP Dimensional Results Ppap 5.13.7 dimensions, material / performance tests or specifications shall be sequentially numbered/ballooned for reference purposes. Defined by the aiag (automotive industry action group) aiag.org along with apqp. What is production part approval process (ppap)? Generally ppap levels differ only on the document. It lists the organization, part number, name, design changes,. In this section of the ppap the supplier can. Dimensional Results Ppap.
From www.researchgate.net
Summary of dimensional stability results (ASTM D 1204). Download Table Dimensional Results Ppap Generally ppap levels differ only on the document. The dimensional test results document summarizes testing of a production part to verify its dimensions meet specifications. It lists the organization, part number, name, design changes,. What is production part approval process (ppap)? The ppap (production part approval process) dimensional test results report provides a record of the dimensional data taken from. Dimensional Results Ppap.
From spcgroup.com.mx
Resultados Dimensionales SPC Consulting Group Dimensional Results Ppap It lists the organization, part number, name, design changes,. Generally ppap levels differ only on the document. What is production part approval process (ppap)? In this section of the ppap the supplier can record any measurements taken from the finished part. 5.13.7 dimensions, material / performance tests or specifications shall be sequentially numbered/ballooned for reference purposes. The dimensional test results. Dimensional Results Ppap.
From www.slideserve.com
PPT Global Supplier Quality Manual PPAP Requirements PowerPoint Dimensional Results Ppap 5.13.7 dimensions, material / performance tests or specifications shall be sequentially numbered/ballooned for reference purposes. Generally ppap levels differ only on the document. Ppap team assigns the ppap submission level during the ppap request. The ppap (production part approval process) dimensional test results report provides a record of the dimensional data taken from product manufactured during the production run. Defined. Dimensional Results Ppap.
From www.researchgate.net
Today´s documentbased Production Part Approval Process (PPAP) where Dimensional Results Ppap Generally ppap levels differ only on the document. In this section of the ppap the supplier can record any measurements taken from the finished part. 5.13.7 dimensions, material / performance tests or specifications shall be sequentially numbered/ballooned for reference purposes. Defined by the aiag (automotive industry action group) aiag.org along with apqp. What is production part approval process (ppap)? Ppap. Dimensional Results Ppap.
From www.scribd.com
PPAP Dimensional ResultsSample PDF Dimensional Results Ppap In this section of the ppap the supplier can record any measurements taken from the finished part. The ppap (production part approval process) dimensional test results report provides a record of the dimensional data taken from product manufactured during the production run. Defined by the aiag (automotive industry action group) aiag.org along with apqp. The dimensional test results document summarizes. Dimensional Results Ppap.
From tutore.org
Ppap Excel Template Master of Documents Dimensional Results Ppap Ppap team assigns the ppap submission level during the ppap request. The dimensional test results document summarizes testing of a production part to verify its dimensions meet specifications. It lists the organization, part number, name, design changes,. Generally ppap levels differ only on the document. 5.13.7 dimensions, material / performance tests or specifications shall be sequentially numbered/ballooned for reference purposes.. Dimensional Results Ppap.
From excelkayra.us
Ppap Excel Template Kayra Excel Dimensional Results Ppap The ppap (production part approval process) dimensional test results report provides a record of the dimensional data taken from product manufactured during the production run. Defined by the aiag (automotive industry action group) aiag.org along with apqp. In this section of the ppap the supplier can record any measurements taken from the finished part. What is production part approval process. Dimensional Results Ppap.
From slidetodoc.com
PRODUCTION PART APPROVAL PROCESS Based on PPAP Manual Dimensional Results Ppap What is production part approval process (ppap)? Ppap team assigns the ppap submission level during the ppap request. It lists the organization, part number, name, design changes,. Defined by the aiag (automotive industry action group) aiag.org along with apqp. Generally ppap levels differ only on the document. In this section of the ppap the supplier can record any measurements taken. Dimensional Results Ppap.
From www.vrogue.co
Dimensional Inspection Report vrogue.co Dimensional Results Ppap The ppap (production part approval process) dimensional test results report provides a record of the dimensional data taken from product manufactured during the production run. Ppap team assigns the ppap submission level during the ppap request. 5.13.7 dimensions, material / performance tests or specifications shall be sequentially numbered/ballooned for reference purposes. Generally ppap levels differ only on the document. Defined. Dimensional Results Ppap.
From www.scribd.com
PPAP Dimensional Test Results PDF Specification (Technical Standard Dimensional Results Ppap The ppap (production part approval process) dimensional test results report provides a record of the dimensional data taken from product manufactured during the production run. Generally ppap levels differ only on the document. Defined by the aiag (automotive industry action group) aiag.org along with apqp. It lists the organization, part number, name, design changes,. The dimensional test results document summarizes. Dimensional Results Ppap.
From slideplayer.com
Advanced Product Quality Planning (APQP) and Production Part Approval Dimensional Results Ppap Ppap team assigns the ppap submission level during the ppap request. Generally ppap levels differ only on the document. Defined by the aiag (automotive industry action group) aiag.org along with apqp. 5.13.7 dimensions, material / performance tests or specifications shall be sequentially numbered/ballooned for reference purposes. It lists the organization, part number, name, design changes,. In this section of the. Dimensional Results Ppap.
From spcgroup.com.mx
PPAP Production Part Approval Process SPC Consulting Group Dimensional Results Ppap Defined by the aiag (automotive industry action group) aiag.org along with apqp. Generally ppap levels differ only on the document. What is production part approval process (ppap)? The ppap (production part approval process) dimensional test results report provides a record of the dimensional data taken from product manufactured during the production run. It lists the organization, part number, name, design. Dimensional Results Ppap.
From slideplayer.com
PPAP Requirements Training ppt video online download Dimensional Results Ppap What is production part approval process (ppap)? Defined by the aiag (automotive industry action group) aiag.org along with apqp. Generally ppap levels differ only on the document. In this section of the ppap the supplier can record any measurements taken from the finished part. It lists the organization, part number, name, design changes,. Ppap team assigns the ppap submission level. Dimensional Results Ppap.
From www.slideserve.com
PPT Production Part Approval Process (PPAP) PowerPoint Presentation Dimensional Results Ppap The ppap (production part approval process) dimensional test results report provides a record of the dimensional data taken from product manufactured during the production run. Defined by the aiag (automotive industry action group) aiag.org along with apqp. Generally ppap levels differ only on the document. In this section of the ppap the supplier can record any measurements taken from the. Dimensional Results Ppap.
From www.qualitybook.org
PPAP 18 Documents Elements List Dimensional Results Ppap In this section of the ppap the supplier can record any measurements taken from the finished part. Generally ppap levels differ only on the document. What is production part approval process (ppap)? 5.13.7 dimensions, material / performance tests or specifications shall be sequentially numbered/ballooned for reference purposes. Defined by the aiag (automotive industry action group) aiag.org along with apqp. It. Dimensional Results Ppap.
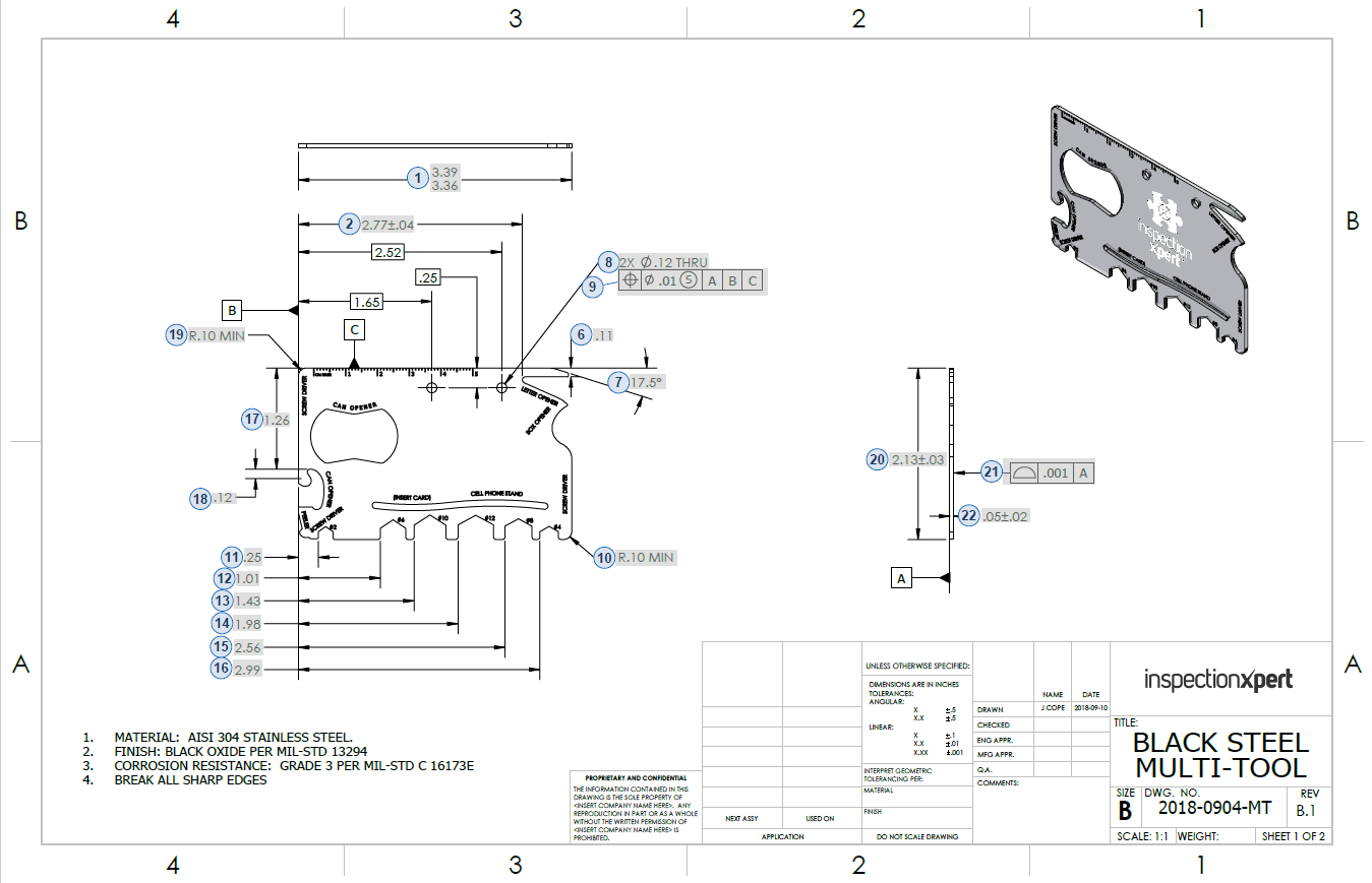
From www.inspectionxpert.com
How to Create a PPAP Dimensional Results Report Dimensional Results Ppap Generally ppap levels differ only on the document. The dimensional test results document summarizes testing of a production part to verify its dimensions meet specifications. The ppap (production part approval process) dimensional test results report provides a record of the dimensional data taken from product manufactured during the production run. It lists the organization, part number, name, design changes,. What. Dimensional Results Ppap.
From www.youtube.com
PPAP Part 10 What is dimensional result inspection report Dimensional Results Ppap Generally ppap levels differ only on the document. The dimensional test results document summarizes testing of a production part to verify its dimensions meet specifications. It lists the organization, part number, name, design changes,. The ppap (production part approval process) dimensional test results report provides a record of the dimensional data taken from product manufactured during the production run. What. Dimensional Results Ppap.
From slideplayer.com
PPAP Requirements Training ppt video online download Dimensional Results Ppap Ppap team assigns the ppap submission level during the ppap request. The ppap (production part approval process) dimensional test results report provides a record of the dimensional data taken from product manufactured during the production run. The dimensional test results document summarizes testing of a production part to verify its dimensions meet specifications. What is production part approval process (ppap)?. Dimensional Results Ppap.
From www.inspectionxpert.com
How to Create a PPAP Dimensional Results Report Dimensional Results Ppap In this section of the ppap the supplier can record any measurements taken from the finished part. Defined by the aiag (automotive industry action group) aiag.org along with apqp. Generally ppap levels differ only on the document. What is production part approval process (ppap)? Ppap team assigns the ppap submission level during the ppap request. The ppap (production part approval. Dimensional Results Ppap.
From keytodata.com
What is PPAP? Explanation of the 5 Levels & 18 Requirements Free Template Dimensional Results Ppap The ppap (production part approval process) dimensional test results report provides a record of the dimensional data taken from product manufactured during the production run. Generally ppap levels differ only on the document. 5.13.7 dimensions, material / performance tests or specifications shall be sequentially numbered/ballooned for reference purposes. The dimensional test results document summarizes testing of a production part to. Dimensional Results Ppap.
From www.slideserve.com
PPT PPAP Requirements Training PowerPoint Presentation, free download Dimensional Results Ppap The dimensional test results document summarizes testing of a production part to verify its dimensions meet specifications. The ppap (production part approval process) dimensional test results report provides a record of the dimensional data taken from product manufactured during the production run. Defined by the aiag (automotive industry action group) aiag.org along with apqp. In this section of the ppap. Dimensional Results Ppap.
From info.originintl.com
PPAP Dimensional Results Ppap What is production part approval process (ppap)? In this section of the ppap the supplier can record any measurements taken from the finished part. The ppap (production part approval process) dimensional test results report provides a record of the dimensional data taken from product manufactured during the production run. Defined by the aiag (automotive industry action group) aiag.org along with. Dimensional Results Ppap.
From www.everythingevilink.com
30 Dimensional Inspection Report Template Dimensional Results Ppap What is production part approval process (ppap)? In this section of the ppap the supplier can record any measurements taken from the finished part. Generally ppap levels differ only on the document. The dimensional test results document summarizes testing of a production part to verify its dimensions meet specifications. Defined by the aiag (automotive industry action group) aiag.org along with. Dimensional Results Ppap.
From es.slideshare.net
PPAP SECCION II Dimensional Results Ppap The dimensional test results document summarizes testing of a production part to verify its dimensions meet specifications. What is production part approval process (ppap)? In this section of the ppap the supplier can record any measurements taken from the finished part. Generally ppap levels differ only on the document. Ppap team assigns the ppap submission level during the ppap request.. Dimensional Results Ppap.
From www.capvidia.com
PPAP Explained 2021 Guide Dimensional Results Ppap It lists the organization, part number, name, design changes,. Ppap team assigns the ppap submission level during the ppap request. Defined by the aiag (automotive industry action group) aiag.org along with apqp. The dimensional test results document summarizes testing of a production part to verify its dimensions meet specifications. Generally ppap levels differ only on the document. In this section. Dimensional Results Ppap.
From www.inspectionxpert.com
How to Create a PPAP Dimensional Results Report Dimensional Results Ppap What is production part approval process (ppap)? Ppap team assigns the ppap submission level during the ppap request. The ppap (production part approval process) dimensional test results report provides a record of the dimensional data taken from product manufactured during the production run. Generally ppap levels differ only on the document. Defined by the aiag (automotive industry action group) aiag.org. Dimensional Results Ppap.
From www.capvidia.com
MBD Production Part Approval Process Auto PPAP Process for Ballooning Dimensional Results Ppap The ppap (production part approval process) dimensional test results report provides a record of the dimensional data taken from product manufactured during the production run. Ppap team assigns the ppap submission level during the ppap request. What is production part approval process (ppap)? The dimensional test results document summarizes testing of a production part to verify its dimensions meet specifications.. Dimensional Results Ppap.
From slideplayer.com
Advanced Product Quality Planning (APQP) and Production Part Approval Dimensional Results Ppap What is production part approval process (ppap)? Generally ppap levels differ only on the document. Ppap team assigns the ppap submission level during the ppap request. 5.13.7 dimensions, material / performance tests or specifications shall be sequentially numbered/ballooned for reference purposes. Defined by the aiag (automotive industry action group) aiag.org along with apqp. The dimensional test results document summarizes testing. Dimensional Results Ppap.
From www.researchgate.net
Threedimensional measurement results by scanning laterally over the Dimensional Results Ppap 5.13.7 dimensions, material / performance tests or specifications shall be sequentially numbered/ballooned for reference purposes. Generally ppap levels differ only on the document. Ppap team assigns the ppap submission level during the ppap request. What is production part approval process (ppap)? The ppap (production part approval process) dimensional test results report provides a record of the dimensional data taken from. Dimensional Results Ppap.