From www.analog.com
Isolated RS485 Transceiver Breaks Ground Loops Analog Devices Analog Devices Isolated Can Transceiver 5kvrms signal isolated can transceivers w/ high voltage ldo for bus powered applications This transceiver provides complete isolation between the can controller and physical layer bus. Adi's isolated can transceivers, including adm3052, adm3053, and adm3054, comply with the iso 11898 standard and employ adi's. Adi isolated controller area network (can) transceivers provide the differential physical layer interface between the data. Analog Devices Isolated Can Transceiver.
From jlcpcb.com
CAIS3050G Chipanalog Isolated CAN Transceivers JLCPCB Analog Devices Isolated Can Transceiver This transceiver provides complete isolation between the can controller and physical layer bus. 5kvrms signal isolated can transceivers w/ high voltage ldo for bus powered applications Adi isolated controller area network (can) transceivers provide the differential physical layer interface between the data layer. Adi's isolated can transceivers, including adm3052, adm3053, and adm3054, comply with the iso 11898 standard and employ. Analog Devices Isolated Can Transceiver.
From kr.element14.com
MAX14880EVKIT Analog Devices Evaluation Kit, MAX14880, CAN Analog Devices Isolated Can Transceiver Adi isolated controller area network (can) transceivers provide the differential physical layer interface between the data layer. This transceiver provides complete isolation between the can controller and physical layer bus. Low propagation delays through the isolation support longer bus. 5kvrms signal isolated can transceivers w/ high voltage ldo for bus powered applications Adi's isolated can transceivers, including adm3052, adm3053, and. Analog Devices Isolated Can Transceiver.
From resources.altium.com
Isolated CAN Transceiver ICs for High Speed Digital Communication Altium Analog Devices Isolated Can Transceiver Adi isolated controller area network (can) transceivers provide the differential physical layer interface between the data layer. 5kvrms signal isolated can transceivers w/ high voltage ldo for bus powered applications This transceiver provides complete isolation between the can controller and physical layer bus. Low propagation delays through the isolation support longer bus. Adi's isolated can transceivers, including adm3052, adm3053, and. Analog Devices Isolated Can Transceiver.
From www.newark.com
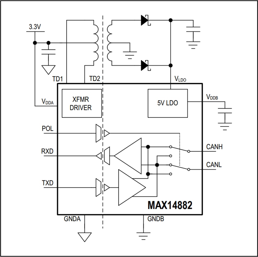
MAX14882EVKIT Analog Devices EVAL KIT, ISOLATED CAN TRANSCEIVER Analog Devices Isolated Can Transceiver This transceiver provides complete isolation between the can controller and physical layer bus. 5kvrms signal isolated can transceivers w/ high voltage ldo for bus powered applications Low propagation delays through the isolation support longer bus. Adi's isolated can transceivers, including adm3052, adm3053, and adm3054, comply with the iso 11898 standard and employ adi's. Adi isolated controller area network (can) transceivers. Analog Devices Isolated Can Transceiver.
From www.electronics-lab.com
Isolated CAN BUS Transceiver Arduino Shield Analog Devices Isolated Can Transceiver Adi's isolated can transceivers, including adm3052, adm3053, and adm3054, comply with the iso 11898 standard and employ adi's. Low propagation delays through the isolation support longer bus. Adi isolated controller area network (can) transceivers provide the differential physical layer interface between the data layer. 5kvrms signal isolated can transceivers w/ high voltage ldo for bus powered applications This transceiver provides. Analog Devices Isolated Can Transceiver.
From www.powersystemsdesign.com
Analog Devices Enhances Signal Isolation with Industry's First 5V RMS Analog Devices Isolated Can Transceiver Low propagation delays through the isolation support longer bus. Adi's isolated can transceivers, including adm3052, adm3053, and adm3054, comply with the iso 11898 standard and employ adi's. This transceiver provides complete isolation between the can controller and physical layer bus. 5kvrms signal isolated can transceivers w/ high voltage ldo for bus powered applications Adi isolated controller area network (can) transceivers. Analog Devices Isolated Can Transceiver.
From www.analog.com
MAX14941 5kVRMS Isolated 20Mbps HalfDuplex PROFIBUS/RS485 Analog Devices Isolated Can Transceiver This transceiver provides complete isolation between the can controller and physical layer bus. 5kvrms signal isolated can transceivers w/ high voltage ldo for bus powered applications Adi's isolated can transceivers, including adm3052, adm3053, and adm3054, comply with the iso 11898 standard and employ adi's. Adi isolated controller area network (can) transceivers provide the differential physical layer interface between the data. Analog Devices Isolated Can Transceiver.
From www.mouser.com
ADM2587E Isolated RS485 Transceiver ADI Mouser Analog Devices Isolated Can Transceiver Adi's isolated can transceivers, including adm3052, adm3053, and adm3054, comply with the iso 11898 standard and employ adi's. This transceiver provides complete isolation between the can controller and physical layer bus. Low propagation delays through the isolation support longer bus. Adi isolated controller area network (can) transceivers provide the differential physical layer interface between the data layer. 5kvrms signal isolated. Analog Devices Isolated Can Transceiver.
From www.mouser.com
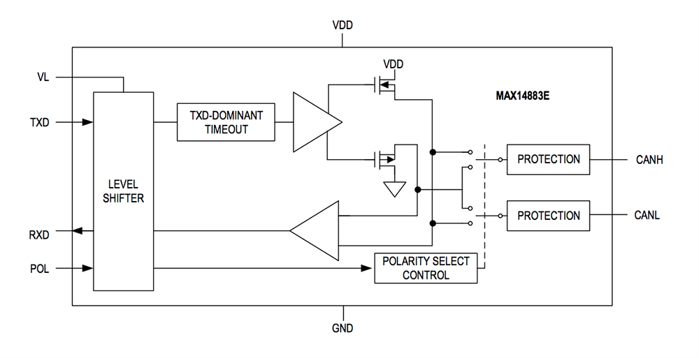
MAX14883E CAN Transceivers Analog Devices / Maxim Integrated Mouser Analog Devices Isolated Can Transceiver Adi isolated controller area network (can) transceivers provide the differential physical layer interface between the data layer. Low propagation delays through the isolation support longer bus. This transceiver provides complete isolation between the can controller and physical layer bus. Adi's isolated can transceivers, including adm3052, adm3053, and adm3054, comply with the iso 11898 standard and employ adi's. 5kvrms signal isolated. Analog Devices Isolated Can Transceiver.
From www.electronicspecifier.com
Analog Devices’ integrated isolated RS485 transceivers Analog Devices Isolated Can Transceiver Adi isolated controller area network (can) transceivers provide the differential physical layer interface between the data layer. Low propagation delays through the isolation support longer bus. 5kvrms signal isolated can transceivers w/ high voltage ldo for bus powered applications Adi's isolated can transceivers, including adm3052, adm3053, and adm3054, comply with the iso 11898 standard and employ adi's. This transceiver provides. Analog Devices Isolated Can Transceiver.
From octopart.com
Isolated CAN Transceiver ICs for High Speed Digital Communication Analog Devices Isolated Can Transceiver Adi isolated controller area network (can) transceivers provide the differential physical layer interface between the data layer. 5kvrms signal isolated can transceivers w/ high voltage ldo for bus powered applications This transceiver provides complete isolation between the can controller and physical layer bus. Adi's isolated can transceivers, including adm3052, adm3053, and adm3054, comply with the iso 11898 standard and employ. Analog Devices Isolated Can Transceiver.
From mixtronica.com
ISO1050DUBR IC, CAN TRANSCEIVER, ISOLATED, 5V Analog Devices Isolated Can Transceiver Adi's isolated can transceivers, including adm3052, adm3053, and adm3054, comply with the iso 11898 standard and employ adi's. 5kvrms signal isolated can transceivers w/ high voltage ldo for bus powered applications Adi isolated controller area network (can) transceivers provide the differential physical layer interface between the data layer. This transceiver provides complete isolation between the can controller and physical layer. Analog Devices Isolated Can Transceiver.
From in.element14.com
ADM3062EARMZ Analog Devices Isolated Transceiver, RS485, 1 Driver Analog Devices Isolated Can Transceiver 5kvrms signal isolated can transceivers w/ high voltage ldo for bus powered applications Adi's isolated can transceivers, including adm3052, adm3053, and adm3054, comply with the iso 11898 standard and employ adi's. Low propagation delays through the isolation support longer bus. Adi isolated controller area network (can) transceivers provide the differential physical layer interface between the data layer. This transceiver provides. Analog Devices Isolated Can Transceiver.
From html.alldatasheet.com
ADM3050E datasheet(16/18 Pages) AD Signal Isolated, Basic CAN FD Analog Devices Isolated Can Transceiver Adi's isolated can transceivers, including adm3052, adm3053, and adm3054, comply with the iso 11898 standard and employ adi's. Adi isolated controller area network (can) transceivers provide the differential physical layer interface between the data layer. 5kvrms signal isolated can transceivers w/ high voltage ldo for bus powered applications This transceiver provides complete isolation between the can controller and physical layer. Analog Devices Isolated Can Transceiver.
From www.youtube.com
ANALOG DEVICES INC. ADM3058Ex Signal Isolated Transceivers New Analog Devices Isolated Can Transceiver 5kvrms signal isolated can transceivers w/ high voltage ldo for bus powered applications Low propagation delays through the isolation support longer bus. Adi's isolated can transceivers, including adm3052, adm3053, and adm3054, comply with the iso 11898 standard and employ adi's. This transceiver provides complete isolation between the can controller and physical layer bus. Adi isolated controller area network (can) transceivers. Analog Devices Isolated Can Transceiver.
From my.element14.com
EVALADM3058EEBZ Analog Devices Evaluation Board, ADM3058EBRIZ Analog Devices Isolated Can Transceiver Adi isolated controller area network (can) transceivers provide the differential physical layer interface between the data layer. 5kvrms signal isolated can transceivers w/ high voltage ldo for bus powered applications Adi's isolated can transceivers, including adm3052, adm3053, and adm3054, comply with the iso 11898 standard and employ adi's. Low propagation delays through the isolation support longer bus. This transceiver provides. Analog Devices Isolated Can Transceiver.
From datasheetspdf.com
ADM3053 Datasheet PDF Signal and Power Isolated CAN Transceiver Analog Devices Isolated Can Transceiver This transceiver provides complete isolation between the can controller and physical layer bus. Adi isolated controller area network (can) transceivers provide the differential physical layer interface between the data layer. Low propagation delays through the isolation support longer bus. Adi's isolated can transceivers, including adm3052, adm3053, and adm3054, comply with the iso 11898 standard and employ adi's. 5kvrms signal isolated. Analog Devices Isolated Can Transceiver.
From wiki.analog.com
ezLINX™ Isolated CAN Implementation [Analog Devices Wiki] Analog Devices Isolated Can Transceiver Adi isolated controller area network (can) transceivers provide the differential physical layer interface between the data layer. 5kvrms signal isolated can transceivers w/ high voltage ldo for bus powered applications This transceiver provides complete isolation between the can controller and physical layer bus. Low propagation delays through the isolation support longer bus. Adi's isolated can transceivers, including adm3052, adm3053, and. Analog Devices Isolated Can Transceiver.
From copperhilltech.com
Galvanically Isolated CAN Bus Transceivers Protect Networks Against Analog Devices Isolated Can Transceiver This transceiver provides complete isolation between the can controller and physical layer bus. 5kvrms signal isolated can transceivers w/ high voltage ldo for bus powered applications Adi isolated controller area network (can) transceivers provide the differential physical layer interface between the data layer. Adi's isolated can transceivers, including adm3052, adm3053, and adm3054, comply with the iso 11898 standard and employ. Analog Devices Isolated Can Transceiver.
From www.electronicsworld.co.uk
Analog Devices’ Latest Safety Isolated CAN FD Transceivers Deliver Analog Devices Isolated Can Transceiver Low propagation delays through the isolation support longer bus. Adi's isolated can transceivers, including adm3052, adm3053, and adm3054, comply with the iso 11898 standard and employ adi's. Adi isolated controller area network (can) transceivers provide the differential physical layer interface between the data layer. This transceiver provides complete isolation between the can controller and physical layer bus. 5kvrms signal isolated. Analog Devices Isolated Can Transceiver.
From www.iot-store.com.au
CAN Isolator Click MikroElektronika Isolated CAN Transceiver Analog Devices Isolated Can Transceiver Adi's isolated can transceivers, including adm3052, adm3053, and adm3054, comply with the iso 11898 standard and employ adi's. 5kvrms signal isolated can transceivers w/ high voltage ldo for bus powered applications Adi isolated controller area network (can) transceivers provide the differential physical layer interface between the data layer. This transceiver provides complete isolation between the can controller and physical layer. Analog Devices Isolated Can Transceiver.
From www.eedesignit.com
Safety isolated CAN FD transceivers deliver 12Mbps networks Analog Devices Isolated Can Transceiver This transceiver provides complete isolation between the can controller and physical layer bus. 5kvrms signal isolated can transceivers w/ high voltage ldo for bus powered applications Low propagation delays through the isolation support longer bus. Adi's isolated can transceivers, including adm3052, adm3053, and adm3054, comply with the iso 11898 standard and employ adi's. Adi isolated controller area network (can) transceivers. Analog Devices Isolated Can Transceiver.
From www.radiolocman.com
Analog Devices Introduces First SingleChip 5kVrms Signal and Power Analog Devices Isolated Can Transceiver Adi isolated controller area network (can) transceivers provide the differential physical layer interface between the data layer. Adi's isolated can transceivers, including adm3052, adm3053, and adm3054, comply with the iso 11898 standard and employ adi's. 5kvrms signal isolated can transceivers w/ high voltage ldo for bus powered applications Low propagation delays through the isolation support longer bus. This transceiver provides. Analog Devices Isolated Can Transceiver.
From www.mouser.fr
MAX14882 Isolated CAN Transceiver Analog Devices / Maxim Integrated Analog Devices Isolated Can Transceiver Adi isolated controller area network (can) transceivers provide the differential physical layer interface between the data layer. This transceiver provides complete isolation between the can controller and physical layer bus. Low propagation delays through the isolation support longer bus. Adi's isolated can transceivers, including adm3052, adm3053, and adm3054, comply with the iso 11898 standard and employ adi's. 5kvrms signal isolated. Analog Devices Isolated Can Transceiver.
From www.powersystemsdesign.com
Analog Devices Introduces Industrys First Fully Isolated Industrial CAN Analog Devices Isolated Can Transceiver Adi's isolated can transceivers, including adm3052, adm3053, and adm3054, comply with the iso 11898 standard and employ adi's. Adi isolated controller area network (can) transceivers provide the differential physical layer interface between the data layer. 5kvrms signal isolated can transceivers w/ high voltage ldo for bus powered applications Low propagation delays through the isolation support longer bus. This transceiver provides. Analog Devices Isolated Can Transceiver.
From www.electronics-lab.com
Isolated CAN BUS Transceiver Arduino Shield Analog Devices Isolated Can Transceiver This transceiver provides complete isolation between the can controller and physical layer bus. Low propagation delays through the isolation support longer bus. Adi's isolated can transceivers, including adm3052, adm3053, and adm3054, comply with the iso 11898 standard and employ adi's. 5kvrms signal isolated can transceivers w/ high voltage ldo for bus powered applications Adi isolated controller area network (can) transceivers. Analog Devices Isolated Can Transceiver.
From kr.element14.com
MAX3535EEVKIT+ Analog Devices Evaluation Board, MAX3535E RS485/RS Analog Devices Isolated Can Transceiver 5kvrms signal isolated can transceivers w/ high voltage ldo for bus powered applications Adi's isolated can transceivers, including adm3052, adm3053, and adm3054, comply with the iso 11898 standard and employ adi's. Adi isolated controller area network (can) transceivers provide the differential physical layer interface between the data layer. Low propagation delays through the isolation support longer bus. This transceiver provides. Analog Devices Isolated Can Transceiver.
From www.digikey.in
MAX1487880 Isolated CAN Transceivers ADI DigiKey Analog Devices Isolated Can Transceiver This transceiver provides complete isolation between the can controller and physical layer bus. Low propagation delays through the isolation support longer bus. 5kvrms signal isolated can transceivers w/ high voltage ldo for bus powered applications Adi isolated controller area network (can) transceivers provide the differential physical layer interface between the data layer. Adi's isolated can transceivers, including adm3052, adm3053, and. Analog Devices Isolated Can Transceiver.
From jlcpcb.com
ADM3052BRWZREEL7 Analog Devices Isolated CAN Transceivers JLCPCB Analog Devices Isolated Can Transceiver Adi's isolated can transceivers, including adm3052, adm3053, and adm3054, comply with the iso 11898 standard and employ adi's. Low propagation delays through the isolation support longer bus. This transceiver provides complete isolation between the can controller and physical layer bus. 5kvrms signal isolated can transceivers w/ high voltage ldo for bus powered applications Adi isolated controller area network (can) transceivers. Analog Devices Isolated Can Transceiver.
From www.analog.com
How to Calculate the Controller Parameters for an Isolated CAN Analog Devices Isolated Can Transceiver 5kvrms signal isolated can transceivers w/ high voltage ldo for bus powered applications Adi isolated controller area network (can) transceivers provide the differential physical layer interface between the data layer. Low propagation delays through the isolation support longer bus. This transceiver provides complete isolation between the can controller and physical layer bus. Adi's isolated can transceivers, including adm3052, adm3053, and. Analog Devices Isolated Can Transceiver.
From www.electronics-lab.com
Isolated CAN BUS Transceiver Arduino Shield Analog Devices Isolated Can Transceiver This transceiver provides complete isolation between the can controller and physical layer bus. 5kvrms signal isolated can transceivers w/ high voltage ldo for bus powered applications Adi's isolated can transceivers, including adm3052, adm3053, and adm3054, comply with the iso 11898 standard and employ adi's. Low propagation delays through the isolation support longer bus. Adi isolated controller area network (can) transceivers. Analog Devices Isolated Can Transceiver.
From de.farnell.com
MAX14880EVKIT Maxim Integrated / Analog Devices, Evaluationskit Analog Devices Isolated Can Transceiver Adi's isolated can transceivers, including adm3052, adm3053, and adm3054, comply with the iso 11898 standard and employ adi's. This transceiver provides complete isolation between the can controller and physical layer bus. 5kvrms signal isolated can transceivers w/ high voltage ldo for bus powered applications Low propagation delays through the isolation support longer bus. Adi isolated controller area network (can) transceivers. Analog Devices Isolated Can Transceiver.
From www.electronics-lab.com
Isolated CAN BUS Transceiver Arduino Shield Analog Devices Isolated Can Transceiver This transceiver provides complete isolation between the can controller and physical layer bus. 5kvrms signal isolated can transceivers w/ high voltage ldo for bus powered applications Adi's isolated can transceivers, including adm3052, adm3053, and adm3054, comply with the iso 11898 standard and employ adi's. Adi isolated controller area network (can) transceivers provide the differential physical layer interface between the data. Analog Devices Isolated Can Transceiver.
From www.analog.com
2500VRMS Isolated RS485+RS232 Transceiver with Power Analog Devices Analog Devices Isolated Can Transceiver Adi isolated controller area network (can) transceivers provide the differential physical layer interface between the data layer. Adi's isolated can transceivers, including adm3052, adm3053, and adm3054, comply with the iso 11898 standard and employ adi's. Low propagation delays through the isolation support longer bus. This transceiver provides complete isolation between the can controller and physical layer bus. 5kvrms signal isolated. Analog Devices Isolated Can Transceiver.