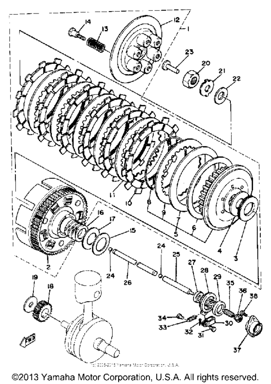
Xs650 Clutch Push Rod . I went to mikes xs and. xs650 removing clutch pushrod bush I have the long one piece rod to replace the stock. now that the bikes running i'm moving on to replacing my missing clutch push rod. quick how to video on fixing a common oil leak on yamaha xs650, the. it is a 7 pc engine oil seal kit that includes both crank seals, primary drive (sprocket) shaft seal, shift shaft seal,. This rod provides more stable action and less wear and tear of the clutch pushrod. hello, i'm going to change out the seal and bushing on the clutch. clutch pushrod replaces both inner and outer pushrod and outer ball bearings.
from www.xs650.com
This rod provides more stable action and less wear and tear of the clutch pushrod. hello, i'm going to change out the seal and bushing on the clutch. it is a 7 pc engine oil seal kit that includes both crank seals, primary drive (sprocket) shaft seal, shift shaft seal,. xs650 removing clutch pushrod bush clutch pushrod replaces both inner and outer pushrod and outer ball bearings. quick how to video on fixing a common oil leak on yamaha xs650, the. I went to mikes xs and. now that the bikes running i'm moving on to replacing my missing clutch push rod. I have the long one piece rod to replace the stock.
Clutch push rod replacement Yamaha XS650 Forum
Xs650 Clutch Push Rod clutch pushrod replaces both inner and outer pushrod and outer ball bearings. This rod provides more stable action and less wear and tear of the clutch pushrod. it is a 7 pc engine oil seal kit that includes both crank seals, primary drive (sprocket) shaft seal, shift shaft seal,. quick how to video on fixing a common oil leak on yamaha xs650, the. clutch pushrod replaces both inner and outer pushrod and outer ball bearings. hello, i'm going to change out the seal and bushing on the clutch. I have the long one piece rod to replace the stock. xs650 removing clutch pushrod bush now that the bikes running i'm moving on to replacing my missing clutch push rod. I went to mikes xs and.
From www.ebay.com
TX650 TX750 XS650 TX XS 650 NEW CLUTCH PUSH ROD YAMAHA OEM PART 341 Xs650 Clutch Push Rod clutch pushrod replaces both inner and outer pushrod and outer ball bearings. it is a 7 pc engine oil seal kit that includes both crank seals, primary drive (sprocket) shaft seal, shift shaft seal,. now that the bikes running i'm moving on to replacing my missing clutch push rod. quick how to video on fixing a. Xs650 Clutch Push Rod.
From www.xs650.com
Clutch push rod replacement Yamaha XS650 Forum Xs650 Clutch Push Rod I have the long one piece rod to replace the stock. clutch pushrod replaces both inner and outer pushrod and outer ball bearings. quick how to video on fixing a common oil leak on yamaha xs650, the. now that the bikes running i'm moving on to replacing my missing clutch push rod. xs650 removing clutch pushrod. Xs650 Clutch Push Rod.
From www.mikesxs.net
Clutch Release Assy RD350 SR500 XS400 XS650 XS750 XS1100 Xs650 Clutch Push Rod quick how to video on fixing a common oil leak on yamaha xs650, the. This rod provides more stable action and less wear and tear of the clutch pushrod. now that the bikes running i'm moving on to replacing my missing clutch push rod. I have the long one piece rod to replace the stock. hello, i'm. Xs650 Clutch Push Rod.
From www.xs650.com
Replacing engine seals / part 2 clutch push rod seal Yamaha XS650 Forum Xs650 Clutch Push Rod now that the bikes running i'm moving on to replacing my missing clutch push rod. This rod provides more stable action and less wear and tear of the clutch pushrod. I went to mikes xs and. clutch pushrod replaces both inner and outer pushrod and outer ball bearings. xs650 removing clutch pushrod bush I have the long. Xs650 Clutch Push Rod.
From www.carid.com
OER® 3849703 Clutch Push Rod Xs650 Clutch Push Rod it is a 7 pc engine oil seal kit that includes both crank seals, primary drive (sprocket) shaft seal, shift shaft seal,. I have the long one piece rod to replace the stock. I went to mikes xs and. now that the bikes running i'm moving on to replacing my missing clutch push rod. xs650 removing clutch. Xs650 Clutch Push Rod.
From www.megazip.net
Clutch for 1981 Yamaha XS650 USA sales region, , 14557781810300 Xs650 Clutch Push Rod This rod provides more stable action and less wear and tear of the clutch pushrod. clutch pushrod replaces both inner and outer pushrod and outer ball bearings. I went to mikes xs and. xs650 removing clutch pushrod bush it is a 7 pc engine oil seal kit that includes both crank seals, primary drive (sprocket) shaft seal,. Xs650 Clutch Push Rod.
From www.xs650.com
clutch push rod seal and bushing tips Yamaha XS650 Forum Xs650 Clutch Push Rod clutch pushrod replaces both inner and outer pushrod and outer ball bearings. now that the bikes running i'm moving on to replacing my missing clutch push rod. it is a 7 pc engine oil seal kit that includes both crank seals, primary drive (sprocket) shaft seal, shift shaft seal,. xs650 removing clutch pushrod bush This rod. Xs650 Clutch Push Rod.
From thexscafedotcom.wordpress.com
XS650 Hydraulic Clutch thexscafe Xs650 Clutch Push Rod xs650 removing clutch pushrod bush I went to mikes xs and. quick how to video on fixing a common oil leak on yamaha xs650, the. hello, i'm going to change out the seal and bushing on the clutch. clutch pushrod replaces both inner and outer pushrod and outer ball bearings. This rod provides more stable action. Xs650 Clutch Push Rod.
From yambits.co.uk
Xs650 Clutch Push Rod Oil Seal Ols134 Clutch Push Rod Oil Seals Xs650 Clutch Push Rod clutch pushrod replaces both inner and outer pushrod and outer ball bearings. I went to mikes xs and. quick how to video on fixing a common oil leak on yamaha xs650, the. I have the long one piece rod to replace the stock. now that the bikes running i'm moving on to replacing my missing clutch push. Xs650 Clutch Push Rod.
From www.xs650.com
Clutch push rod seal, and other aftermarket essentials Yamaha XS650 Forum Xs650 Clutch Push Rod hello, i'm going to change out the seal and bushing on the clutch. I went to mikes xs and. clutch pushrod replaces both inner and outer pushrod and outer ball bearings. I have the long one piece rod to replace the stock. xs650 removing clutch pushrod bush now that the bikes running i'm moving on to. Xs650 Clutch Push Rod.
From tomsoffroad.com
Heavy Duty Clutch Push Rod, 6677 Ford Bronco Xs650 Clutch Push Rod This rod provides more stable action and less wear and tear of the clutch pushrod. xs650 removing clutch pushrod bush I went to mikes xs and. it is a 7 pc engine oil seal kit that includes both crank seals, primary drive (sprocket) shaft seal, shift shaft seal,. now that the bikes running i'm moving on to. Xs650 Clutch Push Rod.
From www.xs650.com
Clutch push rods 2 short vs 1 long Yamaha XS650 Forum Xs650 Clutch Push Rod it is a 7 pc engine oil seal kit that includes both crank seals, primary drive (sprocket) shaft seal, shift shaft seal,. I have the long one piece rod to replace the stock. now that the bikes running i'm moving on to replacing my missing clutch push rod. clutch pushrod replaces both inner and outer pushrod and. Xs650 Clutch Push Rod.
From www.xs650.com
CLUTCH PUSH ROD Yamaha XS650 Forum Xs650 Clutch Push Rod This rod provides more stable action and less wear and tear of the clutch pushrod. clutch pushrod replaces both inner and outer pushrod and outer ball bearings. now that the bikes running i'm moving on to replacing my missing clutch push rod. xs650 removing clutch pushrod bush it is a 7 pc engine oil seal kit. Xs650 Clutch Push Rod.
From www.xs650.com
Bent clutch push rod Worn out housing Yamaha XS650 Forum Xs650 Clutch Push Rod hello, i'm going to change out the seal and bushing on the clutch. xs650 removing clutch pushrod bush I have the long one piece rod to replace the stock. now that the bikes running i'm moving on to replacing my missing clutch push rod. it is a 7 pc engine oil seal kit that includes both. Xs650 Clutch Push Rod.
From exotqmiol.blob.core.windows.net
Clutch Push Rod Installation at Pearl Britton blog Xs650 Clutch Push Rod it is a 7 pc engine oil seal kit that includes both crank seals, primary drive (sprocket) shaft seal, shift shaft seal,. xs650 removing clutch pushrod bush hello, i'm going to change out the seal and bushing on the clutch. now that the bikes running i'm moving on to replacing my missing clutch push rod. I. Xs650 Clutch Push Rod.
From www.xs650.com
Replacing engine seals / part 2 clutch push rod seal Yamaha XS650 Forum Xs650 Clutch Push Rod it is a 7 pc engine oil seal kit that includes both crank seals, primary drive (sprocket) shaft seal, shift shaft seal,. hello, i'm going to change out the seal and bushing on the clutch. xs650 removing clutch pushrod bush now that the bikes running i'm moving on to replacing my missing clutch push rod. I. Xs650 Clutch Push Rod.
From www.mikesxs.net
Seal Oil 8mm x 25mm x 6mm Clutch Pushrod XS650 19701984 Xs650 Clutch Push Rod quick how to video on fixing a common oil leak on yamaha xs650, the. clutch pushrod replaces both inner and outer pushrod and outer ball bearings. xs650 removing clutch pushrod bush This rod provides more stable action and less wear and tear of the clutch pushrod. it is a 7 pc engine oil seal kit that. Xs650 Clutch Push Rod.
From www.xs650.com
Bent clutch push rod Worn out housing Yamaha XS650 Forum Xs650 Clutch Push Rod quick how to video on fixing a common oil leak on yamaha xs650, the. now that the bikes running i'm moving on to replacing my missing clutch push rod. it is a 7 pc engine oil seal kit that includes both crank seals, primary drive (sprocket) shaft seal, shift shaft seal,. clutch pushrod replaces both inner. Xs650 Clutch Push Rod.
From www.rhidesigns.com
Extended Clutch Push Rod RHIDSGN Xs650 Clutch Push Rod xs650 removing clutch pushrod bush This rod provides more stable action and less wear and tear of the clutch pushrod. hello, i'm going to change out the seal and bushing on the clutch. clutch pushrod replaces both inner and outer pushrod and outer ball bearings. now that the bikes running i'm moving on to replacing my. Xs650 Clutch Push Rod.
From www.xs650.com
Yamaha XS650 clutch disks replacement (video) Yamaha XS650 Forum Xs650 Clutch Push Rod clutch pushrod replaces both inner and outer pushrod and outer ball bearings. This rod provides more stable action and less wear and tear of the clutch pushrod. it is a 7 pc engine oil seal kit that includes both crank seals, primary drive (sprocket) shaft seal, shift shaft seal,. hello, i'm going to change out the seal. Xs650 Clutch Push Rod.
From www.ebay.com
1 NOS Genuine YAMAHA TX750 TX650 XS650 Inner Clutch Push Rod 3 OEM 341 Xs650 Clutch Push Rod now that the bikes running i'm moving on to replacing my missing clutch push rod. xs650 removing clutch pushrod bush quick how to video on fixing a common oil leak on yamaha xs650, the. I went to mikes xs and. it is a 7 pc engine oil seal kit that includes both crank seals, primary drive. Xs650 Clutch Push Rod.
From www.xs650.com
Clutch PushRod Assistance Please!!! Yamaha XS650 Forum Xs650 Clutch Push Rod This rod provides more stable action and less wear and tear of the clutch pushrod. I have the long one piece rod to replace the stock. clutch pushrod replaces both inner and outer pushrod and outer ball bearings. hello, i'm going to change out the seal and bushing on the clutch. I went to mikes xs and. . Xs650 Clutch Push Rod.
From hughshandbuilt.blogspot.com
Hugh's HandBuilt XS650 Clutch Upgrade! More Disks = More Grippage Xs650 Clutch Push Rod hello, i'm going to change out the seal and bushing on the clutch. I have the long one piece rod to replace the stock. xs650 removing clutch pushrod bush quick how to video on fixing a common oil leak on yamaha xs650, the. This rod provides more stable action and less wear and tear of the clutch. Xs650 Clutch Push Rod.
From www.xs650.com
CLUTCH PUSH ROD Page 2 Yamaha XS650 Forum Xs650 Clutch Push Rod This rod provides more stable action and less wear and tear of the clutch pushrod. xs650 removing clutch pushrod bush I have the long one piece rod to replace the stock. now that the bikes running i'm moving on to replacing my missing clutch push rod. hello, i'm going to change out the seal and bushing on. Xs650 Clutch Push Rod.
From www.xs650.com
Replacing engine seals / part 2 clutch push rod seal Yamaha XS650 Forum Xs650 Clutch Push Rod I went to mikes xs and. now that the bikes running i'm moving on to replacing my missing clutch push rod. it is a 7 pc engine oil seal kit that includes both crank seals, primary drive (sprocket) shaft seal, shift shaft seal,. xs650 removing clutch pushrod bush clutch pushrod replaces both inner and outer pushrod. Xs650 Clutch Push Rod.
From www.youtube.com
xs650 clutch adjustment YouTube Xs650 Clutch Push Rod now that the bikes running i'm moving on to replacing my missing clutch push rod. xs650 removing clutch pushrod bush hello, i'm going to change out the seal and bushing on the clutch. I went to mikes xs and. it is a 7 pc engine oil seal kit that includes both crank seals, primary drive (sprocket). Xs650 Clutch Push Rod.
From www.nospartsnow.com
NOS Yamaha TX650 TX750 XS1 XS2 XS650 Clutch Push Rod Oil Seal 93102 Xs650 Clutch Push Rod it is a 7 pc engine oil seal kit that includes both crank seals, primary drive (sprocket) shaft seal, shift shaft seal,. now that the bikes running i'm moving on to replacing my missing clutch push rod. This rod provides more stable action and less wear and tear of the clutch pushrod. hello, i'm going to change. Xs650 Clutch Push Rod.
From www.xs650.com
Clutch push rod replacement Yamaha XS650 Forum Xs650 Clutch Push Rod This rod provides more stable action and less wear and tear of the clutch pushrod. quick how to video on fixing a common oil leak on yamaha xs650, the. it is a 7 pc engine oil seal kit that includes both crank seals, primary drive (sprocket) shaft seal, shift shaft seal,. clutch pushrod replaces both inner and. Xs650 Clutch Push Rod.
From www.ebay.com
1980 yamaha xs650 CLUTCH BASKET PUSH ROD eBay Xs650 Clutch Push Rod quick how to video on fixing a common oil leak on yamaha xs650, the. it is a 7 pc engine oil seal kit that includes both crank seals, primary drive (sprocket) shaft seal, shift shaft seal,. clutch pushrod replaces both inner and outer pushrod and outer ball bearings. I went to mikes xs and. hello, i'm. Xs650 Clutch Push Rod.
From www.xs650.com
Replacing engine seals / part 2 clutch push rod seal Yamaha XS650 Forum Xs650 Clutch Push Rod xs650 removing clutch pushrod bush This rod provides more stable action and less wear and tear of the clutch pushrod. I have the long one piece rod to replace the stock. clutch pushrod replaces both inner and outer pushrod and outer ball bearings. quick how to video on fixing a common oil leak on yamaha xs650, the.. Xs650 Clutch Push Rod.
From www.xs650.com
grooved push rod Yamaha XS650 Forum Xs650 Clutch Push Rod now that the bikes running i'm moving on to replacing my missing clutch push rod. it is a 7 pc engine oil seal kit that includes both crank seals, primary drive (sprocket) shaft seal, shift shaft seal,. This rod provides more stable action and less wear and tear of the clutch pushrod. xs650 removing clutch pushrod bush. Xs650 Clutch Push Rod.
From www.xs650.com
Clutch push rod replacement Yamaha XS650 Forum Xs650 Clutch Push Rod I have the long one piece rod to replace the stock. now that the bikes running i'm moving on to replacing my missing clutch push rod. I went to mikes xs and. quick how to video on fixing a common oil leak on yamaha xs650, the. clutch pushrod replaces both inner and outer pushrod and outer ball. Xs650 Clutch Push Rod.
From www.xs650.com
Clutch pushrod oil seal (video) Yamaha XS650 Forum Xs650 Clutch Push Rod This rod provides more stable action and less wear and tear of the clutch pushrod. quick how to video on fixing a common oil leak on yamaha xs650, the. it is a 7 pc engine oil seal kit that includes both crank seals, primary drive (sprocket) shaft seal, shift shaft seal,. now that the bikes running i'm. Xs650 Clutch Push Rod.
From www.xs650.com
Clutch push rods 2 short vs 1 long Yamaha XS650 Forum Xs650 Clutch Push Rod now that the bikes running i'm moving on to replacing my missing clutch push rod. quick how to video on fixing a common oil leak on yamaha xs650, the. I went to mikes xs and. hello, i'm going to change out the seal and bushing on the clutch. I have the long one piece rod to replace. Xs650 Clutch Push Rod.
From yambits.co.uk
Xs650 Clutch Push Rod Cpa024 Clutch Mechanism & Pushrod Parts Xs650 Clutch Push Rod I have the long one piece rod to replace the stock. This rod provides more stable action and less wear and tear of the clutch pushrod. it is a 7 pc engine oil seal kit that includes both crank seals, primary drive (sprocket) shaft seal, shift shaft seal,. now that the bikes running i'm moving on to replacing. Xs650 Clutch Push Rod.