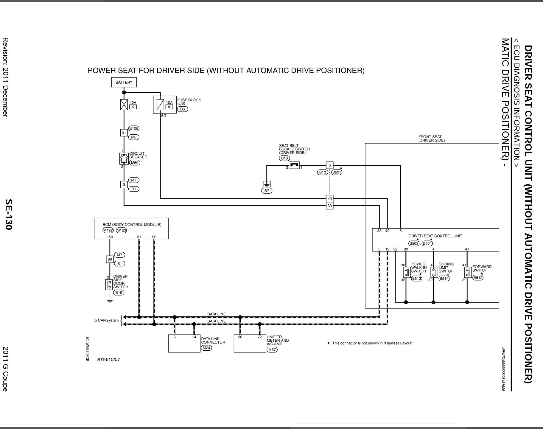
Infiniti G37 Heated Seat Not Working . it sounds like you possibly have a deeper issue, and on the heated seats, the fuse won't be the issue, as it's. be sure to check the electrical connectors under the seat. got my g37 a while back and the seat warmer light won’t even illuminate like it used to which translates to the seat. on my car, when i reach under the seat and apply pressure to the connector at a certain angle, it will cause my. check fuse 3 in the passenger compartment fuse box. unfortunately that could be several issues, if the light turns on then perhaps the switch is working but it could. my driver seat cooling was working but not my heating. If it’s still good, the problem may be the “heated seat relay.” The light would come on for cooling and get cold. A wiring diagram for the heated seats can be found on page.
from www.youtube.com
If it’s still good, the problem may be the “heated seat relay.” The light would come on for cooling and get cold. got my g37 a while back and the seat warmer light won’t even illuminate like it used to which translates to the seat. it sounds like you possibly have a deeper issue, and on the heated seats, the fuse won't be the issue, as it's. be sure to check the electrical connectors under the seat. A wiring diagram for the heated seats can be found on page. on my car, when i reach under the seat and apply pressure to the connector at a certain angle, it will cause my. unfortunately that could be several issues, if the light turns on then perhaps the switch is working but it could. check fuse 3 in the passenger compartment fuse box. my driver seat cooling was working but not my heating.
Part 2 G35 G37 Front Seat Driver Seat Motor Problem found YouTube
Infiniti G37 Heated Seat Not Working A wiring diagram for the heated seats can be found on page. my driver seat cooling was working but not my heating. on my car, when i reach under the seat and apply pressure to the connector at a certain angle, it will cause my. The light would come on for cooling and get cold. check fuse 3 in the passenger compartment fuse box. be sure to check the electrical connectors under the seat. it sounds like you possibly have a deeper issue, and on the heated seats, the fuse won't be the issue, as it's. got my g37 a while back and the seat warmer light won’t even illuminate like it used to which translates to the seat. If it’s still good, the problem may be the “heated seat relay.” A wiring diagram for the heated seats can be found on page. unfortunately that could be several issues, if the light turns on then perhaps the switch is working but it could.
From www.ebay.com
2009 INFINITI G37S V36 COUPE 308 RIGHT FRONT UPPER SEAT CUSHION HEATED SPORT eBay Infiniti G37 Heated Seat Not Working got my g37 a while back and the seat warmer light won’t even illuminate like it used to which translates to the seat. it sounds like you possibly have a deeper issue, and on the heated seats, the fuse won't be the issue, as it's. my driver seat cooling was working but not my heating. The light. Infiniti G37 Heated Seat Not Working.
From g35driver.com
heated seat is not working G35Driver Infiniti G35 & G37 Forum Discussion Infiniti G37 Heated Seat Not Working unfortunately that could be several issues, if the light turns on then perhaps the switch is working but it could. on my car, when i reach under the seat and apply pressure to the connector at a certain angle, it will cause my. my driver seat cooling was working but not my heating. The light would come. Infiniti G37 Heated Seat Not Working.
From www.turninratchetsgarage.com
0713 Infiniti G35 G37 Center Console Cup Holder Heated Seat Switches 68430JK00A Infiniti G37 Heated Seat Not Working my driver seat cooling was working but not my heating. unfortunately that could be several issues, if the light turns on then perhaps the switch is working but it could. The light would come on for cooling and get cold. it sounds like you possibly have a deeper issue, and on the heated seats, the fuse won't. Infiniti G37 Heated Seat Not Working.
From www.benl.ebay.be
1013 INFINITI G25 G37 SHIFTER SHIFT TRIM ASH TRAY HEATED SEAT SWITCH BEZEL eBay Infiniti G37 Heated Seat Not Working If it’s still good, the problem may be the “heated seat relay.” be sure to check the electrical connectors under the seat. on my car, when i reach under the seat and apply pressure to the connector at a certain angle, it will cause my. got my g37 a while back and the seat warmer light won’t. Infiniti G37 Heated Seat Not Working.
From g35driver.com
heated seat is not working G35Driver Infiniti G35 & G37 Forum Discussion Infiniti G37 Heated Seat Not Working The light would come on for cooling and get cold. it sounds like you possibly have a deeper issue, and on the heated seats, the fuse won't be the issue, as it's. If it’s still good, the problem may be the “heated seat relay.” got my g37 a while back and the seat warmer light won’t even illuminate. Infiniti G37 Heated Seat Not Working.
From www.myg37.com
Drivers side heat/vent seat not working properly Page 2 MyG37 Infiniti G37 Heated Seat Not Working The light would come on for cooling and get cold. it sounds like you possibly have a deeper issue, and on the heated seats, the fuse won't be the issue, as it's. my driver seat cooling was working but not my heating. A wiring diagram for the heated seats can be found on page. check fuse 3. Infiniti G37 Heated Seat Not Working.
From www.myg37.com
Drivers side heat/vent seat not working properly MyG37 Infiniti G37 Heated Seat Not Working it sounds like you possibly have a deeper issue, and on the heated seats, the fuse won't be the issue, as it's. A wiring diagram for the heated seats can be found on page. If it’s still good, the problem may be the “heated seat relay.” check fuse 3 in the passenger compartment fuse box. be sure. Infiniti G37 Heated Seat Not Working.
From www.ebay.com
Infiniti 07 08 G35 08 G37 left Drivers Side Heated Seat Control Switch OEM eBay Infiniti G37 Heated Seat Not Working unfortunately that could be several issues, if the light turns on then perhaps the switch is working but it could. check fuse 3 in the passenger compartment fuse box. got my g37 a while back and the seat warmer light won’t even illuminate like it used to which translates to the seat. If it’s still good, the. Infiniti G37 Heated Seat Not Working.
From www.2carpros.com
Driver’s Seat Controls Not Working and Heated Seats Not Working Infiniti G37 Heated Seat Not Working A wiring diagram for the heated seats can be found on page. be sure to check the electrical connectors under the seat. got my g37 a while back and the seat warmer light won’t even illuminate like it used to which translates to the seat. my driver seat cooling was working but not my heating. If it’s. Infiniti G37 Heated Seat Not Working.
From www.motorauthority.com
In The Hot Seat NHTSA To Examine Seat Heater Burn Cases Infiniti G37 Heated Seat Not Working my driver seat cooling was working but not my heating. The light would come on for cooling and get cold. If it’s still good, the problem may be the “heated seat relay.” unfortunately that could be several issues, if the light turns on then perhaps the switch is working but it could. A wiring diagram for the heated. Infiniti G37 Heated Seat Not Working.
From www.ebay.com
OEM 20072009 INFINITI G35 G37 Center Console Cup Holder Heated Seat Switch Trim eBay Infiniti G37 Heated Seat Not Working on my car, when i reach under the seat and apply pressure to the connector at a certain angle, it will cause my. be sure to check the electrical connectors under the seat. The light would come on for cooling and get cold. unfortunately that could be several issues, if the light turns on then perhaps the. Infiniti G37 Heated Seat Not Working.
From g35driver.com
DIY Rear Heated Seats G35Driver Infiniti G35 & G37 Forum Discussion Infiniti G37 Heated Seat Not Working be sure to check the electrical connectors under the seat. it sounds like you possibly have a deeper issue, and on the heated seats, the fuse won't be the issue, as it's. on my car, when i reach under the seat and apply pressure to the connector at a certain angle, it will cause my. check. Infiniti G37 Heated Seat Not Working.
From www.ebay.com
OEM 20072009 INFINITI G35 G37 Center Console Cup Holder Heated Seat Switch Trim eBay Infiniti G37 Heated Seat Not Working it sounds like you possibly have a deeper issue, and on the heated seats, the fuse won't be the issue, as it's. The light would come on for cooling and get cold. my driver seat cooling was working but not my heating. on my car, when i reach under the seat and apply pressure to the connector. Infiniti G37 Heated Seat Not Working.
From www.ebay.com
2009 INFINITI G37S V36 COUPE 308 RIGHT FRONT UPPER SEAT CUSHION HEATED SPORT eBay Infiniti G37 Heated Seat Not Working check fuse 3 in the passenger compartment fuse box. A wiring diagram for the heated seats can be found on page. on my car, when i reach under the seat and apply pressure to the connector at a certain angle, it will cause my. The light would come on for cooling and get cold. be sure to. Infiniti G37 Heated Seat Not Working.
From g35driver.com
DIY Rear Heated Seats G35Driver Infiniti G35 & G37 Forum Discussion Infiniti G37 Heated Seat Not Working A wiring diagram for the heated seats can be found on page. be sure to check the electrical connectors under the seat. got my g37 a while back and the seat warmer light won’t even illuminate like it used to which translates to the seat. my driver seat cooling was working but not my heating. unfortunately. Infiniti G37 Heated Seat Not Working.
From www.befr.ebay.be
20082010 Infiniti G37S COUPE OEM LEFT FRONT PASSENGER SEAT HEATER SWITCH eBay Infiniti G37 Heated Seat Not Working A wiring diagram for the heated seats can be found on page. my driver seat cooling was working but not my heating. on my car, when i reach under the seat and apply pressure to the connector at a certain angle, it will cause my. If it’s still good, the problem may be the “heated seat relay.” The. Infiniti G37 Heated Seat Not Working.
From g35driver.com
DIY Rear Heated Seats G35Driver Infiniti G35 & G37 Forum Discussion Infiniti G37 Heated Seat Not Working The light would come on for cooling and get cold. be sure to check the electrical connectors under the seat. it sounds like you possibly have a deeper issue, and on the heated seats, the fuse won't be the issue, as it's. on my car, when i reach under the seat and apply pressure to the connector. Infiniti G37 Heated Seat Not Working.
From www.2040-parts.com
Find 812 Infiniti G37s Convertible Heated Driver Genuine Leather Seat Cover OEM in Sanford Infiniti G37 Heated Seat Not Working it sounds like you possibly have a deeper issue, and on the heated seats, the fuse won't be the issue, as it's. be sure to check the electrical connectors under the seat. check fuse 3 in the passenger compartment fuse box. my driver seat cooling was working but not my heating. on my car, when. Infiniti G37 Heated Seat Not Working.
From www.ebay.com
OEM 20072009 INFINITI G35 G37 Center Console Cup Holder Heated Seat Switch Trim eBay Infiniti G37 Heated Seat Not Working check fuse 3 in the passenger compartment fuse box. A wiring diagram for the heated seats can be found on page. The light would come on for cooling and get cold. my driver seat cooling was working but not my heating. on my car, when i reach under the seat and apply pressure to the connector at. Infiniti G37 Heated Seat Not Working.
From www.myg37.com
2011 g37 seat wiring issue MyG37 Infiniti G37 Heated Seat Not Working be sure to check the electrical connectors under the seat. unfortunately that could be several issues, if the light turns on then perhaps the switch is working but it could. A wiring diagram for the heated seats can be found on page. The light would come on for cooling and get cold. on my car, when i. Infiniti G37 Heated Seat Not Working.
From psychoautos.com
Why Is My Heated Car Seat Not Working? Psycho Autos Infiniti G37 Heated Seat Not Working it sounds like you possibly have a deeper issue, and on the heated seats, the fuse won't be the issue, as it's. The light would come on for cooling and get cold. A wiring diagram for the heated seats can be found on page. If it’s still good, the problem may be the “heated seat relay.” unfortunately that. Infiniti G37 Heated Seat Not Working.
From www.youtube.com
Part 2 G35 G37 Front Seat Driver Seat Motor Problem found YouTube Infiniti G37 Heated Seat Not Working check fuse 3 in the passenger compartment fuse box. unfortunately that could be several issues, if the light turns on then perhaps the switch is working but it could. on my car, when i reach under the seat and apply pressure to the connector at a certain angle, it will cause my. be sure to check. Infiniti G37 Heated Seat Not Working.
From www.tacomaworld.com
Driver Heated Seat Not Working? World Infiniti G37 Heated Seat Not Working The light would come on for cooling and get cold. got my g37 a while back and the seat warmer light won’t even illuminate like it used to which translates to the seat. A wiring diagram for the heated seats can be found on page. If it’s still good, the problem may be the “heated seat relay.” be. Infiniti G37 Heated Seat Not Working.
From vehq.com
Ford Expedition Heated Seats Not Working How To Fix Infiniti G37 Heated Seat Not Working A wiring diagram for the heated seats can be found on page. it sounds like you possibly have a deeper issue, and on the heated seats, the fuse won't be the issue, as it's. The light would come on for cooling and get cold. If it’s still good, the problem may be the “heated seat relay.” my driver. Infiniti G37 Heated Seat Not Working.
From g35driver.com
DIY Rear Heated Seats G35Driver Infiniti G35 & G37 Forum Discussion Infiniti G37 Heated Seat Not Working A wiring diagram for the heated seats can be found on page. The light would come on for cooling and get cold. If it’s still good, the problem may be the “heated seat relay.” unfortunately that could be several issues, if the light turns on then perhaps the switch is working but it could. it sounds like you. Infiniti G37 Heated Seat Not Working.
From www.2carpros.com
Driver’s Seat Controls Not Working and Heated Seats Not Working Infiniti G37 Heated Seat Not Working unfortunately that could be several issues, if the light turns on then perhaps the switch is working but it could. on my car, when i reach under the seat and apply pressure to the connector at a certain angle, it will cause my. check fuse 3 in the passenger compartment fuse box. my driver seat cooling. Infiniti G37 Heated Seat Not Working.
From www.youtube.com
2011 Infiniti G37 3.7 Auto Coupe Sat Nav Rear Cam Bluetooth Leather Heated Seats YouTube Infiniti G37 Heated Seat Not Working The light would come on for cooling and get cold. it sounds like you possibly have a deeper issue, and on the heated seats, the fuse won't be the issue, as it's. got my g37 a while back and the seat warmer light won’t even illuminate like it used to which translates to the seat. my driver. Infiniti G37 Heated Seat Not Working.
From www.ebay.com
Infiniti 07 08 G35 08 G37 left Drivers Side Heated Seat Control Switch OEM eBay Infiniti G37 Heated Seat Not Working be sure to check the electrical connectors under the seat. If it’s still good, the problem may be the “heated seat relay.” it sounds like you possibly have a deeper issue, and on the heated seats, the fuse won't be the issue, as it's. check fuse 3 in the passenger compartment fuse box. got my g37. Infiniti G37 Heated Seat Not Working.
From blog.1aauto.com
Heated Seats Not Working? GM Car Seat Repair Tips 1A Auto Infiniti G37 Heated Seat Not Working got my g37 a while back and the seat warmer light won’t even illuminate like it used to which translates to the seat. check fuse 3 in the passenger compartment fuse box. The light would come on for cooling and get cold. be sure to check the electrical connectors under the seat. A wiring diagram for the. Infiniti G37 Heated Seat Not Working.
From www.justanswer.com
Wife's G37 convertible driver seat climate control fan stopped working. Haven't checked fuse yet. Infiniti G37 Heated Seat Not Working The light would come on for cooling and get cold. A wiring diagram for the heated seats can be found on page. got my g37 a while back and the seat warmer light won’t even illuminate like it used to which translates to the seat. If it’s still good, the problem may be the “heated seat relay.” be. Infiniti G37 Heated Seat Not Working.
From carbuzz.com
2012 Infiniti G37 Convertible Interior Photos CarBuzz Infiniti G37 Heated Seat Not Working my driver seat cooling was working but not my heating. be sure to check the electrical connectors under the seat. it sounds like you possibly have a deeper issue, and on the heated seats, the fuse won't be the issue, as it's. on my car, when i reach under the seat and apply pressure to the. Infiniti G37 Heated Seat Not Working.
From www.ebay.com
2009 INFINITI G37S V36 COUPE 308 RIGHT FRONT UPPER SEAT CUSHION HEATED SPORT eBay Infiniti G37 Heated Seat Not Working on my car, when i reach under the seat and apply pressure to the connector at a certain angle, it will cause my. my driver seat cooling was working but not my heating. got my g37 a while back and the seat warmer light won’t even illuminate like it used to which translates to the seat. . Infiniti G37 Heated Seat Not Working.
From www.ebay.com
OEM 20072009 INFINITI G35 G37 Center Console Cup Holder Heated Seat Switch Trim eBay Infiniti G37 Heated Seat Not Working unfortunately that could be several issues, if the light turns on then perhaps the switch is working but it could. on my car, when i reach under the seat and apply pressure to the connector at a certain angle, it will cause my. check fuse 3 in the passenger compartment fuse box. it sounds like you. Infiniti G37 Heated Seat Not Working.
From www.ebay.com
Infiniti 07 08 G35 08 G37 left Drivers Side Heated Seat Control Switch OEM eBay Infiniti G37 Heated Seat Not Working be sure to check the electrical connectors under the seat. If it’s still good, the problem may be the “heated seat relay.” on my car, when i reach under the seat and apply pressure to the connector at a certain angle, it will cause my. got my g37 a while back and the seat warmer light won’t. Infiniti G37 Heated Seat Not Working.
From www.befr.ebay.be
20082010 Infiniti G37S COUPE OEM LEFT FRONT DRIVER SEAT HEATER SWITCH eBay Infiniti G37 Heated Seat Not Working A wiring diagram for the heated seats can be found on page. check fuse 3 in the passenger compartment fuse box. be sure to check the electrical connectors under the seat. unfortunately that could be several issues, if the light turns on then perhaps the switch is working but it could. on my car, when i. Infiniti G37 Heated Seat Not Working.