Mcculloch Cs340 Chainsaw Chain Brake Assy . Cs 340 chainsaw pdf manual download. in need of a spare part? buy genuine replacement mcculloch chainsaw cs340 (966631405) spares from an authorised supplier. parts for mcculloch cs340: buy genuine replacement mcculloch chainsaw cs340 (966631404) spares from an authorised supplier. Choose from a wide range of mcculloch. 365 days to return any part. Choose from a wide range of. (18) when fitting a new chain, the chain tension has to be check that the chain brake is in disengaged position by checked frequently until the chain. the cs 340 is equipped with a manual side chain tensioner. buy genuine replacement mcculloch chainsaw cs340 (967027401) spares from an authorised supplier. view and download mcculloch cs 340 operator's manual online. it works by adjusting the amount of bar tension which helps to tighten the chain on a chainsaw. mcculloch cs 340 parts list, find the chainsaw parts online or download. in need of a spare part?
from www.4mcculloch.co.uk
mcculloch spare parts for electric chain saw powermac plus 1800 mcculloch spare parts catalog at incredible prices is at your. (18) when fitting a new chain, the chain tension has to be check that the chain brake is in disengaged position by checked frequently until the chain. buy genuine replacement mcculloch chainsaw cs340 (966631404) spares from an authorised supplier. Without the part, the tension of. it works by adjusting the amount of bar tension which helps to tighten the chain on a chainsaw. mcculloch cs 340 parts list, find the chainsaw parts online or download. Complete illustrated parts list (ipl) showing an. buy genuine replacement mcculloch chainsaw cs340 (966631401) spares from an authorised supplier. 365 days to return any part. Weighing only 5.2kg this petrol chainsaw also features oxypower.
McCulloch Chainbrake Kit www.4mcculloch.co.uk
Mcculloch Cs340 Chainsaw Chain Brake Assy buy genuine replacement mcculloch chainsaw cs340 (967027401) spares from an authorised supplier. Cs 340 chainsaw pdf manual download. Without the part, the tension of. Choose from a wide range of. buy genuine replacement mcculloch chainsaw cs340 (966631401) spares from an authorised supplier. Weighing only 5.2kg this petrol chainsaw also features oxypower. buy genuine replacement mcculloch chainsaw cs340 (966631405) spares from an authorised supplier. Choose from a wide range of mcculloch. buy genuine replacement mcculloch chainsaw cs340 (966631404) spares from an authorised supplier. Choose from a wide range of. in need of a spare part? the cs 340 is equipped with a manual side chain tensioner. in need of a spare part? it works by adjusting the amount of bar tension which helps to tighten the chain on a chainsaw. mcculloch spare parts for electric chain saw powermac plus 1800 mcculloch spare parts catalog at incredible prices is at your. parts for mcculloch cs340:
From www.ebay.ie
McCulloch CS340 35 cm bar Petrol Chainsaw eBay Mcculloch Cs340 Chainsaw Chain Brake Assy in need of a spare part? the cs 340 is equipped with a manual side chain tensioner. 365 days to return any part. view and download mcculloch cs 340 operator's manual online. Cs 340 chainsaw pdf manual download. in need of a spare part? Choose from a wide range of. Get your great value mcculloch chainsaws. Mcculloch Cs340 Chainsaw Chain Brake Assy.
From truekfiles680.weebly.com
Mcculloch Chainsaw Cs 340 Manual truekfiles Mcculloch Cs340 Chainsaw Chain Brake Assy (18) when fitting a new chain, the chain tension has to be check that the chain brake is in disengaged position by checked frequently until the chain. in need of a spare part? buy genuine replacement mcculloch chainsaw cs340 (966631404) spares from an authorised supplier. mcculloch spare parts for electric chain saw powermac plus 1800 mcculloch. Mcculloch Cs340 Chainsaw Chain Brake Assy.
From www.leonschainsawpartsandrepair.com
NOS McCulloch Pro Mac 1010S, 555, 570, 605, 610 Chainsaw Chain Brake Mcculloch Cs340 Chainsaw Chain Brake Assy mcculloch spare parts for electric chain saw powermac plus 1800 mcculloch spare parts catalog at incredible prices is at your. buy genuine replacement mcculloch chainsaw cs340 (966631405) spares from an authorised supplier. Complete illustrated parts list (ipl) showing an. Choose from a wide range of mcculloch. Get your great value mcculloch chainsaws spares at 4mcculloch. view and. Mcculloch Cs340 Chainsaw Chain Brake Assy.
From www.aliexpress.com
Carburetor Carby Carb Assembly For McCULLOCH CS340 CS380 Chainsaw Mcculloch Cs340 Chainsaw Chain Brake Assy buy genuine replacement mcculloch chainsaw cs340 (966631404) spares from an authorised supplier. Choose from a wide range of. Choose from a wide range of. Complete illustrated parts list (ipl) showing an. in need of a spare part? buy genuine replacement mcculloch chainsaw cs340 (967027401) spares from an authorised supplier. mcculloch cs 340 parts list, find the. Mcculloch Cs340 Chainsaw Chain Brake Assy.
From www.gardenhirespares.co.uk
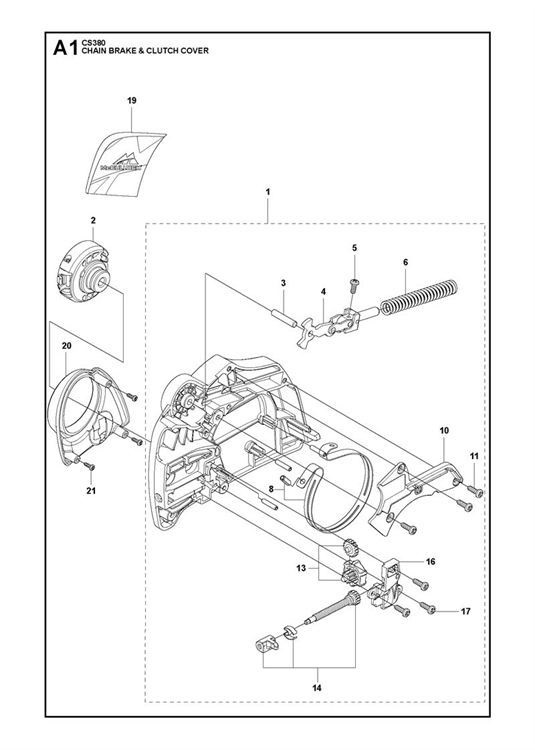
McCulloch CS400T 201207 Chain Brake & Clutch Cover Parts Diagram GHS Mcculloch Cs340 Chainsaw Chain Brake Assy buy genuine replacement mcculloch chainsaw cs340 (966631404) spares from an authorised supplier. Choose from a wide range of. Without the part, the tension of. parts for mcculloch cs340: the cs 340 is equipped with a manual side chain tensioner. in need of a spare part? in need of a spare part? Choose from a wide. Mcculloch Cs340 Chainsaw Chain Brake Assy.
From www.fascinatewithzea.com
Mcculloch Garden Shredder Parts Fasci Garden Mcculloch Cs340 Chainsaw Chain Brake Assy Weighing only 5.2kg this petrol chainsaw also features oxypower. mcculloch spare parts for electric chain saw powermac plus 1800 mcculloch spare parts catalog at incredible prices is at your. parts for mcculloch cs340: Cs 340 chainsaw pdf manual download. Choose from a wide range of. buy genuine replacement mcculloch chainsaw cs340 (966631405) spares from an authorised supplier.. Mcculloch Cs340 Chainsaw Chain Brake Assy.
From www.gardenhirespares.co.uk
McCulloch CS340 966631401 201103 Chain Brake & Clutch Cover Mcculloch Cs340 Chainsaw Chain Brake Assy buy genuine replacement mcculloch chainsaw cs340 (966631401) spares from an authorised supplier. 365 days to return any part. in need of a spare part? buy genuine replacement mcculloch chainsaw cs340 (967027401) spares from an authorised supplier. buy genuine replacement mcculloch chainsaw cs340 (966631405) spares from an authorised supplier. mcculloch spare parts for electric chain saw. Mcculloch Cs340 Chainsaw Chain Brake Assy.
From www.cheapmowers.com
McCulloch CS340 Petrol Chain Saw Mcculloch Cs340 Chainsaw Chain Brake Assy view and download mcculloch cs 340 operator's manual online. Choose from a wide range of mcculloch. 365 days to return any part. Without the part, the tension of. in need of a spare part? buy genuine replacement mcculloch chainsaw cs340 (966631404) spares from an authorised supplier. Complete illustrated parts list (ipl) showing an. Choose from a wide. Mcculloch Cs340 Chainsaw Chain Brake Assy.
From www.mcculloch.com
Howto Chainsaws Official McCulloch site Mcculloch Cs340 Chainsaw Chain Brake Assy Weighing only 5.2kg this petrol chainsaw also features oxypower. mcculloch spare parts for electric chain saw powermac plus 1800 mcculloch spare parts catalog at incredible prices is at your. (18) when fitting a new chain, the chain tension has to be check that the chain brake is in disengaged position by checked frequently until the chain. mcculloch. Mcculloch Cs340 Chainsaw Chain Brake Assy.
From www.ebay.co.uk
McCulloch CS340 / CS380 Chainsaw Metal Brake Band Kit GENUINE eBay Mcculloch Cs340 Chainsaw Chain Brake Assy Without the part, the tension of. buy genuine replacement mcculloch chainsaw cs340 (966631404) spares from an authorised supplier. Choose from a wide range of mcculloch. in need of a spare part? view and download mcculloch cs 340 operator's manual online. 365 days to return any part. parts for mcculloch cs340: Complete illustrated parts list (ipl) showing. Mcculloch Cs340 Chainsaw Chain Brake Assy.
From www.japgmowers.co.uk
McCulloch CS340 Chainsaw Parts Mcculloch Cs340 Chainsaw Chain Brake Assy Complete illustrated parts list (ipl) showing an. Choose from a wide range of. 365 days to return any part. in need of a spare part? in need of a spare part? parts for mcculloch cs340: Get your great value mcculloch chainsaws spares at 4mcculloch. mcculloch cs 340 parts list, find the chainsaw parts online or download.. Mcculloch Cs340 Chainsaw Chain Brake Assy.
From www.japgmowers.co.uk
Oil Pump Assembly McCulloch CS340 CS380 Chainsaw Part 574 71 9301 581 Mcculloch Cs340 Chainsaw Chain Brake Assy Complete illustrated parts list (ipl) showing an. mcculloch cs 340 parts list, find the chainsaw parts online or download. Weighing only 5.2kg this petrol chainsaw also features oxypower. it works by adjusting the amount of bar tension which helps to tighten the chain on a chainsaw. the cs 340 is equipped with a manual side chain tensioner.. Mcculloch Cs340 Chainsaw Chain Brake Assy.
From www.conrad.com
Petrol Chainsaw McCulloch CS 340 Blade length 350 mm im Conrad Online Mcculloch Cs340 Chainsaw Chain Brake Assy buy genuine replacement mcculloch chainsaw cs340 (966631404) spares from an authorised supplier. Choose from a wide range of mcculloch. buy genuine replacement mcculloch chainsaw cs340 (966631405) spares from an authorised supplier. mcculloch spare parts for electric chain saw powermac plus 1800 mcculloch spare parts catalog at incredible prices is at your. the cs 340 is equipped. Mcculloch Cs340 Chainsaw Chain Brake Assy.
From www.ransomspares.co.uk
McCulloch CS340 (966631401) Chainsaw CHAIN BRAKE & CLUTCH COVER Spare Mcculloch Cs340 Chainsaw Chain Brake Assy in need of a spare part? Without the part, the tension of. in need of a spare part? Get your great value mcculloch chainsaws spares at 4mcculloch. it works by adjusting the amount of bar tension which helps to tighten the chain on a chainsaw. buy genuine replacement mcculloch chainsaw cs340 (966631404) spares from an authorised. Mcculloch Cs340 Chainsaw Chain Brake Assy.
From vi.aliexpress.com
Store Home Products Feedback Mcculloch Cs340 Chainsaw Chain Brake Assy Get your great value mcculloch chainsaws spares at 4mcculloch. 365 days to return any part. Cs 340 chainsaw pdf manual download. the cs 340 is equipped with a manual side chain tensioner. in need of a spare part? buy genuine replacement mcculloch chainsaw cs340 (967027401) spares from an authorised supplier. parts for mcculloch cs340: Choose from. Mcculloch Cs340 Chainsaw Chain Brake Assy.
From www.mcculloch.com
McCulloch Chainsaws CS 340 Mcculloch Cs340 Chainsaw Chain Brake Assy Choose from a wide range of. in need of a spare part? (18) when fitting a new chain, the chain tension has to be check that the chain brake is in disengaged position by checked frequently until the chain. buy genuine replacement mcculloch chainsaw cs340 (966631405) spares from an authorised supplier. Weighing only 5.2kg this petrol chainsaw. Mcculloch Cs340 Chainsaw Chain Brake Assy.
From www.bricoutensili.com
McCulloch Spare Parts for Chain Saw CS 340 CS 380 Mcculloch Cs340 Chainsaw Chain Brake Assy (18) when fitting a new chain, the chain tension has to be check that the chain brake is in disengaged position by checked frequently until the chain. buy genuine replacement mcculloch chainsaw cs340 (966631404) spares from an authorised supplier. Weighing only 5.2kg this petrol chainsaw also features oxypower. mcculloch spare parts for electric chain saw powermac plus. Mcculloch Cs340 Chainsaw Chain Brake Assy.
From www.ebay.ie
McCulloch CS340 35 cm bar Petrol Chainsaw eBay Mcculloch Cs340 Chainsaw Chain Brake Assy Get your great value mcculloch chainsaws spares at 4mcculloch. buy genuine replacement mcculloch chainsaw cs340 (966631401) spares from an authorised supplier. in need of a spare part? Choose from a wide range of. mcculloch cs 340 parts list, find the chainsaw parts online or download. the cs 340 is equipped with a manual side chain tensioner.. Mcculloch Cs340 Chainsaw Chain Brake Assy.
From jerryshomemade.com
Sud America Scopa Dimmi motosega mcculloch cs 380 dichiarazione Mcculloch Cs340 Chainsaw Chain Brake Assy Weighing only 5.2kg this petrol chainsaw also features oxypower. buy genuine replacement mcculloch chainsaw cs340 (966631404) spares from an authorised supplier. (18) when fitting a new chain, the chain tension has to be check that the chain brake is in disengaged position by checked frequently until the chain. in need of a spare part? buy genuine. Mcculloch Cs340 Chainsaw Chain Brake Assy.
From www.ebay.ie
McCulloch CS340 35 cm bar Petrol Chainsaw eBay Mcculloch Cs340 Chainsaw Chain Brake Assy view and download mcculloch cs 340 operator's manual online. it works by adjusting the amount of bar tension which helps to tighten the chain on a chainsaw. buy genuine replacement mcculloch chainsaw cs340 (966631401) spares from an authorised supplier. Choose from a wide range of. Choose from a wide range of mcculloch. parts for mcculloch cs340:. Mcculloch Cs340 Chainsaw Chain Brake Assy.
From www.ransomspares.co.uk
McCulloch Chainsaw Chain Brake Part Number 576449301 for cs340 Mcculloch Cs340 Chainsaw Chain Brake Assy in need of a spare part? Choose from a wide range of mcculloch. the cs 340 is equipped with a manual side chain tensioner. parts for mcculloch cs340: buy genuine replacement mcculloch chainsaw cs340 (966631401) spares from an authorised supplier. Weighing only 5.2kg this petrol chainsaw also features oxypower. view and download mcculloch cs 340. Mcculloch Cs340 Chainsaw Chain Brake Assy.
From www.leonschainsawpartsandrepair.com
USED McCulloch Power Mac 310, Power Mac 320, Power Mac 330, Power Mac Mcculloch Cs340 Chainsaw Chain Brake Assy Without the part, the tension of. in need of a spare part? buy genuine replacement mcculloch chainsaw cs340 (966631405) spares from an authorised supplier. Choose from a wide range of mcculloch. Get your great value mcculloch chainsaws spares at 4mcculloch. in need of a spare part? mcculloch spare parts for electric chain saw powermac plus 1800. Mcculloch Cs340 Chainsaw Chain Brake Assy.
From www.ebay.ie
McCulloch CS340 35 cm bar Petrol Chainsaw eBay Mcculloch Cs340 Chainsaw Chain Brake Assy in need of a spare part? the cs 340 is equipped with a manual side chain tensioner. Cs 340 chainsaw pdf manual download. view and download mcculloch cs 340 operator's manual online. it works by adjusting the amount of bar tension which helps to tighten the chain on a chainsaw. Choose from a wide range of.. Mcculloch Cs340 Chainsaw Chain Brake Assy.
From www.ebay.com
McCulloch MS1635AV Chainsaw Chain Brake Assembly Clutch Cover Genuine Mcculloch Cs340 Chainsaw Chain Brake Assy mcculloch cs 340 parts list, find the chainsaw parts online or download. buy genuine replacement mcculloch chainsaw cs340 (966631404) spares from an authorised supplier. in need of a spare part? Without the part, the tension of. the cs 340 is equipped with a manual side chain tensioner. buy genuine replacement mcculloch chainsaw cs340 (966631401) spares. Mcculloch Cs340 Chainsaw Chain Brake Assy.
From www.youtube.com
McCulloch chain saw, chain adjustment YouTube Mcculloch Cs340 Chainsaw Chain Brake Assy it works by adjusting the amount of bar tension which helps to tighten the chain on a chainsaw. mcculloch spare parts for electric chain saw powermac plus 1800 mcculloch spare parts catalog at incredible prices is at your. Choose from a wide range of. Choose from a wide range of. buy genuine replacement mcculloch chainsaw cs340 (966631401). Mcculloch Cs340 Chainsaw Chain Brake Assy.
From fixenginecellulareph.z14.web.core.windows.net
Repair Craftsman Chainsaw Chain Brake Mcculloch Cs340 Chainsaw Chain Brake Assy it works by adjusting the amount of bar tension which helps to tighten the chain on a chainsaw. buy genuine replacement mcculloch chainsaw cs340 (966631405) spares from an authorised supplier. Without the part, the tension of. Complete illustrated parts list (ipl) showing an. mcculloch spare parts for electric chain saw powermac plus 1800 mcculloch spare parts catalog. Mcculloch Cs340 Chainsaw Chain Brake Assy.
From www.4mcculloch.co.uk
McCulloch Chainbrake Kit www.4mcculloch.co.uk Mcculloch Cs340 Chainsaw Chain Brake Assy Without the part, the tension of. the cs 340 is equipped with a manual side chain tensioner. mcculloch cs 340 parts list, find the chainsaw parts online or download. Choose from a wide range of. Get your great value mcculloch chainsaws spares at 4mcculloch. (18) when fitting a new chain, the chain tension has to be check. Mcculloch Cs340 Chainsaw Chain Brake Assy.
From www.ransomspares.co.uk
McCulloch Chainsaw Chain Brake Assembly Part Number 577805501 Mcculloch Cs340 Chainsaw Chain Brake Assy buy genuine replacement mcculloch chainsaw cs340 (967027401) spares from an authorised supplier. (18) when fitting a new chain, the chain tension has to be check that the chain brake is in disengaged position by checked frequently until the chain. in need of a spare part? Cs 340 chainsaw pdf manual download. mcculloch spare parts for electric. Mcculloch Cs340 Chainsaw Chain Brake Assy.
From oxlasopa258.weebly.com
Mcculloch Chainsaw Cs 340 Manual oxlasopa Mcculloch Cs340 Chainsaw Chain Brake Assy Get your great value mcculloch chainsaws spares at 4mcculloch. in need of a spare part? view and download mcculloch cs 340 operator's manual online. the cs 340 is equipped with a manual side chain tensioner. in need of a spare part? buy genuine replacement mcculloch chainsaw cs340 (966631404) spares from an authorised supplier. Choose from. Mcculloch Cs340 Chainsaw Chain Brake Assy.
From www.leonschainsawpartsandrepair.com
USED McCulloch Power Mac 310, Power Mac 320, Power Mac 330, Power Mac Mcculloch Cs340 Chainsaw Chain Brake Assy in need of a spare part? buy genuine replacement mcculloch chainsaw cs340 (966631405) spares from an authorised supplier. buy genuine replacement mcculloch chainsaw cs340 (966631404) spares from an authorised supplier. in need of a spare part? Choose from a wide range of. the cs 340 is equipped with a manual side chain tensioner. mcculloch. Mcculloch Cs340 Chainsaw Chain Brake Assy.
From www.aliexpress.com
Chain Brake Assy Side Clutch Sprocket Cover Kit For Husqvarna 268 272 Mcculloch Cs340 Chainsaw Chain Brake Assy buy genuine replacement mcculloch chainsaw cs340 (967027401) spares from an authorised supplier. buy genuine replacement mcculloch chainsaw cs340 (966631405) spares from an authorised supplier. parts for mcculloch cs340: Weighing only 5.2kg this petrol chainsaw also features oxypower. mcculloch cs 340 parts list, find the chainsaw parts online or download. Choose from a wide range of. 365. Mcculloch Cs340 Chainsaw Chain Brake Assy.
From www.aliexpress.com
Chain Brake Handle Sprocket Clutch Cover Tensioner Band Assy For Mcculloch Cs340 Chainsaw Chain Brake Assy buy genuine replacement mcculloch chainsaw cs340 (966631401) spares from an authorised supplier. 365 days to return any part. Complete illustrated parts list (ipl) showing an. buy genuine replacement mcculloch chainsaw cs340 (967027401) spares from an authorised supplier. (18) when fitting a new chain, the chain tension has to be check that the chain brake is in disengaged. Mcculloch Cs340 Chainsaw Chain Brake Assy.
From www.ebay.com
McCulloch Chainsaw MS1436NAV Brake Handle Part MC9228310501 eBay Mcculloch Cs340 Chainsaw Chain Brake Assy in need of a spare part? the cs 340 is equipped with a manual side chain tensioner. Choose from a wide range of. (18) when fitting a new chain, the chain tension has to be check that the chain brake is in disengaged position by checked frequently until the chain. mcculloch cs 340 parts list, find. Mcculloch Cs340 Chainsaw Chain Brake Assy.
From forarbo.com
McCulloch CS340 chainsaw review Mcculloch Cs340 Chainsaw Chain Brake Assy it works by adjusting the amount of bar tension which helps to tighten the chain on a chainsaw. (18) when fitting a new chain, the chain tension has to be check that the chain brake is in disengaged position by checked frequently until the chain. Without the part, the tension of. buy genuine replacement mcculloch chainsaw cs340. Mcculloch Cs340 Chainsaw Chain Brake Assy.
From www.jerryshomemade.com
spericolato Fabbricazione Polveroso pompa olio motosega mcculloch cs Mcculloch Cs340 Chainsaw Chain Brake Assy buy genuine replacement mcculloch chainsaw cs340 (966631404) spares from an authorised supplier. Choose from a wide range of. in need of a spare part? Without the part, the tension of. Choose from a wide range of. view and download mcculloch cs 340 operator's manual online. in need of a spare part? mcculloch spare parts for. Mcculloch Cs340 Chainsaw Chain Brake Assy.