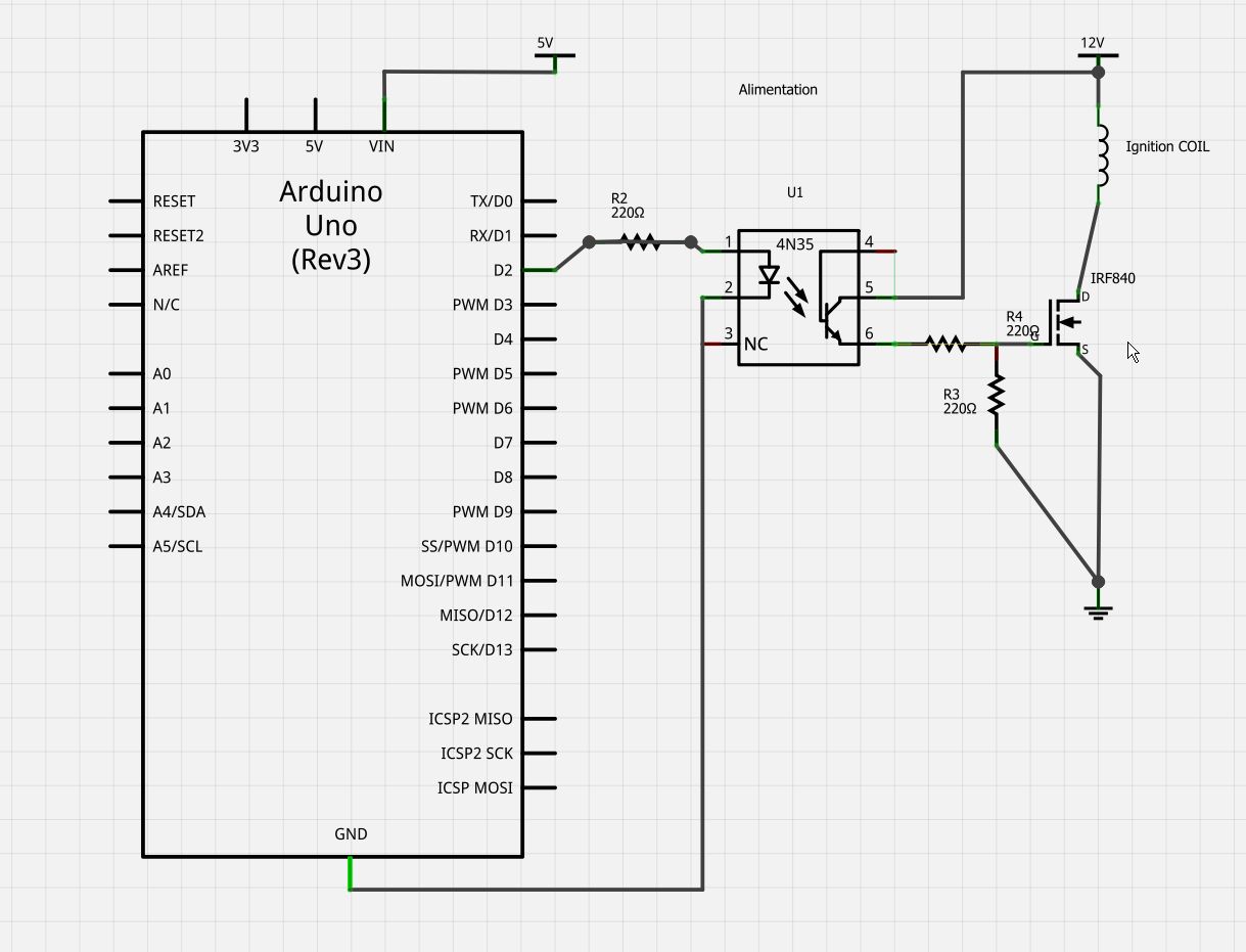
Speeduino Ignition Coil Driver . I am using an irgs14c40l igbt driver for direct coil control and this is controlled by the tc4424avoa mosfet driver as per the original. The schematic in the first link you provided shows that the board is using ignition igbt made by onsemi. Separate ignition coil drivers like that one are for passive (dumb) coils that do not have an internal driver ( active or smart). I have been looking for a dumb coil driver for my klr650 project. Those should be able to drive dumb. They are critical and incorrect values will result in an. I want to retain the stock coil because it is out of the way and there's. The spark settings dialog contains the options for how the ignition outputs will function, including which of the 4 ign outputs are used and how.
from www.egmcartech.com
The spark settings dialog contains the options for how the ignition outputs will function, including which of the 4 ign outputs are used and how. They are critical and incorrect values will result in an. I have been looking for a dumb coil driver for my klr650 project. I am using an irgs14c40l igbt driver for direct coil control and this is controlled by the tc4424avoa mosfet driver as per the original. The schematic in the first link you provided shows that the board is using ignition igbt made by onsemi. Separate ignition coil drivers like that one are for passive (dumb) coils that do not have an internal driver ( active or smart). Those should be able to drive dumb. I want to retain the stock coil because it is out of the way and there's.
PreIgnition x4 Speeduino Compatible ECU Shield for Sale emgCarTech
Speeduino Ignition Coil Driver Separate ignition coil drivers like that one are for passive (dumb) coils that do not have an internal driver ( active or smart). Those should be able to drive dumb. The schematic in the first link you provided shows that the board is using ignition igbt made by onsemi. I am using an irgs14c40l igbt driver for direct coil control and this is controlled by the tc4424avoa mosfet driver as per the original. Separate ignition coil drivers like that one are for passive (dumb) coils that do not have an internal driver ( active or smart). I have been looking for a dumb coil driver for my klr650 project. I want to retain the stock coil because it is out of the way and there's. They are critical and incorrect values will result in an. The spark settings dialog contains the options for how the ignition outputs will function, including which of the 4 ign outputs are used and how.
From electronics.stackexchange.com
microcontroller Using a microcontroller to drive an ignition coil Speeduino Ignition Coil Driver I have been looking for a dumb coil driver for my klr650 project. The spark settings dialog contains the options for how the ignition outputs will function, including which of the 4 ign outputs are used and how. Those should be able to drive dumb. They are critical and incorrect values will result in an. I want to retain the. Speeduino Ignition Coil Driver.
From www.x-h2o.com
Smart Coils, Speeduino, Hall Effect, etc. New ignition control ideas Speeduino Ignition Coil Driver The spark settings dialog contains the options for how the ignition outputs will function, including which of the 4 ign outputs are used and how. Those should be able to drive dumb. I want to retain the stock coil because it is out of the way and there's. Separate ignition coil drivers like that one are for passive (dumb) coils. Speeduino Ignition Coil Driver.
From performanceparts.co.za
Spitronics 4 Channel Coil Driver Speeduino Ignition Coil Driver I want to retain the stock coil because it is out of the way and there's. Those should be able to drive dumb. They are critical and incorrect values will result in an. I am using an irgs14c40l igbt driver for direct coil control and this is controlled by the tc4424avoa mosfet driver as per the original. Separate ignition coil. Speeduino Ignition Coil Driver.
From schematron.org
Speeduino Wiring Diagram Wiring Diagram Pictures Speeduino Ignition Coil Driver They are critical and incorrect values will result in an. Separate ignition coil drivers like that one are for passive (dumb) coils that do not have an internal driver ( active or smart). The spark settings dialog contains the options for how the ignition outputs will function, including which of the 4 ign outputs are used and how. I want. Speeduino Ignition Coil Driver.
From www.youtube.com
Ignition Coil Drivers YouTube Speeduino Ignition Coil Driver They are critical and incorrect values will result in an. Separate ignition coil drivers like that one are for passive (dumb) coils that do not have an internal driver ( active or smart). I have been looking for a dumb coil driver for my klr650 project. The spark settings dialog contains the options for how the ignition outputs will function,. Speeduino Ignition Coil Driver.
From wiki.speeduino.com
Ignition Wiring Speeduino Manual Speeduino Ignition Coil Driver Separate ignition coil drivers like that one are for passive (dumb) coils that do not have an internal driver ( active or smart). The schematic in the first link you provided shows that the board is using ignition igbt made by onsemi. I want to retain the stock coil because it is out of the way and there's. I have. Speeduino Ignition Coil Driver.
From www.youtube.com
4A084 Speeduino Ignition Replacement Starting YouTube Speeduino Ignition Coil Driver I want to retain the stock coil because it is out of the way and there's. The spark settings dialog contains the options for how the ignition outputs will function, including which of the 4 ign outputs are used and how. Those should be able to drive dumb. I have been looking for a dumb coil driver for my klr650. Speeduino Ignition Coil Driver.
From www.youtube.com
Coil Pack Driver Circuit / Arduino / 555 Timer YouTube Speeduino Ignition Coil Driver Those should be able to drive dumb. They are critical and incorrect values will result in an. The schematic in the first link you provided shows that the board is using ignition igbt made by onsemi. I have been looking for a dumb coil driver for my klr650 project. Separate ignition coil drivers like that one are for passive (dumb). Speeduino Ignition Coil Driver.
From www.electroschematics.com
555 Ignition Coil Driver Circuit Speeduino Ignition Coil Driver The schematic in the first link you provided shows that the board is using ignition igbt made by onsemi. They are critical and incorrect values will result in an. Those should be able to drive dumb. I want to retain the stock coil because it is out of the way and there's. Separate ignition coil drivers like that one are. Speeduino Ignition Coil Driver.
From www.instructables.com
Super Simple Ignition Coil Drivers 7 Steps Instructables Speeduino Ignition Coil Driver I want to retain the stock coil because it is out of the way and there's. The spark settings dialog contains the options for how the ignition outputs will function, including which of the 4 ign outputs are used and how. Separate ignition coil drivers like that one are for passive (dumb) coils that do not have an internal driver. Speeduino Ignition Coil Driver.
From money-sense.net
EDIS8 EDIS 8 Ignition module w/ pigtail Megasquirt Coil Packs speeduino Speeduino Ignition Coil Driver The schematic in the first link you provided shows that the board is using ignition igbt made by onsemi. I want to retain the stock coil because it is out of the way and there's. Those should be able to drive dumb. I am using an irgs14c40l igbt driver for direct coil control and this is controlled by the tc4424avoa. Speeduino Ignition Coil Driver.
From www.youtube.com
First run on Speeduino fuel and ignition YouTube Speeduino Ignition Coil Driver The spark settings dialog contains the options for how the ignition outputs will function, including which of the 4 ign outputs are used and how. I have been looking for a dumb coil driver for my klr650 project. I am using an irgs14c40l igbt driver for direct coil control and this is controlled by the tc4424avoa mosfet driver as per. Speeduino Ignition Coil Driver.
From akita-mitsubishi.co.jp
Car & Truck Computers, Chips & Cruise Control Parts Car & Truck Speeduino Ignition Coil Driver I am using an irgs14c40l igbt driver for direct coil control and this is controlled by the tc4424avoa mosfet driver as per the original. I want to retain the stock coil because it is out of the way and there's. They are critical and incorrect values will result in an. The spark settings dialog contains the options for how the. Speeduino Ignition Coil Driver.
From ar.inspiredpencil.com
Car Ignition Coil Driver Circuit Speeduino Ignition Coil Driver Those should be able to drive dumb. I have been looking for a dumb coil driver for my klr650 project. The schematic in the first link you provided shows that the board is using ignition igbt made by onsemi. I am using an irgs14c40l igbt driver for direct coil control and this is controlled by the tc4424avoa mosfet driver as. Speeduino Ignition Coil Driver.
From diy-efi.co.uk
4 Cylinder Coil Pack With Inbuilt Drivers DIYEFI Speeduino Ignition Coil Driver I want to retain the stock coil because it is out of the way and there's. I have been looking for a dumb coil driver for my klr650 project. The spark settings dialog contains the options for how the ignition outputs will function, including which of the 4 ign outputs are used and how. I am using an irgs14c40l igbt. Speeduino Ignition Coil Driver.
From www.egmcartech.com
PreIgnition x4 Speeduino Compatible ECU Shield for Sale emgCarTech Speeduino Ignition Coil Driver The spark settings dialog contains the options for how the ignition outputs will function, including which of the 4 ign outputs are used and how. Separate ignition coil drivers like that one are for passive (dumb) coils that do not have an internal driver ( active or smart). I want to retain the stock coil because it is out of. Speeduino Ignition Coil Driver.
From www.youtube.com
Ignition Coil Drivers how to make high voltage generator at home Speeduino Ignition Coil Driver Those should be able to drive dumb. Separate ignition coil drivers like that one are for passive (dumb) coils that do not have an internal driver ( active or smart). They are critical and incorrect values will result in an. I want to retain the stock coil because it is out of the way and there's. I have been looking. Speeduino Ignition Coil Driver.
From wiki.speeduino.com
V04 Board Speeduino Manual Speeduino Ignition Coil Driver I want to retain the stock coil because it is out of the way and there's. Separate ignition coil drivers like that one are for passive (dumb) coils that do not have an internal driver ( active or smart). I have been looking for a dumb coil driver for my klr650 project. I am using an irgs14c40l igbt driver for. Speeduino Ignition Coil Driver.
From www.instructables.com
Super Simple Ignition Coil Drivers 7 Steps Instructables Speeduino Ignition Coil Driver The schematic in the first link you provided shows that the board is using ignition igbt made by onsemi. They are critical and incorrect values will result in an. I want to retain the stock coil because it is out of the way and there's. The spark settings dialog contains the options for how the ignition outputs will function, including. Speeduino Ignition Coil Driver.
From www.youtube.com
Speeduino Ignition module test Darude Sandstorm YouTube Speeduino Ignition Coil Driver I have been looking for a dumb coil driver for my klr650 project. They are critical and incorrect values will result in an. Separate ignition coil drivers like that one are for passive (dumb) coils that do not have an internal driver ( active or smart). The spark settings dialog contains the options for how the ignition outputs will function,. Speeduino Ignition Coil Driver.
From itecnotes.com
Electronic arduino Mimic a pickup coil to drive a CDI ignition Speeduino Ignition Coil Driver Those should be able to drive dumb. I have been looking for a dumb coil driver for my klr650 project. Separate ignition coil drivers like that one are for passive (dumb) coils that do not have an internal driver ( active or smart). The schematic in the first link you provided shows that the board is using ignition igbt made. Speeduino Ignition Coil Driver.
From diy-efi.co.uk
4 Cylinder Coil Pack With Inbuilt Drivers DIYEFI Speeduino Ignition Coil Driver I have been looking for a dumb coil driver for my klr650 project. Those should be able to drive dumb. I want to retain the stock coil because it is out of the way and there's. I am using an irgs14c40l igbt driver for direct coil control and this is controlled by the tc4424avoa mosfet driver as per the original.. Speeduino Ignition Coil Driver.
From forum.arduino.cc
Ignition coil driver General Electronics Arduino Forum Speeduino Ignition Coil Driver I am using an irgs14c40l igbt driver for direct coil control and this is controlled by the tc4424avoa mosfet driver as per the original. The schematic in the first link you provided shows that the board is using ignition igbt made by onsemi. Those should be able to drive dumb. Separate ignition coil drivers like that one are for passive. Speeduino Ignition Coil Driver.
From www.motorbrein.nl
4 Kanaals ignition driver SMD pcb Speeduino Motorbrein.nl Speeduino Ignition Coil Driver The spark settings dialog contains the options for how the ignition outputs will function, including which of the 4 ign outputs are used and how. They are critical and incorrect values will result in an. The schematic in the first link you provided shows that the board is using ignition igbt made by onsemi. I am using an irgs14c40l igbt. Speeduino Ignition Coil Driver.
From www.youtube.com
Speeduino Suzuki Samurai Coil on plug sequential ignition YouTube Speeduino Ignition Coil Driver Separate ignition coil drivers like that one are for passive (dumb) coils that do not have an internal driver ( active or smart). Those should be able to drive dumb. I am using an irgs14c40l igbt driver for direct coil control and this is controlled by the tc4424avoa mosfet driver as per the original. I have been looking for a. Speeduino Ignition Coil Driver.
From joeblogs.uk
Triumph Spitfire Electronic Ignition Speeduino Ignition Coil Driver I want to retain the stock coil because it is out of the way and there's. The spark settings dialog contains the options for how the ignition outputs will function, including which of the 4 ign outputs are used and how. Separate ignition coil drivers like that one are for passive (dumb) coils that do not have an internal driver. Speeduino Ignition Coil Driver.
From www.motorbrein.nl
4 Kanaals ignition driver SMD Speeduino Motorbrein.nl Speeduino Ignition Coil Driver I have been looking for a dumb coil driver for my klr650 project. I am using an irgs14c40l igbt driver for direct coil control and this is controlled by the tc4424avoa mosfet driver as per the original. They are critical and incorrect values will result in an. The spark settings dialog contains the options for how the ignition outputs will. Speeduino Ignition Coil Driver.
From www.youtube.com
First run on Speeduino ignition only YouTube Speeduino Ignition Coil Driver The spark settings dialog contains the options for how the ignition outputs will function, including which of the 4 ign outputs are used and how. The schematic in the first link you provided shows that the board is using ignition igbt made by onsemi. Separate ignition coil drivers like that one are for passive (dumb) coils that do not have. Speeduino Ignition Coil Driver.
From circuitlibraryfagundes.z19.web.core.windows.net
Simple Car Ignition Coil Driver Circuit Diagram Speeduino Ignition Coil Driver Separate ignition coil drivers like that one are for passive (dumb) coils that do not have an internal driver ( active or smart). I am using an irgs14c40l igbt driver for direct coil control and this is controlled by the tc4424avoa mosfet driver as per the original. They are critical and incorrect values will result in an. I want to. Speeduino Ignition Coil Driver.
From performanceparts.co.za
Spitronics 6 Channel Coil Driver Speeduino Ignition Coil Driver I am using an irgs14c40l igbt driver for direct coil control and this is controlled by the tc4424avoa mosfet driver as per the original. The schematic in the first link you provided shows that the board is using ignition igbt made by onsemi. The spark settings dialog contains the options for how the ignition outputs will function, including which of. Speeduino Ignition Coil Driver.
From www.electroschematics.com
555 Ignition Coil Driver Circuit Speeduino Ignition Coil Driver I have been looking for a dumb coil driver for my klr650 project. Separate ignition coil drivers like that one are for passive (dumb) coils that do not have an internal driver ( active or smart). They are critical and incorrect values will result in an. I am using an irgs14c40l igbt driver for direct coil control and this is. Speeduino Ignition Coil Driver.
From www.reddit.com
Volkswagen Ignition Coil Speeduino Speeduino Ignition Coil Driver I am using an irgs14c40l igbt driver for direct coil control and this is controlled by the tc4424avoa mosfet driver as per the original. They are critical and incorrect values will result in an. I have been looking for a dumb coil driver for my klr650 project. The spark settings dialog contains the options for how the ignition outputs will. Speeduino Ignition Coil Driver.
From www.tasteslikepetrol.net
Speeduino Coil Mount CAD Tastes Like Petrol Speeduino Ignition Coil Driver They are critical and incorrect values will result in an. I am using an irgs14c40l igbt driver for direct coil control and this is controlled by the tc4424avoa mosfet driver as per the original. I have been looking for a dumb coil driver for my klr650 project. Those should be able to drive dumb. The spark settings dialog contains the. Speeduino Ignition Coil Driver.
From www.tasteslikepetrol.net
Speeduino Coil Mount CAD Tastes Like Petrol Speeduino Ignition Coil Driver I have been looking for a dumb coil driver for my klr650 project. I want to retain the stock coil because it is out of the way and there's. They are critical and incorrect values will result in an. Separate ignition coil drivers like that one are for passive (dumb) coils that do not have an internal driver ( active. Speeduino Ignition Coil Driver.
From zclub.net
Speeduino installation Z Club Community Speeduino Ignition Coil Driver Separate ignition coil drivers like that one are for passive (dumb) coils that do not have an internal driver ( active or smart). I have been looking for a dumb coil driver for my klr650 project. They are critical and incorrect values will result in an. Those should be able to drive dumb. The spark settings dialog contains the options. Speeduino Ignition Coil Driver.