Master Cylinder And Servo Unit . here's how a brake booster and master cylinder work to stop your vehicle. Brake servos amplify the force. when you press down on the brake pedal, it activates the master cylinder, which in turn sends hydraulic fluid to the brake calipers or wheel cylinders. Before replacing it, check the condition of. a master cylinder serving a single circuit braking system, and with no servo unit. what a servo does is dramatically reduce the physical effort needed to actuate your brakes with your. The pedal can work the master cylinder directly if the servo fails or if the. You’ll find the same instructions in the brake master cylinder. This creates friction between the brake pads and rotors, or brake shoes and drums, which slows down your vehicle. Please read and follow all instructions carefully. what is the difference between a brake servo and a master cylinder? instructions for replacing brake master cylinders. Pressing the brake pedal forces fluid out of.
from www.ukmazdaparts.co.uk
here's how a brake booster and master cylinder work to stop your vehicle. what a servo does is dramatically reduce the physical effort needed to actuate your brakes with your. This creates friction between the brake pads and rotors, or brake shoes and drums, which slows down your vehicle. when you press down on the brake pedal, it activates the master cylinder, which in turn sends hydraulic fluid to the brake calipers or wheel cylinders. what is the difference between a brake servo and a master cylinder? instructions for replacing brake master cylinders. Please read and follow all instructions carefully. The pedal can work the master cylinder directly if the servo fails or if the. Pressing the brake pedal forces fluid out of. Before replacing it, check the condition of.
MAZDA MX5 EUNOS MK2 5 2001 05 BRAKE MASTER CYLINDER SERVO UNIT WITH ABS
Master Cylinder And Servo Unit Pressing the brake pedal forces fluid out of. what is the difference between a brake servo and a master cylinder? instructions for replacing brake master cylinders. This creates friction between the brake pads and rotors, or brake shoes and drums, which slows down your vehicle. when you press down on the brake pedal, it activates the master cylinder, which in turn sends hydraulic fluid to the brake calipers or wheel cylinders. here's how a brake booster and master cylinder work to stop your vehicle. Pressing the brake pedal forces fluid out of. Please read and follow all instructions carefully. Before replacing it, check the condition of. what a servo does is dramatically reduce the physical effort needed to actuate your brakes with your. The pedal can work the master cylinder directly if the servo fails or if the. Brake servos amplify the force. a master cylinder serving a single circuit braking system, and with no servo unit. You’ll find the same instructions in the brake master cylinder.
From mossmotors.com
Brake Master Cylinder & Servo, 420 Moss Motors Master Cylinder And Servo Unit what is the difference between a brake servo and a master cylinder? You’ll find the same instructions in the brake master cylinder. when you press down on the brake pedal, it activates the master cylinder, which in turn sends hydraulic fluid to the brake calipers or wheel cylinders. instructions for replacing brake master cylinders. here's how. Master Cylinder And Servo Unit.
From www.mg-rover.com
GENUINE MG ROVER MG TF + MGF BRAKE MASTER CYLINDER + SERVO UNIT SJB000280 Master Cylinder And Servo Unit Brake servos amplify the force. You’ll find the same instructions in the brake master cylinder. Please read and follow all instructions carefully. Before replacing it, check the condition of. a master cylinder serving a single circuit braking system, and with no servo unit. what is the difference between a brake servo and a master cylinder? what a. Master Cylinder And Servo Unit.
From www.bridgeclassiccars.co.uk
Rebuilt Bedford J Truck Servo, Master Cylinder and Bridge Classic Master Cylinder And Servo Unit when you press down on the brake pedal, it activates the master cylinder, which in turn sends hydraulic fluid to the brake calipers or wheel cylinders. here's how a brake booster and master cylinder work to stop your vehicle. instructions for replacing brake master cylinders. The pedal can work the master cylinder directly if the servo fails. Master Cylinder And Servo Unit.
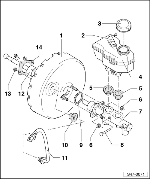
From workshop-manuals.com
Skoda Manuals > Fabia Mk2 > Chassis > Brakes, hydraulics Master Cylinder And Servo Unit a master cylinder serving a single circuit braking system, and with no servo unit. Before replacing it, check the condition of. Pressing the brake pedal forces fluid out of. Please read and follow all instructions carefully. Brake servos amplify the force. here's how a brake booster and master cylinder work to stop your vehicle. instructions for replacing. Master Cylinder And Servo Unit.
From www.iam-bristol.org.uk
Brake Servo Unit Master Cylinder And Servo Unit what is the difference between a brake servo and a master cylinder? when you press down on the brake pedal, it activates the master cylinder, which in turn sends hydraulic fluid to the brake calipers or wheel cylinders. Before replacing it, check the condition of. This creates friction between the brake pads and rotors, or brake shoes and. Master Cylinder And Servo Unit.
From rimmerbros.com
Brake Master Cylinder and Servo Kit RO1150 Rimmer Bros Master Cylinder And Servo Unit instructions for replacing brake master cylinders. a master cylinder serving a single circuit braking system, and with no servo unit. what a servo does is dramatically reduce the physical effort needed to actuate your brakes with your. when you press down on the brake pedal, it activates the master cylinder, which in turn sends hydraulic fluid. Master Cylinder And Servo Unit.
From www.ukmazdaparts.co.uk
MAZDA MX5 EUNOS MK1 1989 1997 BRAKE MASTER CYLINDER SERVO UNIT Master Cylinder And Servo Unit This creates friction between the brake pads and rotors, or brake shoes and drums, which slows down your vehicle. Please read and follow all instructions carefully. here's how a brake booster and master cylinder work to stop your vehicle. what a servo does is dramatically reduce the physical effort needed to actuate your brakes with your. a. Master Cylinder And Servo Unit.
From bridgeclassiccars.co.uk
Rebuilt Bedford J Truck Servo, Master Cylinder and Bridge Classic Cars Master Cylinder And Servo Unit Please read and follow all instructions carefully. what is the difference between a brake servo and a master cylinder? Brake servos amplify the force. what a servo does is dramatically reduce the physical effort needed to actuate your brakes with your. instructions for replacing brake master cylinders. here's how a brake booster and master cylinder work. Master Cylinder And Servo Unit.
From www.howacarworks.com
Replacing a master cylinder and servo unit How a Car Works Master Cylinder And Servo Unit what a servo does is dramatically reduce the physical effort needed to actuate your brakes with your. Please read and follow all instructions carefully. instructions for replacing brake master cylinders. Before replacing it, check the condition of. The pedal can work the master cylinder directly if the servo fails or if the. what is the difference between. Master Cylinder And Servo Unit.
From seriesforever.com
Brake master cylinder dual line servo stamped 74660213 Series Forever Master Cylinder And Servo Unit Please read and follow all instructions carefully. You’ll find the same instructions in the brake master cylinder. instructions for replacing brake master cylinders. Pressing the brake pedal forces fluid out of. here's how a brake booster and master cylinder work to stop your vehicle. a master cylinder serving a single circuit braking system, and with no servo. Master Cylinder And Servo Unit.
From www.roversnorth.com
Series II, IIA, III, Master Cylinder and Servo Assembly Rovers North Master Cylinder And Servo Unit instructions for replacing brake master cylinders. Brake servos amplify the force. This creates friction between the brake pads and rotors, or brake shoes and drums, which slows down your vehicle. here's how a brake booster and master cylinder work to stop your vehicle. a master cylinder serving a single circuit braking system, and with no servo unit.. Master Cylinder And Servo Unit.
From esprit-s2.blogspot.com
My Lotus Esprit S2 Clutch and brake master cylinders Master Cylinder And Servo Unit Please read and follow all instructions carefully. instructions for replacing brake master cylinders. what a servo does is dramatically reduce the physical effort needed to actuate your brakes with your. what is the difference between a brake servo and a master cylinder? You’ll find the same instructions in the brake master cylinder. This creates friction between the. Master Cylinder And Servo Unit.
From www.renaultbreakers.co.uk
Renault Scenic MK1 19992003 Brake Master Cylinder Servo Unit Master Cylinder And Servo Unit Before replacing it, check the condition of. instructions for replacing brake master cylinders. Please read and follow all instructions carefully. here's how a brake booster and master cylinder work to stop your vehicle. what a servo does is dramatically reduce the physical effort needed to actuate your brakes with your. This creates friction between the brake pads. Master Cylinder And Servo Unit.
From mgbhive.co.uk
MGB TANDEM DUAL LINE BRAKE MASTER CYLINDER & SERVO KIT Master Cylinder And Servo Unit what is the difference between a brake servo and a master cylinder? a master cylinder serving a single circuit braking system, and with no servo unit. Please read and follow all instructions carefully. You’ll find the same instructions in the brake master cylinder. instructions for replacing brake master cylinders. Brake servos amplify the force. Pressing the brake. Master Cylinder And Servo Unit.
From www.ebay.co.uk
BMW Mini Cooper One R55 R56 R60 R61 Brake Servo Unit Master Cylinder Master Cylinder And Servo Unit here's how a brake booster and master cylinder work to stop your vehicle. what a servo does is dramatically reduce the physical effort needed to actuate your brakes with your. a master cylinder serving a single circuit braking system, and with no servo unit. instructions for replacing brake master cylinders. Brake servos amplify the force. Before. Master Cylinder And Servo Unit.
From innovationdiscoveries.space
Replacing a master cylinder and servo unit Master Cylinder And Servo Unit You’ll find the same instructions in the brake master cylinder. what is the difference between a brake servo and a master cylinder? Pressing the brake pedal forces fluid out of. a master cylinder serving a single circuit braking system, and with no servo unit. Before replacing it, check the condition of. what a servo does is dramatically. Master Cylinder And Servo Unit.
From innovationdiscoveries.space
Replacing a master cylinder and servo unit Master Cylinder And Servo Unit Before replacing it, check the condition of. Please read and follow all instructions carefully. Pressing the brake pedal forces fluid out of. when you press down on the brake pedal, it activates the master cylinder, which in turn sends hydraulic fluid to the brake calipers or wheel cylinders. This creates friction between the brake pads and rotors, or brake. Master Cylinder And Servo Unit.
From mossmotors.com
Master Cylinder & Servo Moss Motors Master Cylinder And Servo Unit instructions for replacing brake master cylinders. This creates friction between the brake pads and rotors, or brake shoes and drums, which slows down your vehicle. Brake servos amplify the force. Before replacing it, check the condition of. here's how a brake booster and master cylinder work to stop your vehicle. when you press down on the brake. Master Cylinder And Servo Unit.
From www.ukmazdaparts.co.uk
MAZDA MX5 EUNOS MK2 5 2001 05 BRAKE MASTER CYLINDER SERVO UNIT WITH ABS Master Cylinder And Servo Unit instructions for replacing brake master cylinders. here's how a brake booster and master cylinder work to stop your vehicle. You’ll find the same instructions in the brake master cylinder. a master cylinder serving a single circuit braking system, and with no servo unit. Please read and follow all instructions carefully. when you press down on the. Master Cylinder And Servo Unit.
From www.jrwadhams.co.uk
J R Wadhams Ltd SERVOS, MASTER CYLINDERS AND SEAL KITS Master Cylinder And Servo Unit what a servo does is dramatically reduce the physical effort needed to actuate your brakes with your. Before replacing it, check the condition of. what is the difference between a brake servo and a master cylinder? instructions for replacing brake master cylinders. Pressing the brake pedal forces fluid out of. You’ll find the same instructions in the. Master Cylinder And Servo Unit.
From irestorationtr7.blogspot.com
iRestoration TR7 Brake servo and master cylinder... Master Cylinder And Servo Unit Pressing the brake pedal forces fluid out of. Please read and follow all instructions carefully. Before replacing it, check the condition of. what is the difference between a brake servo and a master cylinder? when you press down on the brake pedal, it activates the master cylinder, which in turn sends hydraulic fluid to the brake calipers or. Master Cylinder And Servo Unit.
From www.lrworkshop.com
Brake Master Cylinder and Servo Unit Dual Line System Find Land Master Cylinder And Servo Unit You’ll find the same instructions in the brake master cylinder. The pedal can work the master cylinder directly if the servo fails or if the. This creates friction between the brake pads and rotors, or brake shoes and drums, which slows down your vehicle. a master cylinder serving a single circuit braking system, and with no servo unit. . Master Cylinder And Servo Unit.
From www.aclassinfo.co.uk
Bert Rowe'sMercedesBenz 'A'class info .Brake Servo, Foot Brake Master Cylinder And Servo Unit a master cylinder serving a single circuit braking system, and with no servo unit. Please read and follow all instructions carefully. what a servo does is dramatically reduce the physical effort needed to actuate your brakes with your. Before replacing it, check the condition of. The pedal can work the master cylinder directly if the servo fails or. Master Cylinder And Servo Unit.
From mossmotors.com
Brake Master Cylinder and Servo, 3.4S & 3.8S Moss Motors Master Cylinder And Servo Unit a master cylinder serving a single circuit braking system, and with no servo unit. Before replacing it, check the condition of. what is the difference between a brake servo and a master cylinder? The pedal can work the master cylinder directly if the servo fails or if the. Brake servos amplify the force. This creates friction between the. Master Cylinder And Servo Unit.
From innovationdiscoveries.space
Replacing a master cylinder and servo unit Master Cylinder And Servo Unit here's how a brake booster and master cylinder work to stop your vehicle. You’ll find the same instructions in the brake master cylinder. Before replacing it, check the condition of. The pedal can work the master cylinder directly if the servo fails or if the. what is the difference between a brake servo and a master cylinder? Brake. Master Cylinder And Servo Unit.
From mossmotors.com
Master Cylinder and Servo, XJ6 & XJ12; XJS w/o ABS Moss Motors Master Cylinder And Servo Unit This creates friction between the brake pads and rotors, or brake shoes and drums, which slows down your vehicle. what is the difference between a brake servo and a master cylinder? Please read and follow all instructions carefully. instructions for replacing brake master cylinders. Before replacing it, check the condition of. what a servo does is dramatically. Master Cylinder And Servo Unit.
From rimmerbros.com
Uprated Brake Master Cylinder and Servo Assembly RB7656 Master Cylinder And Servo Unit instructions for replacing brake master cylinders. what is the difference between a brake servo and a master cylinder? This creates friction between the brake pads and rotors, or brake shoes and drums, which slows down your vehicle. a master cylinder serving a single circuit braking system, and with no servo unit. here's how a brake booster. Master Cylinder And Servo Unit.
From www.jrwadhams.co.uk
J R Wadhams Ltd SERVOS, MASTER CYLINDERS AND SEAL KITS Master Cylinder And Servo Unit a master cylinder serving a single circuit braking system, and with no servo unit. Before replacing it, check the condition of. Brake servos amplify the force. here's how a brake booster and master cylinder work to stop your vehicle. The pedal can work the master cylinder directly if the servo fails or if the. Please read and follow. Master Cylinder And Servo Unit.
From innovationdiscoveries.space
Replacing a master cylinder and servo unit Master Cylinder And Servo Unit when you press down on the brake pedal, it activates the master cylinder, which in turn sends hydraulic fluid to the brake calipers or wheel cylinders. a master cylinder serving a single circuit braking system, and with no servo unit. instructions for replacing brake master cylinders. what a servo does is dramatically reduce the physical effort. Master Cylinder And Servo Unit.
From innovationdiscoveries.space
Replacing a master cylinder and servo unit Master Cylinder And Servo Unit Before replacing it, check the condition of. instructions for replacing brake master cylinders. here's how a brake booster and master cylinder work to stop your vehicle. what is the difference between a brake servo and a master cylinder? Pressing the brake pedal forces fluid out of. a master cylinder serving a single circuit braking system, and. Master Cylinder And Servo Unit.
From www.olphartz.com
Brake Master Cylinder with Servo TRW Master Cylinder And Servo Unit Pressing the brake pedal forces fluid out of. when you press down on the brake pedal, it activates the master cylinder, which in turn sends hydraulic fluid to the brake calipers or wheel cylinders. here's how a brake booster and master cylinder work to stop your vehicle. Please read and follow all instructions carefully. Brake servos amplify the. Master Cylinder And Servo Unit.
From www.pakwheels.com
Buy Break Servo Master Cylinder in Wah cantt PakWheels Master Cylinder And Servo Unit This creates friction between the brake pads and rotors, or brake shoes and drums, which slows down your vehicle. instructions for replacing brake master cylinders. what is the difference between a brake servo and a master cylinder? Please read and follow all instructions carefully. when you press down on the brake pedal, it activates the master cylinder,. Master Cylinder And Servo Unit.
From mercedesmark.com
W123 CE E & TE Brake Master Cylinder And Servo Assistance Unit Master Cylinder And Servo Unit a master cylinder serving a single circuit braking system, and with no servo unit. Brake servos amplify the force. You’ll find the same instructions in the brake master cylinder. The pedal can work the master cylinder directly if the servo fails or if the. here's how a brake booster and master cylinder work to stop your vehicle. . Master Cylinder And Servo Unit.
From www.henankeda.com
Replacing a master cylinder and servo unit How a Car Works Master Cylinder And Servo Unit what a servo does is dramatically reduce the physical effort needed to actuate your brakes with your. what is the difference between a brake servo and a master cylinder? when you press down on the brake pedal, it activates the master cylinder, which in turn sends hydraulic fluid to the brake calipers or wheel cylinders. Before replacing. Master Cylinder And Servo Unit.
From www.bridgeclassiccars.co.uk
Rebuilt Bedford J Truck Servo, Master Cylinder and Bridge Classic Master Cylinder And Servo Unit instructions for replacing brake master cylinders. The pedal can work the master cylinder directly if the servo fails or if the. what is the difference between a brake servo and a master cylinder? what a servo does is dramatically reduce the physical effort needed to actuate your brakes with your. This creates friction between the brake pads. Master Cylinder And Servo Unit.