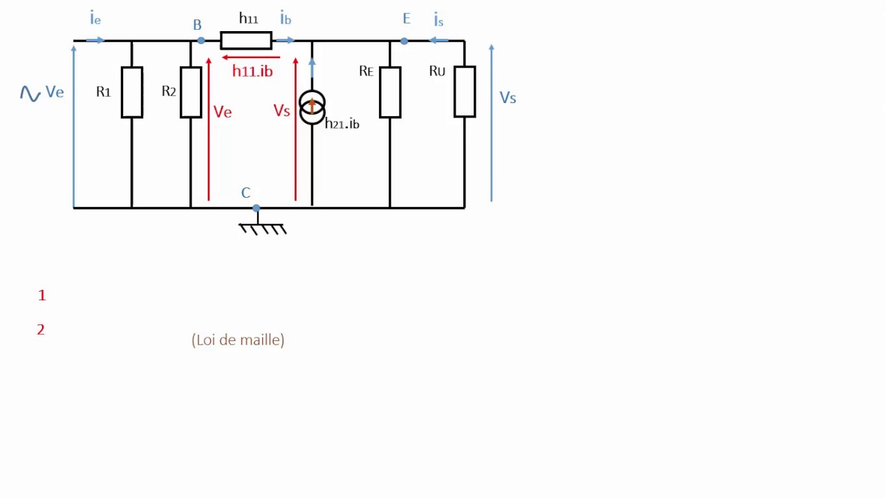
Transistor Bipolaire Collecteur Commun . Élément actif à collecteur (c), emetteur (e)) constitué conductrices npn et pnp. La configuration émetteur commun est. Ce préampli reprend le schéma de la figure 7, auquel est ajouté t2 monté en collecteur commun. dans le montage collecteur commun, le collecteur du transistor est relié à l’alimentation (vcc). il existe trois configurations principales pour connecter un transistor bipolaire dans un circuit: le transistor bipolaire est réalisé dans un monocristal p comportant trois zones de dopage différentes. voici figure 10, un préampli réalisé avec transistoramp. Chacune de ces configurations a des caractéristiques uniques en termes de gain en tension, gain en courant, et impédance d’entrée/sortie. Émetteur commun, base commune, et collecteur commun.
from www.chegg.com
Ce préampli reprend le schéma de la figure 7, auquel est ajouté t2 monté en collecteur commun. Chacune de ces configurations a des caractéristiques uniques en termes de gain en tension, gain en courant, et impédance d’entrée/sortie. le transistor bipolaire est réalisé dans un monocristal p comportant trois zones de dopage différentes. il existe trois configurations principales pour connecter un transistor bipolaire dans un circuit: La configuration émetteur commun est. Émetteur commun, base commune, et collecteur commun. dans le montage collecteur commun, le collecteur du transistor est relié à l’alimentation (vcc). voici figure 10, un préampli réalisé avec transistoramp. Élément actif à collecteur (c), emetteur (e)) constitué conductrices npn et pnp.
Solved Lab 4 Bipolar Junction Transistor Characteristics
Transistor Bipolaire Collecteur Commun voici figure 10, un préampli réalisé avec transistoramp. dans le montage collecteur commun, le collecteur du transistor est relié à l’alimentation (vcc). il existe trois configurations principales pour connecter un transistor bipolaire dans un circuit: voici figure 10, un préampli réalisé avec transistoramp. le transistor bipolaire est réalisé dans un monocristal p comportant trois zones de dopage différentes. La configuration émetteur commun est. Émetteur commun, base commune, et collecteur commun. Chacune de ces configurations a des caractéristiques uniques en termes de gain en tension, gain en courant, et impédance d’entrée/sortie. Élément actif à collecteur (c), emetteur (e)) constitué conductrices npn et pnp. Ce préampli reprend le schéma de la figure 7, auquel est ajouté t2 monté en collecteur commun.
From www.mongosukulu.com
Le transistor bipolaire Transistor Bipolaire Collecteur Commun Émetteur commun, base commune, et collecteur commun. Chacune de ces configurations a des caractéristiques uniques en termes de gain en tension, gain en courant, et impédance d’entrée/sortie. il existe trois configurations principales pour connecter un transistor bipolaire dans un circuit: voici figure 10, un préampli réalisé avec transistoramp. le transistor bipolaire est réalisé dans un monocristal p. Transistor Bipolaire Collecteur Commun.
From www.youtube.com
EX. Transistor Emetteur Commun YouTube Transistor Bipolaire Collecteur Commun le transistor bipolaire est réalisé dans un monocristal p comportant trois zones de dopage différentes. Chacune de ces configurations a des caractéristiques uniques en termes de gain en tension, gain en courant, et impédance d’entrée/sortie. il existe trois configurations principales pour connecter un transistor bipolaire dans un circuit: Ce préampli reprend le schéma de la figure 7, auquel. Transistor Bipolaire Collecteur Commun.
From www.electronics-tutorials.ws
Bipolar Transistor Tutorial, The BJT Transistor Transistor Bipolaire Collecteur Commun il existe trois configurations principales pour connecter un transistor bipolaire dans un circuit: le transistor bipolaire est réalisé dans un monocristal p comportant trois zones de dopage différentes. voici figure 10, un préampli réalisé avec transistoramp. Émetteur commun, base commune, et collecteur commun. dans le montage collecteur commun, le collecteur du transistor est relié à l’alimentation. Transistor Bipolaire Collecteur Commun.
From fr.wikipedia.org
Collecteur commun — Wikipédia Transistor Bipolaire Collecteur Commun le transistor bipolaire est réalisé dans un monocristal p comportant trois zones de dopage différentes. Émetteur commun, base commune, et collecteur commun. Ce préampli reprend le schéma de la figure 7, auquel est ajouté t2 monté en collecteur commun. Élément actif à collecteur (c), emetteur (e)) constitué conductrices npn et pnp. Chacune de ces configurations a des caractéristiques uniques. Transistor Bipolaire Collecteur Commun.
From www.mongosukulu.com
Le transistor bipolaire Transistor Bipolaire Collecteur Commun il existe trois configurations principales pour connecter un transistor bipolaire dans un circuit: voici figure 10, un préampli réalisé avec transistoramp. Chacune de ces configurations a des caractéristiques uniques en termes de gain en tension, gain en courant, et impédance d’entrée/sortie. dans le montage collecteur commun, le collecteur du transistor est relié à l’alimentation (vcc). Émetteur commun,. Transistor Bipolaire Collecteur Commun.
From docplayer.fr
TRANSISTOR BIPOLAIRE PDF Téléchargement Gratuit Transistor Bipolaire Collecteur Commun le transistor bipolaire est réalisé dans un monocristal p comportant trois zones de dopage différentes. dans le montage collecteur commun, le collecteur du transistor est relié à l’alimentation (vcc). il existe trois configurations principales pour connecter un transistor bipolaire dans un circuit: La configuration émetteur commun est. Chacune de ces configurations a des caractéristiques uniques en termes. Transistor Bipolaire Collecteur Commun.
From electronicsreference.com
Bipolar Junction Transistor (BJT) Electronics Reference Transistor Bipolaire Collecteur Commun dans le montage collecteur commun, le collecteur du transistor est relié à l’alimentation (vcc). Élément actif à collecteur (c), emetteur (e)) constitué conductrices npn et pnp. Émetteur commun, base commune, et collecteur commun. Chacune de ces configurations a des caractéristiques uniques en termes de gain en tension, gain en courant, et impédance d’entrée/sortie. voici figure 10, un préampli. Transistor Bipolaire Collecteur Commun.
From hxedhnjhi.blob.core.windows.net
Bipolar Transistors Switching Characteristics at Phillips blog Transistor Bipolaire Collecteur Commun le transistor bipolaire est réalisé dans un monocristal p comportant trois zones de dopage différentes. Chacune de ces configurations a des caractéristiques uniques en termes de gain en tension, gain en courant, et impédance d’entrée/sortie. Émetteur commun, base commune, et collecteur commun. Ce préampli reprend le schéma de la figure 7, auquel est ajouté t2 monté en collecteur commun.. Transistor Bipolaire Collecteur Commun.
From fixlibrarymarkbladgr.z13.web.core.windows.net
Common Collector Transistor Circuit Diagram Transistor Bipolaire Collecteur Commun Chacune de ces configurations a des caractéristiques uniques en termes de gain en tension, gain en courant, et impédance d’entrée/sortie. La configuration émetteur commun est. Élément actif à collecteur (c), emetteur (e)) constitué conductrices npn et pnp. le transistor bipolaire est réalisé dans un monocristal p comportant trois zones de dopage différentes. voici figure 10, un préampli réalisé. Transistor Bipolaire Collecteur Commun.
From electronique-et-informatique.fr
Fonctionnement du Transistor Bipolaire en Régime Saturé ou Bloqué Transistor Bipolaire Collecteur Commun Élément actif à collecteur (c), emetteur (e)) constitué conductrices npn et pnp. Ce préampli reprend le schéma de la figure 7, auquel est ajouté t2 monté en collecteur commun. voici figure 10, un préampli réalisé avec transistoramp. il existe trois configurations principales pour connecter un transistor bipolaire dans un circuit: La configuration émetteur commun est. le transistor. Transistor Bipolaire Collecteur Commun.
From www.mongosukulu.com
Le transistor bipolaire Transistor Bipolaire Collecteur Commun Chacune de ces configurations a des caractéristiques uniques en termes de gain en tension, gain en courant, et impédance d’entrée/sortie. dans le montage collecteur commun, le collecteur du transistor est relié à l’alimentation (vcc). Émetteur commun, base commune, et collecteur commun. il existe trois configurations principales pour connecter un transistor bipolaire dans un circuit: La configuration émetteur commun. Transistor Bipolaire Collecteur Commun.
From exyogdlfl.blob.core.windows.net
Transistor Junction Bipolar at Alexander Howe blog Transistor Bipolaire Collecteur Commun le transistor bipolaire est réalisé dans un monocristal p comportant trois zones de dopage différentes. Émetteur commun, base commune, et collecteur commun. Élément actif à collecteur (c), emetteur (e)) constitué conductrices npn et pnp. voici figure 10, un préampli réalisé avec transistoramp. il existe trois configurations principales pour connecter un transistor bipolaire dans un circuit: Chacune de. Transistor Bipolaire Collecteur Commun.
From www.astuces-pratiques.fr
Les transistors bipolaires de puissance Astuces Pratiques Transistor Bipolaire Collecteur Commun Chacune de ces configurations a des caractéristiques uniques en termes de gain en tension, gain en courant, et impédance d’entrée/sortie. Élément actif à collecteur (c), emetteur (e)) constitué conductrices npn et pnp. Ce préampli reprend le schéma de la figure 7, auquel est ajouté t2 monté en collecteur commun. il existe trois configurations principales pour connecter un transistor bipolaire. Transistor Bipolaire Collecteur Commun.
From slidetodoc.com
Bipolar Junction Transistors BJT BJT EBB 424 E Transistor Bipolaire Collecteur Commun voici figure 10, un préampli réalisé avec transistoramp. Élément actif à collecteur (c), emetteur (e)) constitué conductrices npn et pnp. dans le montage collecteur commun, le collecteur du transistor est relié à l’alimentation (vcc). le transistor bipolaire est réalisé dans un monocristal p comportant trois zones de dopage différentes. Émetteur commun, base commune, et collecteur commun. . Transistor Bipolaire Collecteur Commun.
From slidetodoc.com
TRANSISTOR BIPOLAIRE 1 TRANSISTOR BIPOLAIRE composant lectronique actif Transistor Bipolaire Collecteur Commun Émetteur commun, base commune, et collecteur commun. le transistor bipolaire est réalisé dans un monocristal p comportant trois zones de dopage différentes. Chacune de ces configurations a des caractéristiques uniques en termes de gain en tension, gain en courant, et impédance d’entrée/sortie. Élément actif à collecteur (c), emetteur (e)) constitué conductrices npn et pnp. il existe trois configurations. Transistor Bipolaire Collecteur Commun.
From www.electricalclassroom.com
BJT Bipolar Junction Transistors Transistor Bipolaire Collecteur Commun Émetteur commun, base commune, et collecteur commun. le transistor bipolaire est réalisé dans un monocristal p comportant trois zones de dopage différentes. il existe trois configurations principales pour connecter un transistor bipolaire dans un circuit: La configuration émetteur commun est. Élément actif à collecteur (c), emetteur (e)) constitué conductrices npn et pnp. Ce préampli reprend le schéma de. Transistor Bipolaire Collecteur Commun.
From www.kge.ca
Transistor Bipolaire PNP MJ2955G 60V 2.5Mhz 115W 15A Électronique Transistor Bipolaire Collecteur Commun dans le montage collecteur commun, le collecteur du transistor est relié à l’alimentation (vcc). voici figure 10, un préampli réalisé avec transistoramp. il existe trois configurations principales pour connecter un transistor bipolaire dans un circuit: Chacune de ces configurations a des caractéristiques uniques en termes de gain en tension, gain en courant, et impédance d’entrée/sortie. Élément actif. Transistor Bipolaire Collecteur Commun.
From www.optimalprotech.com
S8050A Transistors Bipolaire NPN TO92 800mA Optimal pro tech Transistor Bipolaire Collecteur Commun Ce préampli reprend le schéma de la figure 7, auquel est ajouté t2 monté en collecteur commun. le transistor bipolaire est réalisé dans un monocristal p comportant trois zones de dopage différentes. La configuration émetteur commun est. Élément actif à collecteur (c), emetteur (e)) constitué conductrices npn et pnp. voici figure 10, un préampli réalisé avec transistoramp. Émetteur. Transistor Bipolaire Collecteur Commun.
From exyctdnml.blob.core.windows.net
Bipolar Junction Transistor Circuit Representation at Henderson blog Transistor Bipolaire Collecteur Commun il existe trois configurations principales pour connecter un transistor bipolaire dans un circuit: Émetteur commun, base commune, et collecteur commun. dans le montage collecteur commun, le collecteur du transistor est relié à l’alimentation (vcc). La configuration émetteur commun est. Ce préampli reprend le schéma de la figure 7, auquel est ajouté t2 monté en collecteur commun. voici. Transistor Bipolaire Collecteur Commun.
From forums.futura-sciences.com
Transistor bipolaire, montage en émetteur commun Transistor Bipolaire Collecteur Commun La configuration émetteur commun est. il existe trois configurations principales pour connecter un transistor bipolaire dans un circuit: Chacune de ces configurations a des caractéristiques uniques en termes de gain en tension, gain en courant, et impédance d’entrée/sortie. dans le montage collecteur commun, le collecteur du transistor est relié à l’alimentation (vcc). le transistor bipolaire est réalisé. Transistor Bipolaire Collecteur Commun.
From www.studypool.com
SOLUTION 6 pdf transistor bipolaire emeteur commun Studypool Transistor Bipolaire Collecteur Commun voici figure 10, un préampli réalisé avec transistoramp. La configuration émetteur commun est. il existe trois configurations principales pour connecter un transistor bipolaire dans un circuit: Élément actif à collecteur (c), emetteur (e)) constitué conductrices npn et pnp. Émetteur commun, base commune, et collecteur commun. dans le montage collecteur commun, le collecteur du transistor est relié à. Transistor Bipolaire Collecteur Commun.
From www.electrical4u.com
Bipolar Junction Transistor Connections Electrical4U Transistor Bipolaire Collecteur Commun Élément actif à collecteur (c), emetteur (e)) constitué conductrices npn et pnp. Chacune de ces configurations a des caractéristiques uniques en termes de gain en tension, gain en courant, et impédance d’entrée/sortie. le transistor bipolaire est réalisé dans un monocristal p comportant trois zones de dopage différentes. il existe trois configurations principales pour connecter un transistor bipolaire dans. Transistor Bipolaire Collecteur Commun.
From www.mongosukulu.com
Le transistor bipolaire Transistor Bipolaire Collecteur Commun La configuration émetteur commun est. Émetteur commun, base commune, et collecteur commun. Chacune de ces configurations a des caractéristiques uniques en termes de gain en tension, gain en courant, et impédance d’entrée/sortie. dans le montage collecteur commun, le collecteur du transistor est relié à l’alimentation (vcc). Élément actif à collecteur (c), emetteur (e)) constitué conductrices npn et pnp. Ce. Transistor Bipolaire Collecteur Commun.
From www.electrical4u.com
Bipolar Junction Transistor (BJT) What is it & How Does it Work Transistor Bipolaire Collecteur Commun La configuration émetteur commun est. Élément actif à collecteur (c), emetteur (e)) constitué conductrices npn et pnp. dans le montage collecteur commun, le collecteur du transistor est relié à l’alimentation (vcc). il existe trois configurations principales pour connecter un transistor bipolaire dans un circuit: voici figure 10, un préampli réalisé avec transistoramp. Ce préampli reprend le schéma. Transistor Bipolaire Collecteur Commun.
From pfnicholls.com
Bipolar Transistors Transistor Bipolaire Collecteur Commun Chacune de ces configurations a des caractéristiques uniques en termes de gain en tension, gain en courant, et impédance d’entrée/sortie. Émetteur commun, base commune, et collecteur commun. La configuration émetteur commun est. Élément actif à collecteur (c), emetteur (e)) constitué conductrices npn et pnp. Ce préampli reprend le schéma de la figure 7, auquel est ajouté t2 monté en collecteur. Transistor Bipolaire Collecteur Commun.
From www.slideserve.com
PPT Transistor Bipolaire PowerPoint Presentation, free download ID Transistor Bipolaire Collecteur Commun il existe trois configurations principales pour connecter un transistor bipolaire dans un circuit: Ce préampli reprend le schéma de la figure 7, auquel est ajouté t2 monté en collecteur commun. voici figure 10, un préampli réalisé avec transistoramp. Émetteur commun, base commune, et collecteur commun. Élément actif à collecteur (c), emetteur (e)) constitué conductrices npn et pnp. . Transistor Bipolaire Collecteur Commun.
From www.youtube.com
transistor collecteur commun YouTube Transistor Bipolaire Collecteur Commun Chacune de ces configurations a des caractéristiques uniques en termes de gain en tension, gain en courant, et impédance d’entrée/sortie. il existe trois configurations principales pour connecter un transistor bipolaire dans un circuit: le transistor bipolaire est réalisé dans un monocristal p comportant trois zones de dopage différentes. voici figure 10, un préampli réalisé avec transistoramp. La. Transistor Bipolaire Collecteur Commun.
From www.chegg.com
Solved Lab 4 Bipolar Junction Transistor Characteristics Transistor Bipolaire Collecteur Commun Chacune de ces configurations a des caractéristiques uniques en termes de gain en tension, gain en courant, et impédance d’entrée/sortie. Élément actif à collecteur (c), emetteur (e)) constitué conductrices npn et pnp. dans le montage collecteur commun, le collecteur du transistor est relié à l’alimentation (vcc). Émetteur commun, base commune, et collecteur commun. le transistor bipolaire est réalisé. Transistor Bipolaire Collecteur Commun.
From www.electrical4u.com
Bipolar Junction Transistor Connections Electrical4U Transistor Bipolaire Collecteur Commun il existe trois configurations principales pour connecter un transistor bipolaire dans un circuit: La configuration émetteur commun est. voici figure 10, un préampli réalisé avec transistoramp. le transistor bipolaire est réalisé dans un monocristal p comportant trois zones de dopage différentes. Émetteur commun, base commune, et collecteur commun. Élément actif à collecteur (c), emetteur (e)) constitué conductrices. Transistor Bipolaire Collecteur Commun.
From www.asrmeta.com
Bipolar Junction Transistor (BJT) and its application as an amplifier Transistor Bipolaire Collecteur Commun Ce préampli reprend le schéma de la figure 7, auquel est ajouté t2 monté en collecteur commun. le transistor bipolaire est réalisé dans un monocristal p comportant trois zones de dopage différentes. Chacune de ces configurations a des caractéristiques uniques en termes de gain en tension, gain en courant, et impédance d’entrée/sortie. La configuration émetteur commun est. il. Transistor Bipolaire Collecteur Commun.
From my.electricianexp.com
Transistors bipolaires appareil, principe de fonctionnement, circuits Transistor Bipolaire Collecteur Commun Émetteur commun, base commune, et collecteur commun. voici figure 10, un préampli réalisé avec transistoramp. Élément actif à collecteur (c), emetteur (e)) constitué conductrices npn et pnp. Chacune de ces configurations a des caractéristiques uniques en termes de gain en tension, gain en courant, et impédance d’entrée/sortie. dans le montage collecteur commun, le collecteur du transistor est relié. Transistor Bipolaire Collecteur Commun.
From ecstudiosystems.com
Transistor Configurations Bipolar Junction Transistors Basics Transistor Bipolaire Collecteur Commun Ce préampli reprend le schéma de la figure 7, auquel est ajouté t2 monté en collecteur commun. dans le montage collecteur commun, le collecteur du transistor est relié à l’alimentation (vcc). il existe trois configurations principales pour connecter un transistor bipolaire dans un circuit: Émetteur commun, base commune, et collecteur commun. Élément actif à collecteur (c), emetteur (e)). Transistor Bipolaire Collecteur Commun.
From www.mongosukulu.com
Le transistor bipolaire Transistor Bipolaire Collecteur Commun le transistor bipolaire est réalisé dans un monocristal p comportant trois zones de dopage différentes. dans le montage collecteur commun, le collecteur du transistor est relié à l’alimentation (vcc). Émetteur commun, base commune, et collecteur commun. voici figure 10, un préampli réalisé avec transistoramp. il existe trois configurations principales pour connecter un transistor bipolaire dans un. Transistor Bipolaire Collecteur Commun.
From www.composelec.com
Collecteur commun Transistor Bipolaire Collecteur Commun dans le montage collecteur commun, le collecteur du transistor est relié à l’alimentation (vcc). Émetteur commun, base commune, et collecteur commun. il existe trois configurations principales pour connecter un transistor bipolaire dans un circuit: voici figure 10, un préampli réalisé avec transistoramp. Chacune de ces configurations a des caractéristiques uniques en termes de gain en tension, gain. Transistor Bipolaire Collecteur Commun.
From www.slideserve.com
PPT Bipolar Junction Transistors (BJTs) PowerPoint Presentation, free Transistor Bipolaire Collecteur Commun dans le montage collecteur commun, le collecteur du transistor est relié à l’alimentation (vcc). Émetteur commun, base commune, et collecteur commun. voici figure 10, un préampli réalisé avec transistoramp. Chacune de ces configurations a des caractéristiques uniques en termes de gain en tension, gain en courant, et impédance d’entrée/sortie. La configuration émetteur commun est. il existe trois. Transistor Bipolaire Collecteur Commun.