Power Mirror How It Works . It links your power mirror assembly to your vehicle’s electrical system. The power for up/down and left/right are the same two wires,. They automatically fold back out as. The power mirror’s electrical connector is found inside the door panel. Three power wires run from the mirror switch to the mirror: How mirrors reflect things when the atoms inside them catch light and throw it back! If the electrical connector becomes loose due to excessive vibration, collision, or installation errors, your power mirrors won’t function as they should. Here's an in depth look at what's inside your car's power side view mirrors and how they.
from www.youtube.com
They automatically fold back out as. The power for up/down and left/right are the same two wires,. How mirrors reflect things when the atoms inside them catch light and throw it back! It links your power mirror assembly to your vehicle’s electrical system. Here's an in depth look at what's inside your car's power side view mirrors and how they. The power mirror’s electrical connector is found inside the door panel. Three power wires run from the mirror switch to the mirror: If the electrical connector becomes loose due to excessive vibration, collision, or installation errors, your power mirrors won’t function as they should.
How Are Power Folding Mirrors Working YouTube
Power Mirror How It Works The power for up/down and left/right are the same two wires,. The power for up/down and left/right are the same two wires,. Three power wires run from the mirror switch to the mirror: The power mirror’s electrical connector is found inside the door panel. If the electrical connector becomes loose due to excessive vibration, collision, or installation errors, your power mirrors won’t function as they should. How mirrors reflect things when the atoms inside them catch light and throw it back! It links your power mirror assembly to your vehicle’s electrical system. They automatically fold back out as. Here's an in depth look at what's inside your car's power side view mirrors and how they.
From www.youtube.com
A Power Mirror Se Screen Mirroring Kaise Kare How to do Screen Power Mirror How It Works If the electrical connector becomes loose due to excessive vibration, collision, or installation errors, your power mirrors won’t function as they should. The power for up/down and left/right are the same two wires,. They automatically fold back out as. Here's an in depth look at what's inside your car's power side view mirrors and how they. Three power wires run. Power Mirror How It Works.
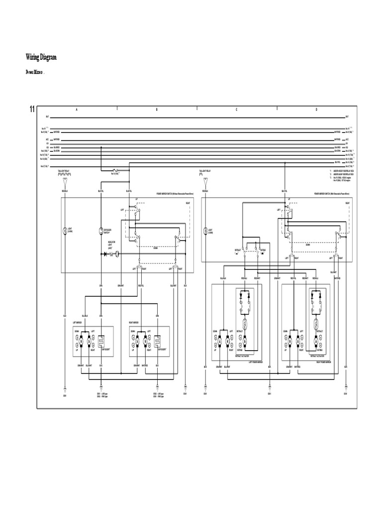
From partsdiagram.netlify.app
Power mirror switch wiring diagram Power Mirror How It Works The power for up/down and left/right are the same two wires,. They automatically fold back out as. Here's an in depth look at what's inside your car's power side view mirrors and how they. Three power wires run from the mirror switch to the mirror: If the electrical connector becomes loose due to excessive vibration, collision, or installation errors, your. Power Mirror How It Works.
From www.vrogue.co
Power Mirror Wiring Diagram vrogue.co Power Mirror How It Works How mirrors reflect things when the atoms inside them catch light and throw it back! The power for up/down and left/right are the same two wires,. The power mirror’s electrical connector is found inside the door panel. It links your power mirror assembly to your vehicle’s electrical system. If the electrical connector becomes loose due to excessive vibration, collision, or. Power Mirror How It Works.
From burleymotorsports.net
Power Mirror Conversion Kit Burley Motorsports Power Mirror How It Works It links your power mirror assembly to your vehicle’s electrical system. If the electrical connector becomes loose due to excessive vibration, collision, or installation errors, your power mirrors won’t function as they should. Here's an in depth look at what's inside your car's power side view mirrors and how they. They automatically fold back out as. Three power wires run. Power Mirror How It Works.
From www.curbsideclassic.com
Pretty much every basic power mirror control system out there. Power Mirror How It Works They automatically fold back out as. The power mirror’s electrical connector is found inside the door panel. Here's an in depth look at what's inside your car's power side view mirrors and how they. The power for up/down and left/right are the same two wires,. How mirrors reflect things when the atoms inside them catch light and throw it back!. Power Mirror How It Works.
From www.youtube.com
Power Mirror Switch Wiring Diagram OEM 769747B thaksalawa1 viral Power Mirror How It Works They automatically fold back out as. It links your power mirror assembly to your vehicle’s electrical system. Here's an in depth look at what's inside your car's power side view mirrors and how they. The power mirror’s electrical connector is found inside the door panel. Three power wires run from the mirror switch to the mirror: How mirrors reflect things. Power Mirror How It Works.
From www.got2bwireless.com
Gm Power Mirror Wiring Diagram Database Power Mirror How It Works Three power wires run from the mirror switch to the mirror: It links your power mirror assembly to your vehicle’s electrical system. The power for up/down and left/right are the same two wires,. If the electrical connector becomes loose due to excessive vibration, collision, or installation errors, your power mirrors won’t function as they should. Here's an in depth look. Power Mirror How It Works.
From www.youtube.com
Resynchronizing Your PowerFolding Mirrors Ford HowTo Ford YouTube Power Mirror How It Works It links your power mirror assembly to your vehicle’s electrical system. The power mirror’s electrical connector is found inside the door panel. If the electrical connector becomes loose due to excessive vibration, collision, or installation errors, your power mirrors won’t function as they should. The power for up/down and left/right are the same two wires,. How mirrors reflect things when. Power Mirror How It Works.
From www.youtube.com
How to Install Power Folding Tow Mirrors 0910 Dodge Ram 1500 YouTube Power Mirror How It Works It links your power mirror assembly to your vehicle’s electrical system. How mirrors reflect things when the atoms inside them catch light and throw it back! The power for up/down and left/right are the same two wires,. Here's an in depth look at what's inside your car's power side view mirrors and how they. Three power wires run from the. Power Mirror How It Works.
From diagram.tntuservices.com
2003 Chevy Silverado Power Mirror Wiring Diagram Wiring Diagram and Power Mirror How It Works Here's an in depth look at what's inside your car's power side view mirrors and how they. They automatically fold back out as. Three power wires run from the mirror switch to the mirror: It links your power mirror assembly to your vehicle’s electrical system. If the electrical connector becomes loose due to excessive vibration, collision, or installation errors, your. Power Mirror How It Works.
From www.dealfuel.com
ApowerMirror Real Time Screen Mirroring With Audio Power Mirror How It Works Three power wires run from the mirror switch to the mirror: If the electrical connector becomes loose due to excessive vibration, collision, or installation errors, your power mirrors won’t function as they should. They automatically fold back out as. The power for up/down and left/right are the same two wires,. It links your power mirror assembly to your vehicle’s electrical. Power Mirror How It Works.
From syukcars.co.uk
How Do You Tell If You Have Folding Mirrors? Read The Answer Power Mirror How It Works It links your power mirror assembly to your vehicle’s electrical system. Three power wires run from the mirror switch to the mirror: If the electrical connector becomes loose due to excessive vibration, collision, or installation errors, your power mirrors won’t function as they should. How mirrors reflect things when the atoms inside them catch light and throw it back! Here's. Power Mirror How It Works.
From diagramfixpastures.z4.web.core.windows.net
Electric Mirror Wiring Diagram Power Mirror How It Works How mirrors reflect things when the atoms inside them catch light and throw it back! If the electrical connector becomes loose due to excessive vibration, collision, or installation errors, your power mirrors won’t function as they should. It links your power mirror assembly to your vehicle’s electrical system. The power mirror’s electrical connector is found inside the door panel. They. Power Mirror How It Works.
From www.ultimatemultimediatraining.net
How to mirror your phone to a computer using APowerMirror Ultimate Power Mirror How It Works The power mirror’s electrical connector is found inside the door panel. If the electrical connector becomes loose due to excessive vibration, collision, or installation errors, your power mirrors won’t function as they should. Here's an in depth look at what's inside your car's power side view mirrors and how they. It links your power mirror assembly to your vehicle’s electrical. Power Mirror How It Works.
From schematron.org
Hadley Power Mirror Wiring Diagram Wiring Diagram Pictures Power Mirror How It Works How mirrors reflect things when the atoms inside them catch light and throw it back! Here's an in depth look at what's inside your car's power side view mirrors and how they. It links your power mirror assembly to your vehicle’s electrical system. They automatically fold back out as. The power for up/down and left/right are the same two wires,.. Power Mirror How It Works.
From www.youtube.com
How to install a power mirror and crack in unlimited time YouTube Power Mirror How It Works The power mirror’s electrical connector is found inside the door panel. If the electrical connector becomes loose due to excessive vibration, collision, or installation errors, your power mirrors won’t function as they should. Here's an in depth look at what's inside your car's power side view mirrors and how they. How mirrors reflect things when the atoms inside them catch. Power Mirror How It Works.
From circuitstilstatc.z22.web.core.windows.net
Electric Mirror Switch Wiring Diagram Power Mirror How It Works If the electrical connector becomes loose due to excessive vibration, collision, or installation errors, your power mirrors won’t function as they should. Three power wires run from the mirror switch to the mirror: Here's an in depth look at what's inside your car's power side view mirrors and how they. The power for up/down and left/right are the same two. Power Mirror How It Works.
From www.scribd.com
Wiring Diagram Power Mirrors PDF Manufactured Goods Equipment Power Mirror How It Works It links your power mirror assembly to your vehicle’s electrical system. They automatically fold back out as. If the electrical connector becomes loose due to excessive vibration, collision, or installation errors, your power mirrors won’t function as they should. The power mirror’s electrical connector is found inside the door panel. How mirrors reflect things when the atoms inside them catch. Power Mirror How It Works.
From www.youtube.com
How to Screen Mirror 📱 =💻 with ApowerMirror 💯 [crack] version YouTube Power Mirror How It Works The power for up/down and left/right are the same two wires,. The power mirror’s electrical connector is found inside the door panel. Three power wires run from the mirror switch to the mirror: How mirrors reflect things when the atoms inside them catch light and throw it back! If the electrical connector becomes loose due to excessive vibration, collision, or. Power Mirror How It Works.
From www.youtube.com
How to Use ApowerMirror App YouTube Power Mirror How It Works Here's an in depth look at what's inside your car's power side view mirrors and how they. If the electrical connector becomes loose due to excessive vibration, collision, or installation errors, your power mirrors won’t function as they should. They automatically fold back out as. The power mirror’s electrical connector is found inside the door panel. The power for up/down. Power Mirror How It Works.
From moowiring.com
Side Mirror Power Mirror Switch Wiring Diagram Moo Wiring Power Mirror How It Works Three power wires run from the mirror switch to the mirror: It links your power mirror assembly to your vehicle’s electrical system. The power mirror’s electrical connector is found inside the door panel. If the electrical connector becomes loose due to excessive vibration, collision, or installation errors, your power mirrors won’t function as they should. How mirrors reflect things when. Power Mirror How It Works.
From www.youtube.com
Power Folding Mirrors Adjustment and tilting of electric mirrors on Power Mirror How It Works The power for up/down and left/right are the same two wires,. It links your power mirror assembly to your vehicle’s electrical system. How mirrors reflect things when the atoms inside them catch light and throw it back! Three power wires run from the mirror switch to the mirror: If the electrical connector becomes loose due to excessive vibration, collision, or. Power Mirror How It Works.
From aidanlaythan.blogspot.com
gm power mirror wiring diagram AidanLaythan Power Mirror How It Works The power for up/down and left/right are the same two wires,. Here's an in depth look at what's inside your car's power side view mirrors and how they. The power mirror’s electrical connector is found inside the door panel. How mirrors reflect things when the atoms inside them catch light and throw it back! They automatically fold back out as.. Power Mirror How It Works.
From enginelibrarygerste.z13.web.core.windows.net
Power Mirror Wiring Diagram Power Mirror How It Works Three power wires run from the mirror switch to the mirror: Here's an in depth look at what's inside your car's power side view mirrors and how they. It links your power mirror assembly to your vehicle’s electrical system. If the electrical connector becomes loose due to excessive vibration, collision, or installation errors, your power mirrors won’t function as they. Power Mirror How It Works.
From www.youtube.com
How to Mirroring Android Using ApowerMirror + Audio Cast YouTube Power Mirror How It Works Three power wires run from the mirror switch to the mirror: It links your power mirror assembly to your vehicle’s electrical system. Here's an in depth look at what's inside your car's power side view mirrors and how they. They automatically fold back out as. The power mirror’s electrical connector is found inside the door panel. How mirrors reflect things. Power Mirror How It Works.
From www.youtube.com
How Are Power Folding Mirrors Working YouTube Power Mirror How It Works The power for up/down and left/right are the same two wires,. Three power wires run from the mirror switch to the mirror: They automatically fold back out as. If the electrical connector becomes loose due to excessive vibration, collision, or installation errors, your power mirrors won’t function as they should. Here's an in depth look at what's inside your car's. Power Mirror How It Works.
From resolutionsforyou.com
Power mirror switch wiring diagram Power Mirror How It Works How mirrors reflect things when the atoms inside them catch light and throw it back! If the electrical connector becomes loose due to excessive vibration, collision, or installation errors, your power mirrors won’t function as they should. Three power wires run from the mirror switch to the mirror: The power mirror’s electrical connector is found inside the door panel. Here's. Power Mirror How It Works.
From www.autozone.com
Repair Guides Power Mirrors (2004) Power Outside Mirror Power Mirror How It Works It links your power mirror assembly to your vehicle’s electrical system. They automatically fold back out as. Here's an in depth look at what's inside your car's power side view mirrors and how they. The power for up/down and left/right are the same two wires,. The power mirror’s electrical connector is found inside the door panel. If the electrical connector. Power Mirror How It Works.
From www.tacomaworld.com
mirror wiring (mirrors_revised.jpg) World Power Mirror How It Works The power mirror’s electrical connector is found inside the door panel. How mirrors reflect things when the atoms inside them catch light and throw it back! The power for up/down and left/right are the same two wires,. Three power wires run from the mirror switch to the mirror: They automatically fold back out as. If the electrical connector becomes loose. Power Mirror How It Works.
From solblu.teamsolmokan.com
Power Mirrors Power Mirror How It Works If the electrical connector becomes loose due to excessive vibration, collision, or installation errors, your power mirrors won’t function as they should. Here's an in depth look at what's inside your car's power side view mirrors and how they. They automatically fold back out as. The power for up/down and left/right are the same two wires,. It links your power. Power Mirror How It Works.
From www.youtube.com
2021 Ford F150 how to enable Auto power folding mirrors YouTube Power Mirror How It Works Here's an in depth look at what's inside your car's power side view mirrors and how they. They automatically fold back out as. It links your power mirror assembly to your vehicle’s electrical system. If the electrical connector becomes loose due to excessive vibration, collision, or installation errors, your power mirrors won’t function as they should. How mirrors reflect things. Power Mirror How It Works.
From www.wiringdraw.com
f250 power mirror wiring diagram Wiring Draw And Schematic Power Mirror How It Works If the electrical connector becomes loose due to excessive vibration, collision, or installation errors, your power mirrors won’t function as they should. The power for up/down and left/right are the same two wires,. It links your power mirror assembly to your vehicle’s electrical system. Three power wires run from the mirror switch to the mirror: How mirrors reflect things when. Power Mirror How It Works.
From www.youtube.com
IS300 Power Folding Mirrors Tips & Tricks YouTube Power Mirror How It Works The power mirror’s electrical connector is found inside the door panel. It links your power mirror assembly to your vehicle’s electrical system. How mirrors reflect things when the atoms inside them catch light and throw it back! The power for up/down and left/right are the same two wires,. Here's an in depth look at what's inside your car's power side. Power Mirror How It Works.
From www.youtube.com
How to Replace Power Mirror Switch 1015 Chevy Camaro YouTube Power Mirror How It Works How mirrors reflect things when the atoms inside them catch light and throw it back! They automatically fold back out as. It links your power mirror assembly to your vehicle’s electrical system. The power for up/down and left/right are the same two wires,. If the electrical connector becomes loose due to excessive vibration, collision, or installation errors, your power mirrors. Power Mirror How It Works.
From www.v3cars.com
Power Mirrors Feature, Pros & Cons, Working Explained Power Mirror How It Works Here's an in depth look at what's inside your car's power side view mirrors and how they. How mirrors reflect things when the atoms inside them catch light and throw it back! They automatically fold back out as. It links your power mirror assembly to your vehicle’s electrical system. The power for up/down and left/right are the same two wires,.. Power Mirror How It Works.