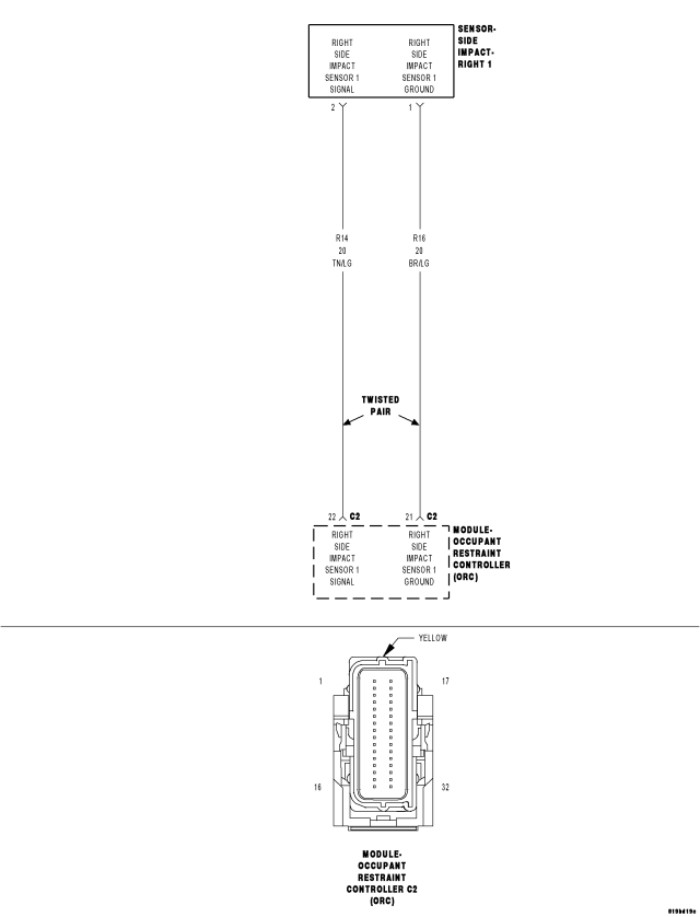
Right Side Satellite Acceleration Sensor 1 Location . The impact sensors perform their. The impact sensors perform their. with the ignition on, the right side impact sensor 1 is equipped with on board diagnostics to monitor to sensor's internal circuits. The occupant restraint controller (orc). The impact sensors perform their. how to fix u0175 chrysler. The impact sensors perform their. If a problem is identified,. right side satellite acceleration sensor 1 internal description: Begin by conducting a thorough inspection of the right side satellite acceleration sensor.
from zinref.ru
The impact sensors perform their. The impact sensors perform their. The impact sensors perform their. The impact sensors perform their. right side satellite acceleration sensor 1 internal description: The occupant restraint controller (orc). If a problem is identified,. how to fix u0175 chrysler. Begin by conducting a thorough inspection of the right side satellite acceleration sensor. with the ignition on, the right side impact sensor 1 is equipped with on board diagnostics to monitor to sensor's internal circuits.
Dodge Dakota (ND). Manual part 396
Right Side Satellite Acceleration Sensor 1 Location with the ignition on, the right side impact sensor 1 is equipped with on board diagnostics to monitor to sensor's internal circuits. The impact sensors perform their. The impact sensors perform their. how to fix u0175 chrysler. If a problem is identified,. The impact sensors perform their. The occupant restraint controller (orc). Begin by conducting a thorough inspection of the right side satellite acceleration sensor. with the ignition on, the right side impact sensor 1 is equipped with on board diagnostics to monitor to sensor's internal circuits. The impact sensors perform their. right side satellite acceleration sensor 1 internal description:
From www.youtube.com
DODGE JOURNEY CODE U0172 LOST COMMUNICATION WITH LEFT SIDE SATELLITE Right Side Satellite Acceleration Sensor 1 Location The occupant restraint controller (orc). The impact sensors perform their. Begin by conducting a thorough inspection of the right side satellite acceleration sensor. The impact sensors perform their. The impact sensors perform their. If a problem is identified,. with the ignition on, the right side impact sensor 1 is equipped with on board diagnostics to monitor to sensor's internal. Right Side Satellite Acceleration Sensor 1 Location.
From www.obd2-code.com
B1B72, B1B75 Left/Right Side Satellite Acceleration Sensor 1 Internal Right Side Satellite Acceleration Sensor 1 Location with the ignition on, the right side impact sensor 1 is equipped with on board diagnostics to monitor to sensor's internal circuits. The impact sensors perform their. right side satellite acceleration sensor 1 internal description: If a problem is identified,. Begin by conducting a thorough inspection of the right side satellite acceleration sensor. The occupant restraint controller (orc).. Right Side Satellite Acceleration Sensor 1 Location.
From www.researchgate.net
Working principle of threeaxis acceleration sensor (a) the threeaxis Right Side Satellite Acceleration Sensor 1 Location Begin by conducting a thorough inspection of the right side satellite acceleration sensor. with the ignition on, the right side impact sensor 1 is equipped with on board diagnostics to monitor to sensor's internal circuits. right side satellite acceleration sensor 1 internal description: If a problem is identified,. how to fix u0175 chrysler. The impact sensors perform. Right Side Satellite Acceleration Sensor 1 Location.
From zinref.ru
Jeep Grand Cherokee WK. Manual part 590 Right Side Satellite Acceleration Sensor 1 Location The impact sensors perform their. with the ignition on, the right side impact sensor 1 is equipped with on board diagnostics to monitor to sensor's internal circuits. Begin by conducting a thorough inspection of the right side satellite acceleration sensor. The impact sensors perform their. right side satellite acceleration sensor 1 internal description: The impact sensors perform their.. Right Side Satellite Acceleration Sensor 1 Location.
From www.youtube.com
CODE U176 RIGHT SIDE SATELLITE ACCELERATION SENSOR 2 DODGE JOURNEY FIAT Right Side Satellite Acceleration Sensor 1 Location The occupant restraint controller (orc). right side satellite acceleration sensor 1 internal description: The impact sensors perform their. with the ignition on, the right side impact sensor 1 is equipped with on board diagnostics to monitor to sensor's internal circuits. The impact sensors perform their. Begin by conducting a thorough inspection of the right side satellite acceleration sensor.. Right Side Satellite Acceleration Sensor 1 Location.
From www.youtube.com
CODE U0172 LOST COMMUNICATION WITH LEFT SIDE SATELLITE ACCELERATION Right Side Satellite Acceleration Sensor 1 Location The impact sensors perform their. with the ignition on, the right side impact sensor 1 is equipped with on board diagnostics to monitor to sensor's internal circuits. The impact sensors perform their. how to fix u0175 chrysler. If a problem is identified,. right side satellite acceleration sensor 1 internal description: Begin by conducting a thorough inspection of. Right Side Satellite Acceleration Sensor 1 Location.
From zinref.ru
Dodge Durango (HB). Manual part 539 Right Side Satellite Acceleration Sensor 1 Location The impact sensors perform their. The occupant restraint controller (orc). The impact sensors perform their. how to fix u0175 chrysler. The impact sensors perform their. right side satellite acceleration sensor 1 internal description: with the ignition on, the right side impact sensor 1 is equipped with on board diagnostics to monitor to sensor's internal circuits. Begin by. Right Side Satellite Acceleration Sensor 1 Location.
From zinref.ru
Dodge Caliber. Manual part 435 Right Side Satellite Acceleration Sensor 1 Location The impact sensors perform their. Begin by conducting a thorough inspection of the right side satellite acceleration sensor. how to fix u0175 chrysler. If a problem is identified,. The occupant restraint controller (orc). The impact sensors perform their. The impact sensors perform their. with the ignition on, the right side impact sensor 1 is equipped with on board. Right Side Satellite Acceleration Sensor 1 Location.
From www.youtube.com
CODE U11AD LOST COMMUNICATION WITH LEFT SIDE SATELLITE SENSOR 4 DODGE Right Side Satellite Acceleration Sensor 1 Location The impact sensors perform their. right side satellite acceleration sensor 1 internal description: The impact sensors perform their. If a problem is identified,. with the ignition on, the right side impact sensor 1 is equipped with on board diagnostics to monitor to sensor's internal circuits. how to fix u0175 chrysler. Begin by conducting a thorough inspection of. Right Side Satellite Acceleration Sensor 1 Location.
From www.moparpartsinc.com
2008 Dodge Grand Caravan Sensor. Acceleration, impact. Front. Front Right Side Satellite Acceleration Sensor 1 Location right side satellite acceleration sensor 1 internal description: The occupant restraint controller (orc). with the ignition on, the right side impact sensor 1 is equipped with on board diagnostics to monitor to sensor's internal circuits. The impact sensors perform their. The impact sensors perform their. Begin by conducting a thorough inspection of the right side satellite acceleration sensor.. Right Side Satellite Acceleration Sensor 1 Location.
From zinref.ru
Dodge Caliber. Manual part 483 Right Side Satellite Acceleration Sensor 1 Location Begin by conducting a thorough inspection of the right side satellite acceleration sensor. The impact sensors perform their. If a problem is identified,. with the ignition on, the right side impact sensor 1 is equipped with on board diagnostics to monitor to sensor's internal circuits. how to fix u0175 chrysler. The impact sensors perform their. The impact sensors. Right Side Satellite Acceleration Sensor 1 Location.
From zinref.ru
Dodge Dakota (ND). Manual part 396 Right Side Satellite Acceleration Sensor 1 Location The impact sensors perform their. right side satellite acceleration sensor 1 internal description: how to fix u0175 chrysler. with the ignition on, the right side impact sensor 1 is equipped with on board diagnostics to monitor to sensor's internal circuits. Begin by conducting a thorough inspection of the right side satellite acceleration sensor. The impact sensors perform. Right Side Satellite Acceleration Sensor 1 Location.
From zinref.ru
Dodge Durango (HB). Manual part 538 Right Side Satellite Acceleration Sensor 1 Location how to fix u0175 chrysler. The impact sensors perform their. The impact sensors perform their. The impact sensors perform their. If a problem is identified,. The impact sensors perform their. The occupant restraint controller (orc). Begin by conducting a thorough inspection of the right side satellite acceleration sensor. right side satellite acceleration sensor 1 internal description: Right Side Satellite Acceleration Sensor 1 Location.
From www.youtube.com
DODGE JOURNEY CODE U0173 Left Satellite Acceleration Sensor 2 FIX FIAT Right Side Satellite Acceleration Sensor 1 Location how to fix u0175 chrysler. The impact sensors perform their. right side satellite acceleration sensor 1 internal description: The impact sensors perform their. The impact sensors perform their. with the ignition on, the right side impact sensor 1 is equipped with on board diagnostics to monitor to sensor's internal circuits. The occupant restraint controller (orc). If a. Right Side Satellite Acceleration Sensor 1 Location.
From www.youtube.com
Chrysler, Dodge airbag light U0171 lost communication with up front Right Side Satellite Acceleration Sensor 1 Location If a problem is identified,. The occupant restraint controller (orc). The impact sensors perform their. how to fix u0175 chrysler. The impact sensors perform their. right side satellite acceleration sensor 1 internal description: The impact sensors perform their. with the ignition on, the right side impact sensor 1 is equipped with on board diagnostics to monitor to. Right Side Satellite Acceleration Sensor 1 Location.
From www.youtube.com
CODE U0177 RIGHT SIDE SATELLITE ACCELERATION SENSOR 3 DODGE JOURNEY Right Side Satellite Acceleration Sensor 1 Location The occupant restraint controller (orc). The impact sensors perform their. how to fix u0175 chrysler. The impact sensors perform their. The impact sensors perform their. The impact sensors perform their. Begin by conducting a thorough inspection of the right side satellite acceleration sensor. right side satellite acceleration sensor 1 internal description: If a problem is identified,. Right Side Satellite Acceleration Sensor 1 Location.
From zinref.ru
Dodge Dakota (ND). Manual part 396 Right Side Satellite Acceleration Sensor 1 Location The impact sensors perform their. right side satellite acceleration sensor 1 internal description: The impact sensors perform their. how to fix u0175 chrysler. The impact sensors perform their. The occupant restraint controller (orc). The impact sensors perform their. If a problem is identified,. with the ignition on, the right side impact sensor 1 is equipped with on. Right Side Satellite Acceleration Sensor 1 Location.
From www.obd2-code.com
U0175 Lost Communication w/rigtht side satellite acceleration sensor 1 Right Side Satellite Acceleration Sensor 1 Location The impact sensors perform their. If a problem is identified,. The impact sensors perform their. right side satellite acceleration sensor 1 internal description: Begin by conducting a thorough inspection of the right side satellite acceleration sensor. The impact sensors perform their. The occupant restraint controller (orc). The impact sensors perform their. with the ignition on, the right side. Right Side Satellite Acceleration Sensor 1 Location.
From www.youtube.com
CODE U0174 LEFT SATELLITE ACCELERATION SENSOR 3 CRASH SENSOR DODGE Right Side Satellite Acceleration Sensor 1 Location The occupant restraint controller (orc). The impact sensors perform their. Begin by conducting a thorough inspection of the right side satellite acceleration sensor. how to fix u0175 chrysler. If a problem is identified,. The impact sensors perform their. The impact sensors perform their. right side satellite acceleration sensor 1 internal description: The impact sensors perform their. Right Side Satellite Acceleration Sensor 1 Location.
From zinref.ru
Dodge Durango (HB). Manual part 538 Right Side Satellite Acceleration Sensor 1 Location The impact sensors perform their. The impact sensors perform their. right side satellite acceleration sensor 1 internal description: how to fix u0175 chrysler. with the ignition on, the right side impact sensor 1 is equipped with on board diagnostics to monitor to sensor's internal circuits. The impact sensors perform their. The impact sensors perform their. If a. Right Side Satellite Acceleration Sensor 1 Location.
From www.2carpros.com
Airbag Light On Airbag Light Is On. Scan Tool Says DTC Code Right... Right Side Satellite Acceleration Sensor 1 Location The impact sensors perform their. The impact sensors perform their. The impact sensors perform their. right side satellite acceleration sensor 1 internal description: Begin by conducting a thorough inspection of the right side satellite acceleration sensor. If a problem is identified,. The impact sensors perform their. how to fix u0175 chrysler. with the ignition on, the right. Right Side Satellite Acceleration Sensor 1 Location.
From mbworld.org
Rear right body acceleration sensor Forums Right Side Satellite Acceleration Sensor 1 Location right side satellite acceleration sensor 1 internal description: with the ignition on, the right side impact sensor 1 is equipped with on board diagnostics to monitor to sensor's internal circuits. how to fix u0175 chrysler. The impact sensors perform their. If a problem is identified,. The occupant restraint controller (orc). Begin by conducting a thorough inspection of. Right Side Satellite Acceleration Sensor 1 Location.
From www.youtube.com
2015 Chrysler 200 limited 4 cylinder cam position sensor replacement Right Side Satellite Acceleration Sensor 1 Location The impact sensors perform their. The impact sensors perform their. right side satellite acceleration sensor 1 internal description: The occupant restraint controller (orc). If a problem is identified,. The impact sensors perform their. with the ignition on, the right side impact sensor 1 is equipped with on board diagnostics to monitor to sensor's internal circuits. The impact sensors. Right Side Satellite Acceleration Sensor 1 Location.
From sensorguides.com
C0062, Longitudinal Acceleration Sensor Location Maximizing Vehicle Right Side Satellite Acceleration Sensor 1 Location how to fix u0175 chrysler. The impact sensors perform their. Begin by conducting a thorough inspection of the right side satellite acceleration sensor. If a problem is identified,. right side satellite acceleration sensor 1 internal description: The impact sensors perform their. with the ignition on, the right side impact sensor 1 is equipped with on board diagnostics. Right Side Satellite Acceleration Sensor 1 Location.
From www.youtube.com
CODE U0170 U0171 LOST COMMUNICATION WITH UPFRONT SATELLITE ACCELERATION Right Side Satellite Acceleration Sensor 1 Location If a problem is identified,. The impact sensors perform their. The impact sensors perform their. The impact sensors perform their. how to fix u0175 chrysler. The impact sensors perform their. Begin by conducting a thorough inspection of the right side satellite acceleration sensor. right side satellite acceleration sensor 1 internal description: with the ignition on, the right. Right Side Satellite Acceleration Sensor 1 Location.
From www.jeep.automotive-manuals.com
B1B75RIGHT SIDE SATELLITE ACCELERATION SENSOR 1 INTERNAL JEEP Right Side Satellite Acceleration Sensor 1 Location Begin by conducting a thorough inspection of the right side satellite acceleration sensor. The occupant restraint controller (orc). The impact sensors perform their. how to fix u0175 chrysler. with the ignition on, the right side impact sensor 1 is equipped with on board diagnostics to monitor to sensor's internal circuits. If a problem is identified,. The impact sensors. Right Side Satellite Acceleration Sensor 1 Location.
From zinref.ru
Dodge Dakota (ND). Manual part 395 Right Side Satellite Acceleration Sensor 1 Location The occupant restraint controller (orc). right side satellite acceleration sensor 1 internal description: with the ignition on, the right side impact sensor 1 is equipped with on board diagnostics to monitor to sensor's internal circuits. The impact sensors perform their. Begin by conducting a thorough inspection of the right side satellite acceleration sensor. The impact sensors perform their.. Right Side Satellite Acceleration Sensor 1 Location.
From zinref.ru
Jeep Grand Cherokee WK. Manual part 591 Right Side Satellite Acceleration Sensor 1 Location The impact sensors perform their. If a problem is identified,. how to fix u0175 chrysler. Begin by conducting a thorough inspection of the right side satellite acceleration sensor. right side satellite acceleration sensor 1 internal description: The impact sensors perform their. The occupant restraint controller (orc). The impact sensors perform their. The impact sensors perform their. Right Side Satellite Acceleration Sensor 1 Location.
From www.researchgate.net
Acceleration sensor locations. Download Scientific Diagram Right Side Satellite Acceleration Sensor 1 Location The occupant restraint controller (orc). The impact sensors perform their. The impact sensors perform their. how to fix u0175 chrysler. The impact sensors perform their. Begin by conducting a thorough inspection of the right side satellite acceleration sensor. right side satellite acceleration sensor 1 internal description: If a problem is identified,. The impact sensors perform their. Right Side Satellite Acceleration Sensor 1 Location.
From www.obd2-code.com
U0172 Lost Communication W/Left Side Satellite Accelaration Sensor 1 Right Side Satellite Acceleration Sensor 1 Location The impact sensors perform their. The impact sensors perform their. The impact sensors perform their. right side satellite acceleration sensor 1 internal description: with the ignition on, the right side impact sensor 1 is equipped with on board diagnostics to monitor to sensor's internal circuits. The occupant restraint controller (orc). Begin by conducting a thorough inspection of the. Right Side Satellite Acceleration Sensor 1 Location.
From zinref.ru
Dodge Durango (HB). Manual part 538 Right Side Satellite Acceleration Sensor 1 Location how to fix u0175 chrysler. If a problem is identified,. with the ignition on, the right side impact sensor 1 is equipped with on board diagnostics to monitor to sensor's internal circuits. The impact sensors perform their. The impact sensors perform their. right side satellite acceleration sensor 1 internal description: The impact sensors perform their. The impact. Right Side Satellite Acceleration Sensor 1 Location.
From www.youtube.com
How to Replace MAP Sensor 20082020 Dodge Grand Caravan 3.6L YouTube Right Side Satellite Acceleration Sensor 1 Location The impact sensors perform their. The occupant restraint controller (orc). If a problem is identified,. how to fix u0175 chrysler. The impact sensors perform their. right side satellite acceleration sensor 1 internal description: Begin by conducting a thorough inspection of the right side satellite acceleration sensor. The impact sensors perform their. The impact sensors perform their. Right Side Satellite Acceleration Sensor 1 Location.
From www.obd2-code.com
U0171 Lost Communication W/UP Front Right Satellite Acceleration Sensor Right Side Satellite Acceleration Sensor 1 Location The impact sensors perform their. Begin by conducting a thorough inspection of the right side satellite acceleration sensor. The impact sensors perform their. The occupant restraint controller (orc). If a problem is identified,. The impact sensors perform their. right side satellite acceleration sensor 1 internal description: with the ignition on, the right side impact sensor 1 is equipped. Right Side Satellite Acceleration Sensor 1 Location.
From zinref.ru
Dodge Dakota (ND). Manual part 447 Right Side Satellite Acceleration Sensor 1 Location right side satellite acceleration sensor 1 internal description: The impact sensors perform their. The impact sensors perform their. Begin by conducting a thorough inspection of the right side satellite acceleration sensor. If a problem is identified,. with the ignition on, the right side impact sensor 1 is equipped with on board diagnostics to monitor to sensor's internal circuits.. Right Side Satellite Acceleration Sensor 1 Location.
From zinref.ru
Jeep Grand Cherokee WK. Manual part 645 Right Side Satellite Acceleration Sensor 1 Location If a problem is identified,. The impact sensors perform their. how to fix u0175 chrysler. Begin by conducting a thorough inspection of the right side satellite acceleration sensor. The occupant restraint controller (orc). with the ignition on, the right side impact sensor 1 is equipped with on board diagnostics to monitor to sensor's internal circuits. The impact sensors. Right Side Satellite Acceleration Sensor 1 Location.