Auto Temperature Control Circuit . It works by measuring the. in this project we are going to make a small automatic temperature control circuit that could minimize the electricity chargers by. automatic temperature control systems are essential for maintaining ideal operating temperatures for equipment, guaranteeing comfort in. automatic temperature control system is an important application used in almost all modern gadgets and smart homes. the key component of this temperature controlled fan circuit is thermistor, which has been used to detect the rise in temperature. a temperature controller is a device used to regulate the temperature of an object, space inside a container or room, etc.
from www.seekic.com
a temperature controller is a device used to regulate the temperature of an object, space inside a container or room, etc. It works by measuring the. automatic temperature control system is an important application used in almost all modern gadgets and smart homes. the key component of this temperature controlled fan circuit is thermistor, which has been used to detect the rise in temperature. automatic temperature control systems are essential for maintaining ideal operating temperatures for equipment, guaranteeing comfort in. in this project we are going to make a small automatic temperature control circuit that could minimize the electricity chargers by.
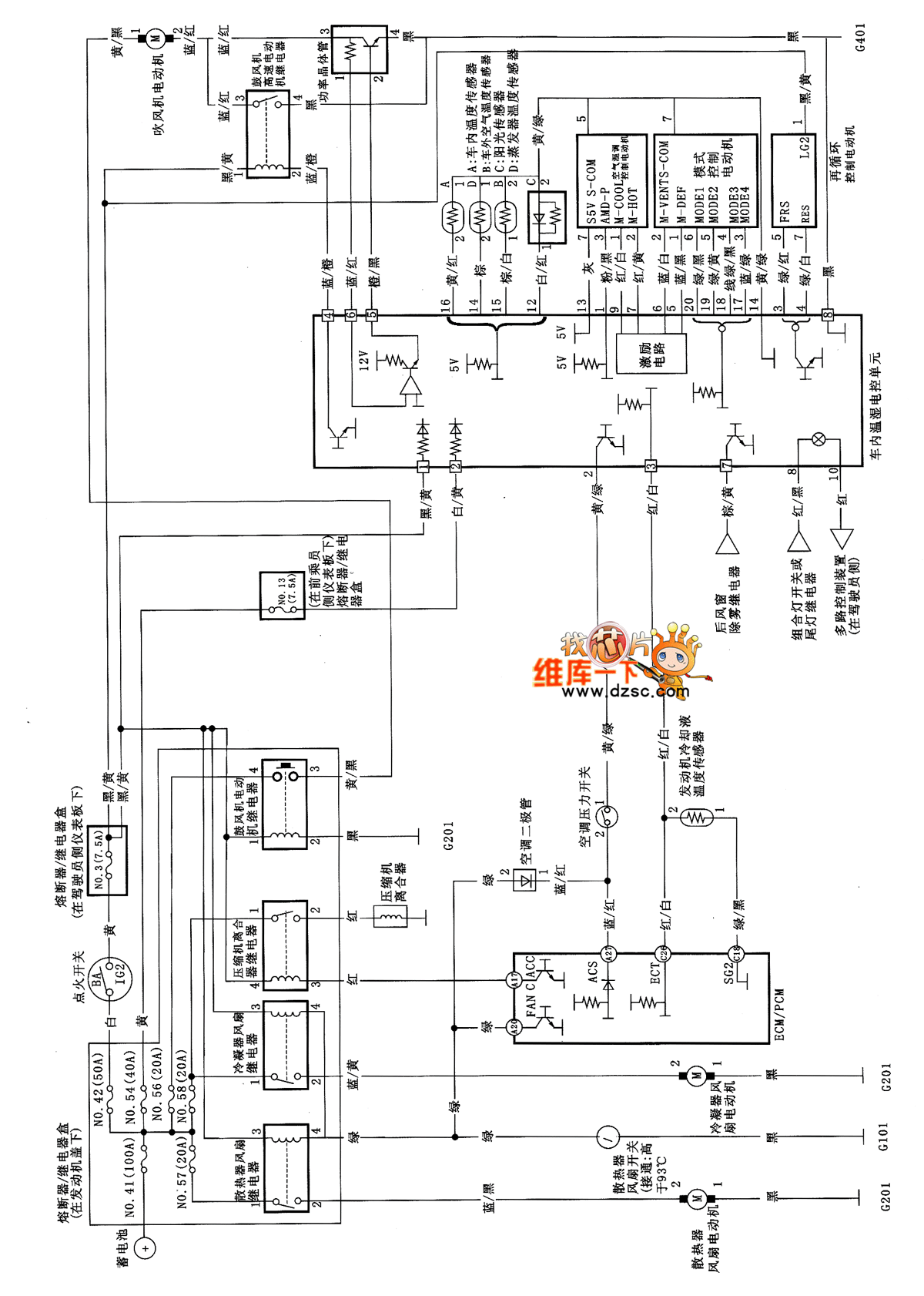
Guangzhou Honda accord automatic temperature control circuit diagram
Auto Temperature Control Circuit It works by measuring the. automatic temperature control system is an important application used in almost all modern gadgets and smart homes. a temperature controller is a device used to regulate the temperature of an object, space inside a container or room, etc. automatic temperature control systems are essential for maintaining ideal operating temperatures for equipment, guaranteeing comfort in. It works by measuring the. in this project we are going to make a small automatic temperature control circuit that could minimize the electricity chargers by. the key component of this temperature controlled fan circuit is thermistor, which has been used to detect the rise in temperature.
From dxoqwiwak.blob.core.windows.net
Automatic Temperature Control System Using Arduino Project at Wendy Auto Temperature Control Circuit automatic temperature control systems are essential for maintaining ideal operating temperatures for equipment, guaranteeing comfort in. It works by measuring the. in this project we are going to make a small automatic temperature control circuit that could minimize the electricity chargers by. a temperature controller is a device used to regulate the temperature of an object, space. Auto Temperature Control Circuit.
From www.electronicsforu.com
Temperature Control System Full Circuit Diagram With Explanation Auto Temperature Control Circuit the key component of this temperature controlled fan circuit is thermistor, which has been used to detect the rise in temperature. automatic temperature control systems are essential for maintaining ideal operating temperatures for equipment, guaranteeing comfort in. It works by measuring the. in this project we are going to make a small automatic temperature control circuit that. Auto Temperature Control Circuit.
From www.homemade-circuits.com
Automatic Temperature Regulator Circuit using Arduino Auto Temperature Control Circuit in this project we are going to make a small automatic temperature control circuit that could minimize the electricity chargers by. automatic temperature control system is an important application used in almost all modern gadgets and smart homes. automatic temperature control systems are essential for maintaining ideal operating temperatures for equipment, guaranteeing comfort in. the key. Auto Temperature Control Circuit.
From www.circuitdiagram.co
Automatic Room Temperature Controller Circuit Diagram » Circuit Diagram Auto Temperature Control Circuit in this project we are going to make a small automatic temperature control circuit that could minimize the electricity chargers by. automatic temperature control systems are essential for maintaining ideal operating temperatures for equipment, guaranteeing comfort in. the key component of this temperature controlled fan circuit is thermistor, which has been used to detect the rise in. Auto Temperature Control Circuit.
From manuallibbarnum.z13.web.core.windows.net
Simple Temperature Control Circuit Diagram Auto Temperature Control Circuit a temperature controller is a device used to regulate the temperature of an object, space inside a container or room, etc. automatic temperature control systems are essential for maintaining ideal operating temperatures for equipment, guaranteeing comfort in. the key component of this temperature controlled fan circuit is thermistor, which has been used to detect the rise in. Auto Temperature Control Circuit.
From diagramlibundirtaki8cw.z21.web.core.windows.net
Temperature Controller Circuit Diagram With Relay Auto Temperature Control Circuit automatic temperature control systems are essential for maintaining ideal operating temperatures for equipment, guaranteeing comfort in. a temperature controller is a device used to regulate the temperature of an object, space inside a container or room, etc. It works by measuring the. automatic temperature control system is an important application used in almost all modern gadgets and. Auto Temperature Control Circuit.
From www.elprocus.com
Precise Digital Temperature Controller Circuit Working and Its Applications Auto Temperature Control Circuit in this project we are going to make a small automatic temperature control circuit that could minimize the electricity chargers by. automatic temperature control system is an important application used in almost all modern gadgets and smart homes. a temperature controller is a device used to regulate the temperature of an object, space inside a container or. Auto Temperature Control Circuit.
From circuitdigest.com
Automatic AC Temperature Controller using Arduino, DHT11 and IR Blaster Auto Temperature Control Circuit automatic temperature control systems are essential for maintaining ideal operating temperatures for equipment, guaranteeing comfort in. It works by measuring the. in this project we are going to make a small automatic temperature control circuit that could minimize the electricity chargers by. the key component of this temperature controlled fan circuit is thermistor, which has been used. Auto Temperature Control Circuit.
From www.seekic.com
The auto power regulation temperature controller circuit Remote Auto Temperature Control Circuit in this project we are going to make a small automatic temperature control circuit that could minimize the electricity chargers by. a temperature controller is a device used to regulate the temperature of an object, space inside a container or room, etc. the key component of this temperature controlled fan circuit is thermistor, which has been used. Auto Temperature Control Circuit.
From www.edrawmax.com
Automatic Temperature Controlled Circuit Diagram EdrawMax Template Auto Temperature Control Circuit automatic temperature control systems are essential for maintaining ideal operating temperatures for equipment, guaranteeing comfort in. It works by measuring the. the key component of this temperature controlled fan circuit is thermistor, which has been used to detect the rise in temperature. a temperature controller is a device used to regulate the temperature of an object, space. Auto Temperature Control Circuit.
From www.youtube.com
Automatic Room Temperature Controller using Arduino CreativeideasEEE Auto Temperature Control Circuit automatic temperature control system is an important application used in almost all modern gadgets and smart homes. automatic temperature control systems are essential for maintaining ideal operating temperatures for equipment, guaranteeing comfort in. It works by measuring the. the key component of this temperature controlled fan circuit is thermistor, which has been used to detect the rise. Auto Temperature Control Circuit.
From gandugliadwschematic.z14.web.core.windows.net
Temperature Controller Circuit Diagram With Relay Auto Temperature Control Circuit the key component of this temperature controlled fan circuit is thermistor, which has been used to detect the rise in temperature. in this project we are going to make a small automatic temperature control circuit that could minimize the electricity chargers by. It works by measuring the. a temperature controller is a device used to regulate the. Auto Temperature Control Circuit.
From www.youtube.com
Automatic Temperature Control Room Heater With Code and Circuit Auto Temperature Control Circuit in this project we are going to make a small automatic temperature control circuit that could minimize the electricity chargers by. It works by measuring the. automatic temperature control system is an important application used in almost all modern gadgets and smart homes. automatic temperature control systems are essential for maintaining ideal operating temperatures for equipment, guaranteeing. Auto Temperature Control Circuit.
From circuitpartmarsha.z19.web.core.windows.net
Automatic Temperature Control Circuit Diagram Auto Temperature Control Circuit a temperature controller is a device used to regulate the temperature of an object, space inside a container or room, etc. It works by measuring the. the key component of this temperature controlled fan circuit is thermistor, which has been used to detect the rise in temperature. automatic temperature control systems are essential for maintaining ideal operating. Auto Temperature Control Circuit.
From projectsdunia.blogspot.com
Arduinobased Automatic Temperature Fan Speed Controller PROJECTSDUNIA Auto Temperature Control Circuit the key component of this temperature controlled fan circuit is thermistor, which has been used to detect the rise in temperature. in this project we are going to make a small automatic temperature control circuit that could minimize the electricity chargers by. a temperature controller is a device used to regulate the temperature of an object, space. Auto Temperature Control Circuit.
From iotprojectsideas.com
Temperature Based Automatic Fan Speed Controller using Arduino Auto Temperature Control Circuit a temperature controller is a device used to regulate the temperature of an object, space inside a container or room, etc. automatic temperature control systems are essential for maintaining ideal operating temperatures for equipment, guaranteeing comfort in. It works by measuring the. automatic temperature control system is an important application used in almost all modern gadgets and. Auto Temperature Control Circuit.
From kylsa.weebly.com
Automatic temperature controlled fan using arduino kylsa Auto Temperature Control Circuit in this project we are going to make a small automatic temperature control circuit that could minimize the electricity chargers by. It works by measuring the. a temperature controller is a device used to regulate the temperature of an object, space inside a container or room, etc. automatic temperature control system is an important application used in. Auto Temperature Control Circuit.
From www.circuits-diy.com
Temperature Controlled Automatic Switch Auto Temperature Control Circuit automatic temperature control system is an important application used in almost all modern gadgets and smart homes. It works by measuring the. the key component of this temperature controlled fan circuit is thermistor, which has been used to detect the rise in temperature. a temperature controller is a device used to regulate the temperature of an object,. Auto Temperature Control Circuit.
From guidekekeyakno28.z14.web.core.windows.net
Automatic Room Temperature Control Circuit Diagram Auto Temperature Control Circuit It works by measuring the. the key component of this temperature controlled fan circuit is thermistor, which has been used to detect the rise in temperature. automatic temperature control system is an important application used in almost all modern gadgets and smart homes. in this project we are going to make a small automatic temperature control circuit. Auto Temperature Control Circuit.
From dxoqwiwak.blob.core.windows.net
Automatic Temperature Control System Using Arduino Project at Wendy Auto Temperature Control Circuit It works by measuring the. automatic temperature control system is an important application used in almost all modern gadgets and smart homes. the key component of this temperature controlled fan circuit is thermistor, which has been used to detect the rise in temperature. automatic temperature control systems are essential for maintaining ideal operating temperatures for equipment, guaranteeing. Auto Temperature Control Circuit.
From circuitpartmarsha.z19.web.core.windows.net
Automatic Temperature Control Circuit Diagram Auto Temperature Control Circuit It works by measuring the. a temperature controller is a device used to regulate the temperature of an object, space inside a container or room, etc. automatic temperature control system is an important application used in almost all modern gadgets and smart homes. in this project we are going to make a small automatic temperature control circuit. Auto Temperature Control Circuit.
From circuitfixsanchez.z13.web.core.windows.net
Automatic Room Temperature Control Circuit Diagram Auto Temperature Control Circuit a temperature controller is a device used to regulate the temperature of an object, space inside a container or room, etc. the key component of this temperature controlled fan circuit is thermistor, which has been used to detect the rise in temperature. automatic temperature control systems are essential for maintaining ideal operating temperatures for equipment, guaranteeing comfort. Auto Temperature Control Circuit.
From www.theorycircuit.com
Automatic Temperature Controlled Switch Auto Temperature Control Circuit in this project we are going to make a small automatic temperature control circuit that could minimize the electricity chargers by. automatic temperature control system is an important application used in almost all modern gadgets and smart homes. a temperature controller is a device used to regulate the temperature of an object, space inside a container or. Auto Temperature Control Circuit.
From mechatrofice.com
Arduino Temperature controller code and working Auto Temperature Control Circuit automatic temperature control systems are essential for maintaining ideal operating temperatures for equipment, guaranteeing comfort in. It works by measuring the. the key component of this temperature controlled fan circuit is thermistor, which has been used to detect the rise in temperature. a temperature controller is a device used to regulate the temperature of an object, space. Auto Temperature Control Circuit.
From www.youtube.com
How to make Automatic Fan ON & OFF and Temperature control Circuit Auto Temperature Control Circuit in this project we are going to make a small automatic temperature control circuit that could minimize the electricity chargers by. the key component of this temperature controlled fan circuit is thermistor, which has been used to detect the rise in temperature. It works by measuring the. automatic temperature control systems are essential for maintaining ideal operating. Auto Temperature Control Circuit.
From guidekekeyakno28.z14.web.core.windows.net
Automatic Room Temperature Control Circuit Diagram Auto Temperature Control Circuit a temperature controller is a device used to regulate the temperature of an object, space inside a container or room, etc. the key component of this temperature controlled fan circuit is thermistor, which has been used to detect the rise in temperature. automatic temperature control system is an important application used in almost all modern gadgets and. Auto Temperature Control Circuit.
From www.seekic.com
Automatic temperature control circuit Basic_Circuit Circuit Diagram Auto Temperature Control Circuit the key component of this temperature controlled fan circuit is thermistor, which has been used to detect the rise in temperature. automatic temperature control system is an important application used in almost all modern gadgets and smart homes. automatic temperature control systems are essential for maintaining ideal operating temperatures for equipment, guaranteeing comfort in. a temperature. Auto Temperature Control Circuit.
From circuitpartmarsha.z19.web.core.windows.net
Automatic Temperature Controlled Fan Circuit Diagram Auto Temperature Control Circuit automatic temperature control system is an important application used in almost all modern gadgets and smart homes. a temperature controller is a device used to regulate the temperature of an object, space inside a container or room, etc. in this project we are going to make a small automatic temperature control circuit that could minimize the electricity. Auto Temperature Control Circuit.
From www.seekic.com
Guangzhou Honda accord automatic temperature control circuit diagram Auto Temperature Control Circuit in this project we are going to make a small automatic temperature control circuit that could minimize the electricity chargers by. a temperature controller is a device used to regulate the temperature of an object, space inside a container or room, etc. automatic temperature control systems are essential for maintaining ideal operating temperatures for equipment, guaranteeing comfort. Auto Temperature Control Circuit.
From www.homemade-circuits.com
2 Automatic Heatsink Temperature Controller Circuit Homemade Circuit Auto Temperature Control Circuit the key component of this temperature controlled fan circuit is thermistor, which has been used to detect the rise in temperature. automatic temperature control systems are essential for maintaining ideal operating temperatures for equipment, guaranteeing comfort in. automatic temperature control system is an important application used in almost all modern gadgets and smart homes. in this. Auto Temperature Control Circuit.
From www.circuits-diy.com
Temperature Control Circuit Using 555 IC Auto Temperature Control Circuit a temperature controller is a device used to regulate the temperature of an object, space inside a container or room, etc. automatic temperature control system is an important application used in almost all modern gadgets and smart homes. automatic temperature control systems are essential for maintaining ideal operating temperatures for equipment, guaranteeing comfort in. It works by. Auto Temperature Control Circuit.
From www.circuits-diy.com
Temperature Controlled DC Fan Circuit using Thermistor Auto Temperature Control Circuit automatic temperature control systems are essential for maintaining ideal operating temperatures for equipment, guaranteeing comfort in. in this project we are going to make a small automatic temperature control circuit that could minimize the electricity chargers by. automatic temperature control system is an important application used in almost all modern gadgets and smart homes. It works by. Auto Temperature Control Circuit.
From www.youtube.com
Automatic Temperature Controller Circuit using NTC in Proteus Auto Temperature Control Circuit the key component of this temperature controlled fan circuit is thermistor, which has been used to detect the rise in temperature. It works by measuring the. a temperature controller is a device used to regulate the temperature of an object, space inside a container or room, etc. automatic temperature control system is an important application used in. Auto Temperature Control Circuit.
From www.circuits-diy.com
Temperature Control Circuit Using 555 IC Auto Temperature Control Circuit It works by measuring the. the key component of this temperature controlled fan circuit is thermistor, which has been used to detect the rise in temperature. in this project we are going to make a small automatic temperature control circuit that could minimize the electricity chargers by. a temperature controller is a device used to regulate the. Auto Temperature Control Circuit.
From www.circuits-diy.com
Temperature Controlled Fan using LM741 IC Auto Temperature Control Circuit It works by measuring the. a temperature controller is a device used to regulate the temperature of an object, space inside a container or room, etc. in this project we are going to make a small automatic temperature control circuit that could minimize the electricity chargers by. the key component of this temperature controlled fan circuit is. Auto Temperature Control Circuit.