Why Power Supply Make Noise . It could be coming from a motherboard onboard circuit or transistor or any other device. Your power supply generates noise because of electrical interference, hardware issues, fan vibrations, and capacitor. Why is my power supply buzzing? One is to use a battery to power your circuitry. Coil whine, also known as electromagnetically excited acoustic noise and vibration or audible magnetic noise, is one of the most frustrating phenomena in. If the sound persists after. You can reduce the noise by replacing. Luckily, you have the information which you can use as a checklist to point out the issue with your power source and fix it. We'll explore the potential causes of a buzzing sound coming from power supply, such as electrical load fluctuations, coil whine, aging components, poor ventilation, and external factors. Is it a sign of a serious issue, and how do i rectify the problem?
from www.monolithicpower.com
Coil whine, also known as electromagnetically excited acoustic noise and vibration or audible magnetic noise, is one of the most frustrating phenomena in. You can reduce the noise by replacing. Your power supply generates noise because of electrical interference, hardware issues, fan vibrations, and capacitor. We'll explore the potential causes of a buzzing sound coming from power supply, such as electrical load fluctuations, coil whine, aging components, poor ventilation, and external factors. It could be coming from a motherboard onboard circuit or transistor or any other device. Why is my power supply buzzing? Is it a sign of a serious issue, and how do i rectify the problem? One is to use a battery to power your circuitry. Luckily, you have the information which you can use as a checklist to point out the issue with your power source and fix it. If the sound persists after.
DC Power Supply Noise Reduction and Measurement Article MPS
Why Power Supply Make Noise It could be coming from a motherboard onboard circuit or transistor or any other device. You can reduce the noise by replacing. Luckily, you have the information which you can use as a checklist to point out the issue with your power source and fix it. One is to use a battery to power your circuitry. We'll explore the potential causes of a buzzing sound coming from power supply, such as electrical load fluctuations, coil whine, aging components, poor ventilation, and external factors. It could be coming from a motherboard onboard circuit or transistor or any other device. Coil whine, also known as electromagnetically excited acoustic noise and vibration or audible magnetic noise, is one of the most frustrating phenomena in. Why is my power supply buzzing? Your power supply generates noise because of electrical interference, hardware issues, fan vibrations, and capacitor. If the sound persists after. Is it a sign of a serious issue, and how do i rectify the problem?
From bytebitebit.com
Power Supply Clicking How To Fix Clicking Noises in PSU Why Power Supply Make Noise Coil whine, also known as electromagnetically excited acoustic noise and vibration or audible magnetic noise, is one of the most frustrating phenomena in. We'll explore the potential causes of a buzzing sound coming from power supply, such as electrical load fluctuations, coil whine, aging components, poor ventilation, and external factors. Why is my power supply buzzing? Your power supply generates. Why Power Supply Make Noise.
From www.youtube.com
[Fixed] Power Supply Making Noise 5 Reasons Needs to Be Checked Why Power Supply Make Noise You can reduce the noise by replacing. Coil whine, also known as electromagnetically excited acoustic noise and vibration or audible magnetic noise, is one of the most frustrating phenomena in. If the sound persists after. We'll explore the potential causes of a buzzing sound coming from power supply, such as electrical load fluctuations, coil whine, aging components, poor ventilation, and. Why Power Supply Make Noise.
From www.electronics-lab.com
Power supply IC generates lownoise bipolar (+/) power rails Why Power Supply Make Noise You can reduce the noise by replacing. Your power supply generates noise because of electrical interference, hardware issues, fan vibrations, and capacitor. Luckily, you have the information which you can use as a checklist to point out the issue with your power source and fix it. If the sound persists after. One is to use a battery to power your. Why Power Supply Make Noise.
From resources.altium.com
How to Reduce CommonMode Noise in Your Power Supply with Impedance Why Power Supply Make Noise Luckily, you have the information which you can use as a checklist to point out the issue with your power source and fix it. Your power supply generates noise because of electrical interference, hardware issues, fan vibrations, and capacitor. We'll explore the potential causes of a buzzing sound coming from power supply, such as electrical load fluctuations, coil whine, aging. Why Power Supply Make Noise.
From oshwlab.com
Ultra Low Noise Power Supply 6.0VDC 15VA EasyEDA open source hardware lab Why Power Supply Make Noise Coil whine, also known as electromagnetically excited acoustic noise and vibration or audible magnetic noise, is one of the most frustrating phenomena in. We'll explore the potential causes of a buzzing sound coming from power supply, such as electrical load fluctuations, coil whine, aging components, poor ventilation, and external factors. You can reduce the noise by replacing. Your power supply. Why Power Supply Make Noise.
From www.youtube.com
How to Measure Ripple & Noise in Power Supplies YouTube Why Power Supply Make Noise Your power supply generates noise because of electrical interference, hardware issues, fan vibrations, and capacitor. If the sound persists after. One is to use a battery to power your circuitry. Luckily, you have the information which you can use as a checklist to point out the issue with your power source and fix it. You can reduce the noise by. Why Power Supply Make Noise.
From www.idvorak.info
101 of lownoise power supply for ADC Vývojář elektroniky v Brně Why Power Supply Make Noise If the sound persists after. You can reduce the noise by replacing. Coil whine, also known as electromagnetically excited acoustic noise and vibration or audible magnetic noise, is one of the most frustrating phenomena in. One is to use a battery to power your circuitry. Is it a sign of a serious issue, and how do i rectify the problem?. Why Power Supply Make Noise.
From www.powerelectronictips.com
Powersupply noise, Part 1 Power Electronic Tips Why Power Supply Make Noise Is it a sign of a serious issue, and how do i rectify the problem? Your power supply generates noise because of electrical interference, hardware issues, fan vibrations, and capacitor. Luckily, you have the information which you can use as a checklist to point out the issue with your power source and fix it. One is to use a battery. Why Power Supply Make Noise.
From www.edn.com
Testing a power supply Noise (Part 2) EDN Why Power Supply Make Noise You can reduce the noise by replacing. We'll explore the potential causes of a buzzing sound coming from power supply, such as electrical load fluctuations, coil whine, aging components, poor ventilation, and external factors. Your power supply generates noise because of electrical interference, hardware issues, fan vibrations, and capacitor. Is it a sign of a serious issue, and how do. Why Power Supply Make Noise.
From www.4niev.com
Switching Power Supply Noise Niev Why Power Supply Make Noise Your power supply generates noise because of electrical interference, hardware issues, fan vibrations, and capacitor. You can reduce the noise by replacing. Why is my power supply buzzing? We'll explore the potential causes of a buzzing sound coming from power supply, such as electrical load fluctuations, coil whine, aging components, poor ventilation, and external factors. One is to use a. Why Power Supply Make Noise.
From www.youtube.com
Power Supply Noise YouTube Why Power Supply Make Noise You can reduce the noise by replacing. One is to use a battery to power your circuitry. Coil whine, also known as electromagnetically excited acoustic noise and vibration or audible magnetic noise, is one of the most frustrating phenomena in. If the sound persists after. Your power supply generates noise because of electrical interference, hardware issues, fan vibrations, and capacitor.. Why Power Supply Make Noise.
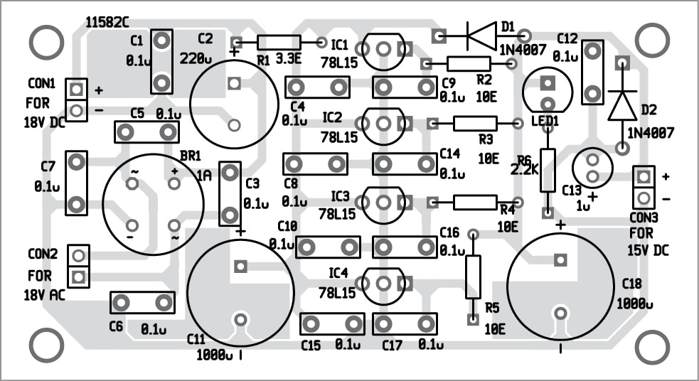
From www.electronicsforu.com
Low Noise Power Supply With Four ICs In Parallel Full DIY Project Why Power Supply Make Noise One is to use a battery to power your circuitry. Coil whine, also known as electromagnetically excited acoustic noise and vibration or audible magnetic noise, is one of the most frustrating phenomena in. We'll explore the potential causes of a buzzing sound coming from power supply, such as electrical load fluctuations, coil whine, aging components, poor ventilation, and external factors.. Why Power Supply Make Noise.
From www.youtube.com
Power Supply makes beeping noise YouTube Why Power Supply Make Noise We'll explore the potential causes of a buzzing sound coming from power supply, such as electrical load fluctuations, coil whine, aging components, poor ventilation, and external factors. You can reduce the noise by replacing. Coil whine, also known as electromagnetically excited acoustic noise and vibration or audible magnetic noise, is one of the most frustrating phenomena in. One is to. Why Power Supply Make Noise.
From www.radiolocman.com
Cancel PWM DAC ripple and power supply noise Why Power Supply Make Noise Coil whine, also known as electromagnetically excited acoustic noise and vibration or audible magnetic noise, is one of the most frustrating phenomena in. It could be coming from a motherboard onboard circuit or transistor or any other device. One is to use a battery to power your circuitry. Luckily, you have the information which you can use as a checklist. Why Power Supply Make Noise.
From www.changpuak.ch
Power Supply Ripple and Noise Why Power Supply Make Noise Is it a sign of a serious issue, and how do i rectify the problem? One is to use a battery to power your circuitry. Your power supply generates noise because of electrical interference, hardware issues, fan vibrations, and capacitor. It could be coming from a motherboard onboard circuit or transistor or any other device. We'll explore the potential causes. Why Power Supply Make Noise.
From e2e.ti.com
Testing power supply Measuring Noise Power management Technical Why Power Supply Make Noise If the sound persists after. It could be coming from a motherboard onboard circuit or transistor or any other device. You can reduce the noise by replacing. Your power supply generates noise because of electrical interference, hardware issues, fan vibrations, and capacitor. Coil whine, also known as electromagnetically excited acoustic noise and vibration or audible magnetic noise, is one of. Why Power Supply Make Noise.
From www.monolithicpower.com
DC Power Supply Noise Reduction and Measurement Article MPS Why Power Supply Make Noise We'll explore the potential causes of a buzzing sound coming from power supply, such as electrical load fluctuations, coil whine, aging components, poor ventilation, and external factors. Luckily, you have the information which you can use as a checklist to point out the issue with your power source and fix it. Why is my power supply buzzing? If the sound. Why Power Supply Make Noise.
From en.globtek.com
Power Supply Serves LowNoise Applications GlobTek Why Power Supply Make Noise You can reduce the noise by replacing. Is it a sign of a serious issue, and how do i rectify the problem? Luckily, you have the information which you can use as a checklist to point out the issue with your power source and fix it. We'll explore the potential causes of a buzzing sound coming from power supply, such. Why Power Supply Make Noise.
From www.tek.com
Measuring Power Supply Output Noise and Ripple Tektronix Why Power Supply Make Noise If the sound persists after. Luckily, you have the information which you can use as a checklist to point out the issue with your power source and fix it. We'll explore the potential causes of a buzzing sound coming from power supply, such as electrical load fluctuations, coil whine, aging components, poor ventilation, and external factors. Why is my power. Why Power Supply Make Noise.
From docslib.org
Power Supply Units, Noise, and Distortion DocsLib Why Power Supply Make Noise If the sound persists after. You can reduce the noise by replacing. It could be coming from a motherboard onboard circuit or transistor or any other device. Coil whine, also known as electromagnetically excited acoustic noise and vibration or audible magnetic noise, is one of the most frustrating phenomena in. One is to use a battery to power your circuitry.. Why Power Supply Make Noise.
From www.teamwavelength.com
POWER SUPPLY BASICS Wavelength Electronics Why Power Supply Make Noise Luckily, you have the information which you can use as a checklist to point out the issue with your power source and fix it. We'll explore the potential causes of a buzzing sound coming from power supply, such as electrical load fluctuations, coil whine, aging components, poor ventilation, and external factors. It could be coming from a motherboard onboard circuit. Why Power Supply Make Noise.
From www.electronicsforu.com
Low Noise Power Supply With Four ICs In Parallel Full DIY Project Why Power Supply Make Noise We'll explore the potential causes of a buzzing sound coming from power supply, such as electrical load fluctuations, coil whine, aging components, poor ventilation, and external factors. It could be coming from a motherboard onboard circuit or transistor or any other device. One is to use a battery to power your circuitry. Luckily, you have the information which you can. Why Power Supply Make Noise.
From www.nwengineeringllc.com
Switching Power Supply Noise, Radiated EMI, and EMC NWES Blog Why Power Supply Make Noise Why is my power supply buzzing? It could be coming from a motherboard onboard circuit or transistor or any other device. Coil whine, also known as electromagnetically excited acoustic noise and vibration or audible magnetic noise, is one of the most frustrating phenomena in. Your power supply generates noise because of electrical interference, hardware issues, fan vibrations, and capacitor. We'll. Why Power Supply Make Noise.
From blogs.bournemouth.ac.uk
BU Research Blog Development of novel low noise Switchmode power Why Power Supply Make Noise Your power supply generates noise because of electrical interference, hardware issues, fan vibrations, and capacitor. You can reduce the noise by replacing. It could be coming from a motherboard onboard circuit or transistor or any other device. One is to use a battery to power your circuitry. Is it a sign of a serious issue, and how do i rectify. Why Power Supply Make Noise.
From www.youtube.com
Power supply high pitch noise YouTube Why Power Supply Make Noise It could be coming from a motherboard onboard circuit or transistor or any other device. Luckily, you have the information which you can use as a checklist to point out the issue with your power source and fix it. If the sound persists after. Coil whine, also known as electromagnetically excited acoustic noise and vibration or audible magnetic noise, is. Why Power Supply Make Noise.
From www.nwengineeringllc.com
Switching Power Supply Noise, Radiated EMI, and EMC NWES Blog Why Power Supply Make Noise Luckily, you have the information which you can use as a checklist to point out the issue with your power source and fix it. Is it a sign of a serious issue, and how do i rectify the problem? If the sound persists after. It could be coming from a motherboard onboard circuit or transistor or any other device. Your. Why Power Supply Make Noise.
From itigic.com
How to Reduce or Eliminate the Noise the Power Supply Makes ITIGIC Why Power Supply Make Noise One is to use a battery to power your circuitry. If the sound persists after. Coil whine, also known as electromagnetically excited acoustic noise and vibration or audible magnetic noise, is one of the most frustrating phenomena in. We'll explore the potential causes of a buzzing sound coming from power supply, such as electrical load fluctuations, coil whine, aging components,. Why Power Supply Make Noise.
From www.youtube.com
Linear Power Supply Noise suppression. pa0nhc. YouTube Why Power Supply Make Noise If the sound persists after. Luckily, you have the information which you can use as a checklist to point out the issue with your power source and fix it. Why is my power supply buzzing? Your power supply generates noise because of electrical interference, hardware issues, fan vibrations, and capacitor. It could be coming from a motherboard onboard circuit or. Why Power Supply Make Noise.
From www.youtube.com
Understanding and Addressing Power Supply Clicking Noises YouTube Why Power Supply Make Noise Why is my power supply buzzing? It could be coming from a motherboard onboard circuit or transistor or any other device. You can reduce the noise by replacing. Your power supply generates noise because of electrical interference, hardware issues, fan vibrations, and capacitor. One is to use a battery to power your circuitry. Coil whine, also known as electromagnetically excited. Why Power Supply Make Noise.
From www.4niev.com
Switching Power Supply Noise Niev Why Power Supply Make Noise If the sound persists after. One is to use a battery to power your circuitry. Coil whine, also known as electromagnetically excited acoustic noise and vibration or audible magnetic noise, is one of the most frustrating phenomena in. Is it a sign of a serious issue, and how do i rectify the problem? We'll explore the potential causes of a. Why Power Supply Make Noise.
From www.researchgate.net
The noise in the power supply. Download Scientific Diagram Why Power Supply Make Noise Why is my power supply buzzing? You can reduce the noise by replacing. Luckily, you have the information which you can use as a checklist to point out the issue with your power source and fix it. Is it a sign of a serious issue, and how do i rectify the problem? One is to use a battery to power. Why Power Supply Make Noise.
From www.reddit.com
Power supply was making weird noises, can’t find the problem. r Why Power Supply Make Noise Why is my power supply buzzing? Luckily, you have the information which you can use as a checklist to point out the issue with your power source and fix it. It could be coming from a motherboard onboard circuit or transistor or any other device. Coil whine, also known as electromagnetically excited acoustic noise and vibration or audible magnetic noise,. Why Power Supply Make Noise.
From e2e.ti.com
UCC28019 The power supply makes noise when powered on or loaded Why Power Supply Make Noise Is it a sign of a serious issue, and how do i rectify the problem? Your power supply generates noise because of electrical interference, hardware issues, fan vibrations, and capacitor. It could be coming from a motherboard onboard circuit or transistor or any other device. Luckily, you have the information which you can use as a checklist to point out. Why Power Supply Make Noise.
From www.monolithicpower.com
DC Power Supply Noise Reduction and Measurement Article MPS Why Power Supply Make Noise It could be coming from a motherboard onboard circuit or transistor or any other device. Coil whine, also known as electromagnetically excited acoustic noise and vibration or audible magnetic noise, is one of the most frustrating phenomena in. You can reduce the noise by replacing. Your power supply generates noise because of electrical interference, hardware issues, fan vibrations, and capacitor.. Why Power Supply Make Noise.
From www.monolithicpower.com
DC Power Supply Noise Reduction and Measurement Article MPS Why Power Supply Make Noise Why is my power supply buzzing? One is to use a battery to power your circuitry. Luckily, you have the information which you can use as a checklist to point out the issue with your power source and fix it. Coil whine, also known as electromagnetically excited acoustic noise and vibration or audible magnetic noise, is one of the most. Why Power Supply Make Noise.