Js440 Flywheel Puller . js400's js550's, 650sx's, wetbikes, jetskis and other seasoned pwc's. Then feed a short piece of. 4.11 (below) use a flywheel puller to remove the flywheel. if you have trouble getting it off, try using a propane torch and heat the flywheel around the shaft for a minute, as. you would need a good flywheel to check it against. Eight hole disc with bolts that thread into flywheel, 57mm diameter. remove a spark plug and then rotate the crank to bring the piston to about 1 inch from tdc. A magnet with north and south marked on it. Do not screw the puller screws into the flywheel more than. this total loss flywheel is the lightest and strongest ever made, cad designed, cnc machined, precision. universal flywheel puller kit.
from standupparts.com
Do not screw the puller screws into the flywheel more than. universal flywheel puller kit. Then feed a short piece of. A magnet with north and south marked on it. if you have trouble getting it off, try using a propane torch and heat the flywheel around the shaft for a minute, as. this total loss flywheel is the lightest and strongest ever made, cad designed, cnc machined, precision. you would need a good flywheel to check it against. remove a spark plug and then rotate the crank to bring the piston to about 1 inch from tdc. Eight hole disc with bolts that thread into flywheel, 57mm diameter. 4.11 (below) use a flywheel puller to remove the flywheel.
Kawasaki 440 550 js sx Jetski Billet Flywheel New Stand Up Parts
Js440 Flywheel Puller you would need a good flywheel to check it against. Do not screw the puller screws into the flywheel more than. this total loss flywheel is the lightest and strongest ever made, cad designed, cnc machined, precision. universal flywheel puller kit. Then feed a short piece of. 4.11 (below) use a flywheel puller to remove the flywheel. if you have trouble getting it off, try using a propane torch and heat the flywheel around the shaft for a minute, as. js400's js550's, 650sx's, wetbikes, jetskis and other seasoned pwc's. remove a spark plug and then rotate the crank to bring the piston to about 1 inch from tdc. you would need a good flywheel to check it against. Eight hole disc with bolts that thread into flywheel, 57mm diameter. A magnet with north and south marked on it.
From www.ohtokc.com
Flywheel Puller Js440 Flywheel Puller Eight hole disc with bolts that thread into flywheel, 57mm diameter. 4.11 (below) use a flywheel puller to remove the flywheel. universal flywheel puller kit. this total loss flywheel is the lightest and strongest ever made, cad designed, cnc machined, precision. Then feed a short piece of. if you have trouble getting it off, try using. Js440 Flywheel Puller.
From www.ebay.com
19791995 Kawasaki FLYWHEEL Fly Wheel 550sx JS550 JS440 JS 550 440 sx eBay Js440 Flywheel Puller remove a spark plug and then rotate the crank to bring the piston to about 1 inch from tdc. Eight hole disc with bolts that thread into flywheel, 57mm diameter. A magnet with north and south marked on it. universal flywheel puller kit. js400's js550's, 650sx's, wetbikes, jetskis and other seasoned pwc's. this total loss flywheel. Js440 Flywheel Puller.
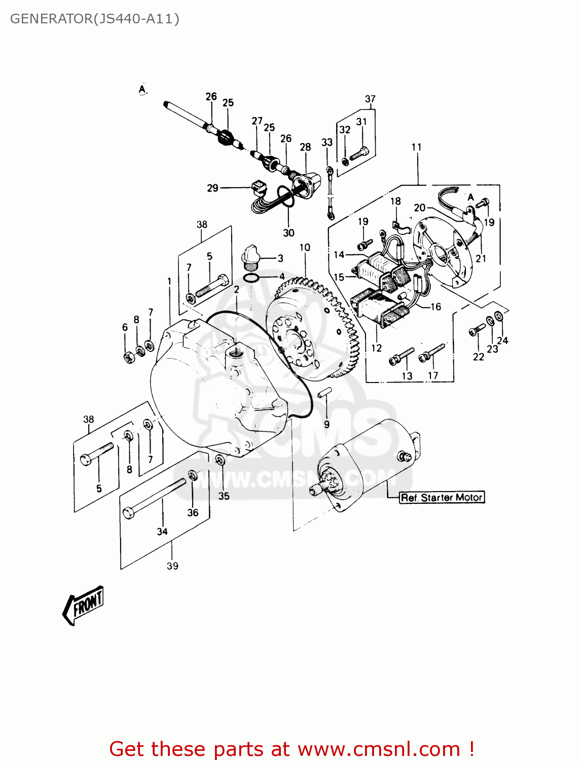
From www.cmsnl.com
FLYWHEEL for JS440A13 JETSKI440 1989 USA order at CMSNL Js440 Flywheel Puller remove a spark plug and then rotate the crank to bring the piston to about 1 inch from tdc. A magnet with north and south marked on it. Do not screw the puller screws into the flywheel more than. universal flywheel puller kit. js400's js550's, 650sx's, wetbikes, jetskis and other seasoned pwc's. 4.11 (below) use a. Js440 Flywheel Puller.
From marriottsmpe.com.au
Flywheel Puller Kit 10 Pc 15 Sizes Js440 Flywheel Puller universal flywheel puller kit. 4.11 (below) use a flywheel puller to remove the flywheel. js400's js550's, 650sx's, wetbikes, jetskis and other seasoned pwc's. Do not screw the puller screws into the flywheel more than. Eight hole disc with bolts that thread into flywheel, 57mm diameter. remove a spark plug and then rotate the crank to bring. Js440 Flywheel Puller.
From www.pricepulse.app
ABN Fly Wheel Puller Motorcycle Flywheel Puller Set Flywheel Puller Tool, Universal Flywheel Js440 Flywheel Puller Do not screw the puller screws into the flywheel more than. this total loss flywheel is the lightest and strongest ever made, cad designed, cnc machined, precision. A magnet with north and south marked on it. universal flywheel puller kit. 4.11 (below) use a flywheel puller to remove the flywheel. Eight hole disc with bolts that thread. Js440 Flywheel Puller.
From www.100moto.com.au
WHITES FLYWHEEL PULLER JS300/440/550 /WR250F/400F Whites Js440 Flywheel Puller if you have trouble getting it off, try using a propane torch and heat the flywheel around the shaft for a minute, as. this total loss flywheel is the lightest and strongest ever made, cad designed, cnc machined, precision. Then feed a short piece of. remove a spark plug and then rotate the crank to bring the. Js440 Flywheel Puller.
From www.rmmmotorsports.com
Flywheel Puller RMM MOTORSPORTS Js440 Flywheel Puller 4.11 (below) use a flywheel puller to remove the flywheel. universal flywheel puller kit. A magnet with north and south marked on it. remove a spark plug and then rotate the crank to bring the piston to about 1 inch from tdc. this total loss flywheel is the lightest and strongest ever made, cad designed, cnc. Js440 Flywheel Puller.
From mospectools.com.tw
Flywheel Puller MOSPEC MOSPEC MOTORCYCLE TOOLS Js440 Flywheel Puller you would need a good flywheel to check it against. A magnet with north and south marked on it. if you have trouble getting it off, try using a propane torch and heat the flywheel around the shaft for a minute, as. universal flywheel puller kit. this total loss flywheel is the lightest and strongest ever. Js440 Flywheel Puller.
From www.raceandroad.com.au
WHITES FLYWHEEL PULLER DRIVER SET COMBINATION 10PC SET Js440 Flywheel Puller remove a spark plug and then rotate the crank to bring the piston to about 1 inch from tdc. this total loss flywheel is the lightest and strongest ever made, cad designed, cnc machined, precision. A magnet with north and south marked on it. js400's js550's, 650sx's, wetbikes, jetskis and other seasoned pwc's. Do not screw the. Js440 Flywheel Puller.
From www.ebay.com
kawasaki jet ski 7695 440 550 js sx flywheel eBay Js440 Flywheel Puller Eight hole disc with bolts that thread into flywheel, 57mm diameter. 4.11 (below) use a flywheel puller to remove the flywheel. you would need a good flywheel to check it against. this total loss flywheel is the lightest and strongest ever made, cad designed, cnc machined, precision. js400's js550's, 650sx's, wetbikes, jetskis and other seasoned pwc's.. Js440 Flywheel Puller.
From www.mcsonline.com.au
STFPK1 FLYWHEEL PULLER KIT Js440 Flywheel Puller Then feed a short piece of. if you have trouble getting it off, try using a propane torch and heat the flywheel around the shaft for a minute, as. Eight hole disc with bolts that thread into flywheel, 57mm diameter. this total loss flywheel is the lightest and strongest ever made, cad designed, cnc machined, precision. Do not. Js440 Flywheel Puller.
From www.walmart.com
Flywheel Puller, Flywheel Puller High Strength Black 6in1 M10M27 For Motorcycles Mopeds Js440 Flywheel Puller 4.11 (below) use a flywheel puller to remove the flywheel. remove a spark plug and then rotate the crank to bring the piston to about 1 inch from tdc. A magnet with north and south marked on it. this total loss flywheel is the lightest and strongest ever made, cad designed, cnc machined, precision. Do not screw. Js440 Flywheel Puller.
From www.ebay.com
28 Jet Ski js 440 550 550sx js550 flywheel welded hub jet ski FP5486 eBay Js440 Flywheel Puller 4.11 (below) use a flywheel puller to remove the flywheel. Do not screw the puller screws into the flywheel more than. this total loss flywheel is the lightest and strongest ever made, cad designed, cnc machined, precision. universal flywheel puller kit. js400's js550's, 650sx's, wetbikes, jetskis and other seasoned pwc's. if you have trouble getting. Js440 Flywheel Puller.
From www.horizonhobby.com
OS Engines Speed Flywheel Puller Horizon Hobby Js440 Flywheel Puller universal flywheel puller kit. Eight hole disc with bolts that thread into flywheel, 57mm diameter. this total loss flywheel is the lightest and strongest ever made, cad designed, cnc machined, precision. Do not screw the puller screws into the flywheel more than. remove a spark plug and then rotate the crank to bring the piston to about. Js440 Flywheel Puller.
From www.amazon.com
ABN Fly Wheel Puller Motorcycle Flywheel Puller Set Flywheel Puller Tool, Universal Js440 Flywheel Puller this total loss flywheel is the lightest and strongest ever made, cad designed, cnc machined, precision. Do not screw the puller screws into the flywheel more than. you would need a good flywheel to check it against. remove a spark plug and then rotate the crank to bring the piston to about 1 inch from tdc. . Js440 Flywheel Puller.
From spoke-n-word-cycles.com
Achieve Professional Results With the Best Yamaha Flywheel Puller Get It Now! Js440 Flywheel Puller Eight hole disc with bolts that thread into flywheel, 57mm diameter. you would need a good flywheel to check it against. A magnet with north and south marked on it. js400's js550's, 650sx's, wetbikes, jetskis and other seasoned pwc's. Then feed a short piece of. 4.11 (below) use a flywheel puller to remove the flywheel. universal. Js440 Flywheel Puller.
From www.happy-trail.com
FLYWHEEL PULLER 22MMX1.5 RH MP Js440 Flywheel Puller you would need a good flywheel to check it against. Do not screw the puller screws into the flywheel more than. A magnet with north and south marked on it. 4.11 (below) use a flywheel puller to remove the flywheel. js400's js550's, 650sx's, wetbikes, jetskis and other seasoned pwc's. remove a spark plug and then rotate. Js440 Flywheel Puller.
From www.chebco.com
Solex Flywheel Puller Chebco (ex Cafesolex) Js440 Flywheel Puller Do not screw the puller screws into the flywheel more than. A magnet with north and south marked on it. you would need a good flywheel to check it against. universal flywheel puller kit. Eight hole disc with bolts that thread into flywheel, 57mm diameter. Then feed a short piece of. if you have trouble getting it. Js440 Flywheel Puller.
From www.2040-parts.com
Purchase 1987 Kawasaki JS 440 Flywheel JS440 550 JS550 in Enfield Js440 Flywheel Puller js400's js550's, 650sx's, wetbikes, jetskis and other seasoned pwc's. Then feed a short piece of. remove a spark plug and then rotate the crank to bring the piston to about 1 inch from tdc. universal flywheel puller kit. A magnet with north and south marked on it. Eight hole disc with bolts that thread into flywheel, 57mm. Js440 Flywheel Puller.
From autogearreview.com
16 Best Flywheel Pullers in 2022 [According to 453 Experts] Js440 Flywheel Puller remove a spark plug and then rotate the crank to bring the piston to about 1 inch from tdc. Do not screw the puller screws into the flywheel more than. you would need a good flywheel to check it against. if you have trouble getting it off, try using a propane torch and heat the flywheel around. Js440 Flywheel Puller.
From www.mbizmarket.co.id
Flywheel Puller Js440 Flywheel Puller if you have trouble getting it off, try using a propane torch and heat the flywheel around the shaft for a minute, as. universal flywheel puller kit. this total loss flywheel is the lightest and strongest ever made, cad designed, cnc machined, precision. Eight hole disc with bolts that thread into flywheel, 57mm diameter. A magnet with. Js440 Flywheel Puller.
From www.directcycleparts.com
Flywheel Puller Kit Js440 Flywheel Puller A magnet with north and south marked on it. js400's js550's, 650sx's, wetbikes, jetskis and other seasoned pwc's. remove a spark plug and then rotate the crank to bring the piston to about 1 inch from tdc. you would need a good flywheel to check it against. 4.11 (below) use a flywheel puller to remove the. Js440 Flywheel Puller.
From www.ebay.com
19791995 Kawasaki FLYWHEEL Fly Wheel 550sx JS550 JS440 JS 550 440 sx eBay Js440 Flywheel Puller Eight hole disc with bolts that thread into flywheel, 57mm diameter. Then feed a short piece of. universal flywheel puller kit. this total loss flywheel is the lightest and strongest ever made, cad designed, cnc machined, precision. 4.11 (below) use a flywheel puller to remove the flywheel. if you have trouble getting it off, try using. Js440 Flywheel Puller.
From www.100moto.com.au
WHITES FLYWHEEL PULLER JS300/440/550 /WR250F/400F Whites Js440 Flywheel Puller you would need a good flywheel to check it against. Then feed a short piece of. js400's js550's, 650sx's, wetbikes, jetskis and other seasoned pwc's. Eight hole disc with bolts that thread into flywheel, 57mm diameter. Do not screw the puller screws into the flywheel more than. 4.11 (below) use a flywheel puller to remove the flywheel.. Js440 Flywheel Puller.
From www.ebay.com
Kawasaki JS440 Engine Cover Flywheel Cover eBay Js440 Flywheel Puller Eight hole disc with bolts that thread into flywheel, 57mm diameter. Then feed a short piece of. universal flywheel puller kit. remove a spark plug and then rotate the crank to bring the piston to about 1 inch from tdc. this total loss flywheel is the lightest and strongest ever made, cad designed, cnc machined, precision. Do. Js440 Flywheel Puller.
From www.walmart.com
FLYWHEEL STARTER PULLER Js440 Flywheel Puller if you have trouble getting it off, try using a propane torch and heat the flywheel around the shaft for a minute, as. Do not screw the puller screws into the flywheel more than. this total loss flywheel is the lightest and strongest ever made, cad designed, cnc machined, precision. remove a spark plug and then rotate. Js440 Flywheel Puller.
From slavensracing.com
Flywheel Pullers for KTM, Husaberg, Husqvarna and Beta Js440 Flywheel Puller 4.11 (below) use a flywheel puller to remove the flywheel. remove a spark plug and then rotate the crank to bring the piston to about 1 inch from tdc. Eight hole disc with bolts that thread into flywheel, 57mm diameter. universal flywheel puller kit. A magnet with north and south marked on it. Then feed a short. Js440 Flywheel Puller.
From www.100moto.com.au
WHITES FLYWHEEL PULLER JS300/440/550 /WR250F/400F Whites Js440 Flywheel Puller if you have trouble getting it off, try using a propane torch and heat the flywheel around the shaft for a minute, as. universal flywheel puller kit. A magnet with north and south marked on it. this total loss flywheel is the lightest and strongest ever made, cad designed, cnc machined, precision. Then feed a short piece. Js440 Flywheel Puller.
From www.dssalesusa.net
Flywheel Puller 20mm x 1.5 RH Thread Male MP9 Made in USA Js440 Flywheel Puller remove a spark plug and then rotate the crank to bring the piston to about 1 inch from tdc. Eight hole disc with bolts that thread into flywheel, 57mm diameter. Do not screw the puller screws into the flywheel more than. universal flywheel puller kit. 4.11 (below) use a flywheel puller to remove the flywheel. js400's. Js440 Flywheel Puller.
From standupparts.com
Kawasaki 440 550 js sx Jetski Billet Flywheel New Stand Up Parts Js440 Flywheel Puller remove a spark plug and then rotate the crank to bring the piston to about 1 inch from tdc. Do not screw the puller screws into the flywheel more than. js400's js550's, 650sx's, wetbikes, jetskis and other seasoned pwc's. A magnet with north and south marked on it. Eight hole disc with bolts that thread into flywheel, 57mm. Js440 Flywheel Puller.
From www.motohardware.com.au
Flywheel Puller M24 x 1.5mm RH Moto Hardware Js440 Flywheel Puller remove a spark plug and then rotate the crank to bring the piston to about 1 inch from tdc. A magnet with north and south marked on it. this total loss flywheel is the lightest and strongest ever made, cad designed, cnc machined, precision. you would need a good flywheel to check it against. js400's js550's,. Js440 Flywheel Puller.
From tekiro.com
Flywheel Puller tekiro Js440 Flywheel Puller universal flywheel puller kit. remove a spark plug and then rotate the crank to bring the piston to about 1 inch from tdc. Eight hole disc with bolts that thread into flywheel, 57mm diameter. 4.11 (below) use a flywheel puller to remove the flywheel. this total loss flywheel is the lightest and strongest ever made, cad. Js440 Flywheel Puller.
From standupparts.com
Kawasaki 440 550 js sx Jetski Billet Flywheel New Stand Up Parts Js440 Flywheel Puller universal flywheel puller kit. if you have trouble getting it off, try using a propane torch and heat the flywheel around the shaft for a minute, as. A magnet with north and south marked on it. remove a spark plug and then rotate the crank to bring the piston to about 1 inch from tdc. Then feed. Js440 Flywheel Puller.
From www.jrpwracing.com
Flywheel Puller PVL JRPW Racing Js440 Flywheel Puller if you have trouble getting it off, try using a propane torch and heat the flywheel around the shaft for a minute, as. you would need a good flywheel to check it against. universal flywheel puller kit. remove a spark plug and then rotate the crank to bring the piston to about 1 inch from tdc.. Js440 Flywheel Puller.
From www.blackmarkitinnovations.com
JS440/JS550 Carbon Fiber Flywheel cover Blackmarkit Innovations Js440 Flywheel Puller js400's js550's, 650sx's, wetbikes, jetskis and other seasoned pwc's. Do not screw the puller screws into the flywheel more than. remove a spark plug and then rotate the crank to bring the piston to about 1 inch from tdc. Then feed a short piece of. 4.11 (below) use a flywheel puller to remove the flywheel. Eight hole. Js440 Flywheel Puller.