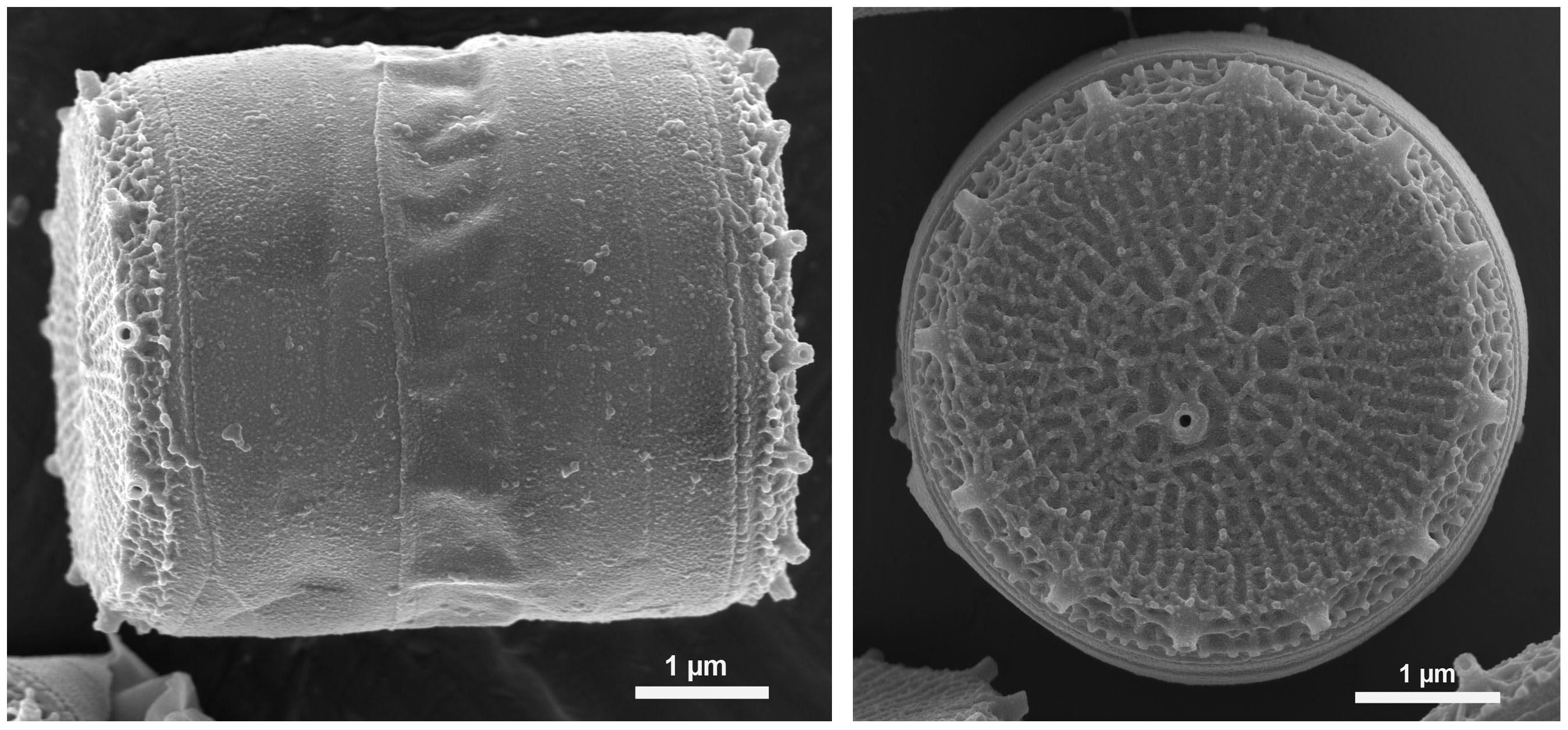
Cell Wall Made Of Diatoms . It is not clear when it was determined that diatom cell walls are made of silica, but in 1939 a seminal reference characterized the material as silicic. The silica cell wall of diatoms, a widespread group of unicellular microalgae, is an exquisite example for the ability of organisms. Silica is fundamental to the growth of diatoms but is widely found across many algal groups that have a diverse and complex suite. Here we study the membrane dynamics during cell wall formation and exocytosis in two model diatom species, using. The most distinctive feature of diatoms is the presence of a silicified cell wall (“frustule”) made of two. The silicified cell walls of diatoms have inspired the interest of researchers for several centuries, and our understanding of their properties and.
from www.flickr.com
Silica is fundamental to the growth of diatoms but is widely found across many algal groups that have a diverse and complex suite. The silica cell wall of diatoms, a widespread group of unicellular microalgae, is an exquisite example for the ability of organisms. Here we study the membrane dynamics during cell wall formation and exocytosis in two model diatom species, using. It is not clear when it was determined that diatom cell walls are made of silica, but in 1939 a seminal reference characterized the material as silicic. The most distinctive feature of diatoms is the presence of a silicified cell wall (“frustule”) made of two. The silicified cell walls of diatoms have inspired the interest of researchers for several centuries, and our understanding of their properties and.
Dozens of diatoms Collection of diatoms. Cells walls of di… Flickr
Cell Wall Made Of Diatoms The silica cell wall of diatoms, a widespread group of unicellular microalgae, is an exquisite example for the ability of organisms. The silicified cell walls of diatoms have inspired the interest of researchers for several centuries, and our understanding of their properties and. Silica is fundamental to the growth of diatoms but is widely found across many algal groups that have a diverse and complex suite. The most distinctive feature of diatoms is the presence of a silicified cell wall (“frustule”) made of two. The silica cell wall of diatoms, a widespread group of unicellular microalgae, is an exquisite example for the ability of organisms. It is not clear when it was determined that diatom cell walls are made of silica, but in 1939 a seminal reference characterized the material as silicic. Here we study the membrane dynamics during cell wall formation and exocytosis in two model diatom species, using.
From stock.adobe.com
Cell wall structure with plant cellular parts description outline Cell Wall Made Of Diatoms It is not clear when it was determined that diatom cell walls are made of silica, but in 1939 a seminal reference characterized the material as silicic. The most distinctive feature of diatoms is the presence of a silicified cell wall (“frustule”) made of two. The silica cell wall of diatoms, a widespread group of unicellular microalgae, is an exquisite. Cell Wall Made Of Diatoms.
From www.alamy.com
Diatom. Coloured scanning electron micrograph of a freshwater diatom Cell Wall Made Of Diatoms The silicified cell walls of diatoms have inspired the interest of researchers for several centuries, and our understanding of their properties and. Silica is fundamental to the growth of diatoms but is widely found across many algal groups that have a diverse and complex suite. It is not clear when it was determined that diatom cell walls are made of. Cell Wall Made Of Diatoms.
From www.pinterest.de
Diatom, Sem by Steve Gschmeissner Microscopic photography, Diatom Cell Wall Made Of Diatoms Silica is fundamental to the growth of diatoms but is widely found across many algal groups that have a diverse and complex suite. The silica cell wall of diatoms, a widespread group of unicellular microalgae, is an exquisite example for the ability of organisms. The silicified cell walls of diatoms have inspired the interest of researchers for several centuries, and. Cell Wall Made Of Diatoms.
From www.pinterest.jp
diatoms Diatom, Patterns in nature, Geometry in nature Cell Wall Made Of Diatoms Silica is fundamental to the growth of diatoms but is widely found across many algal groups that have a diverse and complex suite. It is not clear when it was determined that diatom cell walls are made of silica, but in 1939 a seminal reference characterized the material as silicic. The silica cell wall of diatoms, a widespread group of. Cell Wall Made Of Diatoms.
From www.flickr.com
Dozens of diatoms Collection of diatoms. Cells walls of di… Flickr Cell Wall Made Of Diatoms The silicified cell walls of diatoms have inspired the interest of researchers for several centuries, and our understanding of their properties and. The most distinctive feature of diatoms is the presence of a silicified cell wall (“frustule”) made of two. It is not clear when it was determined that diatom cell walls are made of silica, but in 1939 a. Cell Wall Made Of Diatoms.
From zsuzsaszuts.blogspot.com
FRACTAL ART Diatom Art Cell Wall Made Of Diatoms It is not clear when it was determined that diatom cell walls are made of silica, but in 1939 a seminal reference characterized the material as silicic. Silica is fundamental to the growth of diatoms but is widely found across many algal groups that have a diverse and complex suite. The most distinctive feature of diatoms is the presence of. Cell Wall Made Of Diatoms.
From aguztgrungeaa.blogspot.com
Diatoms Cell Structure Cell Wall Made Of Diatoms It is not clear when it was determined that diatom cell walls are made of silica, but in 1939 a seminal reference characterized the material as silicic. The silicified cell walls of diatoms have inspired the interest of researchers for several centuries, and our understanding of their properties and. Here we study the membrane dynamics during cell wall formation and. Cell Wall Made Of Diatoms.
From www.pinterest.jp
Selection Of Diatoms, SEM Photograph artificially colored Scanning Cell Wall Made Of Diatoms It is not clear when it was determined that diatom cell walls are made of silica, but in 1939 a seminal reference characterized the material as silicic. Here we study the membrane dynamics during cell wall formation and exocytosis in two model diatom species, using. The most distinctive feature of diatoms is the presence of a silicified cell wall (“frustule”). Cell Wall Made Of Diatoms.
From www.animalia-life.club
Multiple Diatoms Labeled Cell Wall Made Of Diatoms Silica is fundamental to the growth of diatoms but is widely found across many algal groups that have a diverse and complex suite. The silicified cell walls of diatoms have inspired the interest of researchers for several centuries, and our understanding of their properties and. It is not clear when it was determined that diatom cell walls are made of. Cell Wall Made Of Diatoms.
From harngsays.com
UNDER THE MICROSCOPIC WORLD OF DIATOMS Cell Wall Made Of Diatoms The silicified cell walls of diatoms have inspired the interest of researchers for several centuries, and our understanding of their properties and. Silica is fundamental to the growth of diatoms but is widely found across many algal groups that have a diverse and complex suite. The most distinctive feature of diatoms is the presence of a silicified cell wall (“frustule”). Cell Wall Made Of Diatoms.
From www1.bio.ku.dk
A cellwall in glass supports photosynthesis of microalgae Københavns Cell Wall Made Of Diatoms The silicified cell walls of diatoms have inspired the interest of researchers for several centuries, and our understanding of their properties and. Silica is fundamental to the growth of diatoms but is widely found across many algal groups that have a diverse and complex suite. Here we study the membrane dynamics during cell wall formation and exocytosis in two model. Cell Wall Made Of Diatoms.
From favpng.com
Diatom Cell Wall Eukaryote Chloroplast, PNG, 1024x768px, Diatom, Algae Cell Wall Made Of Diatoms The silica cell wall of diatoms, a widespread group of unicellular microalgae, is an exquisite example for the ability of organisms. Here we study the membrane dynamics during cell wall formation and exocytosis in two model diatom species, using. The most distinctive feature of diatoms is the presence of a silicified cell wall (“frustule”) made of two. The silicified cell. Cell Wall Made Of Diatoms.
From www.canadiannaturephotographer.com
The Micro Universe Microscopic life by Robert Berdan The Canadian Cell Wall Made Of Diatoms It is not clear when it was determined that diatom cell walls are made of silica, but in 1939 a seminal reference characterized the material as silicic. The most distinctive feature of diatoms is the presence of a silicified cell wall (“frustule”) made of two. The silica cell wall of diatoms, a widespread group of unicellular microalgae, is an exquisite. Cell Wall Made Of Diatoms.
From research.uwcsea.edu.sg
Diatom MS Science LibGuides at United World College of Southeast Asia Cell Wall Made Of Diatoms The silicified cell walls of diatoms have inspired the interest of researchers for several centuries, and our understanding of their properties and. The silica cell wall of diatoms, a widespread group of unicellular microalgae, is an exquisite example for the ability of organisms. It is not clear when it was determined that diatom cell walls are made of silica, but. Cell Wall Made Of Diatoms.
From aguztgrungeaa.blogspot.com
Diatoms Cell Structure Cell Wall Made Of Diatoms The silica cell wall of diatoms, a widespread group of unicellular microalgae, is an exquisite example for the ability of organisms. Silica is fundamental to the growth of diatoms but is widely found across many algal groups that have a diverse and complex suite. It is not clear when it was determined that diatom cell walls are made of silica,. Cell Wall Made Of Diatoms.
From fineartamerica.com
Diatom Cell Wall Photograph by Steve Gschmeissner Fine Art America Cell Wall Made Of Diatoms The silicified cell walls of diatoms have inspired the interest of researchers for several centuries, and our understanding of their properties and. Silica is fundamental to the growth of diatoms but is widely found across many algal groups that have a diverse and complex suite. The silica cell wall of diatoms, a widespread group of unicellular microalgae, is an exquisite. Cell Wall Made Of Diatoms.
From www.britannica.com
Diatom Description, Characteristics, & Reproduction Britannica Cell Wall Made Of Diatoms The silica cell wall of diatoms, a widespread group of unicellular microalgae, is an exquisite example for the ability of organisms. It is not clear when it was determined that diatom cell walls are made of silica, but in 1939 a seminal reference characterized the material as silicic. The most distinctive feature of diatoms is the presence of a silicified. Cell Wall Made Of Diatoms.
From www.pinterest.fr
Diatoms Microscopic photography, Diatom, Microscopic Cell Wall Made Of Diatoms The most distinctive feature of diatoms is the presence of a silicified cell wall (“frustule”) made of two. The silica cell wall of diatoms, a widespread group of unicellular microalgae, is an exquisite example for the ability of organisms. The silicified cell walls of diatoms have inspired the interest of researchers for several centuries, and our understanding of their properties. Cell Wall Made Of Diatoms.
From rsscience.com
Diatoms Rs' Science Cell Wall Made Of Diatoms It is not clear when it was determined that diatom cell walls are made of silica, but in 1939 a seminal reference characterized the material as silicic. The silica cell wall of diatoms, a widespread group of unicellular microalgae, is an exquisite example for the ability of organisms. The most distinctive feature of diatoms is the presence of a silicified. Cell Wall Made Of Diatoms.
From www.researchgate.net
Schematic overview of the siliceous components of diatom cell walls Cell Wall Made Of Diatoms It is not clear when it was determined that diatom cell walls are made of silica, but in 1939 a seminal reference characterized the material as silicic. The most distinctive feature of diatoms is the presence of a silicified cell wall (“frustule”) made of two. Silica is fundamental to the growth of diatoms but is widely found across many algal. Cell Wall Made Of Diatoms.
From www.twinkletoesengineering.info
Twinkle Toes Engineering Cell Wall Made Of Diatoms The silicified cell walls of diatoms have inspired the interest of researchers for several centuries, and our understanding of their properties and. The silica cell wall of diatoms, a widespread group of unicellular microalgae, is an exquisite example for the ability of organisms. The most distinctive feature of diatoms is the presence of a silicified cell wall (“frustule”) made of. Cell Wall Made Of Diatoms.
From www.researchgate.net
(a) The diatom is composed of an epitheca and hypotheca that fit Cell Wall Made Of Diatoms The silica cell wall of diatoms, a widespread group of unicellular microalgae, is an exquisite example for the ability of organisms. The most distinctive feature of diatoms is the presence of a silicified cell wall (“frustule”) made of two. It is not clear when it was determined that diatom cell walls are made of silica, but in 1939 a seminal. Cell Wall Made Of Diatoms.
From www.slideserve.com
PPT Unicellular Algae The Diatoms PowerPoint Presentation ID5856088 Cell Wall Made Of Diatoms Silica is fundamental to the growth of diatoms but is widely found across many algal groups that have a diverse and complex suite. The most distinctive feature of diatoms is the presence of a silicified cell wall (“frustule”) made of two. The silicified cell walls of diatoms have inspired the interest of researchers for several centuries, and our understanding of. Cell Wall Made Of Diatoms.
From proper-cooking.info
Diatoms Cell Diagram Cell Wall Made Of Diatoms Here we study the membrane dynamics during cell wall formation and exocytosis in two model diatom species, using. The most distinctive feature of diatoms is the presence of a silicified cell wall (“frustule”) made of two. The silicified cell walls of diatoms have inspired the interest of researchers for several centuries, and our understanding of their properties and. The silica. Cell Wall Made Of Diatoms.
From www.weizmann.ac.il
Diatom Silicification Mineral Formation by Phytoplankton Cell Wall Made Of Diatoms Here we study the membrane dynamics during cell wall formation and exocytosis in two model diatom species, using. It is not clear when it was determined that diatom cell walls are made of silica, but in 1939 a seminal reference characterized the material as silicic. The silica cell wall of diatoms, a widespread group of unicellular microalgae, is an exquisite. Cell Wall Made Of Diatoms.
From rsscience.com
Diatoms Rs' Science Cell Wall Made Of Diatoms The silica cell wall of diatoms, a widespread group of unicellular microalgae, is an exquisite example for the ability of organisms. It is not clear when it was determined that diatom cell walls are made of silica, but in 1939 a seminal reference characterized the material as silicic. The most distinctive feature of diatoms is the presence of a silicified. Cell Wall Made Of Diatoms.
From aguztgrungeaa.blogspot.com
Diatoms Cell Structure Cell Wall Made Of Diatoms The silica cell wall of diatoms, a widespread group of unicellular microalgae, is an exquisite example for the ability of organisms. The silicified cell walls of diatoms have inspired the interest of researchers for several centuries, and our understanding of their properties and. The most distinctive feature of diatoms is the presence of a silicified cell wall (“frustule”) made of. Cell Wall Made Of Diatoms.
From www.researchgate.net
The diatom cell cycle. Schematic crosssections of the diatom cell are Cell Wall Made Of Diatoms Here we study the membrane dynamics during cell wall formation and exocytosis in two model diatom species, using. The silicified cell walls of diatoms have inspired the interest of researchers for several centuries, and our understanding of their properties and. It is not clear when it was determined that diatom cell walls are made of silica, but in 1939 a. Cell Wall Made Of Diatoms.
From www.pinterest.com
Diatom, Sem Photograph Microscopic photography, Diatom, Micro photography Cell Wall Made Of Diatoms The silicified cell walls of diatoms have inspired the interest of researchers for several centuries, and our understanding of their properties and. It is not clear when it was determined that diatom cell walls are made of silica, but in 1939 a seminal reference characterized the material as silicic. Here we study the membrane dynamics during cell wall formation and. Cell Wall Made Of Diatoms.
From www.frontiersin.org
Frontiers Understanding Diatom Cell Wall Silicification—Moving Forward Cell Wall Made Of Diatoms The silica cell wall of diatoms, a widespread group of unicellular microalgae, is an exquisite example for the ability of organisms. It is not clear when it was determined that diatom cell walls are made of silica, but in 1939 a seminal reference characterized the material as silicic. Silica is fundamental to the growth of diatoms but is widely found. Cell Wall Made Of Diatoms.
From www.researchgate.net
b Important morphological details of diatom symmetries. Download Cell Wall Made Of Diatoms The silica cell wall of diatoms, a widespread group of unicellular microalgae, is an exquisite example for the ability of organisms. The most distinctive feature of diatoms is the presence of a silicified cell wall (“frustule”) made of two. The silicified cell walls of diatoms have inspired the interest of researchers for several centuries, and our understanding of their properties. Cell Wall Made Of Diatoms.
From www.alamy.com
Diatom. Light micrograph of a fossilised diatom. Diatoms are planktonic Cell Wall Made Of Diatoms It is not clear when it was determined that diatom cell walls are made of silica, but in 1939 a seminal reference characterized the material as silicic. Here we study the membrane dynamics during cell wall formation and exocytosis in two model diatom species, using. The silica cell wall of diatoms, a widespread group of unicellular microalgae, is an exquisite. Cell Wall Made Of Diatoms.
From learn.genetics.utah.edu
Real Cell Gallery Cell Wall Made Of Diatoms The silica cell wall of diatoms, a widespread group of unicellular microalgae, is an exquisite example for the ability of organisms. The most distinctive feature of diatoms is the presence of a silicified cell wall (“frustule”) made of two. It is not clear when it was determined that diatom cell walls are made of silica, but in 1939 a seminal. Cell Wall Made Of Diatoms.
From fineartamerica.com
Diatom Cell Wall, Sem Photograph by Steve Gschmeissner Fine Art America Cell Wall Made Of Diatoms The silica cell wall of diatoms, a widespread group of unicellular microalgae, is an exquisite example for the ability of organisms. The most distinctive feature of diatoms is the presence of a silicified cell wall (“frustule”) made of two. The silicified cell walls of diatoms have inspired the interest of researchers for several centuries, and our understanding of their properties. Cell Wall Made Of Diatoms.
From pixels.com
Diatom Cell Wall Photograph by Steve Gschmeissner Pixels Cell Wall Made Of Diatoms Here we study the membrane dynamics during cell wall formation and exocytosis in two model diatom species, using. The silicified cell walls of diatoms have inspired the interest of researchers for several centuries, and our understanding of their properties and. It is not clear when it was determined that diatom cell walls are made of silica, but in 1939 a. Cell Wall Made Of Diatoms.