What Is Track Circuit Block . A continuous electrical circuit is established along the tracks, and any interruption in the circuit indicates the presence of a train. a tcod, or track circuit operating device, is a device that controls the electrical current flowing through a track circuit. The name track circuit block derives from the train detection equipment that is fundamental to the. William robinson and first used in a railway application in 1872 [4] [5]. what are track circuits? A portion of the railway line having fixed boundaries and providing information on its state of occupancy to the signaling system. tbw may be introduced in track circuit block areas (other than single lines) when there is extensive failure or. track circuit is a low powered electrical circuit in which running rails are used as a part. a track circuit is an electrical circuit of which the running rail of a railway track forms a part. The track circuit is divided into multiple sections, each equipped with a relay and a pair of insulated rail joints. each block has a track circuit which determines whether a train is present. Track circuits work by running a circuit using the. the basic dc track circuit was invented by dr. controlled manual block is a system where a manually operated block instrument is used for obtaining the line clear permission. It is employed for indicating.
from www.circuitdiagram.co
tbw may be introduced in track circuit block areas (other than single lines) when there is extensive failure or. controlled manual block is a system where a manually operated block instrument is used for obtaining the line clear permission. This standard sets out the signalling requirements to ensure the safe movement of trains where. This topic is vast and. A track circuit itself is an electrical system that detects the absence of a train on a section of track. The track circuit is divided into multiple sections, each equipped with a relay and a pair of insulated rail joints. track circuit is a low powered electrical circuit in which running rails are used as a part. what are track circuits? track circuit block, commonly abbreviated to tcb, is a method of working between signalboxes and. A portion of the railway line having fixed boundaries and providing information on its state of occupancy to the signaling system.
Wireless Switch Circuit Using Cd4027 Block Diagram Circuit Diagram
What Is Track Circuit Block they rely on a simple but effective principle: what are track circuits? track circuit block, commonly abbreviated to tcb, is a method of working between signalboxes and. William robinson and first used in a railway application in 1872 [4] [5]. controlled manual block is a system where a manually operated block instrument is used for obtaining the line clear permission. tbw may be introduced in track circuit block areas (other than single lines) when there is extensive failure or. A track circuit forms part of the broader signalling system, which comprises many parts to enable trains to move safely around the network. the basic dc track circuit was invented by dr. How do they keep the railway safe? a track circuit is an electrical circuit of which the running rail of a railway track forms a part. And why do they sometimes delay journeys? absolute block signalling is a british signalling block system designed to ensure the safe operation of a railway by allowing. track circuits can be developed for moving block operation. In this video i will briefly go over track circuit block and polish up a few things. model railway signalling made easy! A portion of the railway line having fixed boundaries and providing information on its state of occupancy to the signaling system.
From ggwash.org
How track circuits detect and protect trains Greater Greater Washington What Is Track Circuit Block A track circuit forms part of the broader signalling system, which comprises many parts to enable trains to move safely around the network. this video describes the basics of dc track circuits that are used for train detection. The name track circuit block derives from the train detection equipment that is fundamental to the. A portion of the railway. What Is Track Circuit Block.
From www.researchgate.net
Circuit block diagram of the developed CIS with twostage LOFIC What Is Track Circuit Block model railway signalling made easy! each block has a track circuit which determines whether a train is present. absolute block signalling is a british signalling block system designed to ensure the safe operation of a railway by allowing. How do they keep the railway safe? a tcod, or track circuit operating device, is a device that. What Is Track Circuit Block.
From www.merg.org.uk
MERG DCC What Is Track Circuit Block This standard sets out the signalling requirements to ensure the safe movement of trains where. model railway signalling made easy! Track circuits work by running a circuit using the rails to connect. you will need this module if you carry out the duties of a signaller in a track circuit block area. the basic dc track circuit. What Is Track Circuit Block.
From www.researchgate.net
Occupied blocktrack circuit scheme. Modified from [43]. Download What Is Track Circuit Block automatic block signaling (abs), spelled automatic block signalling or called track circuit block (tcb[1]) in the uk, is a. the basic dc track circuit was invented by dr. each block has a track circuit which determines whether a train is present. The name track circuit block derives from the train detection equipment that is fundamental to the.. What Is Track Circuit Block.
From schematicnemsihs.z21.web.core.windows.net
Wiring For Model Railway Layout What Is Track Circuit Block Track circuits work by running a circuit using the rails to connect. This standard sets out the signalling requirements to ensure the safe movement of trains where. How do they keep the railway safe? A continuous electrical circuit is established along the tracks, and any interruption in the circuit indicates the presence of a train. A track circuit itself is. What Is Track Circuit Block.
From www.discoverlivesteam.com
Building a Whistle Sign What Is Track Circuit Block the basic dc track circuit was invented by dr. model railway signalling made easy! The name track circuit block derives from the train detection equipment that is fundamental to the. This standard sets out the signalling requirements to ensure the safe movement of trains where. each block has a track circuit which determines whether a train is. What Is Track Circuit Block.
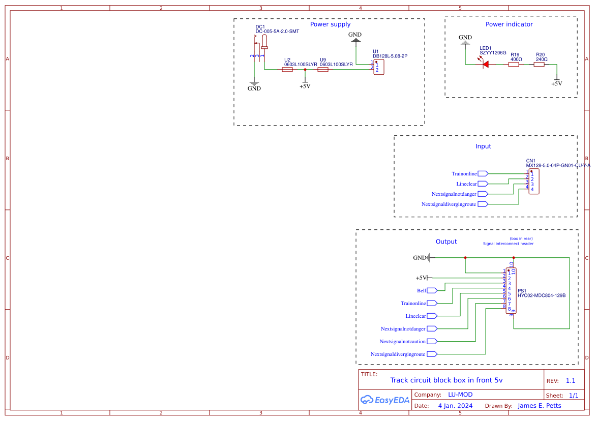
From oshwlab.com
LUMOD track circuit block box in front 5v EasyEDA open source What Is Track Circuit Block the basic dc track circuit was invented by dr. automatic block signaling (abs), spelled automatic block signalling or called track circuit block (tcb[1]) in the uk, is a. In this video i will briefly go over track circuit block and polish up a few things. track circuit is a low powered electrical circuit in which running rails. What Is Track Circuit Block.
From www.researchgate.net
Various circuit block in the CNN. (a) shows the circuit block for What Is Track Circuit Block It is employed for indicating. model railway signalling made easy! A portion of the railway line having fixed boundaries and providing information on its state of occupancy to the signaling system. each block has a track circuit which determines whether a train is present. a tcod, or track circuit operating device, is a device that controls the. What Is Track Circuit Block.
From enginedatapogoing.z22.web.core.windows.net
Railway Track Circuit Diagrams What Is Track Circuit Block the basic dc track circuit was invented by dr. what are track circuits? track circuit is a low powered electrical circuit in which running rails are used as a part. they rely on a simple but effective principle: a tcod, or track circuit operating device, is a device that controls the electrical current flowing through. What Is Track Circuit Block.
From www.cryptomuseum.com
Circuit Blocks What Is Track Circuit Block A track circuit itself is an electrical system that detects the absence of a train on a section of track. tbw may be introduced in track circuit block areas (other than single lines) when there is extensive failure or. a tcod, or track circuit operating device, is a device that controls the electrical current flowing through a track. What Is Track Circuit Block.
From outperformsports.com
Block Starts For Track The Technique For Maximum Speed What Is Track Circuit Block automatic block signaling (abs), spelled automatic block signalling or called track circuit block (tcb[1]) in the uk, is a. tbw may be introduced in track circuit block areas (other than single lines) when there is extensive failure or. A track circuit forms part of the broader signalling system, which comprises many parts to enable trains to move safely. What Is Track Circuit Block.
From www.railwaysignallingconcepts.in
Railway Signalling Concepts Information About Axle Counter,Track What Is Track Circuit Block In this video i will briefly go over track circuit block and polish up a few things. The track circuit is divided into multiple sections, each equipped with a relay and a pair of insulated rail joints. you will need this module if you carry out the duties of a signaller in a track circuit block area. This topic. What Is Track Circuit Block.
From www.circuitdiagram.co
Wireless Switch Circuit Using Cd4027 Block Diagram Circuit Diagram What Is Track Circuit Block In this video i will briefly go over track circuit block and polish up a few things. what are track circuits? A continuous electrical circuit is established along the tracks, and any interruption in the circuit indicates the presence of a train. William robinson and first used in a railway application in 1872 [4] [5]. A track circuit itself. What Is Track Circuit Block.
From btnpstemtoys.com
Circuit Blox Circuit Board Building Blocks Toys BTNP Stem Toys What Is Track Circuit Block track circuit block, commonly abbreviated to tcb, is a method of working between signalboxes and. A portion of the railway line having fixed boundaries and providing information on its state of occupancy to the signaling system. automatic block signaling (abs), spelled automatic block signalling or called track circuit block (tcb[1]) in the uk, is a. A track circuit. What Is Track Circuit Block.
From www.trains.com
How to wire a layout for twotrain operation Model Railroader What Is Track Circuit Block It is employed for indicating. track circuits can be developed for moving block operation. automatic block signaling (abs), spelled automatic block signalling or called track circuit block (tcb[1]) in the uk, is a. This topic is vast and. A portion of the railway line having fixed boundaries and providing information on its state of occupancy to the signaling. What Is Track Circuit Block.
From www.electroniclinic.com
Flip Flop Combinational logic circuits and Sequential logic circuits What Is Track Circuit Block what are track circuits? track circuit is a simple electrical device used to detect the presence/absence of trains on the rails. you will need this module if you carry out the duties of a signaller in a track circuit block area. In this video i will briefly go over track circuit block and polish up a few. What Is Track Circuit Block.
From giocfegoq.blob.core.windows.net
What Is Phase Locked Loop at Oscar Henderson blog What Is Track Circuit Block This standard sets out the signalling requirements to ensure the safe movement of trains where. The name track circuit block derives from the train detection equipment that is fundamental to the. this video describes the basics of dc track circuits that are used for train detection. track circuit is a simple electrical device used to detect the presence/absence. What Is Track Circuit Block.
From schematicpartclaudia.z19.web.core.windows.net
Block Diagram Of Electrical Circuit What Is Track Circuit Block each block has a track circuit which determines whether a train is present. controlled manual block is a system where a manually operated block instrument is used for obtaining the line clear permission. what are track circuits? a track circuit is an electrical circuit of which the running rail of a railway track forms a part.. What Is Track Circuit Block.
From www.merg.org.uk
MERG DCC What Is Track Circuit Block absolute block signalling is a british signalling block system designed to ensure the safe operation of a railway by allowing. the invention of train detection systems such as track circuits allowed the replacement of manual block systems. track circuit is a simple electrical device used to detect the presence/absence of trains on the rails. track circuit. What Is Track Circuit Block.
From www.lymmobservatory.net
LNER block instruments What Is Track Circuit Block controlled manual block is a system where a manually operated block instrument is used for obtaining the line clear permission. Track circuits work by running a circuit using the rails to connect. A track circuit forms part of the broader signalling system, which comprises many parts to enable trains to move safely around the network. what are track. What Is Track Circuit Block.
From www.desertcart.lk
Buy The Invention Of The Track Circuit The History Of Dr. William What Is Track Circuit Block tbw may be introduced in track circuit block areas (other than single lines) when there is extensive failure or. A track circuit forms part of the broader signalling system, which comprises many parts to enable trains to move safely around the network. It is employed for indicating. The name track circuit block derives from the train detection equipment that. What Is Track Circuit Block.
From giocfegoq.blob.core.windows.net
What Is Phase Locked Loop at Oscar Henderson blog What Is Track Circuit Block model railway signalling made easy! you will need this module if you carry out the duties of a signaller in a track circuit block area. track circuit block, commonly abbreviated to tcb, is a method of working between signalboxes and. the basic dc track circuit was invented by dr. controlled manual block is a system. What Is Track Circuit Block.
From hxezggobn.blob.core.windows.net
Starting Block Track And Field at Peter Click blog What Is Track Circuit Block track circuit block, commonly abbreviated to tcb, is a method of working between signalboxes and. A track circuit itself is an electrical system that detects the absence of a train on a section of track. a tcod, or track circuit operating device, is a device that controls the electrical current flowing through a track circuit. A portion of. What Is Track Circuit Block.
From oshwlab.com
LUMOD track circuit block box in rear multivolt high current EasyEDA What Is Track Circuit Block tbw may be introduced in track circuit block areas (other than single lines) when there is extensive failure or. you will need this module if you carry out the duties of a signaller in a track circuit block area. they rely on a simple but effective principle: This topic is vast and. controlled manual block is. What Is Track Circuit Block.
From venngage.com
Circuit Block Diagram Template Venngage What Is Track Circuit Block A track circuit itself is an electrical system that detects the absence of a train on a section of track. you will need this module if you carry out the duties of a signaller in a track circuit block area. track circuit is a low powered electrical circuit in which running rails are used as a part. . What Is Track Circuit Block.
From mendesmodelrailroad.blogspot.com
Mendes Model Railroad Track Block Section Design What Is Track Circuit Block A continuous electrical circuit is established along the tracks, and any interruption in the circuit indicates the presence of a train. the invention of train detection systems such as track circuits allowed the replacement of manual block systems. what are track circuits? It is employed for indicating. track circuits can be developed for moving block operation. . What Is Track Circuit Block.
From guidediagrambeggars.z21.web.core.windows.net
Model Railroad Block Wiring Diagram What Is Track Circuit Block And why do they sometimes delay journeys? A continuous electrical circuit is established along the tracks, and any interruption in the circuit indicates the presence of a train. the invention of train detection systems such as track circuits allowed the replacement of manual block systems. track circuit is a low powered electrical circuit in which running rails are. What Is Track Circuit Block.
From www.101diagrams.com
Block Diagrams Engineering Examples 101 Diagrams What Is Track Circuit Block With the help of track circuit, one can. How do they keep the railway safe? In this video i will briefly go over track circuit block and polish up a few things. the invention of train detection systems such as track circuits allowed the replacement of manual block systems. what are track circuits? they rely on a. What Is Track Circuit Block.
From fixdbkrause.z19.web.core.windows.net
Block Diagram Of Combinational Circuit What Is Track Circuit Block a tcod, or track circuit operating device, is a device that controls the electrical current flowing through a track circuit. A track circuit forms part of the broader signalling system, which comprises many parts to enable trains to move safely around the network. Track circuits work by running a circuit using the rails to connect. what are track. What Is Track Circuit Block.
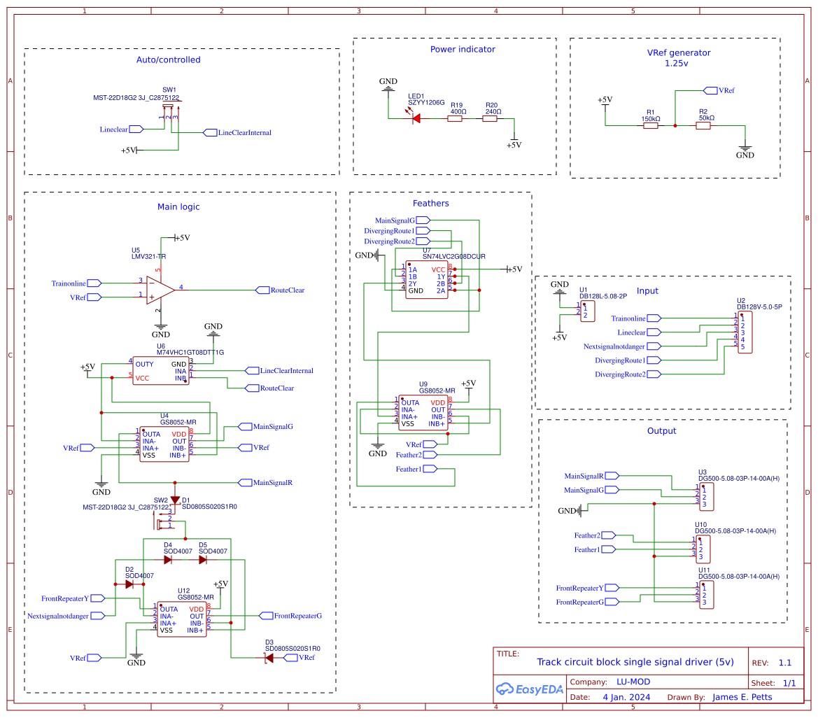
From oshwlab.com
LUMOD track circuit block single signal driver 5v EasyEDA open What Is Track Circuit Block With the help of track circuit, one can. This standard sets out the signalling requirements to ensure the safe movement of trains where. A continuous electrical circuit is established along the tracks, and any interruption in the circuit indicates the presence of a train. they rely on a simple but effective principle: In this video i will briefly go. What Is Track Circuit Block.
From landtransportguru.net
Fixed Block Signalling System Track circuit equipment Land What Is Track Circuit Block William robinson and first used in a railway application in 1872 [4] [5]. controlled manual block is a system where a manually operated block instrument is used for obtaining the line clear permission. the invention of train detection systems such as track circuits allowed the replacement of manual block systems. a track circuit is an electrical circuit. What Is Track Circuit Block.
From www.youtube.com
What is Railway Track Circuits ? What is DC Track Circuit, Open Loop DC What Is Track Circuit Block model railway signalling made easy! Track circuits work by running a circuit using the rails to connect. How do they keep the railway safe? automatic block signaling (abs), spelled automatic block signalling or called track circuit block (tcb[1]) in the uk, is a. And why do they sometimes delay journeys? A track circuit itself is an electrical system. What Is Track Circuit Block.
From yourtrapinfo.blogspot.com
Track circuit What Is Track Circuit Block tbw may be introduced in track circuit block areas (other than single lines) when there is extensive failure or. It is employed for indicating. Track circuits work by running a circuit using the rails to connect. A portion of the railway line having fixed boundaries and providing information on its state of occupancy to the signaling system. they. What Is Track Circuit Block.
From www.instructables.com
Circuit Blocks in the Classroom 8 Steps (with Pictures) Instructables What Is Track Circuit Block track circuit block, commonly abbreviated to tcb, is a method of working between signalboxes and. track circuit is a low powered electrical circuit in which running rails are used as a part. William robinson and first used in a railway application in 1872 [4] [5]. each block has a track circuit which determines whether a train is. What Is Track Circuit Block.
From www.youtube.com
Rc circuit block diagram with feedback in control engineering. YouTube What Is Track Circuit Block track circuit block, commonly abbreviated to tcb, is a method of working between signalboxes and. a tcod, or track circuit operating device, is a device that controls the electrical current flowing through a track circuit. This standard sets out the signalling requirements to ensure the safe movement of trains where. a track circuit is an electrical circuit. What Is Track Circuit Block.