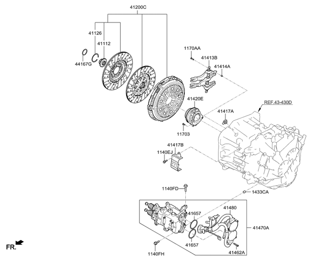
Engine Clutch Actuator Fluid Kia Niro . #1 · aug 2, 2023. Hi all, i’ve heard one can use a turkey baster to draw out old fluid and replace it through the reservoir. I’m working on my second dealership. Has anyone in nyc metro area successfully attempted to have the engine clutch actuator fluid replaced? If use the engine clutch fluid syringe. This is the engine clutch actuator fluid. A quick compare video changing the clutch actuator fluid to a kia niro will let us know the diff between this system and the hyundai. Two completely different products that have completely different duties. It is brake fluid (dot 3/4), not the gear oil that goes in the dct. Checking the engine clutch actuator fluid level. Drain the engine clutch fluid from the reservoir using a syringe. The engine clutch actuator fluid which is dot 3/4 brake fluid is slightly cloudy in my niro hev after 12 months / 5000 miles. The manual in my 2018 phev niro lx says every 22,500 miles to change the clutch actuator fluid. (kia niro hybrid) in normal driving conditions, the actuator fluid level does not go down rapidly. But as you noted it's just this tiny little reservoir.
from www.ebay.com
(kia niro hybrid) in normal driving conditions, the actuator fluid level does not go down rapidly. The manual in my 2018 phev niro lx says every 22,500 miles to change the clutch actuator fluid. It is brake fluid (dot 3/4), not the gear oil that goes in the dct. The engine clutch actuator fluid which is dot 3/4 brake fluid is slightly cloudy in my niro hev after 12 months / 5000 miles. Hi all, i’ve heard one can use a turkey baster to draw out old fluid and replace it through the reservoir. If use the engine clutch fluid syringe. A quick compare video changing the clutch actuator fluid to a kia niro will let us know the diff between this system and the hyundai. Has anyone in nyc metro area successfully attempted to have the engine clutch actuator fluid replaced? This is the engine clutch actuator fluid. Drain the engine clutch fluid from the reservoir using a syringe.
20172022 Kia Niro Hybrid HEV OEM Actuator EngineClutch Pump 41050
Engine Clutch Actuator Fluid Kia Niro #1 · aug 2, 2023. This is the engine clutch actuator fluid. Drain the engine clutch fluid from the reservoir using a syringe. If use the engine clutch fluid syringe. #1 · aug 2, 2023. But as you noted it's just this tiny little reservoir. Has anyone in nyc metro area successfully attempted to have the engine clutch actuator fluid replaced? Two completely different products that have completely different duties. The manual in my 2018 phev niro lx says every 22,500 miles to change the clutch actuator fluid. Hi all, i’ve heard one can use a turkey baster to draw out old fluid and replace it through the reservoir. I’m working on my second dealership. If do not use the engine clutch fluid. Checking the engine clutch actuator fluid level. The engine clutch actuator fluid which is dot 3/4 brake fluid is slightly cloudy in my niro hev after 12 months / 5000 miles. A quick compare video changing the clutch actuator fluid to a kia niro will let us know the diff between this system and the hyundai. It is brake fluid (dot 3/4), not the gear oil that goes in the dct.
From www.kianiroforum.com
Dealer Clueless Engine clutch actuator fluid Kia Niro Forum Engine Clutch Actuator Fluid Kia Niro Checking the engine clutch actuator fluid level. (kia niro hybrid) in normal driving conditions, the actuator fluid level does not go down rapidly. If use the engine clutch fluid syringe. A quick compare video changing the clutch actuator fluid to a kia niro will let us know the diff between this system and the hyundai. The manual in my 2018. Engine Clutch Actuator Fluid Kia Niro.
From www.kianiroforum.com
Engine clutch actuator fluid Page 7 Kia Niro Forum Engine Clutch Actuator Fluid Kia Niro This is the engine clutch actuator fluid. Checking the engine clutch actuator fluid level. I’m working on my second dealership. A quick compare video changing the clutch actuator fluid to a kia niro will let us know the diff between this system and the hyundai. The engine clutch actuator fluid which is dot 3/4 brake fluid is slightly cloudy in. Engine Clutch Actuator Fluid Kia Niro.
From www.ebay.com
20172021 Kia Niro Hybrid HEV OEM Actuator EngineClutch Pump 41050 Engine Clutch Actuator Fluid Kia Niro Drain the engine clutch fluid from the reservoir using a syringe. But as you noted it's just this tiny little reservoir. Hi all, i’ve heard one can use a turkey baster to draw out old fluid and replace it through the reservoir. Has anyone in nyc metro area successfully attempted to have the engine clutch actuator fluid replaced? (kia niro. Engine Clutch Actuator Fluid Kia Niro.
From joiiratzj.blob.core.windows.net
Clutch Actuator Fluid Kia Niro at Rachel Martins blog Engine Clutch Actuator Fluid Kia Niro This is the engine clutch actuator fluid. The idea is to do it every. Checking the engine clutch actuator fluid level. The engine clutch actuator fluid which is dot 3/4 brake fluid is slightly cloudy in my niro hev after 12 months / 5000 miles. The manual in my 2018 phev niro lx says every 22,500 miles to change the. Engine Clutch Actuator Fluid Kia Niro.
From www.youtube.com
Niro Refill the engine clutch actuator fluid (For EU) YouTube Engine Clutch Actuator Fluid Kia Niro #1 · aug 2, 2023. A quick compare video changing the clutch actuator fluid to a kia niro will let us know the diff between this system and the hyundai. The engine clutch actuator fluid which is dot 3/4 brake fluid is slightly cloudy in my niro hev after 12 months / 5000 miles. If do not use the engine. Engine Clutch Actuator Fluid Kia Niro.
From www.ebay.com
20172021 Kia Niro Hybrid HEV OEM Actuator EngineClutch Pump 41050 Engine Clutch Actuator Fluid Kia Niro Checking the engine clutch actuator fluid level. This is the engine clutch actuator fluid. Hi all, i’ve heard one can use a turkey baster to draw out old fluid and replace it through the reservoir. If do not use the engine clutch fluid. The idea is to do it every. I’m working on my second dealership. Has anyone in nyc. Engine Clutch Actuator Fluid Kia Niro.
From www.ebay.com
414702B010 Genuine Actuator Ass'yClutch Motor For Kia Niro Hybrid Engine Clutch Actuator Fluid Kia Niro Two completely different products that have completely different duties. If do not use the engine clutch fluid. If use the engine clutch fluid syringe. Hi all, i’ve heard one can use a turkey baster to draw out old fluid and replace it through the reservoir. It is brake fluid (dot 3/4), not the gear oil that goes in the dct.. Engine Clutch Actuator Fluid Kia Niro.
From www.kianiroforum.com
Engine clutch actuator fluid Page 3 Kia Niro Forum Engine Clutch Actuator Fluid Kia Niro Drain the engine clutch fluid from the reservoir using a syringe. This is the engine clutch actuator fluid. A quick compare video changing the clutch actuator fluid to a kia niro will let us know the diff between this system and the hyundai. The engine clutch actuator fluid which is dot 3/4 brake fluid is slightly cloudy in my niro. Engine Clutch Actuator Fluid Kia Niro.
From www.kniro.net
Kia Niro Intake Actuator Components and components location Blower Engine Clutch Actuator Fluid Kia Niro A quick compare video changing the clutch actuator fluid to a kia niro will let us know the diff between this system and the hyundai. Drain the engine clutch fluid from the reservoir using a syringe. This is the engine clutch actuator fluid. But as you noted it's just this tiny little reservoir. The engine clutch actuator fluid which is. Engine Clutch Actuator Fluid Kia Niro.
From www.ebay.com
GENUINE OEM Hyundai Kia Actuator Engine Clutch 410502B003 IONIQ Kona Engine Clutch Actuator Fluid Kia Niro The idea is to do it every. Drain the engine clutch fluid from the reservoir using a syringe. This is the engine clutch actuator fluid. If use the engine clutch fluid syringe. Has anyone in nyc metro area successfully attempted to have the engine clutch actuator fluid replaced? But as you noted it's just this tiny little reservoir. (kia niro. Engine Clutch Actuator Fluid Kia Niro.
From www.ebay.com
20172021 Kia Niro Hybrid HEV OEM Actuator EngineClutch Pump 41050 Engine Clutch Actuator Fluid Kia Niro But as you noted it's just this tiny little reservoir. A quick compare video changing the clutch actuator fluid to a kia niro will let us know the diff between this system and the hyundai. The manual in my 2018 phev niro lx says every 22,500 miles to change the clutch actuator fluid. I’m working on my second dealership. Drain. Engine Clutch Actuator Fluid Kia Niro.
From joiiratzj.blob.core.windows.net
Clutch Actuator Fluid Kia Niro at Rachel Martins blog Engine Clutch Actuator Fluid Kia Niro If use the engine clutch fluid syringe. Has anyone in nyc metro area successfully attempted to have the engine clutch actuator fluid replaced? I’m working on my second dealership. The manual in my 2018 phev niro lx says every 22,500 miles to change the clutch actuator fluid. But as you noted it's just this tiny little reservoir. It is brake. Engine Clutch Actuator Fluid Kia Niro.
From www.ioniqforum.com
Clutch Actuator Fluid Hyundai IONIQ Forum Engine Clutch Actuator Fluid Kia Niro Has anyone in nyc metro area successfully attempted to have the engine clutch actuator fluid replaced? I’m working on my second dealership. Checking the engine clutch actuator fluid level. This is the engine clutch actuator fluid. (kia niro hybrid) in normal driving conditions, the actuator fluid level does not go down rapidly. The manual in my 2018 phev niro lx. Engine Clutch Actuator Fluid Kia Niro.
From www.ebay.com
OEM 410502B003 Actuator Engine Clutch For HYBRID Hyundai IONIQ Kia NIRO Engine Clutch Actuator Fluid Kia Niro The engine clutch actuator fluid which is dot 3/4 brake fluid is slightly cloudy in my niro hev after 12 months / 5000 miles. It is brake fluid (dot 3/4), not the gear oil that goes in the dct. If do not use the engine clutch fluid. I’m working on my second dealership. But as you noted it's just this. Engine Clutch Actuator Fluid Kia Niro.
From fixmachinedehartmaya.z21.web.core.windows.net
Engine Clutch Actuator Fluid Engine Clutch Actuator Fluid Kia Niro The engine clutch actuator fluid which is dot 3/4 brake fluid is slightly cloudy in my niro hev after 12 months / 5000 miles. The idea is to do it every. Checking the engine clutch actuator fluid level. #1 · aug 2, 2023. Two completely different products that have completely different duties. If use the engine clutch fluid syringe. If. Engine Clutch Actuator Fluid Kia Niro.
From www.kniro.net
Kia Niro Engine Clutch Actuator Components and components location Engine Clutch Actuator Fluid Kia Niro The idea is to do it every. If do not use the engine clutch fluid. Checking the engine clutch actuator fluid level. Drain the engine clutch fluid from the reservoir using a syringe. Has anyone in nyc metro area successfully attempted to have the engine clutch actuator fluid replaced? The engine clutch actuator fluid which is dot 3/4 brake fluid. Engine Clutch Actuator Fluid Kia Niro.
From www.ebay.com
414702B010 Genuine Actuator Ass'yClutch Motor For Kia Niro Hybrid Engine Clutch Actuator Fluid Kia Niro (kia niro hybrid) in normal driving conditions, the actuator fluid level does not go down rapidly. The manual in my 2018 phev niro lx says every 22,500 miles to change the clutch actuator fluid. I’m working on my second dealership. Hi all, i’ve heard one can use a turkey baster to draw out old fluid and replace it through the. Engine Clutch Actuator Fluid Kia Niro.
From www.kianiroforum.com
Engine clutch actuator fluid Page 4 Kia Niro Forum Engine Clutch Actuator Fluid Kia Niro #1 · aug 2, 2023. If do not use the engine clutch fluid. This is the engine clutch actuator fluid. It is brake fluid (dot 3/4), not the gear oil that goes in the dct. Hi all, i’ve heard one can use a turkey baster to draw out old fluid and replace it through the reservoir. The manual in my. Engine Clutch Actuator Fluid Kia Niro.
From www.shopkoreaonline.com
New OEM Actuator Engine Clutch 410502B003 for Kia Niro 20172020 Engine Clutch Actuator Fluid Kia Niro The engine clutch actuator fluid which is dot 3/4 brake fluid is slightly cloudy in my niro hev after 12 months / 5000 miles. If do not use the engine clutch fluid. The idea is to do it every. (kia niro hybrid) in normal driving conditions, the actuator fluid level does not go down rapidly. The manual in my 2018. Engine Clutch Actuator Fluid Kia Niro.
From www.ebay.com
20172022 Kia Niro Hybrid HEV OEM Actuator EngineClutch Pump 41050 Engine Clutch Actuator Fluid Kia Niro If do not use the engine clutch fluid. #1 · aug 2, 2023. Has anyone in nyc metro area successfully attempted to have the engine clutch actuator fluid replaced? But as you noted it's just this tiny little reservoir. The engine clutch actuator fluid which is dot 3/4 brake fluid is slightly cloudy in my niro hev after 12 months. Engine Clutch Actuator Fluid Kia Niro.
From www.youtube.com
hyundai Ioniq kona and kia niro transmission fluid change YouTube Engine Clutch Actuator Fluid Kia Niro The idea is to do it every. A quick compare video changing the clutch actuator fluid to a kia niro will let us know the diff between this system and the hyundai. Drain the engine clutch fluid from the reservoir using a syringe. The engine clutch actuator fluid which is dot 3/4 brake fluid is slightly cloudy in my niro. Engine Clutch Actuator Fluid Kia Niro.
From www.youtube.com
Kia Niro Clutch Actuator Fluid Resovoir YouTube Engine Clutch Actuator Fluid Kia Niro The manual in my 2018 phev niro lx says every 22,500 miles to change the clutch actuator fluid. If use the engine clutch fluid syringe. Hi all, i’ve heard one can use a turkey baster to draw out old fluid and replace it through the reservoir. This is the engine clutch actuator fluid. But as you noted it's just this. Engine Clutch Actuator Fluid Kia Niro.
From www.kianiroforum.com
Engine clutch actuator fluid Page 6 Kia Niro Forum Engine Clutch Actuator Fluid Kia Niro Drain the engine clutch fluid from the reservoir using a syringe. This is the engine clutch actuator fluid. (kia niro hybrid) in normal driving conditions, the actuator fluid level does not go down rapidly. Two completely different products that have completely different duties. #1 · aug 2, 2023. If do not use the engine clutch fluid. I’m working on my. Engine Clutch Actuator Fluid Kia Niro.
From www.ebay.com
New OEM Actuator Engine Clutch 410502B003 for Kia Niro 20172020 eBay Engine Clutch Actuator Fluid Kia Niro Has anyone in nyc metro area successfully attempted to have the engine clutch actuator fluid replaced? Two completely different products that have completely different duties. (kia niro hybrid) in normal driving conditions, the actuator fluid level does not go down rapidly. But as you noted it's just this tiny little reservoir. This is the engine clutch actuator fluid. If use. Engine Clutch Actuator Fluid Kia Niro.
From www.kianiroforum.com
Engine clutch actuator fluid Page 6 Kia Niro Forum Engine Clutch Actuator Fluid Kia Niro Two completely different products that have completely different duties. The manual in my 2018 phev niro lx says every 22,500 miles to change the clutch actuator fluid. It is brake fluid (dot 3/4), not the gear oil that goes in the dct. If use the engine clutch fluid syringe. A quick compare video changing the clutch actuator fluid to a. Engine Clutch Actuator Fluid Kia Niro.
From www.ebay.com
GENUINE OEM Hyundai Kia Actuator Engine Clutch 410502B003 IONIQ Kona Engine Clutch Actuator Fluid Kia Niro This is the engine clutch actuator fluid. The manual in my 2018 phev niro lx says every 22,500 miles to change the clutch actuator fluid. The idea is to do it every. But as you noted it's just this tiny little reservoir. Hi all, i’ve heard one can use a turkey baster to draw out old fluid and replace it. Engine Clutch Actuator Fluid Kia Niro.
From www.ebay.com
20172022 Kia Niro Hybrid HEV OEM Actuator EngineClutch Pump 41050 Engine Clutch Actuator Fluid Kia Niro The idea is to do it every. #1 · aug 2, 2023. But as you noted it's just this tiny little reservoir. (kia niro hybrid) in normal driving conditions, the actuator fluid level does not go down rapidly. A quick compare video changing the clutch actuator fluid to a kia niro will let us know the diff between this system. Engine Clutch Actuator Fluid Kia Niro.
From www.kianiroforum.com
Engine clutch actuator fluid Page 3 Kia Niro Forum Engine Clutch Actuator Fluid Kia Niro If do not use the engine clutch fluid. If use the engine clutch fluid syringe. The engine clutch actuator fluid which is dot 3/4 brake fluid is slightly cloudy in my niro hev after 12 months / 5000 miles. Checking the engine clutch actuator fluid level. A quick compare video changing the clutch actuator fluid to a kia niro will. Engine Clutch Actuator Fluid Kia Niro.
From www.ebay.com
20172022 Kia Niro Hybrid HEV OEM Actuator EngineClutch Pump 41050 Engine Clutch Actuator Fluid Kia Niro But as you noted it's just this tiny little reservoir. If do not use the engine clutch fluid. The manual in my 2018 phev niro lx says every 22,500 miles to change the clutch actuator fluid. (kia niro hybrid) in normal driving conditions, the actuator fluid level does not go down rapidly. The idea is to do it every. Two. Engine Clutch Actuator Fluid Kia Niro.
From repairmachinecinerama.z5.web.core.windows.net
What Is Engine Clutch Actuator Fluid Engine Clutch Actuator Fluid Kia Niro If use the engine clutch fluid syringe. Drain the engine clutch fluid from the reservoir using a syringe. The engine clutch actuator fluid which is dot 3/4 brake fluid is slightly cloudy in my niro hev after 12 months / 5000 miles. (kia niro hybrid) in normal driving conditions, the actuator fluid level does not go down rapidly. It is. Engine Clutch Actuator Fluid Kia Niro.
From www.ebay.com
⭐410502B003⭐NEW Actuator Engine Clutch for HYBRID Hyundai IONIQ Kia Engine Clutch Actuator Fluid Kia Niro (kia niro hybrid) in normal driving conditions, the actuator fluid level does not go down rapidly. The idea is to do it every. If do not use the engine clutch fluid. The engine clutch actuator fluid which is dot 3/4 brake fluid is slightly cloudy in my niro hev after 12 months / 5000 miles. It is brake fluid (dot. Engine Clutch Actuator Fluid Kia Niro.
From www.ebay.com
20172022 Kia Niro Hybrid HEV OEM Actuator EngineClutch Pump 41050 Engine Clutch Actuator Fluid Kia Niro Hi all, i’ve heard one can use a turkey baster to draw out old fluid and replace it through the reservoir. Checking the engine clutch actuator fluid level. A quick compare video changing the clutch actuator fluid to a kia niro will let us know the diff between this system and the hyundai. If do not use the engine clutch. Engine Clutch Actuator Fluid Kia Niro.
From www.shopkoreaonline.com
⭐Genuine⭐ Actuator Engine Clutch 410502B003 for HYBRID Hyundai IONIQ Engine Clutch Actuator Fluid Kia Niro A quick compare video changing the clutch actuator fluid to a kia niro will let us know the diff between this system and the hyundai. I’m working on my second dealership. The idea is to do it every. Hi all, i’ve heard one can use a turkey baster to draw out old fluid and replace it through the reservoir. #1. Engine Clutch Actuator Fluid Kia Niro.
From www.shopkoreaonline.com
⭐Genuine⭐ Actuator Engine Clutch 410502B003 for HYBRID Hyundai IONIQ Engine Clutch Actuator Fluid Kia Niro If do not use the engine clutch fluid. It is brake fluid (dot 3/4), not the gear oil that goes in the dct. Drain the engine clutch fluid from the reservoir using a syringe. If use the engine clutch fluid syringe. The manual in my 2018 phev niro lx says every 22,500 miles to change the clutch actuator fluid. I’m. Engine Clutch Actuator Fluid Kia Niro.
From www.ebay.com
20172021 Kia Niro Hybrid HEV OEM Actuator EngineClutch Pump 41050 Engine Clutch Actuator Fluid Kia Niro Hi all, i’ve heard one can use a turkey baster to draw out old fluid and replace it through the reservoir. If do not use the engine clutch fluid. This is the engine clutch actuator fluid. The engine clutch actuator fluid which is dot 3/4 brake fluid is slightly cloudy in my niro hev after 12 months / 5000 miles.. Engine Clutch Actuator Fluid Kia Niro.