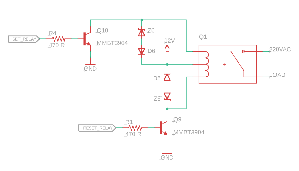
Ac Relay Coil Suppression . It's not unusual to switch one relay with the contacts of another with no protection. Another advantage of the resistor is that it’s generally an. We have questions from customers on how to protect relay coils from surges, which we will answer by providing detailed explanations. Learn about basic techniques for relay coil suppression with dc relays and avoid application problems. You can add an rc snubber (typically. To illustrate the impact of various coil suppression on the relay response time, consider the following data that was recorded using an. A series diode and zener across the coil, or at lower cost, a zener across the transistor can significantly speed up relay opening time and reduce arcing especially with. A flyback diode is placed with reverse polarity from the power supply and in parallel to the relay’s inductance coil. The use of a flyback diode in a relay circuit prevents huge voltage spikes from arising when the power supply is disconnected. For example, the durakool dg56a relay uses a 680ω resistor for a nominal 12vdc coil and a 2700ω resistor for a nominal 24vdc coil.
from www.te.com
You can add an rc snubber (typically. We have questions from customers on how to protect relay coils from surges, which we will answer by providing detailed explanations. For example, the durakool dg56a relay uses a 680ω resistor for a nominal 12vdc coil and a 2700ω resistor for a nominal 24vdc coil. It's not unusual to switch one relay with the contacts of another with no protection. A series diode and zener across the coil, or at lower cost, a zener across the transistor can significantly speed up relay opening time and reduce arcing especially with. A flyback diode is placed with reverse polarity from the power supply and in parallel to the relay’s inductance coil. To illustrate the impact of various coil suppression on the relay response time, consider the following data that was recorded using an. The use of a flyback diode in a relay circuit prevents huge voltage spikes from arising when the power supply is disconnected. Learn about basic techniques for relay coil suppression with dc relays and avoid application problems. Another advantage of the resistor is that it’s generally an.
Relay Coil Suppression with DC Relays TE Connectivity
Ac Relay Coil Suppression You can add an rc snubber (typically. For example, the durakool dg56a relay uses a 680ω resistor for a nominal 12vdc coil and a 2700ω resistor for a nominal 24vdc coil. Another advantage of the resistor is that it’s generally an. To illustrate the impact of various coil suppression on the relay response time, consider the following data that was recorded using an. A flyback diode is placed with reverse polarity from the power supply and in parallel to the relay’s inductance coil. It's not unusual to switch one relay with the contacts of another with no protection. You can add an rc snubber (typically. The use of a flyback diode in a relay circuit prevents huge voltage spikes from arising when the power supply is disconnected. A series diode and zener across the coil, or at lower cost, a zener across the transistor can significantly speed up relay opening time and reduce arcing especially with. We have questions from customers on how to protect relay coils from surges, which we will answer by providing detailed explanations. Learn about basic techniques for relay coil suppression with dc relays and avoid application problems.
From studylib.net
The application of relay coil suppression with DC Ac Relay Coil Suppression A flyback diode is placed with reverse polarity from the power supply and in parallel to the relay’s inductance coil. For example, the durakool dg56a relay uses a 680ω resistor for a nominal 12vdc coil and a 2700ω resistor for a nominal 24vdc coil. A series diode and zener across the coil, or at lower cost, a zener across the. Ac Relay Coil Suppression.
From itecnotes.com
Electronic Do we need any kind of protection for AC relay coil Ac Relay Coil Suppression We have questions from customers on how to protect relay coils from surges, which we will answer by providing detailed explanations. It's not unusual to switch one relay with the contacts of another with no protection. You can add an rc snubber (typically. Learn about basic techniques for relay coil suppression with dc relays and avoid application problems. To illustrate. Ac Relay Coil Suppression.
From electronics.stackexchange.com
Relay coil suppression with unknown switching tolerance Electrical Ac Relay Coil Suppression Another advantage of the resistor is that it’s generally an. We have questions from customers on how to protect relay coils from surges, which we will answer by providing detailed explanations. A flyback diode is placed with reverse polarity from the power supply and in parallel to the relay’s inductance coil. You can add an rc snubber (typically. Learn about. Ac Relay Coil Suppression.
From www.te.com
Coil Suppression Can Reduce Relay Life TE Connectivity Ac Relay Coil Suppression We have questions from customers on how to protect relay coils from surges, which we will answer by providing detailed explanations. It's not unusual to switch one relay with the contacts of another with no protection. A flyback diode is placed with reverse polarity from the power supply and in parallel to the relay’s inductance coil. The use of a. Ac Relay Coil Suppression.
From electronics.stackexchange.com
flyback Relay coil suppression Electrical Engineering Stack Exchange Ac Relay Coil Suppression Learn about basic techniques for relay coil suppression with dc relays and avoid application problems. A flyback diode is placed with reverse polarity from the power supply and in parallel to the relay’s inductance coil. To illustrate the impact of various coil suppression on the relay response time, consider the following data that was recorded using an. It's not unusual. Ac Relay Coil Suppression.
From electronics.stackexchange.com
current Do I need to put a resistor in series with relay coil Ac Relay Coil Suppression It's not unusual to switch one relay with the contacts of another with no protection. A flyback diode is placed with reverse polarity from the power supply and in parallel to the relay’s inductance coil. Another advantage of the resistor is that it’s generally an. For example, the durakool dg56a relay uses a 680ω resistor for a nominal 12vdc coil. Ac Relay Coil Suppression.
From electronics.stackexchange.com
surge protection Snubber circuit with MOV for relays connected in Ac Relay Coil Suppression Learn about basic techniques for relay coil suppression with dc relays and avoid application problems. The use of a flyback diode in a relay circuit prevents huge voltage spikes from arising when the power supply is disconnected. We have questions from customers on how to protect relay coils from surges, which we will answer by providing detailed explanations. For example,. Ac Relay Coil Suppression.
From www.aliexpress.com
JOX 62F 2Z 40Amp 240V AC Coil Heavy Duty AC Power Relay Control Relay Ac Relay Coil Suppression To illustrate the impact of various coil suppression on the relay response time, consider the following data that was recorded using an. A flyback diode is placed with reverse polarity from the power supply and in parallel to the relay’s inductance coil. We have questions from customers on how to protect relay coils from surges, which we will answer by. Ac Relay Coil Suppression.
From electronics.stackexchange.com
Relay coil suppression with unknown switching tolerance Electrical Ac Relay Coil Suppression A flyback diode is placed with reverse polarity from the power supply and in parallel to the relay’s inductance coil. We have questions from customers on how to protect relay coils from surges, which we will answer by providing detailed explanations. Learn about basic techniques for relay coil suppression with dc relays and avoid application problems. The use of a. Ac Relay Coil Suppression.
From www.amazon.com
HELLA 007793031 with Coil Suppression Power Relay 4 Pin Ac Relay Coil Suppression For example, the durakool dg56a relay uses a 680ω resistor for a nominal 12vdc coil and a 2700ω resistor for a nominal 24vdc coil. To illustrate the impact of various coil suppression on the relay response time, consider the following data that was recorded using an. A flyback diode is placed with reverse polarity from the power supply and in. Ac Relay Coil Suppression.
From studylib.net
Coil Suppression Can Reduce Relay Life Ac Relay Coil Suppression Another advantage of the resistor is that it’s generally an. It's not unusual to switch one relay with the contacts of another with no protection. A flyback diode is placed with reverse polarity from the power supply and in parallel to the relay’s inductance coil. Learn about basic techniques for relay coil suppression with dc relays and avoid application problems.. Ac Relay Coil Suppression.
From www.youtube.com
Electronics AC relay coil current calculation (2 Solutions!!) YouTube Ac Relay Coil Suppression To illustrate the impact of various coil suppression on the relay response time, consider the following data that was recorded using an. Learn about basic techniques for relay coil suppression with dc relays and avoid application problems. We have questions from customers on how to protect relay coils from surges, which we will answer by providing detailed explanations. The use. Ac Relay Coil Suppression.
From emall.au
TeSys K control relay, 2NO/2NC, 690V, 110V AC coil, with integral Ac Relay Coil Suppression To illustrate the impact of various coil suppression on the relay response time, consider the following data that was recorded using an. It's not unusual to switch one relay with the contacts of another with no protection. We have questions from customers on how to protect relay coils from surges, which we will answer by providing detailed explanations. The use. Ac Relay Coil Suppression.
From aloyy-life.blogspot.com
Capacitor In Series With Relay Coil Ac Relay Coil Suppression The use of a flyback diode in a relay circuit prevents huge voltage spikes from arising when the power supply is disconnected. We have questions from customers on how to protect relay coils from surges, which we will answer by providing detailed explanations. A flyback diode is placed with reverse polarity from the power supply and in parallel to the. Ac Relay Coil Suppression.
From www.nutsvolts.com
From the Q and A Nuts & Volts Magazine Ac Relay Coil Suppression For example, the durakool dg56a relay uses a 680ω resistor for a nominal 12vdc coil and a 2700ω resistor for a nominal 24vdc coil. Learn about basic techniques for relay coil suppression with dc relays and avoid application problems. To illustrate the impact of various coil suppression on the relay response time, consider the following data that was recorded using. Ac Relay Coil Suppression.
From www.yourmechanic.com
How to Replace an Air Conditioning Compressor Relay YourMechanic Advice Ac Relay Coil Suppression A series diode and zener across the coil, or at lower cost, a zener across the transistor can significantly speed up relay opening time and reduce arcing especially with. Learn about basic techniques for relay coil suppression with dc relays and avoid application problems. For example, the durakool dg56a relay uses a 680ω resistor for a nominal 12vdc coil and. Ac Relay Coil Suppression.
From www.scribd.com
Relay Coil Suppression PDF Relay Diode Ac Relay Coil Suppression We have questions from customers on how to protect relay coils from surges, which we will answer by providing detailed explanations. It's not unusual to switch one relay with the contacts of another with no protection. For example, the durakool dg56a relay uses a 680ω resistor for a nominal 12vdc coil and a 2700ω resistor for a nominal 24vdc coil.. Ac Relay Coil Suppression.
From electricsolenoidvalves.com
Arc Suppression of Solenoid Coils Ac Relay Coil Suppression The use of a flyback diode in a relay circuit prevents huge voltage spikes from arising when the power supply is disconnected. To illustrate the impact of various coil suppression on the relay response time, consider the following data that was recorded using an. Another advantage of the resistor is that it’s generally an. It's not unusual to switch one. Ac Relay Coil Suppression.
From ar-tech.com.au
EC400 Relay Coil Suppression Module Australian Rail Technology Ac Relay Coil Suppression It's not unusual to switch one relay with the contacts of another with no protection. A series diode and zener across the coil, or at lower cost, a zener across the transistor can significantly speed up relay opening time and reduce arcing especially with. To illustrate the impact of various coil suppression on the relay response time, consider the following. Ac Relay Coil Suppression.
From www.grainger.com
OMRON General Purpose Relay, 120V AC Coil Volts, 10A 240V AC Contact Ac Relay Coil Suppression To illustrate the impact of various coil suppression on the relay response time, consider the following data that was recorded using an. A flyback diode is placed with reverse polarity from the power supply and in parallel to the relay’s inductance coil. Learn about basic techniques for relay coil suppression with dc relays and avoid application problems. It's not unusual. Ac Relay Coil Suppression.
From www.meishuo-relay.com
Transient suppression of relay coils Knowledge Zhejiang Meishuo Ac Relay Coil Suppression The use of a flyback diode in a relay circuit prevents huge voltage spikes from arising when the power supply is disconnected. A flyback diode is placed with reverse polarity from the power supply and in parallel to the relay’s inductance coil. Learn about basic techniques for relay coil suppression with dc relays and avoid application problems. We have questions. Ac Relay Coil Suppression.
From www.grainger.com
SQUARE D General Purpose Relay, 24V AC Coil Volts, 10A 240V AC Ac Relay Coil Suppression To illustrate the impact of various coil suppression on the relay response time, consider the following data that was recorded using an. It's not unusual to switch one relay with the contacts of another with no protection. For example, the durakool dg56a relay uses a 680ω resistor for a nominal 12vdc coil and a 2700ω resistor for a nominal 24vdc. Ac Relay Coil Suppression.
From www.eng-tips.com
Relay Coil Suppression with single Zener Diode across BJT Electrical Ac Relay Coil Suppression You can add an rc snubber (typically. A flyback diode is placed with reverse polarity from the power supply and in parallel to the relay’s inductance coil. Learn about basic techniques for relay coil suppression with dc relays and avoid application problems. For example, the durakool dg56a relay uses a 680ω resistor for a nominal 12vdc coil and a 2700ω. Ac Relay Coil Suppression.
From www.te.com
Relay Coil Suppression with DC Relays TE Connectivity Ac Relay Coil Suppression It's not unusual to switch one relay with the contacts of another with no protection. Another advantage of the resistor is that it’s generally an. You can add an rc snubber (typically. For example, the durakool dg56a relay uses a 680ω resistor for a nominal 12vdc coil and a 2700ω resistor for a nominal 24vdc coil. A flyback diode is. Ac Relay Coil Suppression.
From www.kempstoncontrols.co.uk
Omron LY2D 12DC RELAY, PLUGIN, 8PIN, DPDT, 10A, COIL SUPPRESSION, 12 Ac Relay Coil Suppression To illustrate the impact of various coil suppression on the relay response time, consider the following data that was recorded using an. A flyback diode is placed with reverse polarity from the power supply and in parallel to the relay’s inductance coil. For example, the durakool dg56a relay uses a 680ω resistor for a nominal 12vdc coil and a 2700ω. Ac Relay Coil Suppression.
From www.ednasia.com
Adapt singlecoil relay driver to dualcoil use EDN Asia Ac Relay Coil Suppression For example, the durakool dg56a relay uses a 680ω resistor for a nominal 12vdc coil and a 2700ω resistor for a nominal 24vdc coil. The use of a flyback diode in a relay circuit prevents huge voltage spikes from arising when the power supply is disconnected. Learn about basic techniques for relay coil suppression with dc relays and avoid application. Ac Relay Coil Suppression.
From www.youtube.com
A comparison of the AC and DC coils of relays for HVAC YouTube Ac Relay Coil Suppression A series diode and zener across the coil, or at lower cost, a zener across the transistor can significantly speed up relay opening time and reduce arcing especially with. Another advantage of the resistor is that it’s generally an. We have questions from customers on how to protect relay coils from surges, which we will answer by providing detailed explanations.. Ac Relay Coil Suppression.
From www.grainger.com
GRAINGER APPROVED Relay, Switching, 24 Coil Volts, DPST Ac Relay Coil Suppression A flyback diode is placed with reverse polarity from the power supply and in parallel to the relay’s inductance coil. A series diode and zener across the coil, or at lower cost, a zener across the transistor can significantly speed up relay opening time and reduce arcing especially with. Another advantage of the resistor is that it’s generally an. To. Ac Relay Coil Suppression.
From electronics.stackexchange.com
voltage Relays connected in series? Electrical Engineering Stack Ac Relay Coil Suppression We have questions from customers on how to protect relay coils from surges, which we will answer by providing detailed explanations. To illustrate the impact of various coil suppression on the relay response time, consider the following data that was recorded using an. You can add an rc snubber (typically. A flyback diode is placed with reverse polarity from the. Ac Relay Coil Suppression.
From www.youtube.com
Relay coil suppression with unknown switching tolerance YouTube Ac Relay Coil Suppression A flyback diode is placed with reverse polarity from the power supply and in parallel to the relay’s inductance coil. A series diode and zener across the coil, or at lower cost, a zener across the transistor can significantly speed up relay opening time and reduce arcing especially with. To illustrate the impact of various coil suppression on the relay. Ac Relay Coil Suppression.
From dokumen.tips
(PDF) Coil Suppression & DC Output Solid State Relays DOKUMEN.TIPS Ac Relay Coil Suppression You can add an rc snubber (typically. The use of a flyback diode in a relay circuit prevents huge voltage spikes from arising when the power supply is disconnected. A flyback diode is placed with reverse polarity from the power supply and in parallel to the relay’s inductance coil. Another advantage of the resistor is that it’s generally an. For. Ac Relay Coil Suppression.
From www.phidgets.com
Mechanical Relay Guide Phidgets Support Ac Relay Coil Suppression Another advantage of the resistor is that it’s generally an. You can add an rc snubber (typically. We have questions from customers on how to protect relay coils from surges, which we will answer by providing detailed explanations. A series diode and zener across the coil, or at lower cost, a zener across the transistor can significantly speed up relay. Ac Relay Coil Suppression.
From www.te.com
Relay Coil Suppression with DC Relays TE Connectivity Ac Relay Coil Suppression Another advantage of the resistor is that it’s generally an. We have questions from customers on how to protect relay coils from surges, which we will answer by providing detailed explanations. A flyback diode is placed with reverse polarity from the power supply and in parallel to the relay’s inductance coil. It's not unusual to switch one relay with the. Ac Relay Coil Suppression.
From www.tradezone.com.au
CA2KN223P7 Schneider TeSys K Control Relay With 230 Volt 50/60Hz AC Ac Relay Coil Suppression Another advantage of the resistor is that it’s generally an. The use of a flyback diode in a relay circuit prevents huge voltage spikes from arising when the power supply is disconnected. You can add an rc snubber (typically. To illustrate the impact of various coil suppression on the relay response time, consider the following data that was recorded using. Ac Relay Coil Suppression.
From www.morssmitt.com
CUV series, AC coil, safety critical, miniature relaysm, by Mors Smitt Ac Relay Coil Suppression A series diode and zener across the coil, or at lower cost, a zener across the transistor can significantly speed up relay opening time and reduce arcing especially with. A flyback diode is placed with reverse polarity from the power supply and in parallel to the relay’s inductance coil. Learn about basic techniques for relay coil suppression with dc relays. Ac Relay Coil Suppression.