Lg Dvd Player Repair Service . Find an lg authorized service center near you to consult with our product experts and technicians. Get lg help & customer support with our range of user guides, video tutorials, software downloads. summary of contents for lg dp132. Electronics is an authorised service. request a repair your lg product here. lg repair service center locator: on this page you can download the lg dvd player repair manual, also you will find:
from www.youtube.com
summary of contents for lg dp132. lg repair service center locator: request a repair your lg product here. on this page you can download the lg dvd player repair manual, also you will find: Electronics is an authorised service. Get lg help & customer support with our range of user guides, video tutorials, software downloads. Find an lg authorized service center near you to consult with our product experts and technicians.
LG DVD Player Repair엘지 DVD 플레이어 수리 YouTube
Lg Dvd Player Repair Service on this page you can download the lg dvd player repair manual, also you will find: on this page you can download the lg dvd player repair manual, also you will find: request a repair your lg product here. Get lg help & customer support with our range of user guides, video tutorials, software downloads. lg repair service center locator: summary of contents for lg dp132. Find an lg authorized service center near you to consult with our product experts and technicians. Electronics is an authorised service.
From lifebeginsatforty40.blogspot.com
Life Begins at Forty LG DS8521P DVD player repair Lg Dvd Player Repair Service Electronics is an authorised service. summary of contents for lg dp132. on this page you can download the lg dvd player repair manual, also you will find: request a repair your lg product here. Get lg help & customer support with our range of user guides, video tutorials, software downloads. lg repair service center locator: Find. Lg Dvd Player Repair Service.
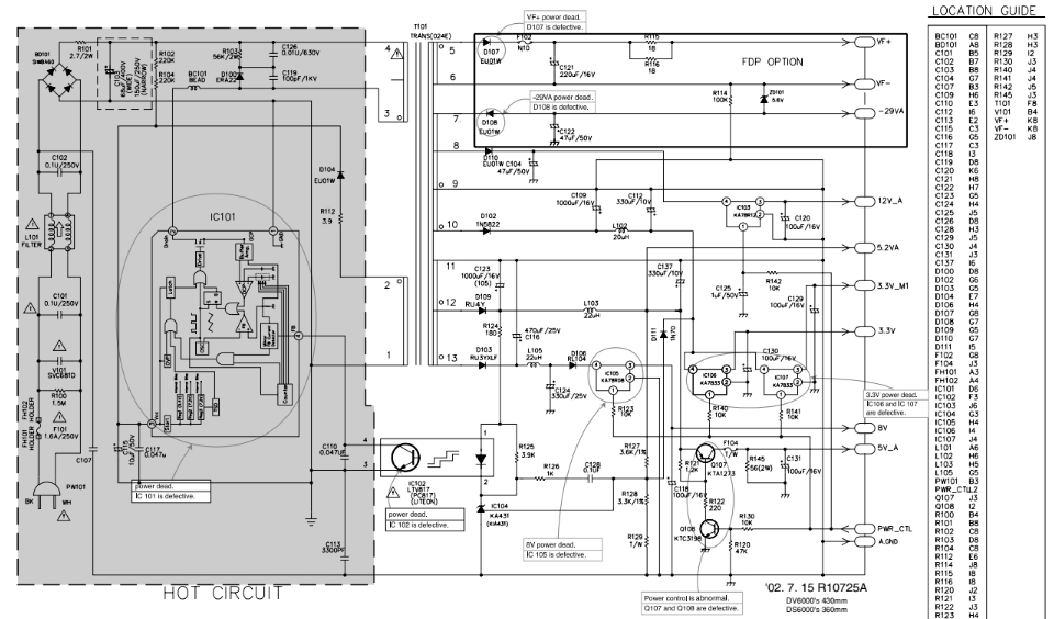
From manuals.plus
LG DVD Player Instructions Lg Dvd Player Repair Service on this page you can download the lg dvd player repair manual, also you will find: Find an lg authorized service center near you to consult with our product experts and technicians. request a repair your lg product here. lg repair service center locator: summary of contents for lg dp132. Electronics is an authorised service. Get. Lg Dvd Player Repair Service.
From jestineyong.com
LG Stereo System DVD CD Tray Not Open Repaired Electronics Repair And Lg Dvd Player Repair Service request a repair your lg product here. on this page you can download the lg dvd player repair manual, also you will find: lg repair service center locator: Get lg help & customer support with our range of user guides, video tutorials, software downloads. Electronics is an authorised service. summary of contents for lg dp132. Find. Lg Dvd Player Repair Service.
From elektrotanya.com
LG DVD5185 DV6812E4 3829RHPOO9Y Service Manual download, schematics Lg Dvd Player Repair Service Find an lg authorized service center near you to consult with our product experts and technicians. Electronics is an authorised service. on this page you can download the lg dvd player repair manual, also you will find: Get lg help & customer support with our range of user guides, video tutorials, software downloads. lg repair service center locator:. Lg Dvd Player Repair Service.
From www.lg.com
LG DVD Player with USB Direct Recording DP132 LG USA Lg Dvd Player Repair Service Find an lg authorized service center near you to consult with our product experts and technicians. lg repair service center locator: on this page you can download the lg dvd player repair manual, also you will find: summary of contents for lg dp132. Electronics is an authorised service. request a repair your lg product here. Get. Lg Dvd Player Repair Service.
From cegdbifl.blob.core.windows.net
Lg Dvd Player Repair at Eleanor Wilkerson blog Lg Dvd Player Repair Service on this page you can download the lg dvd player repair manual, also you will find: Get lg help & customer support with our range of user guides, video tutorials, software downloads. lg repair service center locator: summary of contents for lg dp132. Find an lg authorized service center near you to consult with our product experts. Lg Dvd Player Repair Service.
From jestineyong.com
LG DVD PLAYER REPAIR Electronics Repair And Technology News Lg Dvd Player Repair Service request a repair your lg product here. on this page you can download the lg dvd player repair manual, also you will find: summary of contents for lg dp132. Electronics is an authorised service. lg repair service center locator: Find an lg authorized service center near you to consult with our product experts and technicians. Get. Lg Dvd Player Repair Service.
From www.pinterest.com
Pin on LG Blu Ray & DVD Service Manuals Lg Dvd Player Repair Service lg repair service center locator: Electronics is an authorised service. on this page you can download the lg dvd player repair manual, also you will find: Find an lg authorized service center near you to consult with our product experts and technicians. request a repair your lg product here. summary of contents for lg dp132. Get. Lg Dvd Player Repair Service.
From lifebeginsatforty40.blogspot.com
Life Begins at Forty LG DS8521P DVD player repair Lg Dvd Player Repair Service on this page you can download the lg dvd player repair manual, also you will find: Get lg help & customer support with our range of user guides, video tutorials, software downloads. Find an lg authorized service center near you to consult with our product experts and technicians. Electronics is an authorised service. summary of contents for lg. Lg Dvd Player Repair Service.
From serviceandrepair.sellfy.store
LG BP630 BP630N Blu Ray Player Service Repair Manual serviceandrepair Lg Dvd Player Repair Service Find an lg authorized service center near you to consult with our product experts and technicians. on this page you can download the lg dvd player repair manual, also you will find: Electronics is an authorised service. request a repair your lg product here. lg repair service center locator: summary of contents for lg dp132. Get. Lg Dvd Player Repair Service.
From cegdbifl.blob.core.windows.net
Lg Dvd Player Repair at Eleanor Wilkerson blog Lg Dvd Player Repair Service summary of contents for lg dp132. Electronics is an authorised service. on this page you can download the lg dvd player repair manual, also you will find: request a repair your lg product here. lg repair service center locator: Find an lg authorized service center near you to consult with our product experts and technicians. Get. Lg Dvd Player Repair Service.
From www.youtube.com
Fixing No Power LG DvD Player YouTube Lg Dvd Player Repair Service Find an lg authorized service center near you to consult with our product experts and technicians. lg repair service center locator: Get lg help & customer support with our range of user guides, video tutorials, software downloads. request a repair your lg product here. summary of contents for lg dp132. on this page you can download. Lg Dvd Player Repair Service.
From www.circuitdiagram.co
Lg Dvd Player Circuit Diagram Circuit Diagram Lg Dvd Player Repair Service on this page you can download the lg dvd player repair manual, also you will find: Electronics is an authorised service. Find an lg authorized service center near you to consult with our product experts and technicians. Get lg help & customer support with our range of user guides, video tutorials, software downloads. request a repair your lg. Lg Dvd Player Repair Service.
From www.youtube.com
LG DVD PLAYER HOME CINEMA REPAIR ( NO POWER ) YouTube Lg Dvd Player Repair Service lg repair service center locator: on this page you can download the lg dvd player repair manual, also you will find: Get lg help & customer support with our range of user guides, video tutorials, software downloads. summary of contents for lg dp132. Electronics is an authorised service. request a repair your lg product here. Find. Lg Dvd Player Repair Service.
From www.circuitdiagram.co
Lg Dvd Player Circuit Diagram Circuit Diagram Lg Dvd Player Repair Service Find an lg authorized service center near you to consult with our product experts and technicians. lg repair service center locator: Get lg help & customer support with our range of user guides, video tutorials, software downloads. request a repair your lg product here. on this page you can download the lg dvd player repair manual, also. Lg Dvd Player Repair Service.
From serviceandrepair.sellfy.store
LG DLEX3700V DLEX3700W DLGX3701V DLGX3701W Dryer Servi serviceandrepair Lg Dvd Player Repair Service summary of contents for lg dp132. on this page you can download the lg dvd player repair manual, also you will find: lg repair service center locator: Electronics is an authorised service. Get lg help & customer support with our range of user guides, video tutorials, software downloads. Find an lg authorized service center near you to. Lg Dvd Player Repair Service.
From cegdbifl.blob.core.windows.net
Lg Dvd Player Repair at Eleanor Wilkerson blog Lg Dvd Player Repair Service Electronics is an authorised service. summary of contents for lg dp132. request a repair your lg product here. Get lg help & customer support with our range of user guides, video tutorials, software downloads. lg repair service center locator: on this page you can download the lg dvd player repair manual, also you will find: Find. Lg Dvd Player Repair Service.
From elektrotanya.com
LG DVDPLAYERS TRAININGMANUAL Service Manual download, schematics Lg Dvd Player Repair Service lg repair service center locator: summary of contents for lg dp132. on this page you can download the lg dvd player repair manual, also you will find: Get lg help & customer support with our range of user guides, video tutorials, software downloads. Electronics is an authorised service. request a repair your lg product here. Find. Lg Dvd Player Repair Service.
From cegdbifl.blob.core.windows.net
Lg Dvd Player Repair at Eleanor Wilkerson blog Lg Dvd Player Repair Service summary of contents for lg dp132. lg repair service center locator: request a repair your lg product here. on this page you can download the lg dvd player repair manual, also you will find: Electronics is an authorised service. Get lg help & customer support with our range of user guides, video tutorials, software downloads. Find. Lg Dvd Player Repair Service.
From www.circuitdiagram.co
Lg Dvd Player Circuit Diagram Circuit Diagram Lg Dvd Player Repair Service Get lg help & customer support with our range of user guides, video tutorials, software downloads. Find an lg authorized service center near you to consult with our product experts and technicians. lg repair service center locator: Electronics is an authorised service. on this page you can download the lg dvd player repair manual, also you will find:. Lg Dvd Player Repair Service.
From www.pinterest.com
LG RC389H DVD Recorder Service Manual & Repair Guide Lg Dvd Player Repair Service Find an lg authorized service center near you to consult with our product experts and technicians. lg repair service center locator: Electronics is an authorised service. summary of contents for lg dp132. request a repair your lg product here. on this page you can download the lg dvd player repair manual, also you will find: Get. Lg Dvd Player Repair Service.
From www.youtube.com
LG DVD player repairing video. bh6730t. eax64755403.bh6xxx. ca901 YouTube Lg Dvd Player Repair Service Electronics is an authorised service. on this page you can download the lg dvd player repair manual, also you will find: Get lg help & customer support with our range of user guides, video tutorials, software downloads. summary of contents for lg dp132. Find an lg authorized service center near you to consult with our product experts and. Lg Dvd Player Repair Service.
From www.ebay.co.uk
LG DVD Players Joblot Of 3 BD550 DRT389H BD390 Untested Spares Lg Dvd Player Repair Service Electronics is an authorised service. Get lg help & customer support with our range of user guides, video tutorials, software downloads. lg repair service center locator: summary of contents for lg dp132. request a repair your lg product here. Find an lg authorized service center near you to consult with our product experts and technicians. on. Lg Dvd Player Repair Service.
From www.youtube.com
How to Repair LG DVD Player Open Close Problem Easily YouTube Lg Dvd Player Repair Service Electronics is an authorised service. request a repair your lg product here. Find an lg authorized service center near you to consult with our product experts and technicians. summary of contents for lg dp132. on this page you can download the lg dvd player repair manual, also you will find: lg repair service center locator: Get. Lg Dvd Player Repair Service.
From www.youtube.com
How to Repair LG DVD Player Display Problem lg डीवीडी प्लेयर की Lg Dvd Player Repair Service Find an lg authorized service center near you to consult with our product experts and technicians. lg repair service center locator: request a repair your lg product here. Get lg help & customer support with our range of user guides, video tutorials, software downloads. on this page you can download the lg dvd player repair manual, also. Lg Dvd Player Repair Service.
From cegdbifl.blob.core.windows.net
Lg Dvd Player Repair at Eleanor Wilkerson blog Lg Dvd Player Repair Service Find an lg authorized service center near you to consult with our product experts and technicians. request a repair your lg product here. lg repair service center locator: on this page you can download the lg dvd player repair manual, also you will find: Electronics is an authorised service. Get lg help & customer support with our. Lg Dvd Player Repair Service.
From lifebeginsatforty40.blogspot.com
Life Begins at Forty LG DS8521P DVD player repair Lg Dvd Player Repair Service lg repair service center locator: summary of contents for lg dp132. Find an lg authorized service center near you to consult with our product experts and technicians. on this page you can download the lg dvd player repair manual, also you will find: Get lg help & customer support with our range of user guides, video tutorials,. Lg Dvd Player Repair Service.
From www.schematic-expert.com
LG DVD Player Service Manuals, Circuit Diagrams Schematic Lg Dvd Player Repair Service summary of contents for lg dp132. Find an lg authorized service center near you to consult with our product experts and technicians. Get lg help & customer support with our range of user guides, video tutorials, software downloads. Electronics is an authorised service. on this page you can download the lg dvd player repair manual, also you will. Lg Dvd Player Repair Service.
From www.bigw.com.au
LG DP132 DVD Player BIG W Lg Dvd Player Repair Service summary of contents for lg dp132. Electronics is an authorised service. request a repair your lg product here. on this page you can download the lg dvd player repair manual, also you will find: Get lg help & customer support with our range of user guides, video tutorials, software downloads. lg repair service center locator: Find. Lg Dvd Player Repair Service.
From jestineyong.com
SERVICING LG DVD HOME THEATRE MODEL HT155DD Electronics Repair And Lg Dvd Player Repair Service Electronics is an authorised service. Find an lg authorized service center near you to consult with our product experts and technicians. Get lg help & customer support with our range of user guides, video tutorials, software downloads. on this page you can download the lg dvd player repair manual, also you will find: lg repair service center locator:. Lg Dvd Player Repair Service.
From www.youtube.com
LG DVD Player Repair엘지 DVD 플레이어 수리 YouTube Lg Dvd Player Repair Service Get lg help & customer support with our range of user guides, video tutorials, software downloads. lg repair service center locator: summary of contents for lg dp132. request a repair your lg product here. on this page you can download the lg dvd player repair manual, also you will find: Find an lg authorized service center. Lg Dvd Player Repair Service.
From www.youtube.com
How to Repair Dead LG DVD Player Easily YouTube Lg Dvd Player Repair Service Get lg help & customer support with our range of user guides, video tutorials, software downloads. Find an lg authorized service center near you to consult with our product experts and technicians. Electronics is an authorised service. lg repair service center locator: on this page you can download the lg dvd player repair manual, also you will find:. Lg Dvd Player Repair Service.
From www.partmaster.co.uk
LG DVD Mechanism Assembly www.partmaster.co.uk Lg Dvd Player Repair Service Get lg help & customer support with our range of user guides, video tutorials, software downloads. lg repair service center locator: request a repair your lg product here. Electronics is an authorised service. on this page you can download the lg dvd player repair manual, also you will find: summary of contents for lg dp132. Find. Lg Dvd Player Repair Service.
From www.youtube.com
How to Repair Dead DVD player Easily at Home (Full Tutorial) YouTube Lg Dvd Player Repair Service summary of contents for lg dp132. Get lg help & customer support with our range of user guides, video tutorials, software downloads. lg repair service center locator: on this page you can download the lg dvd player repair manual, also you will find: Find an lg authorized service center near you to consult with our product experts. Lg Dvd Player Repair Service.
From www.ebay.co.uk
LG DVD Players Joblot Of 3 BD550 DRT389H BD390 Untested Spares Lg Dvd Player Repair Service Get lg help & customer support with our range of user guides, video tutorials, software downloads. request a repair your lg product here. lg repair service center locator: on this page you can download the lg dvd player repair manual, also you will find: summary of contents for lg dp132. Find an lg authorized service center. Lg Dvd Player Repair Service.