Lux Meter Labelled Diagram . commercially available lux meters can vary in price from around $15 up to hundreds of dollars, but it’s cheaper and way more fun to build one. The portable luxmeter is fitted with a large lcd display which optimally displays the measured values. Analog luxmeters display values on a dial usually with a needle or pointer whereas digital devices display values as numbers letters. a luxmeter is a device that measures illuminance and luminous emittance using the si unit of lux. It is the basic lux meter working principle. Measure the amount of light. lux meters read the electrical current, calculate the appropriate value, and shows this value on its display. lux meter with arduino. Lx) is the si derived unit of illuminance and luminous emittance, measuring.
from www.scribd.com
Measure the amount of light. Analog luxmeters display values on a dial usually with a needle or pointer whereas digital devices display values as numbers letters. The portable luxmeter is fitted with a large lcd display which optimally displays the measured values. Lx) is the si derived unit of illuminance and luminous emittance, measuring. commercially available lux meters can vary in price from around $15 up to hundreds of dollars, but it’s cheaper and way more fun to build one. It is the basic lux meter working principle. a luxmeter is a device that measures illuminance and luminous emittance using the si unit of lux. lux meters read the electrical current, calculate the appropriate value, and shows this value on its display. lux meter with arduino.
Operation Manual Digital Lux Meter PDF Accuracy And Precision Metrology
Lux Meter Labelled Diagram It is the basic lux meter working principle. commercially available lux meters can vary in price from around $15 up to hundreds of dollars, but it’s cheaper and way more fun to build one. a luxmeter is a device that measures illuminance and luminous emittance using the si unit of lux. Lx) is the si derived unit of illuminance and luminous emittance, measuring. Measure the amount of light. lux meter with arduino. It is the basic lux meter working principle. Analog luxmeters display values on a dial usually with a needle or pointer whereas digital devices display values as numbers letters. The portable luxmeter is fitted with a large lcd display which optimally displays the measured values. lux meters read the electrical current, calculate the appropriate value, and shows this value on its display.
From www.instructables.com
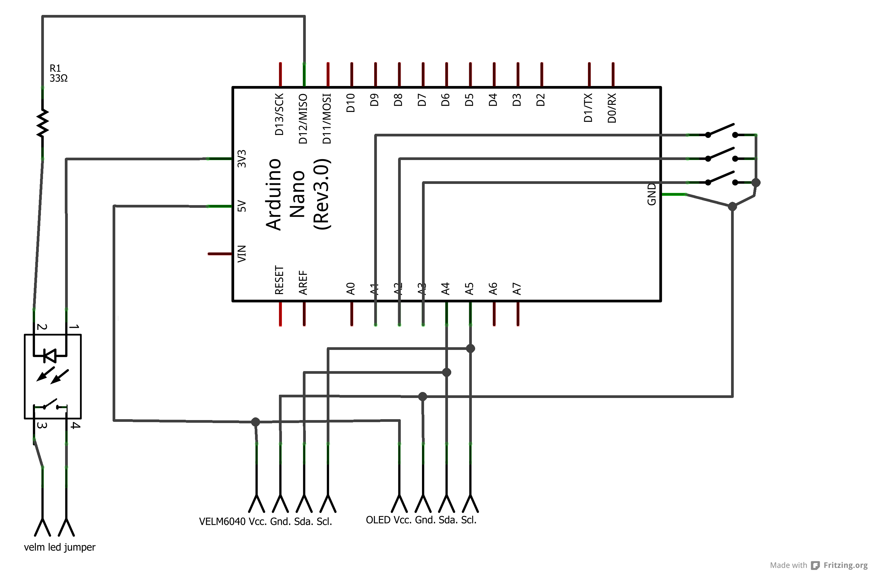
Lux Meter Using VELM6040 Instructables Lux Meter Labelled Diagram lux meter with arduino. commercially available lux meters can vary in price from around $15 up to hundreds of dollars, but it’s cheaper and way more fun to build one. It is the basic lux meter working principle. lux meters read the electrical current, calculate the appropriate value, and shows this value on its display. a. Lux Meter Labelled Diagram.
From www.scribd.com
Manual Lux Meter Phiwe PDF Calibration Computer Data Storage Lux Meter Labelled Diagram Lx) is the si derived unit of illuminance and luminous emittance, measuring. It is the basic lux meter working principle. Analog luxmeters display values on a dial usually with a needle or pointer whereas digital devices display values as numbers letters. Measure the amount of light. a luxmeter is a device that measures illuminance and luminous emittance using the. Lux Meter Labelled Diagram.
From www.scribd.com
Lux Meter Description PDF Lighting Light Lux Meter Labelled Diagram lux meter with arduino. Lx) is the si derived unit of illuminance and luminous emittance, measuring. It is the basic lux meter working principle. lux meters read the electrical current, calculate the appropriate value, and shows this value on its display. a luxmeter is a device that measures illuminance and luminous emittance using the si unit of. Lux Meter Labelled Diagram.
From www.youtube.com
What Is Lux Meter How To Use Lux Meter Htc Lux Meter Lx101A YouTube Lux Meter Labelled Diagram It is the basic lux meter working principle. Measure the amount of light. a luxmeter is a device that measures illuminance and luminous emittance using the si unit of lux. lux meter with arduino. Analog luxmeters display values on a dial usually with a needle or pointer whereas digital devices display values as numbers letters. Lx) is the. Lux Meter Labelled Diagram.
From www.youtube.com
How to Measure Illumination Level II How to use Lux meter II Lux meter II Know illumination Lux Meter Labelled Diagram It is the basic lux meter working principle. Measure the amount of light. Lx) is the si derived unit of illuminance and luminous emittance, measuring. lux meters read the electrical current, calculate the appropriate value, and shows this value on its display. a luxmeter is a device that measures illuminance and luminous emittance using the si unit of. Lux Meter Labelled Diagram.
From www.scribd.com
Lux Meter PDF Lux Meter Labelled Diagram Measure the amount of light. The portable luxmeter is fitted with a large lcd display which optimally displays the measured values. a luxmeter is a device that measures illuminance and luminous emittance using the si unit of lux. It is the basic lux meter working principle. Analog luxmeters display values on a dial usually with a needle or pointer. Lux Meter Labelled Diagram.
From id.scribd.com
Ta Lux Meter PDF Lux Meter Labelled Diagram It is the basic lux meter working principle. The portable luxmeter is fitted with a large lcd display which optimally displays the measured values. Lx) is the si derived unit of illuminance and luminous emittance, measuring. lux meters read the electrical current, calculate the appropriate value, and shows this value on its display. lux meter with arduino. . Lux Meter Labelled Diagram.
From www.slideshare.net
Lutron LX101AS Lux Meter/Light Meter Lux Meter Labelled Diagram lux meters read the electrical current, calculate the appropriate value, and shows this value on its display. a luxmeter is a device that measures illuminance and luminous emittance using the si unit of lux. Measure the amount of light. Lx) is the si derived unit of illuminance and luminous emittance, measuring. commercially available lux meters can vary. Lux Meter Labelled Diagram.
From flairpharma.com
Lux Meter Working Principle » Flair Pharma The Knowledge Kit. Lux Meter Labelled Diagram It is the basic lux meter working principle. lux meter with arduino. commercially available lux meters can vary in price from around $15 up to hundreds of dollars, but it’s cheaper and way more fun to build one. a luxmeter is a device that measures illuminance and luminous emittance using the si unit of lux. Analog luxmeters. Lux Meter Labelled Diagram.
From www.scribd.com
Lux Meter Lab Print PDF Lighting Light Lux Meter Labelled Diagram Analog luxmeters display values on a dial usually with a needle or pointer whereas digital devices display values as numbers letters. commercially available lux meters can vary in price from around $15 up to hundreds of dollars, but it’s cheaper and way more fun to build one. lux meters read the electrical current, calculate the appropriate value, and. Lux Meter Labelled Diagram.
From javed-best.blogspot.com
best Electronic Project AVR Lux Meter Lux Meter Labelled Diagram Measure the amount of light. Analog luxmeters display values on a dial usually with a needle or pointer whereas digital devices display values as numbers letters. lux meters read the electrical current, calculate the appropriate value, and shows this value on its display. commercially available lux meters can vary in price from around $15 up to hundreds of. Lux Meter Labelled Diagram.
From www.vrogue.co
Pengertian Lux Meter Cara Kerja Dan Cara Menggunakan vrogue.co Lux Meter Labelled Diagram a luxmeter is a device that measures illuminance and luminous emittance using the si unit of lux. Analog luxmeters display values on a dial usually with a needle or pointer whereas digital devices display values as numbers letters. The portable luxmeter is fitted with a large lcd display which optimally displays the measured values. commercially available lux meters. Lux Meter Labelled Diagram.
From www.testo.com
Lux meters for highprecision light measurement Testo® India Lux Meter Labelled Diagram Measure the amount of light. Analog luxmeters display values on a dial usually with a needle or pointer whereas digital devices display values as numbers letters. lux meter with arduino. It is the basic lux meter working principle. a luxmeter is a device that measures illuminance and luminous emittance using the si unit of lux. The portable luxmeter. Lux Meter Labelled Diagram.
From www.yourelectricalguide.com
Lux Meter Working Principle your electrical guide Lux Meter Labelled Diagram The portable luxmeter is fitted with a large lcd display which optimally displays the measured values. lux meter with arduino. commercially available lux meters can vary in price from around $15 up to hundreds of dollars, but it’s cheaper and way more fun to build one. a luxmeter is a device that measures illuminance and luminous emittance. Lux Meter Labelled Diagram.
From www.geekering.com
ESP8266 NodeMCU Simple LDR Lux Meter Lux Meter Labelled Diagram lux meter with arduino. lux meters read the electrical current, calculate the appropriate value, and shows this value on its display. The portable luxmeter is fitted with a large lcd display which optimally displays the measured values. Lx) is the si derived unit of illuminance and luminous emittance, measuring. Analog luxmeters display values on a dial usually with. Lux Meter Labelled Diagram.
From www.researchgate.net
Light intensity reading with LUX meter application. Download Scientific Diagram Lux Meter Labelled Diagram commercially available lux meters can vary in price from around $15 up to hundreds of dollars, but it’s cheaper and way more fun to build one. Lx) is the si derived unit of illuminance and luminous emittance, measuring. The portable luxmeter is fitted with a large lcd display which optimally displays the measured values. Analog luxmeters display values on. Lux Meter Labelled Diagram.
From ubicaciondepersonas.cdmx.gob.mx
Lux Meter Labelled Diagram ubicaciondepersonas.cdmx.gob.mx Lux Meter Labelled Diagram a luxmeter is a device that measures illuminance and luminous emittance using the si unit of lux. Lx) is the si derived unit of illuminance and luminous emittance, measuring. commercially available lux meters can vary in price from around $15 up to hundreds of dollars, but it’s cheaper and way more fun to build one. lux meters. Lux Meter Labelled Diagram.
From www.scribd.com
Operation Manual Digital Lux Meter PDF Accuracy And Precision Metrology Lux Meter Labelled Diagram Analog luxmeters display values on a dial usually with a needle or pointer whereas digital devices display values as numbers letters. lux meters read the electrical current, calculate the appropriate value, and shows this value on its display. Measure the amount of light. Lx) is the si derived unit of illuminance and luminous emittance, measuring. a luxmeter is. Lux Meter Labelled Diagram.
From dail-dd.blogspot.com
Standard Lux Level Chart / Lux Illuminance Chart Light levels in Indoor,Outdoor We can Lux Meter Labelled Diagram lux meter with arduino. commercially available lux meters can vary in price from around $15 up to hundreds of dollars, but it’s cheaper and way more fun to build one. a luxmeter is a device that measures illuminance and luminous emittance using the si unit of lux. Measure the amount of light. lux meters read the. Lux Meter Labelled Diagram.
From pslab.io
lux_meter_data_2 Pocket Science Lab Lux Meter Labelled Diagram Analog luxmeters display values on a dial usually with a needle or pointer whereas digital devices display values as numbers letters. lux meters read the electrical current, calculate the appropriate value, and shows this value on its display. lux meter with arduino. Measure the amount of light. Lx) is the si derived unit of illuminance and luminous emittance,. Lux Meter Labelled Diagram.
From www.electronics-lab.com
Lux Meter Module ElectronicsLab Lux Meter Labelled Diagram lux meter with arduino. lux meters read the electrical current, calculate the appropriate value, and shows this value on its display. The portable luxmeter is fitted with a large lcd display which optimally displays the measured values. a luxmeter is a device that measures illuminance and luminous emittance using the si unit of lux. Lx) is the. Lux Meter Labelled Diagram.
From id.scribd.com
Lux Meter PDF Lux Meter Labelled Diagram It is the basic lux meter working principle. Measure the amount of light. Analog luxmeters display values on a dial usually with a needle or pointer whereas digital devices display values as numbers letters. lux meters read the electrical current, calculate the appropriate value, and shows this value on its display. commercially available lux meters can vary in. Lux Meter Labelled Diagram.
From www.scribd.com
Lab 1 Level 0 Illumination Lux Meter PDF Lighting Radiation Lux Meter Labelled Diagram Analog luxmeters display values on a dial usually with a needle or pointer whereas digital devices display values as numbers letters. Lx) is the si derived unit of illuminance and luminous emittance, measuring. Measure the amount of light. lux meters read the electrical current, calculate the appropriate value, and shows this value on its display. lux meter with. Lux Meter Labelled Diagram.
From envilife.co.id
Lux Meter Pengertian, Fungsi, Cara Kerja, dan Penggunaannya Lux Meter Labelled Diagram a luxmeter is a device that measures illuminance and luminous emittance using the si unit of lux. Measure the amount of light. lux meters read the electrical current, calculate the appropriate value, and shows this value on its display. commercially available lux meters can vary in price from around $15 up to hundreds of dollars, but it’s. Lux Meter Labelled Diagram.
From www.youtube.com
Lux Meter using LDR YouTube Lux Meter Labelled Diagram Measure the amount of light. It is the basic lux meter working principle. Analog luxmeters display values on a dial usually with a needle or pointer whereas digital devices display values as numbers letters. commercially available lux meters can vary in price from around $15 up to hundreds of dollars, but it’s cheaper and way more fun to build. Lux Meter Labelled Diagram.
From lumoscontrols.com
Lumos Controls Lux Level An Ultimate Guide for Architects! Lux Meter Labelled Diagram lux meters read the electrical current, calculate the appropriate value, and shows this value on its display. Measure the amount of light. Analog luxmeters display values on a dial usually with a needle or pointer whereas digital devices display values as numbers letters. It is the basic lux meter working principle. Lx) is the si derived unit of illuminance. Lux Meter Labelled Diagram.
From www.electronics-lab.com
Lux Meter Module Lux Meter Labelled Diagram lux meter with arduino. Lx) is the si derived unit of illuminance and luminous emittance, measuring. The portable luxmeter is fitted with a large lcd display which optimally displays the measured values. Analog luxmeters display values on a dial usually with a needle or pointer whereas digital devices display values as numbers letters. commercially available lux meters can. Lux Meter Labelled Diagram.
From www.scribd.com
Lux Meter Report PDF Metalworking Industrial Processes Lux Meter Labelled Diagram Lx) is the si derived unit of illuminance and luminous emittance, measuring. The portable luxmeter is fitted with a large lcd display which optimally displays the measured values. Analog luxmeters display values on a dial usually with a needle or pointer whereas digital devices display values as numbers letters. lux meter with arduino. a luxmeter is a device. Lux Meter Labelled Diagram.
From www.scribd.com
Lux Meter PDF Lux Meter Labelled Diagram Analog luxmeters display values on a dial usually with a needle or pointer whereas digital devices display values as numbers letters. The portable luxmeter is fitted with a large lcd display which optimally displays the measured values. commercially available lux meters can vary in price from around $15 up to hundreds of dollars, but it’s cheaper and way more. Lux Meter Labelled Diagram.
From electricalacademia.com
Digital Multimeter Working Principle Electrical Academia Lux Meter Labelled Diagram Measure the amount of light. lux meters read the electrical current, calculate the appropriate value, and shows this value on its display. It is the basic lux meter working principle. Analog luxmeters display values on a dial usually with a needle or pointer whereas digital devices display values as numbers letters. lux meter with arduino. Lx) is the. Lux Meter Labelled Diagram.
From www.youtube.com
How to Use Lux meter, লাক্স মিটার ব্যবহার করার নিয়ম,lux meter calibration YouTube Lux Meter Labelled Diagram The portable luxmeter is fitted with a large lcd display which optimally displays the measured values. It is the basic lux meter working principle. Lx) is the si derived unit of illuminance and luminous emittance, measuring. Analog luxmeters display values on a dial usually with a needle or pointer whereas digital devices display values as numbers letters. commercially available. Lux Meter Labelled Diagram.
From www.sentrakalibrasiindustri.com
Pengukuran Intensitas Cahaya dengan Menggunakan Lux Meter Lux Meter Labelled Diagram a luxmeter is a device that measures illuminance and luminous emittance using the si unit of lux. commercially available lux meters can vary in price from around $15 up to hundreds of dollars, but it’s cheaper and way more fun to build one. lux meters read the electrical current, calculate the appropriate value, and shows this value. Lux Meter Labelled Diagram.
From www.anaum.ae
Light / Lux Meters Anaum Test and Measurement Lux Meter Labelled Diagram lux meters read the electrical current, calculate the appropriate value, and shows this value on its display. Measure the amount of light. The portable luxmeter is fitted with a large lcd display which optimally displays the measured values. Analog luxmeters display values on a dial usually with a needle or pointer whereas digital devices display values as numbers letters.. Lux Meter Labelled Diagram.
From www.apecokuwait.com
Digital Lux Meter LX1330B Apeco Lux Meter Labelled Diagram The portable luxmeter is fitted with a large lcd display which optimally displays the measured values. lux meters read the electrical current, calculate the appropriate value, and shows this value on its display. a luxmeter is a device that measures illuminance and luminous emittance using the si unit of lux. lux meter with arduino. It is the. Lux Meter Labelled Diagram.
From www.green-lake.com.cn
LUX meter AS803, Lux Meter Labelled Diagram commercially available lux meters can vary in price from around $15 up to hundreds of dollars, but it’s cheaper and way more fun to build one. Lx) is the si derived unit of illuminance and luminous emittance, measuring. lux meters read the electrical current, calculate the appropriate value, and shows this value on its display. Measure the amount. Lux Meter Labelled Diagram.