Frigidaire Dishwasher Service Data Sheet . Our technicians are factory trained on all of our products, so they can repair your appliance asap. View and download frigidaire ffbd2406nb service data sheet online. 4.5/5 (3,691) Frigidaire fgid2466qf service data sheet p n 808463501 rev b artwork 808463501 rev 002 electronic series this information is intended. Box 8020 charlotte, nc 28262. Water/service test wiring diagram cycle selection options the dishwasher responds to user inputs only when its door is open. Frigidaire gdph4515af0a dishwasher service data sheet 1.0.0. A lot can happen during the lifetime of your appliance, so we’ve made maintaining your appliance easy with. Service data sheet a13799821 installation instructions 808936695 market north america frigidaire p.o. 4.5/5 (3,691) By captain dunsel find their other files;
from www.manualslib.com
By captain dunsel find their other files; Service data sheet a13799821 installation instructions 808936695 market north america frigidaire p.o. A lot can happen during the lifetime of your appliance, so we’ve made maintaining your appliance easy with. Frigidaire gdph4515af0a dishwasher service data sheet 1.0.0. Water/service test wiring diagram cycle selection options the dishwasher responds to user inputs only when its door is open. Frigidaire fgid2466qf service data sheet p n 808463501 rev b artwork 808463501 rev 002 electronic series this information is intended. Our technicians are factory trained on all of our products, so they can repair your appliance asap. Box 8020 charlotte, nc 28262. View and download frigidaire ffbd2406nb service data sheet online. 4.5/5 (3,691)
FRIGIDAIRE REFRIGERATOR SERVICE DATA SHEET Pdf Download ManualsLib
Frigidaire Dishwasher Service Data Sheet By captain dunsel find their other files; View and download frigidaire ffbd2406nb service data sheet online. Box 8020 charlotte, nc 28262. By captain dunsel find their other files; Service data sheet a13799821 installation instructions 808936695 market north america frigidaire p.o. Our technicians are factory trained on all of our products, so they can repair your appliance asap. A lot can happen during the lifetime of your appliance, so we’ve made maintaining your appliance easy with. Frigidaire gdph4515af0a dishwasher service data sheet 1.0.0. Frigidaire fgid2466qf service data sheet p n 808463501 rev b artwork 808463501 rev 002 electronic series this information is intended. 4.5/5 (3,691) Water/service test wiring diagram cycle selection options the dishwasher responds to user inputs only when its door is open. 4.5/5 (3,691)
From usermanual.wiki
Frigidaire FDB4315LFB3 User Manual DISHWASHER Manuals And Guides L0805340 Frigidaire Dishwasher Service Data Sheet Our technicians are factory trained on all of our products, so they can repair your appliance asap. 4.5/5 (3,691) Service data sheet a13799821 installation instructions 808936695 market north america frigidaire p.o. Frigidaire fgid2466qf service data sheet p n 808463501 rev b artwork 808463501 rev 002 electronic series this information is intended. Frigidaire gdph4515af0a dishwasher service data sheet 1.0.0. 4.5/5. Frigidaire Dishwasher Service Data Sheet.
From www.manualslib.com
FRIGIDAIRE 154768201 SERVICE DATA SHEET Pdf Download ManualsLib Frigidaire Dishwasher Service Data Sheet View and download frigidaire ffbd2406nb service data sheet online. 4.5/5 (3,691) Our technicians are factory trained on all of our products, so they can repair your appliance asap. Service data sheet a13799821 installation instructions 808936695 market north america frigidaire p.o. A lot can happen during the lifetime of your appliance, so we’ve made maintaining your appliance easy with. Water/service. Frigidaire Dishwasher Service Data Sheet.
From www.umlib.com
Download free pdf for Frigidaire FDB2410HIC Dishwasher manual Frigidaire Dishwasher Service Data Sheet Frigidaire gdph4515af0a dishwasher service data sheet 1.0.0. A lot can happen during the lifetime of your appliance, so we’ve made maintaining your appliance easy with. Box 8020 charlotte, nc 28262. 4.5/5 (3,691) Water/service test wiring diagram cycle selection options the dishwasher responds to user inputs only when its door is open. By captain dunsel find their other files; 4.5/5. Frigidaire Dishwasher Service Data Sheet.
From www.manualslib.com
FRIGIDAIRE FGBD2434PF SERVICE DATA SHEET Pdf Download ManualsLib Frigidaire Dishwasher Service Data Sheet Frigidaire fgid2466qf service data sheet p n 808463501 rev b artwork 808463501 rev 002 electronic series this information is intended. View and download frigidaire ffbd2406nb service data sheet online. By captain dunsel find their other files; Service data sheet a13799821 installation instructions 808936695 market north america frigidaire p.o. A lot can happen during the lifetime of your appliance, so we’ve. Frigidaire Dishwasher Service Data Sheet.
From www.manualslib.com
FRIGIDAIRE FDB510LCS3 DISHWASHER SERVICE DATA SHEET ManualsLib Frigidaire Dishwasher Service Data Sheet Frigidaire fgid2466qf service data sheet p n 808463501 rev b artwork 808463501 rev 002 electronic series this information is intended. 4.5/5 (3,691) View and download frigidaire ffbd2406nb service data sheet online. A lot can happen during the lifetime of your appliance, so we’ve made maintaining your appliance easy with. Water/service test wiring diagram cycle selection options the dishwasher responds. Frigidaire Dishwasher Service Data Sheet.
From www.umlib.com
PDF manual for Frigidaire Dishwasher FDB2410HIC Frigidaire Dishwasher Service Data Sheet 4.5/5 (3,691) By captain dunsel find their other files; Box 8020 charlotte, nc 28262. A lot can happen during the lifetime of your appliance, so we’ve made maintaining your appliance easy with. View and download frigidaire ffbd2406nb service data sheet online. Frigidaire fgid2466qf service data sheet p n 808463501 rev b artwork 808463501 rev 002 electronic series this information. Frigidaire Dishwasher Service Data Sheet.
From www.manualslib.com
FRIGIDAIRE FGHG2344ME SERVICE DATA SHEET Pdf Download ManualsLib Frigidaire Dishwasher Service Data Sheet Our technicians are factory trained on all of our products, so they can repair your appliance asap. 4.5/5 (3,691) Service data sheet a13799821 installation instructions 808936695 market north america frigidaire p.o. View and download frigidaire ffbd2406nb service data sheet online. By captain dunsel find their other files; 4.5/5 (3,691) A lot can happen during the lifetime of your. Frigidaire Dishwasher Service Data Sheet.
From www.flowschema.com
Frigidaire Refrigerator Thermostat Wiring Diagram Wiring Flow Schema Frigidaire Dishwasher Service Data Sheet 4.5/5 (3,691) Our technicians are factory trained on all of our products, so they can repair your appliance asap. Frigidaire fgid2466qf service data sheet p n 808463501 rev b artwork 808463501 rev 002 electronic series this information is intended. View and download frigidaire ffbd2406nb service data sheet online. Water/service test wiring diagram cycle selection options the dishwasher responds to. Frigidaire Dishwasher Service Data Sheet.
From device.report
Frigidaire Electric Range Wiring Guides and Service Data Sheet Frigidaire Dishwasher Service Data Sheet Frigidaire gdph4515af0a dishwasher service data sheet 1.0.0. View and download frigidaire ffbd2406nb service data sheet online. Our technicians are factory trained on all of our products, so they can repair your appliance asap. Frigidaire fgid2466qf service data sheet p n 808463501 rev b artwork 808463501 rev 002 electronic series this information is intended. Box 8020 charlotte, nc 28262. Service data. Frigidaire Dishwasher Service Data Sheet.
From usermanual.wiki
Frigidaire FGID2474QB4B User Manual DISHWASHER Manuals And Guides 1502103L Frigidaire Dishwasher Service Data Sheet Water/service test wiring diagram cycle selection options the dishwasher responds to user inputs only when its door is open. Frigidaire fgid2466qf service data sheet p n 808463501 rev b artwork 808463501 rev 002 electronic series this information is intended. View and download frigidaire ffbd2406nb service data sheet online. By captain dunsel find their other files; A lot can happen during. Frigidaire Dishwasher Service Data Sheet.
From manuals.plus
Frigidaire Dishwasher Manual User Guide and Instructions Frigidaire Dishwasher Service Data Sheet 4.5/5 (3,691) Box 8020 charlotte, nc 28262. By captain dunsel find their other files; View and download frigidaire ffbd2406nb service data sheet online. Service data sheet a13799821 installation instructions 808936695 market north america frigidaire p.o. Frigidaire fgid2466qf service data sheet p n 808463501 rev b artwork 808463501 rev 002 electronic series this information is intended. Frigidaire gdph4515af0a dishwasher service. Frigidaire Dishwasher Service Data Sheet.
From www.automatice.org
Dishwasher Library1972 Frigidaire Dishwasher TLine TechTalk Service Frigidaire Dishwasher Service Data Sheet Our technicians are factory trained on all of our products, so they can repair your appliance asap. Service data sheet a13799821 installation instructions 808936695 market north america frigidaire p.o. 4.5/5 (3,691) View and download frigidaire ffbd2406nb service data sheet online. A lot can happen during the lifetime of your appliance, so we’ve made maintaining your appliance easy with. By. Frigidaire Dishwasher Service Data Sheet.
From new2.steprightupmanuals.com
Frigidaire Dishwasher Service Manual for Model PLD2855 Frigidaire Dishwasher Service Data Sheet A lot can happen during the lifetime of your appliance, so we’ve made maintaining your appliance easy with. 4.5/5 (3,691) View and download frigidaire ffbd2406nb service data sheet online. Box 8020 charlotte, nc 28262. Frigidaire gdph4515af0a dishwasher service data sheet 1.0.0. Our technicians are factory trained on all of our products, so they can repair your appliance asap. Frigidaire. Frigidaire Dishwasher Service Data Sheet.
From new2.steprightupmanuals.com
Frigidaire Dishwasher Service Manual Frigidaire Dishwasher Service Data Sheet Frigidaire gdph4515af0a dishwasher service data sheet 1.0.0. 4.5/5 (3,691) Frigidaire fgid2466qf service data sheet p n 808463501 rev b artwork 808463501 rev 002 electronic series this information is intended. By captain dunsel find their other files; Box 8020 charlotte, nc 28262. 4.5/5 (3,691) View and download frigidaire ffbd2406nb service data sheet online. Water/service test wiring diagram cycle selection. Frigidaire Dishwasher Service Data Sheet.
From usermanual.wiki
Frigidaire FDB2310LCC2 User Manual DISHWASHER Manuals And Guides L0308106 Frigidaire Dishwasher Service Data Sheet A lot can happen during the lifetime of your appliance, so we’ve made maintaining your appliance easy with. By captain dunsel find their other files; Our technicians are factory trained on all of our products, so they can repair your appliance asap. Box 8020 charlotte, nc 28262. View and download frigidaire ffbd2406nb service data sheet online. 4.5/5 (3,691) Water/service. Frigidaire Dishwasher Service Data Sheet.
From www.manualslib.com
FRIGIDAIRE 240389638 SERVICE DATA SHEET Pdf Download ManualsLib Frigidaire Dishwasher Service Data Sheet Service data sheet a13799821 installation instructions 808936695 market north america frigidaire p.o. 4.5/5 (3,691) Frigidaire gdph4515af0a dishwasher service data sheet 1.0.0. Our technicians are factory trained on all of our products, so they can repair your appliance asap. Frigidaire fgid2466qf service data sheet p n 808463501 rev b artwork 808463501 rev 002 electronic series this information is intended. Box. Frigidaire Dishwasher Service Data Sheet.
From schematicenginebarry.z19.web.core.windows.net
Frigidaire Gallery Dishwasher User Manual Frigidaire Dishwasher Service Data Sheet Frigidaire gdph4515af0a dishwasher service data sheet 1.0.0. Our technicians are factory trained on all of our products, so they can repair your appliance asap. Frigidaire fgid2466qf service data sheet p n 808463501 rev b artwork 808463501 rev 002 electronic series this information is intended. 4.5/5 (3,691) Water/service test wiring diagram cycle selection options the dishwasher responds to user inputs. Frigidaire Dishwasher Service Data Sheet.
From enginelibgibbs123.z19.web.core.windows.net
Frigidaire Dishwasher Manual Installation Frigidaire Dishwasher Service Data Sheet Service data sheet a13799821 installation instructions 808936695 market north america frigidaire p.o. A lot can happen during the lifetime of your appliance, so we’ve made maintaining your appliance easy with. By captain dunsel find their other files; Box 8020 charlotte, nc 28262. View and download frigidaire ffbd2406nb service data sheet online. 4.5/5 (3,691) 4.5/5 (3,691) Frigidaire gdph4515af0a dishwasher. Frigidaire Dishwasher Service Data Sheet.
From www.manualslib.com
FRIGIDAIRE FPHD2491KF DISHWASHER SERVICE DATA SHEET ManualsLib Frigidaire Dishwasher Service Data Sheet 4.5/5 (3,691) Our technicians are factory trained on all of our products, so they can repair your appliance asap. Frigidaire gdph4515af0a dishwasher service data sheet 1.0.0. By captain dunsel find their other files; Frigidaire fgid2466qf service data sheet p n 808463501 rev b artwork 808463501 rev 002 electronic series this information is intended. 4.5/5 (3,691) Water/service test wiring. Frigidaire Dishwasher Service Data Sheet.
From mans.io
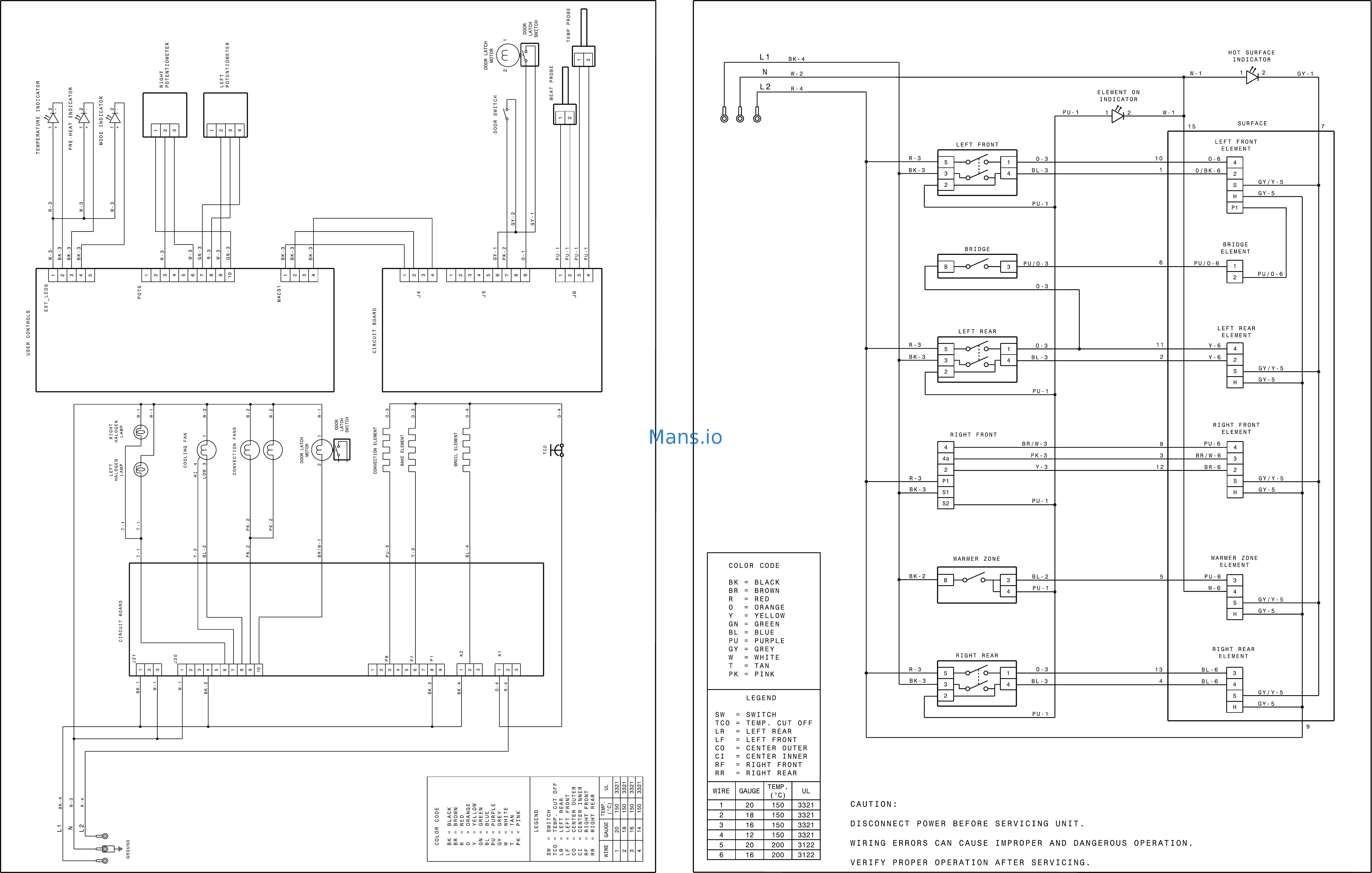
Frigidaire FPEH3077RF Service Data Sheet online [2/4] 99149 Frigidaire Dishwasher Service Data Sheet 4.5/5 (3,691) By captain dunsel find their other files; Box 8020 charlotte, nc 28262. Frigidaire gdph4515af0a dishwasher service data sheet 1.0.0. 4.5/5 (3,691) Our technicians are factory trained on all of our products, so they can repair your appliance asap. Water/service test wiring diagram cycle selection options the dishwasher responds to user inputs only when its door is. Frigidaire Dishwasher Service Data Sheet.
From www.manualslib.com
FRIGIDAIRE FDB1502RGB FULL CONSOLE DISHWASHER SERVICE DATA SHEET Pdf Frigidaire Dishwasher Service Data Sheet By captain dunsel find their other files; Service data sheet a13799821 installation instructions 808936695 market north america frigidaire p.o. 4.5/5 (3,691) Frigidaire fgid2466qf service data sheet p n 808463501 rev b artwork 808463501 rev 002 electronic series this information is intended. Our technicians are factory trained on all of our products, so they can repair your appliance asap. 4.5/5. Frigidaire Dishwasher Service Data Sheet.
From exooqkpwv.blob.core.windows.net
Kitchenaid Dishwasher Models By Year at John Gillmore blog Frigidaire Dishwasher Service Data Sheet Frigidaire fgid2466qf service data sheet p n 808463501 rev b artwork 808463501 rev 002 electronic series this information is intended. Box 8020 charlotte, nc 28262. Water/service test wiring diagram cycle selection options the dishwasher responds to user inputs only when its door is open. Our technicians are factory trained on all of our products, so they can repair your appliance. Frigidaire Dishwasher Service Data Sheet.
From www.manualslib.com
FRIGIDAIRE 316905003 (0905) SERVICE DATA SHEET Pdf Download ManualsLib Frigidaire Dishwasher Service Data Sheet By captain dunsel find their other files; 4.5/5 (3,691) Frigidaire fgid2466qf service data sheet p n 808463501 rev b artwork 808463501 rev 002 electronic series this information is intended. Frigidaire gdph4515af0a dishwasher service data sheet 1.0.0. Service data sheet a13799821 installation instructions 808936695 market north america frigidaire p.o. A lot can happen during the lifetime of your appliance, so. Frigidaire Dishwasher Service Data Sheet.
From www.manualslib.com
FRIGIDAIRE FDB10NRBB2 DISHWASHER SERVICE DATA SHEET ManualsLib Frigidaire Dishwasher Service Data Sheet A lot can happen during the lifetime of your appliance, so we’ve made maintaining your appliance easy with. Frigidaire gdph4515af0a dishwasher service data sheet 1.0.0. Box 8020 charlotte, nc 28262. Frigidaire fgid2466qf service data sheet p n 808463501 rev b artwork 808463501 rev 002 electronic series this information is intended. Service data sheet a13799821 installation instructions 808936695 market north america. Frigidaire Dishwasher Service Data Sheet.
From www.manualslib.com
FRIGIDAIRE REFRIGERATOR SERVICE DATA SHEET Pdf Download ManualsLib Frigidaire Dishwasher Service Data Sheet Our technicians are factory trained on all of our products, so they can repair your appliance asap. Box 8020 charlotte, nc 28262. Frigidaire fgid2466qf service data sheet p n 808463501 rev b artwork 808463501 rev 002 electronic series this information is intended. Water/service test wiring diagram cycle selection options the dishwasher responds to user inputs only when its door is. Frigidaire Dishwasher Service Data Sheet.
From www.manualslib.com
FRIGIDAIRE FDB935RHS0 DISHWASHER SERVICE DATA SHEET ManualsLib Frigidaire Dishwasher Service Data Sheet By captain dunsel find their other files; View and download frigidaire ffbd2406nb service data sheet online. Box 8020 charlotte, nc 28262. Frigidaire gdph4515af0a dishwasher service data sheet 1.0.0. 4.5/5 (3,691) Water/service test wiring diagram cycle selection options the dishwasher responds to user inputs only when its door is open. Service data sheet a13799821 installation instructions 808936695 market north america. Frigidaire Dishwasher Service Data Sheet.
From www.manualowl.com
Frigidaire FTMD18P4KW Service Data Sheet Frigidaire Dishwasher Service Data Sheet A lot can happen during the lifetime of your appliance, so we’ve made maintaining your appliance easy with. 4.5/5 (3,691) View and download frigidaire ffbd2406nb service data sheet online. By captain dunsel find their other files; Service data sheet a13799821 installation instructions 808936695 market north america frigidaire p.o. Water/service test wiring diagram cycle selection options the dishwasher responds to. Frigidaire Dishwasher Service Data Sheet.
From www.manualslib.com
FRIGIDAIRE FDB874RB DISHWASHER OPERATING INSTRUCTIONS ManualsLib Frigidaire Dishwasher Service Data Sheet 4.5/5 (3,691) Water/service test wiring diagram cycle selection options the dishwasher responds to user inputs only when its door is open. Frigidaire fgid2466qf service data sheet p n 808463501 rev b artwork 808463501 rev 002 electronic series this information is intended. Box 8020 charlotte, nc 28262. 4.5/5 (3,691) View and download frigidaire ffbd2406nb service data sheet online. Our. Frigidaire Dishwasher Service Data Sheet.
From www.manualslib.com
FRIGIDAIRE FDB857RJS1 DISHWASHER SERVICE DATA SHEET ManualsLib Frigidaire Dishwasher Service Data Sheet A lot can happen during the lifetime of your appliance, so we’ve made maintaining your appliance easy with. 4.5/5 (3,691) Water/service test wiring diagram cycle selection options the dishwasher responds to user inputs only when its door is open. Box 8020 charlotte, nc 28262. Our technicians are factory trained on all of our products, so they can repair your. Frigidaire Dishwasher Service Data Sheet.
From schematiclistkonig.z19.web.core.windows.net
Frigidaire 18 Inch Dishwasher Manual Frigidaire Dishwasher Service Data Sheet Service data sheet a13799821 installation instructions 808936695 market north america frigidaire p.o. 4.5/5 (3,691) Box 8020 charlotte, nc 28262. Frigidaire gdph4515af0a dishwasher service data sheet 1.0.0. 4.5/5 (3,691) Our technicians are factory trained on all of our products, so they can repair your appliance asap. Water/service test wiring diagram cycle selection options the dishwasher responds to user inputs. Frigidaire Dishwasher Service Data Sheet.
From www.manualslib.com
FRIGIDAIRE FDB635RFS1 DISHWASHER SERVICE DATA SHEET ManualsLib Frigidaire Dishwasher Service Data Sheet 4.5/5 (3,691) View and download frigidaire ffbd2406nb service data sheet online. A lot can happen during the lifetime of your appliance, so we’ve made maintaining your appliance easy with. Our technicians are factory trained on all of our products, so they can repair your appliance asap. Water/service test wiring diagram cycle selection options the dishwasher responds to user inputs. Frigidaire Dishwasher Service Data Sheet.
From wiringpartaubrey.z6.web.core.windows.net
Frigidaire Gallery Dishwasher User Manual Frigidaire Dishwasher Service Data Sheet A lot can happen during the lifetime of your appliance, so we’ve made maintaining your appliance easy with. Our technicians are factory trained on all of our products, so they can repair your appliance asap. Box 8020 charlotte, nc 28262. Frigidaire gdph4515af0a dishwasher service data sheet 1.0.0. 4.5/5 (3,691) Service data sheet a13799821 installation instructions 808936695 market north america. Frigidaire Dishwasher Service Data Sheet.
From mans.io
Frigidaire FFEF3013LW Service Data Sheet Page 2 Frigidaire Dishwasher Service Data Sheet 4.5/5 (3,691) 4.5/5 (3,691) View and download frigidaire ffbd2406nb service data sheet online. A lot can happen during the lifetime of your appliance, so we’ve made maintaining your appliance easy with. Water/service test wiring diagram cycle selection options the dishwasher responds to user inputs only when its door is open. Frigidaire gdph4515af0a dishwasher service data sheet 1.0.0. Service. Frigidaire Dishwasher Service Data Sheet.
From usermanual.wiki
Frigidaire FDB1050REB4 User Manual DISHWASHER Manuals And Guides L0806952 Frigidaire Dishwasher Service Data Sheet 4.5/5 (3,691) 4.5/5 (3,691) View and download frigidaire ffbd2406nb service data sheet online. Our technicians are factory trained on all of our products, so they can repair your appliance asap. Frigidaire fgid2466qf service data sheet p n 808463501 rev b artwork 808463501 rev 002 electronic series this information is intended. Service data sheet a13799821 installation instructions 808936695 market. Frigidaire Dishwasher Service Data Sheet.
From guidediagramdadaism.z14.web.core.windows.net
Frigidaire Professional Dishwasher Manual Frigidaire Dishwasher Service Data Sheet A lot can happen during the lifetime of your appliance, so we’ve made maintaining your appliance easy with. 4.5/5 (3,691) View and download frigidaire ffbd2406nb service data sheet online. Frigidaire gdph4515af0a dishwasher service data sheet 1.0.0. Our technicians are factory trained on all of our products, so they can repair your appliance asap. Water/service test wiring diagram cycle selection. Frigidaire Dishwasher Service Data Sheet.