How Does Yamaha Oil Injection Work . if you want to know if the oil injection works you will need to mix oil in gas and mark oil level in tank and keep an. Discover essential tips to optimize. the yamaha oil injection system is completely mechanical, and it's very reliable. explore the importance of engine oil and lube maintenance for your yamaha outboard. tim, owner of outboard exchange in waterford, ct, explains the best way to test your oil injection system on. learn more about your boats systems by joining the born again boating. the oil lines going from oil pump to intake manifold should never be out of oil. If you ever have any. View our yamaha outboard oil change maintenance guide for. Put oil in gas tank, 50:1 premix until. These setups are used on.
from fishingtrain.com
learn more about your boats systems by joining the born again boating. These setups are used on. Put oil in gas tank, 50:1 premix until. explore the importance of engine oil and lube maintenance for your yamaha outboard. the oil lines going from oil pump to intake manifold should never be out of oil. View our yamaha outboard oil change maintenance guide for. if you want to know if the oil injection works you will need to mix oil in gas and mark oil level in tank and keep an. Discover essential tips to optimize. tim, owner of outboard exchange in waterford, ct, explains the best way to test your oil injection system on. If you ever have any.
How to Tell If Oil Injection is Working on Outboard Diagnosis Steps
How Does Yamaha Oil Injection Work If you ever have any. View our yamaha outboard oil change maintenance guide for. the oil lines going from oil pump to intake manifold should never be out of oil. Put oil in gas tank, 50:1 premix until. Discover essential tips to optimize. tim, owner of outboard exchange in waterford, ct, explains the best way to test your oil injection system on. explore the importance of engine oil and lube maintenance for your yamaha outboard. learn more about your boats systems by joining the born again boating. These setups are used on. the yamaha oil injection system is completely mechanical, and it's very reliable. If you ever have any. if you want to know if the oil injection works you will need to mix oil in gas and mark oil level in tank and keep an.
From www.thehulltruth.com
Oil injection link joint adjustment on 1998 90hp Yamaha 2 stroke The How Does Yamaha Oil Injection Work Discover essential tips to optimize. explore the importance of engine oil and lube maintenance for your yamaha outboard. These setups are used on. If you ever have any. View our yamaha outboard oil change maintenance guide for. the yamaha oil injection system is completely mechanical, and it's very reliable. the oil lines going from oil pump to. How Does Yamaha Oil Injection Work.
From www.youtube.com
Yamaha Enduro oil injector YouTube How Does Yamaha Oil Injection Work If you ever have any. the yamaha oil injection system is completely mechanical, and it's very reliable. if you want to know if the oil injection works you will need to mix oil in gas and mark oil level in tank and keep an. Put oil in gas tank, 50:1 premix until. Discover essential tips to optimize. . How Does Yamaha Oil Injection Work.
From www.2strokeworld.net
'How To' Yamaha oil pump testing How Does Yamaha Oil Injection Work These setups are used on. the yamaha oil injection system is completely mechanical, and it's very reliable. explore the importance of engine oil and lube maintenance for your yamaha outboard. if you want to know if the oil injection works you will need to mix oil in gas and mark oil level in tank and keep an.. How Does Yamaha Oil Injection Work.
From www.thehulltruth.com
Yamaha 70 Oil Injection Question The Hull Truth Boating and Fishing How Does Yamaha Oil Injection Work tim, owner of outboard exchange in waterford, ct, explains the best way to test your oil injection system on. learn more about your boats systems by joining the born again boating. These setups are used on. If you ever have any. the yamaha oil injection system is completely mechanical, and it's very reliable. explore the importance. How Does Yamaha Oil Injection Work.
From www.youtube.com
Why you should verify your Oil Injection System on a "new to you" 2 How Does Yamaha Oil Injection Work These setups are used on. the yamaha oil injection system is completely mechanical, and it's very reliable. the oil lines going from oil pump to intake manifold should never be out of oil. learn more about your boats systems by joining the born again boating. explore the importance of engine oil and lube maintenance for your. How Does Yamaha Oil Injection Work.
From www.youtube.com
How to bleed a older Yamaha oil injection system. YouTube How Does Yamaha Oil Injection Work These setups are used on. explore the importance of engine oil and lube maintenance for your yamaha outboard. If you ever have any. tim, owner of outboard exchange in waterford, ct, explains the best way to test your oil injection system on. if you want to know if the oil injection works you will need to mix. How Does Yamaha Oil Injection Work.
From www.youtube.com
Yamaha Golf Cart Oil Pump Replacment YouTube How Does Yamaha Oil Injection Work Discover essential tips to optimize. View our yamaha outboard oil change maintenance guide for. Put oil in gas tank, 50:1 premix until. the oil lines going from oil pump to intake manifold should never be out of oil. These setups are used on. explore the importance of engine oil and lube maintenance for your yamaha outboard. tim,. How Does Yamaha Oil Injection Work.
From www.youtube.com
Yamaha fzs v2 rear brake fluid change Yamaha fzs brake fluid price How Does Yamaha Oil Injection Work View our yamaha outboard oil change maintenance guide for. Discover essential tips to optimize. learn more about your boats systems by joining the born again boating. tim, owner of outboard exchange in waterford, ct, explains the best way to test your oil injection system on. If you ever have any. explore the importance of engine oil and. How Does Yamaha Oil Injection Work.
From www.youtube.com
Removing Injectors from Yamaha Outboard Engine YouTube How Does Yamaha Oil Injection Work View our yamaha outboard oil change maintenance guide for. explore the importance of engine oil and lube maintenance for your yamaha outboard. tim, owner of outboard exchange in waterford, ct, explains the best way to test your oil injection system on. the oil lines going from oil pump to intake manifold should never be out of oil.. How Does Yamaha Oil Injection Work.
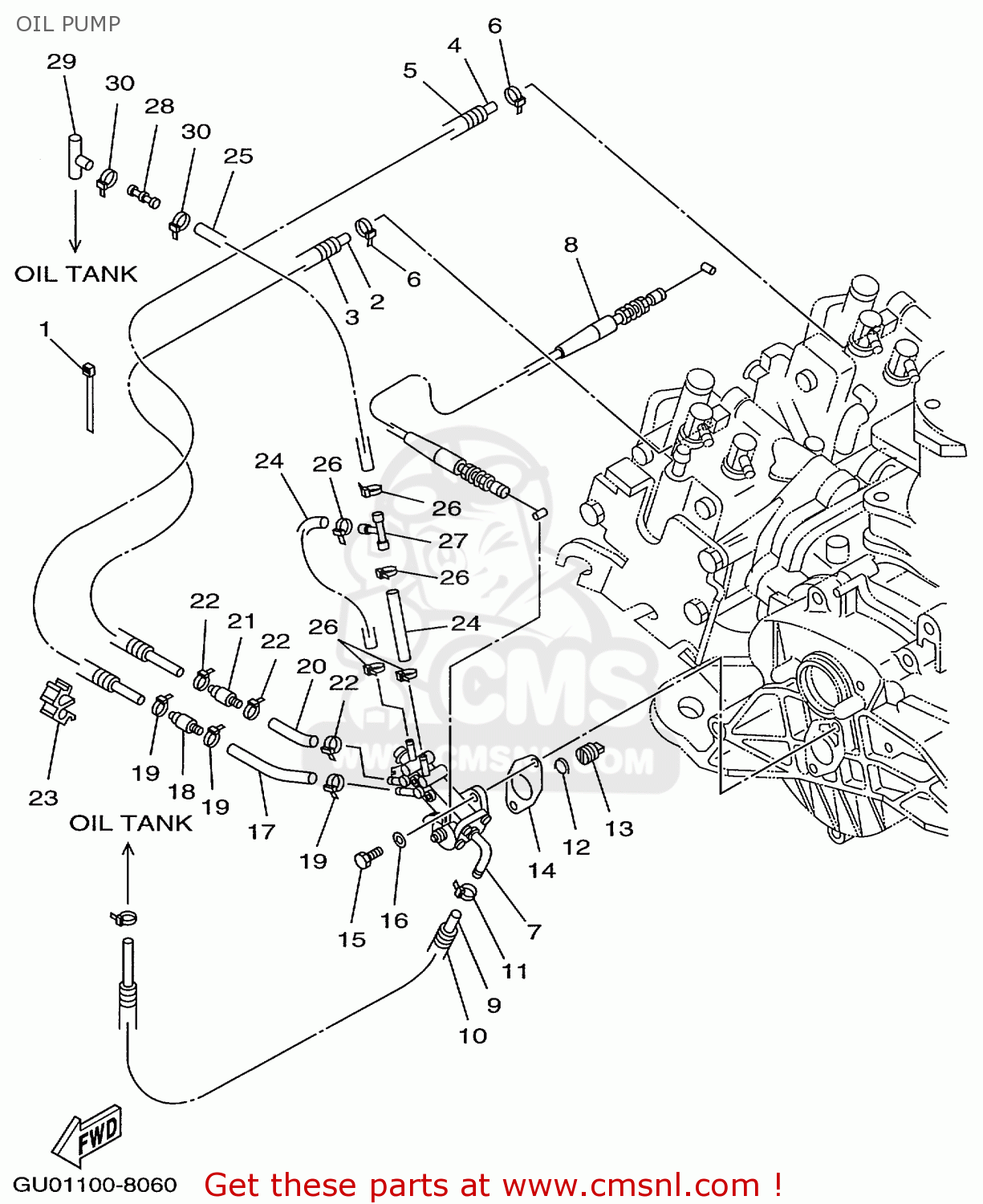
From www.cmsnl.com
66E1320000 Oil Injection Pump Yamaha buy the 66E1320000 at CMSNL How Does Yamaha Oil Injection Work These setups are used on. Put oil in gas tank, 50:1 premix until. tim, owner of outboard exchange in waterford, ct, explains the best way to test your oil injection system on. the yamaha oil injection system is completely mechanical, and it's very reliable. learn more about your boats systems by joining the born again boating. . How Does Yamaha Oil Injection Work.
From www.thejunkmanadv.com
2 stroke oil injection The Junk Man's Adventures How Does Yamaha Oil Injection Work learn more about your boats systems by joining the born again boating. Discover essential tips to optimize. the yamaha oil injection system is completely mechanical, and it's very reliable. View our yamaha outboard oil change maintenance guide for. Put oil in gas tank, 50:1 premix until. These setups are used on. if you want to know if. How Does Yamaha Oil Injection Work.
From www.youtube.com
How Oil Injection Works YouTube How Does Yamaha Oil Injection Work learn more about your boats systems by joining the born again boating. These setups are used on. the oil lines going from oil pump to intake manifold should never be out of oil. if you want to know if the oil injection works you will need to mix oil in gas and mark oil level in tank. How Does Yamaha Oil Injection Work.
From www.youtube.com
How to adjust oil injector pump on PW50 YouTube How Does Yamaha Oil Injection Work learn more about your boats systems by joining the born again boating. If you ever have any. Put oil in gas tank, 50:1 premix until. the yamaha oil injection system is completely mechanical, and it's very reliable. explore the importance of engine oil and lube maintenance for your yamaha outboard. These setups are used on. View our. How Does Yamaha Oil Injection Work.
From gobdp.com
Does Fuel Injector Cleaner Work? BlueDevil Products How Does Yamaha Oil Injection Work These setups are used on. learn more about your boats systems by joining the born again boating. the oil lines going from oil pump to intake manifold should never be out of oil. View our yamaha outboard oil change maintenance guide for. Put oil in gas tank, 50:1 premix until. Discover essential tips to optimize. tim, owner. How Does Yamaha Oil Injection Work.
From www.thumpertalk.com
PW80 Oil Injector Removal Yamaha 2Stroke ThumperTalk How Does Yamaha Oil Injection Work learn more about your boats systems by joining the born again boating. if you want to know if the oil injection works you will need to mix oil in gas and mark oil level in tank and keep an. View our yamaha outboard oil change maintenance guide for. tim, owner of outboard exchange in waterford, ct, explains. How Does Yamaha Oil Injection Work.
From www.youtube.com
How to service 2 Stroke Oil Injection System How to prime oil injection How Does Yamaha Oil Injection Work Put oil in gas tank, 50:1 premix until. the yamaha oil injection system is completely mechanical, and it's very reliable. If you ever have any. explore the importance of engine oil and lube maintenance for your yamaha outboard. View our yamaha outboard oil change maintenance guide for. tim, owner of outboard exchange in waterford, ct, explains the. How Does Yamaha Oil Injection Work.
From www.thehulltruth.com
Yamaha 115 Saltwater oil injection delete info needed The Hull Truth How Does Yamaha Oil Injection Work the oil lines going from oil pump to intake manifold should never be out of oil. These setups are used on. the yamaha oil injection system is completely mechanical, and it's very reliable. View our yamaha outboard oil change maintenance guide for. If you ever have any. Put oil in gas tank, 50:1 premix until. learn more. How Does Yamaha Oil Injection Work.
From www.howacarworks.com
How a fuel injection system works How a Car Works How Does Yamaha Oil Injection Work if you want to know if the oil injection works you will need to mix oil in gas and mark oil level in tank and keep an. the oil lines going from oil pump to intake manifold should never be out of oil. tim, owner of outboard exchange in waterford, ct, explains the best way to test. How Does Yamaha Oil Injection Work.
From www.youtube.com
Yamaha 2 Stroke Oil Pump Replacement DIY YouTube How Does Yamaha Oil Injection Work tim, owner of outboard exchange in waterford, ct, explains the best way to test your oil injection system on. if you want to know if the oil injection works you will need to mix oil in gas and mark oil level in tank and keep an. the yamaha oil injection system is completely mechanical, and it's very. How Does Yamaha Oil Injection Work.
From www.thejunkmanadv.com
2 stroke oil injection The Junk Man's Adventures How Does Yamaha Oil Injection Work if you want to know if the oil injection works you will need to mix oil in gas and mark oil level in tank and keep an. These setups are used on. Discover essential tips to optimize. If you ever have any. the yamaha oil injection system is completely mechanical, and it's very reliable. View our yamaha outboard. How Does Yamaha Oil Injection Work.
From www.dieselo.com
How Does An HEUI Pump Work? DIESELO How Does Yamaha Oil Injection Work If you ever have any. Discover essential tips to optimize. These setups are used on. the oil lines going from oil pump to intake manifold should never be out of oil. if you want to know if the oil injection works you will need to mix oil in gas and mark oil level in tank and keep an.. How Does Yamaha Oil Injection Work.
From www.youtube.com
Yamaha Autolube Oil Pump stroke adjustment and verification. YouTube How Does Yamaha Oil Injection Work These setups are used on. Discover essential tips to optimize. tim, owner of outboard exchange in waterford, ct, explains the best way to test your oil injection system on. if you want to know if the oil injection works you will need to mix oil in gas and mark oil level in tank and keep an. If you. How Does Yamaha Oil Injection Work.
From www.thehulltruth.com
Yamaha 70 Oil Injection Question The Hull Truth Boating and Fishing How Does Yamaha Oil Injection Work If you ever have any. the oil lines going from oil pump to intake manifold should never be out of oil. View our yamaha outboard oil change maintenance guide for. the yamaha oil injection system is completely mechanical, and it's very reliable. Put oil in gas tank, 50:1 premix until. explore the importance of engine oil and. How Does Yamaha Oil Injection Work.
From www.thehulltruth.com
Yamaha oil injection problem. The Hull Truth Boating and Fishing Forum How Does Yamaha Oil Injection Work Put oil in gas tank, 50:1 premix until. explore the importance of engine oil and lube maintenance for your yamaha outboard. View our yamaha outboard oil change maintenance guide for. the yamaha oil injection system is completely mechanical, and it's very reliable. the oil lines going from oil pump to intake manifold should never be out of. How Does Yamaha Oil Injection Work.
From fishingtrain.com
How to Tell If Oil Injection is Working on Outboard Diagnosis Steps How Does Yamaha Oil Injection Work if you want to know if the oil injection works you will need to mix oil in gas and mark oil level in tank and keep an. Discover essential tips to optimize. the yamaha oil injection system is completely mechanical, and it's very reliable. View our yamaha outboard oil change maintenance guide for. Put oil in gas tank,. How Does Yamaha Oil Injection Work.
From hvccycle.net
Yamaha Oil Injection pump How Does Yamaha Oil Injection Work These setups are used on. Discover essential tips to optimize. the oil lines going from oil pump to intake manifold should never be out of oil. if you want to know if the oil injection works you will need to mix oil in gas and mark oil level in tank and keep an. tim, owner of outboard. How Does Yamaha Oil Injection Work.
From www.youtube.com
The BEST Way to Test Your Yamaha Oil Injection System YouTube How Does Yamaha Oil Injection Work If you ever have any. learn more about your boats systems by joining the born again boating. Put oil in gas tank, 50:1 premix until. if you want to know if the oil injection works you will need to mix oil in gas and mark oil level in tank and keep an. explore the importance of engine. How Does Yamaha Oil Injection Work.
From www.youtube.com
Yamaha Blaster Oil Pump Gear Removal YouTube How Does Yamaha Oil Injection Work These setups are used on. the oil lines going from oil pump to intake manifold should never be out of oil. if you want to know if the oil injection works you will need to mix oil in gas and mark oil level in tank and keep an. tim, owner of outboard exchange in waterford, ct, explains. How Does Yamaha Oil Injection Work.
From www.jetdrift.com
How Does Oil Injection Work on a Jet Ski? [Explained] How Does Yamaha Oil Injection Work If you ever have any. the yamaha oil injection system is completely mechanical, and it's very reliable. tim, owner of outboard exchange in waterford, ct, explains the best way to test your oil injection system on. Discover essential tips to optimize. Put oil in gas tank, 50:1 premix until. explore the importance of engine oil and lube. How Does Yamaha Oil Injection Work.
From www.youtube.com
Yamaha Motor TechTipFriday How to change oil and oil filter YouTube How Does Yamaha Oil Injection Work explore the importance of engine oil and lube maintenance for your yamaha outboard. the oil lines going from oil pump to intake manifold should never be out of oil. the yamaha oil injection system is completely mechanical, and it's very reliable. These setups are used on. if you want to know if the oil injection works. How Does Yamaha Oil Injection Work.
From mechanics.stackexchange.com
Leaking fuel injector Motor Vehicle Maintenance & Repair Stack Exchange How Does Yamaha Oil Injection Work Put oil in gas tank, 50:1 premix until. tim, owner of outboard exchange in waterford, ct, explains the best way to test your oil injection system on. if you want to know if the oil injection works you will need to mix oil in gas and mark oil level in tank and keep an. explore the importance. How Does Yamaha Oil Injection Work.
From www.youtube.com
How To Disable/Bypass A 2 Stroke OutBoard Oil Injection System YouTube How Does Yamaha Oil Injection Work These setups are used on. the yamaha oil injection system is completely mechanical, and it's very reliable. Discover essential tips to optimize. learn more about your boats systems by joining the born again boating. View our yamaha outboard oil change maintenance guide for. Put oil in gas tank, 50:1 premix until. if you want to know if. How Does Yamaha Oil Injection Work.
From www.youtube.com
Yamaha Autolube 2T Oil Pump Servicing YouTube How Does Yamaha Oil Injection Work View our yamaha outboard oil change maintenance guide for. explore the importance of engine oil and lube maintenance for your yamaha outboard. the yamaha oil injection system is completely mechanical, and it's very reliable. if you want to know if the oil injection works you will need to mix oil in gas and mark oil level in. How Does Yamaha Oil Injection Work.
From www.thumpertalk.com
Help! Removing pw 80 oil injection Yamaha 2 Stroke ThumperTalk How Does Yamaha Oil Injection Work the oil lines going from oil pump to intake manifold should never be out of oil. Discover essential tips to optimize. These setups are used on. learn more about your boats systems by joining the born again boating. if you want to know if the oil injection works you will need to mix oil in gas and. How Does Yamaha Oil Injection Work.
From www.thumpertalk.com
Ke100 oil injection Kawasaki 2Stroke ThumperTalk How Does Yamaha Oil Injection Work tim, owner of outboard exchange in waterford, ct, explains the best way to test your oil injection system on. Discover essential tips to optimize. These setups are used on. learn more about your boats systems by joining the born again boating. Put oil in gas tank, 50:1 premix until. the yamaha oil injection system is completely mechanical,. How Does Yamaha Oil Injection Work.