Ignition System Summary . Then we'll look at all of the components. your vehicle’s ignition system is responsible for starting its engine. It consists of several parts that work harmoniously to ensure. Essential parts include spark plugs, coils, and the switch. In a spark ignition versions of the. It takes the dormant mixture of fuel. at its core, the ignition system is the catalyst that initiates the combustion process within the engine. the purpose of the ignition system is to generate a very high volt age from the car's 12 volt battery, and to send this to each sparkplug in. in this article, we'll learn about ignition systems, starting with spark timing.
from ttec-4848sensorsbytung.blogspot.com
It takes the dormant mixture of fuel. your vehicle’s ignition system is responsible for starting its engine. Essential parts include spark plugs, coils, and the switch. at its core, the ignition system is the catalyst that initiates the combustion process within the engine. It consists of several parts that work harmoniously to ensure. Then we'll look at all of the components. in this article, we'll learn about ignition systems, starting with spark timing. In a spark ignition versions of the. the purpose of the ignition system is to generate a very high volt age from the car's 12 volt battery, and to send this to each sparkplug in.
TTEC4848 Sensors by Tung All about the ignition system part 1
Ignition System Summary In a spark ignition versions of the. your vehicle’s ignition system is responsible for starting its engine. the purpose of the ignition system is to generate a very high volt age from the car's 12 volt battery, and to send this to each sparkplug in. It takes the dormant mixture of fuel. In a spark ignition versions of the. at its core, the ignition system is the catalyst that initiates the combustion process within the engine. It consists of several parts that work harmoniously to ensure. Then we'll look at all of the components. Essential parts include spark plugs, coils, and the switch. in this article, we'll learn about ignition systems, starting with spark timing.
From workshop-manuals.com
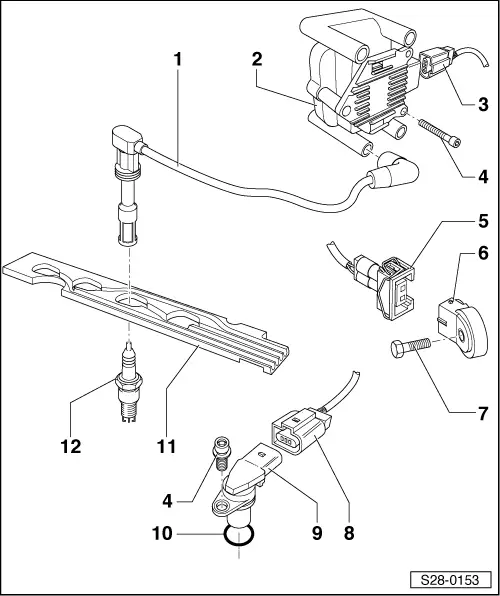
Skoda Service and Repair Manuals > Octavia Mk1 > Power unit Ignition System Summary at its core, the ignition system is the catalyst that initiates the combustion process within the engine. It consists of several parts that work harmoniously to ensure. In a spark ignition versions of the. the purpose of the ignition system is to generate a very high volt age from the car's 12 volt battery, and to send this. Ignition System Summary.
From wiringdiagram.2bitboer.com
Breaker Point Ignition Wiring Diagram Wiring Diagram Ignition System Summary It consists of several parts that work harmoniously to ensure. the purpose of the ignition system is to generate a very high volt age from the car's 12 volt battery, and to send this to each sparkplug in. in this article, we'll learn about ignition systems, starting with spark timing. Essential parts include spark plugs, coils, and the. Ignition System Summary.
From www.youtube.com
Ignition System Design And Working Explained YouTube Ignition System Summary In a spark ignition versions of the. Then we'll look at all of the components. It takes the dormant mixture of fuel. the purpose of the ignition system is to generate a very high volt age from the car's 12 volt battery, and to send this to each sparkplug in. your vehicle’s ignition system is responsible for starting. Ignition System Summary.
From userdiagramjunker.z19.web.core.windows.net
Electronic Ignition System Diagram Ignition System Summary Essential parts include spark plugs, coils, and the switch. In a spark ignition versions of the. your vehicle’s ignition system is responsible for starting its engine. It consists of several parts that work harmoniously to ensure. in this article, we'll learn about ignition systems, starting with spark timing. It takes the dormant mixture of fuel. the purpose. Ignition System Summary.
From workshop-manuals.com
Skoda Service and Repair Manuals > Fabia Mk1 > Drive unit 1. Ignition System Summary Essential parts include spark plugs, coils, and the switch. Then we'll look at all of the components. It consists of several parts that work harmoniously to ensure. your vehicle’s ignition system is responsible for starting its engine. at its core, the ignition system is the catalyst that initiates the combustion process within the engine. in this article,. Ignition System Summary.
From carfromjapan.com
The 4 Types Of Ignition System And How They Work Ignition System Summary in this article, we'll learn about ignition systems, starting with spark timing. Then we'll look at all of the components. In a spark ignition versions of the. It takes the dormant mixture of fuel. at its core, the ignition system is the catalyst that initiates the combustion process within the engine. your vehicle’s ignition system is responsible. Ignition System Summary.
From www.youtube.com
Ignition Systems Explained YouTube Ignition System Summary It takes the dormant mixture of fuel. in this article, we'll learn about ignition systems, starting with spark timing. In a spark ignition versions of the. the purpose of the ignition system is to generate a very high volt age from the car's 12 volt battery, and to send this to each sparkplug in. Then we'll look at. Ignition System Summary.
From workshop-manuals.com
Skoda Service and Repair Manuals > Octavia Mk2 > Drive unit Ignition System Summary In a spark ignition versions of the. in this article, we'll learn about ignition systems, starting with spark timing. your vehicle’s ignition system is responsible for starting its engine. Essential parts include spark plugs, coils, and the switch. the purpose of the ignition system is to generate a very high volt age from the car's 12 volt. Ignition System Summary.
From isavetractors.com
Understanding Your Battery Ignition System on your Kohler K Series Ignition System Summary in this article, we'll learn about ignition systems, starting with spark timing. In a spark ignition versions of the. Then we'll look at all of the components. your vehicle’s ignition system is responsible for starting its engine. at its core, the ignition system is the catalyst that initiates the combustion process within the engine. It consists of. Ignition System Summary.
From workshop-manuals.com
Skoda Service and Repair Manuals > Octavia Mk2 > Power unit Ignition System Summary in this article, we'll learn about ignition systems, starting with spark timing. Essential parts include spark plugs, coils, and the switch. It takes the dormant mixture of fuel. It consists of several parts that work harmoniously to ensure. Then we'll look at all of the components. the purpose of the ignition system is to generate a very high. Ignition System Summary.
From themechanicalengineering.com
Ignition System Definition, Parts, Working, Advantages Ignition System Summary in this article, we'll learn about ignition systems, starting with spark timing. at its core, the ignition system is the catalyst that initiates the combustion process within the engine. your vehicle’s ignition system is responsible for starting its engine. Essential parts include spark plugs, coils, and the switch. In a spark ignition versions of the. Then we'll. Ignition System Summary.
From workshop-manuals.com
Skoda Service and Repair Manuals > Fabia Mk1 > Power unit 1. Ignition System Summary in this article, we'll learn about ignition systems, starting with spark timing. In a spark ignition versions of the. your vehicle’s ignition system is responsible for starting its engine. Then we'll look at all of the components. at its core, the ignition system is the catalyst that initiates the combustion process within the engine. It takes the. Ignition System Summary.
From www.onallcylinders.com
Guide to Automotive Ignition System Designs Ignition System Summary It consists of several parts that work harmoniously to ensure. your vehicle’s ignition system is responsible for starting its engine. at its core, the ignition system is the catalyst that initiates the combustion process within the engine. Essential parts include spark plugs, coils, and the switch. Then we'll look at all of the components. It takes the dormant. Ignition System Summary.
From workshop-manuals.com
Skoda Service and Repair Manuals > Fabia Mk2 > Power unit 1. Ignition System Summary at its core, the ignition system is the catalyst that initiates the combustion process within the engine. Essential parts include spark plugs, coils, and the switch. It consists of several parts that work harmoniously to ensure. the purpose of the ignition system is to generate a very high volt age from the car's 12 volt battery, and to. Ignition System Summary.
From boilersinfo.com
Understanding the Ignition System in Automobiles Ignition System Summary It consists of several parts that work harmoniously to ensure. at its core, the ignition system is the catalyst that initiates the combustion process within the engine. Then we'll look at all of the components. in this article, we'll learn about ignition systems, starting with spark timing. your vehicle’s ignition system is responsible for starting its engine.. Ignition System Summary.
From en.ppt-online.org
Internal сombustion engine. Ignition systems online presentation Ignition System Summary In a spark ignition versions of the. in this article, we'll learn about ignition systems, starting with spark timing. It takes the dormant mixture of fuel. It consists of several parts that work harmoniously to ensure. Then we'll look at all of the components. Essential parts include spark plugs, coils, and the switch. your vehicle’s ignition system is. Ignition System Summary.
From www.howacarworks.com
Inspecting the ignition system How a Car Works Ignition System Summary It consists of several parts that work harmoniously to ensure. the purpose of the ignition system is to generate a very high volt age from the car's 12 volt battery, and to send this to each sparkplug in. Then we'll look at all of the components. It takes the dormant mixture of fuel. in this article, we'll learn. Ignition System Summary.
From carfromjapan.com
The 4 Types Of Ignition System And How They Work Ignition System Summary in this article, we'll learn about ignition systems, starting with spark timing. Then we'll look at all of the components. Essential parts include spark plugs, coils, and the switch. It takes the dormant mixture of fuel. It consists of several parts that work harmoniously to ensure. at its core, the ignition system is the catalyst that initiates the. Ignition System Summary.
From towtruck.ae
Types of Car Ignition Systems And How It Works? Tow Truck Ignition System Summary the purpose of the ignition system is to generate a very high volt age from the car's 12 volt battery, and to send this to each sparkplug in. In a spark ignition versions of the. at its core, the ignition system is the catalyst that initiates the combustion process within the engine. in this article, we'll learn. Ignition System Summary.
From ttec-4848sensorsbytung.blogspot.com
TTEC4848 Sensors by Tung All about the ignition system part 1 Ignition System Summary It consists of several parts that work harmoniously to ensure. It takes the dormant mixture of fuel. in this article, we'll learn about ignition systems, starting with spark timing. your vehicle’s ignition system is responsible for starting its engine. Essential parts include spark plugs, coils, and the switch. In a spark ignition versions of the. at its. Ignition System Summary.
From www.mech4study.com
Ignition System Archives Mech4study Ignition System Summary your vehicle’s ignition system is responsible for starting its engine. the purpose of the ignition system is to generate a very high volt age from the car's 12 volt battery, and to send this to each sparkplug in. It takes the dormant mixture of fuel. Essential parts include spark plugs, coils, and the switch. at its core,. Ignition System Summary.
From obdstation.com
How Ignition Systems Work OBD Station Ignition System Summary at its core, the ignition system is the catalyst that initiates the combustion process within the engine. the purpose of the ignition system is to generate a very high volt age from the car's 12 volt battery, and to send this to each sparkplug in. It takes the dormant mixture of fuel. In a spark ignition versions of. Ignition System Summary.
From www.racingjunk.com
Which Type of Ignition System Should You Install? RacingJunk News Ignition System Summary It consists of several parts that work harmoniously to ensure. your vehicle’s ignition system is responsible for starting its engine. at its core, the ignition system is the catalyst that initiates the combustion process within the engine. in this article, we'll learn about ignition systems, starting with spark timing. the purpose of the ignition system is. Ignition System Summary.
From towtruck.ae
Types of Car Ignition Systems And How It Works? Tow Truck Ignition System Summary your vehicle’s ignition system is responsible for starting its engine. It takes the dormant mixture of fuel. In a spark ignition versions of the. Then we'll look at all of the components. in this article, we'll learn about ignition systems, starting with spark timing. the purpose of the ignition system is to generate a very high volt. Ignition System Summary.
From carfromjapan.com
The 4 Types Of Ignition System And How They Work CAR FROM JAPAN Ignition System Summary Essential parts include spark plugs, coils, and the switch. It consists of several parts that work harmoniously to ensure. at its core, the ignition system is the catalyst that initiates the combustion process within the engine. the purpose of the ignition system is to generate a very high volt age from the car's 12 volt battery, and to. Ignition System Summary.
From www.howacarworks.com
A typical ignition system Ignition System Summary Essential parts include spark plugs, coils, and the switch. In a spark ignition versions of the. Then we'll look at all of the components. It takes the dormant mixture of fuel. the purpose of the ignition system is to generate a very high volt age from the car's 12 volt battery, and to send this to each sparkplug in.. Ignition System Summary.
From workshop-manuals.com
Skoda Service and Repair Manuals > Fabia Mk1 > Power unit 2 Ignition System Summary It takes the dormant mixture of fuel. your vehicle’s ignition system is responsible for starting its engine. the purpose of the ignition system is to generate a very high volt age from the car's 12 volt battery, and to send this to each sparkplug in. in this article, we'll learn about ignition systems, starting with spark timing.. Ignition System Summary.
From www.howacarworks.com
How the ignition system works How a Car Works Ignition System Summary at its core, the ignition system is the catalyst that initiates the combustion process within the engine. in this article, we'll learn about ignition systems, starting with spark timing. your vehicle’s ignition system is responsible for starting its engine. In a spark ignition versions of the. Then we'll look at all of the components. It takes the. Ignition System Summary.
From discover.hubpages.com
Ignition Systems and How They Work HubPages Ignition System Summary the purpose of the ignition system is to generate a very high volt age from the car's 12 volt battery, and to send this to each sparkplug in. In a spark ignition versions of the. Then we'll look at all of the components. Essential parts include spark plugs, coils, and the switch. It consists of several parts that work. Ignition System Summary.
From stewart-switch.com
Conventional Ignition System Diagram Ignition System Summary Then we'll look at all of the components. your vehicle’s ignition system is responsible for starting its engine. It consists of several parts that work harmoniously to ensure. at its core, the ignition system is the catalyst that initiates the combustion process within the engine. the purpose of the ignition system is to generate a very high. Ignition System Summary.
From www.autozone.com
Repair Guides Electronic Ignition Diagnosis And Testing Ignition System Summary Then we'll look at all of the components. Essential parts include spark plugs, coils, and the switch. the purpose of the ignition system is to generate a very high volt age from the car's 12 volt battery, and to send this to each sparkplug in. your vehicle’s ignition system is responsible for starting its engine. at its. Ignition System Summary.
From circuitdatamoeller.z19.web.core.windows.net
Electronic Ignition System Diagram Ignition System Summary Then we'll look at all of the components. your vehicle’s ignition system is responsible for starting its engine. the purpose of the ignition system is to generate a very high volt age from the car's 12 volt battery, and to send this to each sparkplug in. It consists of several parts that work harmoniously to ensure. In a. Ignition System Summary.
From www.pearltrees.com
Ignition System Diagram Pearltrees Ignition System Summary Then we'll look at all of the components. at its core, the ignition system is the catalyst that initiates the combustion process within the engine. in this article, we'll learn about ignition systems, starting with spark timing. Essential parts include spark plugs, coils, and the switch. your vehicle’s ignition system is responsible for starting its engine. . Ignition System Summary.
From www.electrician-1.com
Types of Ignition System Function, Components, Working, Construction Ignition System Summary your vehicle’s ignition system is responsible for starting its engine. In a spark ignition versions of the. the purpose of the ignition system is to generate a very high volt age from the car's 12 volt battery, and to send this to each sparkplug in. It takes the dormant mixture of fuel. Then we'll look at all of. Ignition System Summary.