Parts Hoover Vacuum Cleaner Parts . Check out all of these excellent genuine hoover and. Vacuum cleaners from hoover featuring the best new home cleaning models, including powerful upright vacuums, easy to use cordless. Check each product page for. Parts for 1456 models of hoover vacuum cleaners. View the page below to find product parts and accessories, support videos, manuals, frequently asked questions and safety data sheets to assist you in using your hoover product. Parts lists and photos available to help find your replacement parts. Shop a wide selection of replacement vacuum filters, belts, bags, batteries, and more for your hoover vacuum. Official parts that fit, repair videos, model diagrams, and the expert advice. Using genuine hoover spare parts will allow you to achieve the maximum cleaning performance your hoover vacuum is capable of achieving.
from www.ebay.co.uk
Shop a wide selection of replacement vacuum filters, belts, bags, batteries, and more for your hoover vacuum. Check out all of these excellent genuine hoover and. Parts for 1456 models of hoover vacuum cleaners. Using genuine hoover spare parts will allow you to achieve the maximum cleaning performance your hoover vacuum is capable of achieving. Official parts that fit, repair videos, model diagrams, and the expert advice. Check each product page for. Parts lists and photos available to help find your replacement parts. View the page below to find product parts and accessories, support videos, manuals, frequently asked questions and safety data sheets to assist you in using your hoover product. Vacuum cleaners from hoover featuring the best new home cleaning models, including powerful upright vacuums, easy to use cordless.
Spare Parts Accessories for HENRY HETTY NUMATIC Vacuum Cleaner Hoover
Parts Hoover Vacuum Cleaner Parts Parts for 1456 models of hoover vacuum cleaners. Check out all of these excellent genuine hoover and. Check each product page for. Vacuum cleaners from hoover featuring the best new home cleaning models, including powerful upright vacuums, easy to use cordless. Official parts that fit, repair videos, model diagrams, and the expert advice. Using genuine hoover spare parts will allow you to achieve the maximum cleaning performance your hoover vacuum is capable of achieving. Parts lists and photos available to help find your replacement parts. Parts for 1456 models of hoover vacuum cleaners. Shop a wide selection of replacement vacuum filters, belts, bags, batteries, and more for your hoover vacuum. View the page below to find product parts and accessories, support videos, manuals, frequently asked questions and safety data sheets to assist you in using your hoover product.
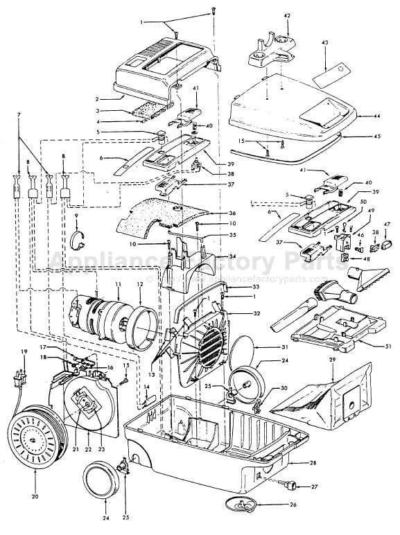
From www.appliancefactoryparts.com
Hoover S3269060 Parts Vacuum Cleaners Parts Hoover Vacuum Cleaner Parts Shop a wide selection of replacement vacuum filters, belts, bags, batteries, and more for your hoover vacuum. View the page below to find product parts and accessories, support videos, manuals, frequently asked questions and safety data sheets to assist you in using your hoover product. Check each product page for. Parts lists and photos available to help find your replacement. Parts Hoover Vacuum Cleaner Parts.
From evacuumstore.com
Hoover Vacuum Cleaner Parts and Accessories Parts Hoover Vacuum Cleaner Parts Official parts that fit, repair videos, model diagrams, and the expert advice. Vacuum cleaners from hoover featuring the best new home cleaning models, including powerful upright vacuums, easy to use cordless. Using genuine hoover spare parts will allow you to achieve the maximum cleaning performance your hoover vacuum is capable of achieving. Shop a wide selection of replacement vacuum filters,. Parts Hoover Vacuum Cleaner Parts.
From reviewmotors.co
Hoover Vacuum Cleaner Parts Reviewmotors.co Parts Hoover Vacuum Cleaner Parts Check each product page for. Vacuum cleaners from hoover featuring the best new home cleaning models, including powerful upright vacuums, easy to use cordless. Check out all of these excellent genuine hoover and. Parts for 1456 models of hoover vacuum cleaners. Parts lists and photos available to help find your replacement parts. View the page below to find product parts. Parts Hoover Vacuum Cleaner Parts.
From www.ereplacementparts.com
Hoover UH70605 Parts List and Diagram Parts Hoover Vacuum Cleaner Parts Using genuine hoover spare parts will allow you to achieve the maximum cleaning performance your hoover vacuum is capable of achieving. Check each product page for. Official parts that fit, repair videos, model diagrams, and the expert advice. Vacuum cleaners from hoover featuring the best new home cleaning models, including powerful upright vacuums, easy to use cordless. Parts for 1456. Parts Hoover Vacuum Cleaner Parts.
From kinsunny.com
Top 9 Hoover Canister Vacuum Parts Life Sunny Parts Hoover Vacuum Cleaner Parts Check each product page for. Parts for 1456 models of hoover vacuum cleaners. Parts lists and photos available to help find your replacement parts. Using genuine hoover spare parts will allow you to achieve the maximum cleaning performance your hoover vacuum is capable of achieving. Vacuum cleaners from hoover featuring the best new home cleaning models, including powerful upright vacuums,. Parts Hoover Vacuum Cleaner Parts.
From www.usavacuum.com
Hoover U5465 WindTunnel Upright Vacuum Cleaner Parts List & Schematic Parts Hoover Vacuum Cleaner Parts Using genuine hoover spare parts will allow you to achieve the maximum cleaning performance your hoover vacuum is capable of achieving. Check out all of these excellent genuine hoover and. Official parts that fit, repair videos, model diagrams, and the expert advice. Parts for 1456 models of hoover vacuum cleaners. Check each product page for. Shop a wide selection of. Parts Hoover Vacuum Cleaner Parts.
From www.appliancefactoryparts.com
Hoover U6617900 Parts Vacuum Cleaners Parts Hoover Vacuum Cleaner Parts View the page below to find product parts and accessories, support videos, manuals, frequently asked questions and safety data sheets to assist you in using your hoover product. Shop a wide selection of replacement vacuum filters, belts, bags, batteries, and more for your hoover vacuum. Parts lists and photos available to help find your replacement parts. Parts for 1456 models. Parts Hoover Vacuum Cleaner Parts.
From glensvacuumparts.com
New Genuine Hoover Steam Vac Hose 440007181, 43491074, 304042002 or Parts Hoover Vacuum Cleaner Parts Shop a wide selection of replacement vacuum filters, belts, bags, batteries, and more for your hoover vacuum. View the page below to find product parts and accessories, support videos, manuals, frequently asked questions and safety data sheets to assist you in using your hoover product. Check out all of these excellent genuine hoover and. Vacuum cleaners from hoover featuring the. Parts Hoover Vacuum Cleaner Parts.
From ebay.co.uk
HOOVER Vacuum Cleaner 32mm FLOOR TOOL BRUSH Spares Parts eBay Parts Hoover Vacuum Cleaner Parts Parts for 1456 models of hoover vacuum cleaners. Check out all of these excellent genuine hoover and. Vacuum cleaners from hoover featuring the best new home cleaning models, including powerful upright vacuums, easy to use cordless. Shop a wide selection of replacement vacuum filters, belts, bags, batteries, and more for your hoover vacuum. Parts lists and photos available to help. Parts Hoover Vacuum Cleaner Parts.
From vacuumpartspukusan.blogspot.com
Vacuum Parts Hoover Vacuum Parts Parts Hoover Vacuum Cleaner Parts Check out all of these excellent genuine hoover and. Official parts that fit, repair videos, model diagrams, and the expert advice. Parts for 1456 models of hoover vacuum cleaners. Parts lists and photos available to help find your replacement parts. Vacuum cleaners from hoover featuring the best new home cleaning models, including powerful upright vacuums, easy to use cordless. Shop. Parts Hoover Vacuum Cleaner Parts.
From www.ebay.co.uk
Premium Numatic Henry Hoover Vacuum Cleaner Hose Pipe & Full Tool Kit 2 Parts Hoover Vacuum Cleaner Parts Parts for 1456 models of hoover vacuum cleaners. View the page below to find product parts and accessories, support videos, manuals, frequently asked questions and safety data sheets to assist you in using your hoover product. Check out all of these excellent genuine hoover and. Parts lists and photos available to help find your replacement parts. Vacuum cleaners from hoover. Parts Hoover Vacuum Cleaner Parts.
From www.ereplacementparts.com
Hoover FH50951 Parts List and Diagram Parts Hoover Vacuum Cleaner Parts Vacuum cleaners from hoover featuring the best new home cleaning models, including powerful upright vacuums, easy to use cordless. Using genuine hoover spare parts will allow you to achieve the maximum cleaning performance your hoover vacuum is capable of achieving. Check each product page for. Parts lists and photos available to help find your replacement parts. Official parts that fit,. Parts Hoover Vacuum Cleaner Parts.
From www.ebay.ca
GENUINE SEBO VACUUM CLEANER HOOVER SPARE PARTS & ACCESSORIES ALL SPARES Parts Hoover Vacuum Cleaner Parts Shop a wide selection of replacement vacuum filters, belts, bags, batteries, and more for your hoover vacuum. Vacuum cleaners from hoover featuring the best new home cleaning models, including powerful upright vacuums, easy to use cordless. View the page below to find product parts and accessories, support videos, manuals, frequently asked questions and safety data sheets to assist you in. Parts Hoover Vacuum Cleaner Parts.
From hanenhuusholli.blogspot.com
Hoover Floormate Parts Diagram Hanenhuusholli Parts Hoover Vacuum Cleaner Parts View the page below to find product parts and accessories, support videos, manuals, frequently asked questions and safety data sheets to assist you in using your hoover product. Check each product page for. Shop a wide selection of replacement vacuum filters, belts, bags, batteries, and more for your hoover vacuum. Using genuine hoover spare parts will allow you to achieve. Parts Hoover Vacuum Cleaner Parts.
From www.usavacuum.com
Hoover U5507 Elite Rewind Upright Vacuum Parts List & Schematic USA Parts Hoover Vacuum Cleaner Parts Using genuine hoover spare parts will allow you to achieve the maximum cleaning performance your hoover vacuum is capable of achieving. Shop a wide selection of replacement vacuum filters, belts, bags, batteries, and more for your hoover vacuum. View the page below to find product parts and accessories, support videos, manuals, frequently asked questions and safety data sheets to assist. Parts Hoover Vacuum Cleaner Parts.
From www.thepartsbiz.com
Hoover Foldaway Replacement Vacuum Cleaner Primary Filter 471089 Parts Hoover Vacuum Cleaner Parts Parts for 1456 models of hoover vacuum cleaners. Parts lists and photos available to help find your replacement parts. Shop a wide selection of replacement vacuum filters, belts, bags, batteries, and more for your hoover vacuum. Using genuine hoover spare parts will allow you to achieve the maximum cleaning performance your hoover vacuum is capable of achieving. View the page. Parts Hoover Vacuum Cleaner Parts.
From vacuumpartspukusan.blogspot.com
Vacuum Parts Hoover Vacuum Parts Parts Hoover Vacuum Cleaner Parts Using genuine hoover spare parts will allow you to achieve the maximum cleaning performance your hoover vacuum is capable of achieving. View the page below to find product parts and accessories, support videos, manuals, frequently asked questions and safety data sheets to assist you in using your hoover product. Check out all of these excellent genuine hoover and. Parts for. Parts Hoover Vacuum Cleaner Parts.
From homeplusexpress.com
Which Is The Best Parts Kit For Hoover Windtunnel Max Bagged Upright Parts Hoover Vacuum Cleaner Parts Shop a wide selection of replacement vacuum filters, belts, bags, batteries, and more for your hoover vacuum. Check each product page for. Using genuine hoover spare parts will allow you to achieve the maximum cleaning performance your hoover vacuum is capable of achieving. Official parts that fit, repair videos, model diagrams, and the expert advice. Check out all of these. Parts Hoover Vacuum Cleaner Parts.
From www.usavacuum.com
Hoover UH70107 WindTunnel TSeries Upright Vacuum Parts USA Vacuum Parts Hoover Vacuum Cleaner Parts Official parts that fit, repair videos, model diagrams, and the expert advice. Check out all of these excellent genuine hoover and. Check each product page for. Shop a wide selection of replacement vacuum filters, belts, bags, batteries, and more for your hoover vacuum. View the page below to find product parts and accessories, support videos, manuals, frequently asked questions and. Parts Hoover Vacuum Cleaner Parts.
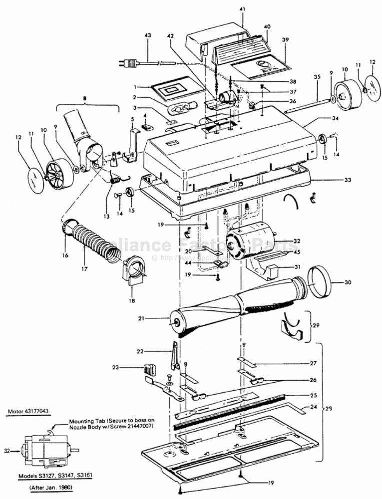
From www.appliancefactoryparts.com
Hoover S3061 Parts Vacuum Cleaners Parts Hoover Vacuum Cleaner Parts Parts for 1456 models of hoover vacuum cleaners. Vacuum cleaners from hoover featuring the best new home cleaning models, including powerful upright vacuums, easy to use cordless. Parts lists and photos available to help find your replacement parts. Check out all of these excellent genuine hoover and. Check each product page for. Using genuine hoover spare parts will allow you. Parts Hoover Vacuum Cleaner Parts.
From www.usavacuum.com
Hoover U5227 Dimension Upright Vacuum Parts USA Vacuum Parts Hoover Vacuum Cleaner Parts Check out all of these excellent genuine hoover and. View the page below to find product parts and accessories, support videos, manuals, frequently asked questions and safety data sheets to assist you in using your hoover product. Official parts that fit, repair videos, model diagrams, and the expert advice. Parts lists and photos available to help find your replacement parts.. Parts Hoover Vacuum Cleaner Parts.
From www.ebay.co.uk
Spare Parts Tool Kit For Numatic Henry Hetty Vacuum Cleaner Hoover Parts Hoover Vacuum Cleaner Parts Official parts that fit, repair videos, model diagrams, and the expert advice. Shop a wide selection of replacement vacuum filters, belts, bags, batteries, and more for your hoover vacuum. Parts for 1456 models of hoover vacuum cleaners. Parts lists and photos available to help find your replacement parts. View the page below to find product parts and accessories, support videos,. Parts Hoover Vacuum Cleaner Parts.
From www.usavacuum.com
Hoover F5810 SteamVac Carpet Cleaner Parts List & Schematic, Hoover Parts Hoover Vacuum Cleaner Parts Check each product page for. View the page below to find product parts and accessories, support videos, manuals, frequently asked questions and safety data sheets to assist you in using your hoover product. Using genuine hoover spare parts will allow you to achieve the maximum cleaning performance your hoover vacuum is capable of achieving. Official parts that fit, repair videos,. Parts Hoover Vacuum Cleaner Parts.
From www.usavacuum.com
Hoover Hoover S3670 WindTunnel Canister Vacuum Parts List & Schematic Parts Hoover Vacuum Cleaner Parts Check out all of these excellent genuine hoover and. Using genuine hoover spare parts will allow you to achieve the maximum cleaning performance your hoover vacuum is capable of achieving. Shop a wide selection of replacement vacuum filters, belts, bags, batteries, and more for your hoover vacuum. Parts for 1456 models of hoover vacuum cleaners. Official parts that fit, repair. Parts Hoover Vacuum Cleaner Parts.
From www.walmart.com
Replacement Part For Hoover UH70210, UH70120, UH30310 Bagless Upright Parts Hoover Vacuum Cleaner Parts View the page below to find product parts and accessories, support videos, manuals, frequently asked questions and safety data sheets to assist you in using your hoover product. Shop a wide selection of replacement vacuum filters, belts, bags, batteries, and more for your hoover vacuum. Parts lists and photos available to help find your replacement parts. Vacuum cleaners from hoover. Parts Hoover Vacuum Cleaner Parts.
From evacuumstore.com
Hoover Windtunnel Upright Vacuum Parts Diagram Parts Hoover Vacuum Cleaner Parts Vacuum cleaners from hoover featuring the best new home cleaning models, including powerful upright vacuums, easy to use cordless. Official parts that fit, repair videos, model diagrams, and the expert advice. Check each product page for. View the page below to find product parts and accessories, support videos, manuals, frequently asked questions and safety data sheets to assist you in. Parts Hoover Vacuum Cleaner Parts.
From hoover.vacuumparts.biz
Hoover Vacuum Parts Uh72630 Vacuumparts Parts Hoover Vacuum Cleaner Parts Parts lists and photos available to help find your replacement parts. View the page below to find product parts and accessories, support videos, manuals, frequently asked questions and safety data sheets to assist you in using your hoover product. Shop a wide selection of replacement vacuum filters, belts, bags, batteries, and more for your hoover vacuum. Using genuine hoover spare. Parts Hoover Vacuum Cleaner Parts.
From replacementparts.mikesnature.com
Hoover Vacuum Parts Replacement Parts Parts Hoover Vacuum Cleaner Parts Using genuine hoover spare parts will allow you to achieve the maximum cleaning performance your hoover vacuum is capable of achieving. Check each product page for. Check out all of these excellent genuine hoover and. View the page below to find product parts and accessories, support videos, manuals, frequently asked questions and safety data sheets to assist you in using. Parts Hoover Vacuum Cleaner Parts.
From www.ebay.co.uk
Spare Parts Accessories for HENRY HETTY NUMATIC Vacuum Cleaner Hoover Parts Hoover Vacuum Cleaner Parts View the page below to find product parts and accessories, support videos, manuals, frequently asked questions and safety data sheets to assist you in using your hoover product. Shop a wide selection of replacement vacuum filters, belts, bags, batteries, and more for your hoover vacuum. Vacuum cleaners from hoover featuring the best new home cleaning models, including powerful upright vacuums,. Parts Hoover Vacuum Cleaner Parts.
From www.usavacuum.com
Hoover S6547 Wet / Dry Vacuum Cleaner Parts USA Vacuum Parts Hoover Vacuum Cleaner Parts Official parts that fit, repair videos, model diagrams, and the expert advice. Vacuum cleaners from hoover featuring the best new home cleaning models, including powerful upright vacuums, easy to use cordless. Shop a wide selection of replacement vacuum filters, belts, bags, batteries, and more for your hoover vacuum. Using genuine hoover spare parts will allow you to achieve the maximum. Parts Hoover Vacuum Cleaner Parts.
From vacuumpartspukusan.blogspot.com
Vacuum Parts Hoover Vacuum Parts Parts Hoover Vacuum Cleaner Parts Using genuine hoover spare parts will allow you to achieve the maximum cleaning performance your hoover vacuum is capable of achieving. Parts lists and photos available to help find your replacement parts. Parts for 1456 models of hoover vacuum cleaners. Check out all of these excellent genuine hoover and. Shop a wide selection of replacement vacuum filters, belts, bags, batteries,. Parts Hoover Vacuum Cleaner Parts.
From design1systems.com
Hoover WindTunnel Parts Diagram A Comprehensive Guide to Assembling Parts Hoover Vacuum Cleaner Parts Check each product page for. Shop a wide selection of replacement vacuum filters, belts, bags, batteries, and more for your hoover vacuum. Check out all of these excellent genuine hoover and. View the page below to find product parts and accessories, support videos, manuals, frequently asked questions and safety data sheets to assist you in using your hoover product. Using. Parts Hoover Vacuum Cleaner Parts.
From www.bluesky-filter.com
Pre and HEPA Filters for Hoover UH72400 Vacuum Cleaner Parts Buy Parts Hoover Vacuum Cleaner Parts Parts lists and photos available to help find your replacement parts. Shop a wide selection of replacement vacuum filters, belts, bags, batteries, and more for your hoover vacuum. Check out all of these excellent genuine hoover and. Using genuine hoover spare parts will allow you to achieve the maximum cleaning performance your hoover vacuum is capable of achieving. Check each. Parts Hoover Vacuum Cleaner Parts.
From www.ereplacementparts.com
Hoover UH70400 Parts List and Diagram Parts Hoover Vacuum Cleaner Parts Official parts that fit, repair videos, model diagrams, and the expert advice. Vacuum cleaners from hoover featuring the best new home cleaning models, including powerful upright vacuums, easy to use cordless. Check each product page for. Check out all of these excellent genuine hoover and. Parts lists and photos available to help find your replacement parts. Parts for 1456 models. Parts Hoover Vacuum Cleaner Parts.
From www.appliancefactoryparts.com
Hoover S6631 Parts Vacuum Cleaners Parts Hoover Vacuum Cleaner Parts Using genuine hoover spare parts will allow you to achieve the maximum cleaning performance your hoover vacuum is capable of achieving. Check each product page for. Official parts that fit, repair videos, model diagrams, and the expert advice. Shop a wide selection of replacement vacuum filters, belts, bags, batteries, and more for your hoover vacuum. View the page below to. Parts Hoover Vacuum Cleaner Parts.