Infiniti Fx45 Fuse Box Location . 2003, 2004, 2005, 2006, 2007, 2008. Lane departure warning (ldw) camera. Location and description of fuses and relay infiniti fx35 with engine 3.5l v6 vq35de and infiniti fx45 with engine 4.5l v8 vk45de. Body control module (bcm) fuse box. Applies to vehicles manufactured over the years: Two fuse blocks and relay block #1 are located next to the battery under the cover on the passenger side. 2003, 2004, 2005, 2006, 2007, 2008. Two fuse blocks and relay block #1 are located next to the battery under the cover on the passenger side.
from fuse-box.info
Two fuse blocks and relay block #1 are located next to the battery under the cover on the passenger side. Lane departure warning (ldw) camera. 2003, 2004, 2005, 2006, 2007, 2008. Two fuse blocks and relay block #1 are located next to the battery under the cover on the passenger side. Body control module (bcm) fuse box. 2003, 2004, 2005, 2006, 2007, 2008. Location and description of fuses and relay infiniti fx35 with engine 3.5l v6 vq35de and infiniti fx45 with engine 4.5l v8 vk45de. Applies to vehicles manufactured over the years:
Fuse Box Diagram Infiniti FX35/FX45 (S50; 20032008)
Infiniti Fx45 Fuse Box Location 2003, 2004, 2005, 2006, 2007, 2008. Applies to vehicles manufactured over the years: Location and description of fuses and relay infiniti fx35 with engine 3.5l v6 vq35de and infiniti fx45 with engine 4.5l v8 vk45de. Two fuse blocks and relay block #1 are located next to the battery under the cover on the passenger side. 2003, 2004, 2005, 2006, 2007, 2008. Body control module (bcm) fuse box. Two fuse blocks and relay block #1 are located next to the battery under the cover on the passenger side. 2003, 2004, 2005, 2006, 2007, 2008. Lane departure warning (ldw) camera.
From mydiagram.online
[DIAGRAM] Infiniti Fx35 Wiring Diagram Infiniti Fx45 Fuse Box Location Two fuse blocks and relay block #1 are located next to the battery under the cover on the passenger side. Location and description of fuses and relay infiniti fx35 with engine 3.5l v6 vq35de and infiniti fx45 with engine 4.5l v8 vk45de. Two fuse blocks and relay block #1 are located next to the battery under the cover on the. Infiniti Fx45 Fuse Box Location.
From fuse-box.info
Fuse Box Diagram Infiniti FX35/FX45 (S50; 20032008) Infiniti Fx45 Fuse Box Location 2003, 2004, 2005, 2006, 2007, 2008. Two fuse blocks and relay block #1 are located next to the battery under the cover on the passenger side. Two fuse blocks and relay block #1 are located next to the battery under the cover on the passenger side. 2003, 2004, 2005, 2006, 2007, 2008. Lane departure warning (ldw) camera. Location and description. Infiniti Fx45 Fuse Box Location.
From www.my4dsc.com
How to Remove Infiniti FX35 IPDM Intelligent Power Distribution Module Infiniti Fx45 Fuse Box Location Applies to vehicles manufactured over the years: Body control module (bcm) fuse box. 2003, 2004, 2005, 2006, 2007, 2008. Location and description of fuses and relay infiniti fx35 with engine 3.5l v6 vq35de and infiniti fx45 with engine 4.5l v8 vk45de. Two fuse blocks and relay block #1 are located next to the battery under the cover on the passenger. Infiniti Fx45 Fuse Box Location.
From www.ebay.com
0304 Infiniti FX35 FX45 FX BCM Body Control Module Unit Fuse Box 284B1 Infiniti Fx45 Fuse Box Location Applies to vehicles manufactured over the years: Location and description of fuses and relay infiniti fx35 with engine 3.5l v6 vq35de and infiniti fx45 with engine 4.5l v8 vk45de. Body control module (bcm) fuse box. Lane departure warning (ldw) camera. Two fuse blocks and relay block #1 are located next to the battery under the cover on the passenger side.. Infiniti Fx45 Fuse Box Location.
From one-logicz.blogspot.com
2008 Infiniti G35 Fuse Box Diagram One Logic Infiniti Fx45 Fuse Box Location Lane departure warning (ldw) camera. 2003, 2004, 2005, 2006, 2007, 2008. Body control module (bcm) fuse box. Two fuse blocks and relay block #1 are located next to the battery under the cover on the passenger side. 2003, 2004, 2005, 2006, 2007, 2008. Applies to vehicles manufactured over the years: Location and description of fuses and relay infiniti fx35 with. Infiniti Fx45 Fuse Box Location.
From www.biggsmotoring.com
20032008 Infiniti FX35 FX45 Under Hood Engine Fuse Box Module 284B7 C Infiniti Fx45 Fuse Box Location 2003, 2004, 2005, 2006, 2007, 2008. Lane departure warning (ldw) camera. Two fuse blocks and relay block #1 are located next to the battery under the cover on the passenger side. Body control module (bcm) fuse box. Location and description of fuses and relay infiniti fx35 with engine 3.5l v6 vq35de and infiniti fx45 with engine 4.5l v8 vk45de. Two. Infiniti Fx45 Fuse Box Location.
From www.benl.ebay.be
0308 INFINITI FX35 FX45 fuse relay box 284B7CG001 OEM eBay Infiniti Fx45 Fuse Box Location Two fuse blocks and relay block #1 are located next to the battery under the cover on the passenger side. Location and description of fuses and relay infiniti fx35 with engine 3.5l v6 vq35de and infiniti fx45 with engine 4.5l v8 vk45de. Body control module (bcm) fuse box. 2003, 2004, 2005, 2006, 2007, 2008. 2003, 2004, 2005, 2006, 2007, 2008.. Infiniti Fx45 Fuse Box Location.
From autofuses.online
Infiniti FX45 (20032008) fuse and relay box Fuse box diagrams Infiniti Fx45 Fuse Box Location 2003, 2004, 2005, 2006, 2007, 2008. Two fuse blocks and relay block #1 are located next to the battery under the cover on the passenger side. Location and description of fuses and relay infiniti fx35 with engine 3.5l v6 vq35de and infiniti fx45 with engine 4.5l v8 vk45de. Lane departure warning (ldw) camera. Applies to vehicles manufactured over the years:. Infiniti Fx45 Fuse Box Location.
From www.befr.ebay.be
2004 05 2007 Infiniti FX35 FX45 Fuse Box Relay Control Module Infiniti Fx45 Fuse Box Location Lane departure warning (ldw) camera. Body control module (bcm) fuse box. Two fuse blocks and relay block #1 are located next to the battery under the cover on the passenger side. Location and description of fuses and relay infiniti fx35 with engine 3.5l v6 vq35de and infiniti fx45 with engine 4.5l v8 vk45de. Applies to vehicles manufactured over the years:. Infiniti Fx45 Fuse Box Location.
From extreme-auto-parts.com
Infiniti FX35 FX45 0308, Fuse Junction Block Box Unit, 24350CL00A Infiniti Fx45 Fuse Box Location Body control module (bcm) fuse box. 2003, 2004, 2005, 2006, 2007, 2008. Applies to vehicles manufactured over the years: Lane departure warning (ldw) camera. Two fuse blocks and relay block #1 are located next to the battery under the cover on the passenger side. Location and description of fuses and relay infiniti fx35 with engine 3.5l v6 vq35de and infiniti. Infiniti Fx45 Fuse Box Location.
From baby2129.blogspot.com
[44+] Infiniti Fx45 Wiring Diagram, O2 Sensor Help! G35Driver Infiniti Fx45 Fuse Box Location Two fuse blocks and relay block #1 are located next to the battery under the cover on the passenger side. Lane departure warning (ldw) camera. Location and description of fuses and relay infiniti fx35 with engine 3.5l v6 vq35de and infiniti fx45 with engine 4.5l v8 vk45de. 2003, 2004, 2005, 2006, 2007, 2008. 2003, 2004, 2005, 2006, 2007, 2008. Body. Infiniti Fx45 Fuse Box Location.
From www.justanswer.com
2004 Infiniti FX45. The Front Windshield washer pump is not working. I Infiniti Fx45 Fuse Box Location 2003, 2004, 2005, 2006, 2007, 2008. Lane departure warning (ldw) camera. 2003, 2004, 2005, 2006, 2007, 2008. Location and description of fuses and relay infiniti fx35 with engine 3.5l v6 vq35de and infiniti fx45 with engine 4.5l v8 vk45de. Two fuse blocks and relay block #1 are located next to the battery under the cover on the passenger side. Two. Infiniti Fx45 Fuse Box Location.
From knigaproavto.ru
'03'08 Infiniti FX35 and FX45 Fuse Box Diagram Infiniti Fx45 Fuse Box Location Lane departure warning (ldw) camera. Two fuse blocks and relay block #1 are located next to the battery under the cover on the passenger side. Location and description of fuses and relay infiniti fx35 with engine 3.5l v6 vq35de and infiniti fx45 with engine 4.5l v8 vk45de. 2003, 2004, 2005, 2006, 2007, 2008. Two fuse blocks and relay block #1. Infiniti Fx45 Fuse Box Location.
From parts.infinitiofwarwick.com
Infiniti FX45 Fuse Box 284B7CL00A INFINITI, WARWICK RI Infiniti Fx45 Fuse Box Location Two fuse blocks and relay block #1 are located next to the battery under the cover on the passenger side. Two fuse blocks and relay block #1 are located next to the battery under the cover on the passenger side. 2003, 2004, 2005, 2006, 2007, 2008. Location and description of fuses and relay infiniti fx35 with engine 3.5l v6 vq35de. Infiniti Fx45 Fuse Box Location.
From parts.infinitiofsanjose.com
Infiniti FX45 Fuse Box 284B7CL00A INFINITI, San Jose CA Infiniti Fx45 Fuse Box Location Body control module (bcm) fuse box. Applies to vehicles manufactured over the years: 2003, 2004, 2005, 2006, 2007, 2008. Two fuse blocks and relay block #1 are located next to the battery under the cover on the passenger side. 2003, 2004, 2005, 2006, 2007, 2008. Two fuse blocks and relay block #1 are located next to the battery under the. Infiniti Fx45 Fuse Box Location.
From www.justanswer.com
Where is the fuse located on 2003 infinity fx45 for the ECU. I tried Infiniti Fx45 Fuse Box Location Location and description of fuses and relay infiniti fx35 with engine 3.5l v6 vq35de and infiniti fx45 with engine 4.5l v8 vk45de. 2003, 2004, 2005, 2006, 2007, 2008. Two fuse blocks and relay block #1 are located next to the battery under the cover on the passenger side. Body control module (bcm) fuse box. Two fuse blocks and relay block. Infiniti Fx45 Fuse Box Location.
From www.biggsmotoring.com
20032008 Infiniti FX35 FX45 Under Hood Engine Fuse Box Module 284B7 C Infiniti Fx45 Fuse Box Location Body control module (bcm) fuse box. Location and description of fuses and relay infiniti fx35 with engine 3.5l v6 vq35de and infiniti fx45 with engine 4.5l v8 vk45de. Two fuse blocks and relay block #1 are located next to the battery under the cover on the passenger side. 2003, 2004, 2005, 2006, 2007, 2008. 2003, 2004, 2005, 2006, 2007, 2008.. Infiniti Fx45 Fuse Box Location.
From fuse-box.info
Fuse Box Diagram Infiniti FX35/FX45 (S50; 20032008) Infiniti Fx45 Fuse Box Location Body control module (bcm) fuse box. Applies to vehicles manufactured over the years: Two fuse blocks and relay block #1 are located next to the battery under the cover on the passenger side. Location and description of fuses and relay infiniti fx35 with engine 3.5l v6 vq35de and infiniti fx45 with engine 4.5l v8 vk45de. 2003, 2004, 2005, 2006, 2007,. Infiniti Fx45 Fuse Box Location.
From www.my4dsc.com
How to Remove Infiniti FX35 IPDM Intelligent Power Distribution Module Infiniti Fx45 Fuse Box Location 2003, 2004, 2005, 2006, 2007, 2008. Location and description of fuses and relay infiniti fx35 with engine 3.5l v6 vq35de and infiniti fx45 with engine 4.5l v8 vk45de. Two fuse blocks and relay block #1 are located next to the battery under the cover on the passenger side. Applies to vehicles manufactured over the years: Body control module (bcm) fuse. Infiniti Fx45 Fuse Box Location.
From www.infinitifx.org
HELP Where the fuse for the parking lights??????? Infiniti Infiniti Fx45 Fuse Box Location Body control module (bcm) fuse box. Two fuse blocks and relay block #1 are located next to the battery under the cover on the passenger side. Two fuse blocks and relay block #1 are located next to the battery under the cover on the passenger side. Location and description of fuses and relay infiniti fx35 with engine 3.5l v6 vq35de. Infiniti Fx45 Fuse Box Location.
From www.ebay.com
0304 Infiniti FX35 FX45 FX BCM Body Control Module Unit Fuse Box 284B1 Infiniti Fx45 Fuse Box Location Body control module (bcm) fuse box. Applies to vehicles manufactured over the years: Lane departure warning (ldw) camera. 2003, 2004, 2005, 2006, 2007, 2008. Two fuse blocks and relay block #1 are located next to the battery under the cover on the passenger side. Two fuse blocks and relay block #1 are located next to the battery under the cover. Infiniti Fx45 Fuse Box Location.
From portal-diagnostov.com
Infiniti FX45 2003 2003 ELECTRICAL Fuses Circuit Breakers FX35 FX45 Infiniti Fx45 Fuse Box Location Two fuse blocks and relay block #1 are located next to the battery under the cover on the passenger side. Applies to vehicles manufactured over the years: 2003, 2004, 2005, 2006, 2007, 2008. Location and description of fuses and relay infiniti fx35 with engine 3.5l v6 vq35de and infiniti fx45 with engine 4.5l v8 vk45de. 2003, 2004, 2005, 2006, 2007,. Infiniti Fx45 Fuse Box Location.
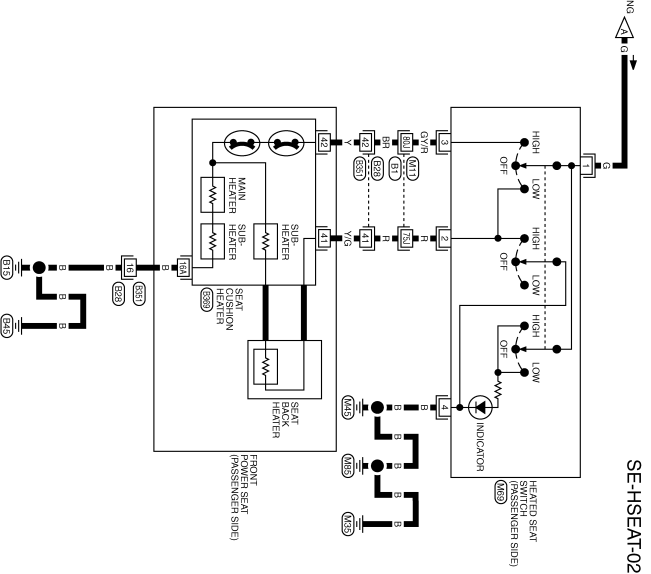
From aelectrik.ru
Infiniti FX35 and FX45 the Fuse for Seat Heaters Infiniti Fx45 Fuse Box Location Lane departure warning (ldw) camera. Applies to vehicles manufactured over the years: Two fuse blocks and relay block #1 are located next to the battery under the cover on the passenger side. Body control module (bcm) fuse box. Location and description of fuses and relay infiniti fx35 with engine 3.5l v6 vq35de and infiniti fx45 with engine 4.5l v8 vk45de.. Infiniti Fx45 Fuse Box Location.
From alohagrace.blogspot.com
Infiniti Fx35 Fuse Box Wiring Diagram Infiniti Fx45 Fuse Box Location Body control module (bcm) fuse box. 2003, 2004, 2005, 2006, 2007, 2008. Location and description of fuses and relay infiniti fx35 with engine 3.5l v6 vq35de and infiniti fx45 with engine 4.5l v8 vk45de. Two fuse blocks and relay block #1 are located next to the battery under the cover on the passenger side. Lane departure warning (ldw) camera. 2003,. Infiniti Fx45 Fuse Box Location.
From www.optikauto.com
Infiniti FX35FX45 (20032008) Fuse Junction Box (24350CL00A) OPTIK AUTO Infiniti Fx45 Fuse Box Location Body control module (bcm) fuse box. 2003, 2004, 2005, 2006, 2007, 2008. Location and description of fuses and relay infiniti fx35 with engine 3.5l v6 vq35de and infiniti fx45 with engine 4.5l v8 vk45de. Two fuse blocks and relay block #1 are located next to the battery under the cover on the passenger side. 2003, 2004, 2005, 2006, 2007, 2008.. Infiniti Fx45 Fuse Box Location.
From extreme-auto-parts.com
Infiniti FX35 0308 FX45 Fuse Relay Block Box Unit, 24372AL500 Factory Infiniti Fx45 Fuse Box Location 2003, 2004, 2005, 2006, 2007, 2008. Lane departure warning (ldw) camera. Body control module (bcm) fuse box. 2003, 2004, 2005, 2006, 2007, 2008. Location and description of fuses and relay infiniti fx35 with engine 3.5l v6 vq35de and infiniti fx45 with engine 4.5l v8 vk45de. Applies to vehicles manufactured over the years: Two fuse blocks and relay block #1 are. Infiniti Fx45 Fuse Box Location.
From www.befr.ebay.be
2004 05 2007 Infiniti FX35 FX45 Fuse Box Relay Control Module Infiniti Fx45 Fuse Box Location Body control module (bcm) fuse box. Location and description of fuses and relay infiniti fx35 with engine 3.5l v6 vq35de and infiniti fx45 with engine 4.5l v8 vk45de. 2003, 2004, 2005, 2006, 2007, 2008. Two fuse blocks and relay block #1 are located next to the battery under the cover on the passenger side. Applies to vehicles manufactured over the. Infiniti Fx45 Fuse Box Location.
From wiringbeweeping.z19.web.core.windows.net
2001 Infiniti Fuse Box Diagram Infiniti Fx45 Fuse Box Location Lane departure warning (ldw) camera. 2003, 2004, 2005, 2006, 2007, 2008. Two fuse blocks and relay block #1 are located next to the battery under the cover on the passenger side. 2003, 2004, 2005, 2006, 2007, 2008. Two fuse blocks and relay block #1 are located next to the battery under the cover on the passenger side. Location and description. Infiniti Fx45 Fuse Box Location.
From aelectrik.ru
Fuel Pump Fuse and Relay Location for Infiniti FX35 & FX45 Infiniti Fx45 Fuse Box Location 2003, 2004, 2005, 2006, 2007, 2008. Applies to vehicles manufactured over the years: Two fuse blocks and relay block #1 are located next to the battery under the cover on the passenger side. Location and description of fuses and relay infiniti fx35 with engine 3.5l v6 vq35de and infiniti fx45 with engine 4.5l v8 vk45de. Two fuse blocks and relay. Infiniti Fx45 Fuse Box Location.
From www.ebay.com
2003 2008 Infiniti FX35 FX45 Fuse Box Relay Control Module IPDM Infiniti Fx45 Fuse Box Location Applies to vehicles manufactured over the years: Body control module (bcm) fuse box. 2003, 2004, 2005, 2006, 2007, 2008. Two fuse blocks and relay block #1 are located next to the battery under the cover on the passenger side. Two fuse blocks and relay block #1 are located next to the battery under the cover on the passenger side. Lane. Infiniti Fx45 Fuse Box Location.
From fuse-box.info
Fuse Box Diagram Infiniti FX35/FX45 (S50; 20032008) Infiniti Fx45 Fuse Box Location Two fuse blocks and relay block #1 are located next to the battery under the cover on the passenger side. Lane departure warning (ldw) camera. Applies to vehicles manufactured over the years: 2003, 2004, 2005, 2006, 2007, 2008. 2003, 2004, 2005, 2006, 2007, 2008. Two fuse blocks and relay block #1 are located next to the battery under the cover. Infiniti Fx45 Fuse Box Location.
From www.youtube.com
Infiniti Q45 (20022006) Fuse Box Diagrams YouTube Infiniti Fx45 Fuse Box Location 2003, 2004, 2005, 2006, 2007, 2008. Two fuse blocks and relay block #1 are located next to the battery under the cover on the passenger side. 2003, 2004, 2005, 2006, 2007, 2008. Two fuse blocks and relay block #1 are located next to the battery under the cover on the passenger side. Location and description of fuses and relay infiniti. Infiniti Fx45 Fuse Box Location.
From extreme-auto-parts.com
Infiniti FX35 0308 FX45 Fuse Relay Block Box Unit, 24372AL500 Factory Infiniti Fx45 Fuse Box Location 2003, 2004, 2005, 2006, 2007, 2008. Body control module (bcm) fuse box. Two fuse blocks and relay block #1 are located next to the battery under the cover on the passenger side. Location and description of fuses and relay infiniti fx35 with engine 3.5l v6 vq35de and infiniti fx45 with engine 4.5l v8 vk45de. Applies to vehicles manufactured over the. Infiniti Fx45 Fuse Box Location.
From aelectrik.ru
Infiniti FX35 and FX45 the Fuse for Seat Heaters Infiniti Fx45 Fuse Box Location Applies to vehicles manufactured over the years: Body control module (bcm) fuse box. Lane departure warning (ldw) camera. 2003, 2004, 2005, 2006, 2007, 2008. Two fuse blocks and relay block #1 are located next to the battery under the cover on the passenger side. Location and description of fuses and relay infiniti fx35 with engine 3.5l v6 vq35de and infiniti. Infiniti Fx45 Fuse Box Location.
From extreme-auto-parts.com
Infiniti FX35 FX45 0308, Fuse Junction Block Box Unit, 24350CL00A Infiniti Fx45 Fuse Box Location Two fuse blocks and relay block #1 are located next to the battery under the cover on the passenger side. 2003, 2004, 2005, 2006, 2007, 2008. 2003, 2004, 2005, 2006, 2007, 2008. Two fuse blocks and relay block #1 are located next to the battery under the cover on the passenger side. Lane departure warning (ldw) camera. Location and description. Infiniti Fx45 Fuse Box Location.