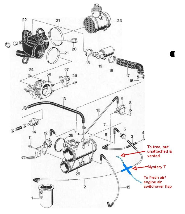
Bmw E46 Vacuum Hose Replacement . How to replace vacuum hoses in the e46. The vacuum line that runs to the butterfly valve in your exhaust connects to port #1. You should replace the cap over the port labelled #2. The rubber part is general sized vacuum hose the size is standardized so if you ask for vacuum hose it will be a direct replacement. Jump to the 11:02 mark to begin watching the fuel filter replacement steps. If #3 is iffy you can reliably (and easily) replace #3. If you own a bmw e46 and are experiencing issues with the vacuum system, it may be time to replace the vacuum hoses. And yes, remove the small shield near brake booster for visibility and access.
from manualliblahore.z4.web.core.windows.net
The vacuum line that runs to the butterfly valve in your exhaust connects to port #1. Jump to the 11:02 mark to begin watching the fuel filter replacement steps. If you own a bmw e46 and are experiencing issues with the vacuum system, it may be time to replace the vacuum hoses. You should replace the cap over the port labelled #2. And yes, remove the small shield near brake booster for visibility and access. The rubber part is general sized vacuum hose the size is standardized so if you ask for vacuum hose it will be a direct replacement. How to replace vacuum hoses in the e46. If #3 is iffy you can reliably (and easily) replace #3.
E46 What Size Vacuum Line
Bmw E46 Vacuum Hose Replacement If you own a bmw e46 and are experiencing issues with the vacuum system, it may be time to replace the vacuum hoses. If you own a bmw e46 and are experiencing issues with the vacuum system, it may be time to replace the vacuum hoses. You should replace the cap over the port labelled #2. The vacuum line that runs to the butterfly valve in your exhaust connects to port #1. And yes, remove the small shield near brake booster for visibility and access. Jump to the 11:02 mark to begin watching the fuel filter replacement steps. The rubber part is general sized vacuum hose the size is standardized so if you ask for vacuum hose it will be a direct replacement. How to replace vacuum hoses in the e46. If #3 is iffy you can reliably (and easily) replace #3.
From manualfixdercombustion.z13.web.core.windows.net
E46 Vacuum Hose Replacement Bmw E46 Vacuum Hose Replacement Jump to the 11:02 mark to begin watching the fuel filter replacement steps. If you own a bmw e46 and are experiencing issues with the vacuum system, it may be time to replace the vacuum hoses. The rubber part is general sized vacuum hose the size is standardized so if you ask for vacuum hose it will be a direct. Bmw E46 Vacuum Hose Replacement.
From circuitwiringlorraine.z13.web.core.windows.net
Bmw E46 Vacuum Hose Diagram Bmw E46 Vacuum Hose Replacement And yes, remove the small shield near brake booster for visibility and access. If you own a bmw e46 and are experiencing issues with the vacuum system, it may be time to replace the vacuum hoses. The rubber part is general sized vacuum hose the size is standardized so if you ask for vacuum hose it will be a direct. Bmw E46 Vacuum Hose Replacement.
From bearinns.com
Top 10 E46 Vacuum Hose Home Previews Bmw E46 Vacuum Hose Replacement And yes, remove the small shield near brake booster for visibility and access. If you own a bmw e46 and are experiencing issues with the vacuum system, it may be time to replace the vacuum hoses. The rubber part is general sized vacuum hose the size is standardized so if you ask for vacuum hose it will be a direct. Bmw E46 Vacuum Hose Replacement.
From librarygertrude47.blogspot.com
Bmw E46 Vacuum Hose Diagram Bmw E46 M54 F Tube Repair Diy Air Intake Bmw E46 Vacuum Hose Replacement If you own a bmw e46 and are experiencing issues with the vacuum system, it may be time to replace the vacuum hoses. The vacuum line that runs to the butterfly valve in your exhaust connects to port #1. How to replace vacuum hoses in the e46. If #3 is iffy you can reliably (and easily) replace #3. The rubber. Bmw E46 Vacuum Hose Replacement.
From diagramwiringschema.blogspot.com
Intake Manifold Bmw E46 Vacuum Hose Diagram diagramwirings Bmw E46 Vacuum Hose Replacement How to replace vacuum hoses in the e46. Jump to the 11:02 mark to begin watching the fuel filter replacement steps. And yes, remove the small shield near brake booster for visibility and access. If #3 is iffy you can reliably (and easily) replace #3. You should replace the cap over the port labelled #2. The vacuum line that runs. Bmw E46 Vacuum Hose Replacement.
From www.pelicanparts.com
BMW E46 Air Intake Duct Replacement BMW 325i (20012005), BMW 325Xi Bmw E46 Vacuum Hose Replacement And yes, remove the small shield near brake booster for visibility and access. The vacuum line that runs to the butterfly valve in your exhaust connects to port #1. If you own a bmw e46 and are experiencing issues with the vacuum system, it may be time to replace the vacuum hoses. The rubber part is general sized vacuum hose. Bmw E46 Vacuum Hose Replacement.
From edu.svet.gob.gt
Bmw E46 Intake Manifold Vacuum Hoses edu.svet.gob.gt Bmw E46 Vacuum Hose Replacement If #3 is iffy you can reliably (and easily) replace #3. And yes, remove the small shield near brake booster for visibility and access. You should replace the cap over the port labelled #2. Jump to the 11:02 mark to begin watching the fuel filter replacement steps. If you own a bmw e46 and are experiencing issues with the vacuum. Bmw E46 Vacuum Hose Replacement.
From diagramlibraryveg.z21.web.core.windows.net
E46 Intake Manifold Vacuum Lines Bmw E46 Vacuum Hose Replacement How to replace vacuum hoses in the e46. The rubber part is general sized vacuum hose the size is standardized so if you ask for vacuum hose it will be a direct replacement. You should replace the cap over the port labelled #2. If #3 is iffy you can reliably (and easily) replace #3. The vacuum line that runs to. Bmw E46 Vacuum Hose Replacement.
From mitasuhael.blogspot.com
40+ vacuum line bmw e46 vacuum hose diagram MitaSuhael Bmw E46 Vacuum Hose Replacement The rubber part is general sized vacuum hose the size is standardized so if you ask for vacuum hose it will be a direct replacement. If you own a bmw e46 and are experiencing issues with the vacuum system, it may be time to replace the vacuum hoses. Jump to the 11:02 mark to begin watching the fuel filter replacement. Bmw E46 Vacuum Hose Replacement.
From www.mlperformance.co.uk
Genuine BMW 11731714217 E39 E36 Vacuum Hose (Inc. Z3 2.8, 323ti & 528i Bmw E46 Vacuum Hose Replacement If you own a bmw e46 and are experiencing issues with the vacuum system, it may be time to replace the vacuum hoses. Jump to the 11:02 mark to begin watching the fuel filter replacement steps. And yes, remove the small shield near brake booster for visibility and access. If #3 is iffy you can reliably (and easily) replace #3.. Bmw E46 Vacuum Hose Replacement.
From www.turnermotorsport.com
11611438809 Genuine BMW Vacuum Hose E46 323Ci 323i 328Ci 328i Bmw E46 Vacuum Hose Replacement If you own a bmw e46 and are experiencing issues with the vacuum system, it may be time to replace the vacuum hoses. The vacuum line that runs to the butterfly valve in your exhaust connects to port #1. If #3 is iffy you can reliably (and easily) replace #3. And yes, remove the small shield near brake booster for. Bmw E46 Vacuum Hose Replacement.
From design1systems.com
Understanding the E46 Vacuum Line Diagram A Comprehensive Guide Bmw E46 Vacuum Hose Replacement How to replace vacuum hoses in the e46. If #3 is iffy you can reliably (and easily) replace #3. If you own a bmw e46 and are experiencing issues with the vacuum system, it may be time to replace the vacuum hoses. You should replace the cap over the port labelled #2. The vacuum line that runs to the butterfly. Bmw E46 Vacuum Hose Replacement.
From www.bimmerworld.com
Vacuum Hose, Elaplast E46, E39, X3, X5, Z3, Z4 M54 Bmw E46 Vacuum Hose Replacement Jump to the 11:02 mark to begin watching the fuel filter replacement steps. And yes, remove the small shield near brake booster for visibility and access. If #3 is iffy you can reliably (and easily) replace #3. You should replace the cap over the port labelled #2. The vacuum line that runs to the butterfly valve in your exhaust connects. Bmw E46 Vacuum Hose Replacement.
From wirelibraryunhedged.z13.web.core.windows.net
E46 Vacuum Hose Diagram Bmw E46 Vacuum Hose Replacement The rubber part is general sized vacuum hose the size is standardized so if you ask for vacuum hose it will be a direct replacement. And yes, remove the small shield near brake booster for visibility and access. If you own a bmw e46 and are experiencing issues with the vacuum system, it may be time to replace the vacuum. Bmw E46 Vacuum Hose Replacement.
From www.mlperformance.co.uk
Genuine BMW 11727574487 E46 Vacuum Hose (Inc. 325Ci & 325i) ML Bmw E46 Vacuum Hose Replacement And yes, remove the small shield near brake booster for visibility and access. The vacuum line that runs to the butterfly valve in your exhaust connects to port #1. If #3 is iffy you can reliably (and easily) replace #3. You should replace the cap over the port labelled #2. How to replace vacuum hoses in the e46. Jump to. Bmw E46 Vacuum Hose Replacement.
From jaydnatasha.blogspot.com
intake manifold bmw e46 vacuum hose diagram JaydNatasha Bmw E46 Vacuum Hose Replacement The rubber part is general sized vacuum hose the size is standardized so if you ask for vacuum hose it will be a direct replacement. How to replace vacuum hoses in the e46. Jump to the 11:02 mark to begin watching the fuel filter replacement steps. If #3 is iffy you can reliably (and easily) replace #3. The vacuum line. Bmw E46 Vacuum Hose Replacement.
From jaydnatasha.blogspot.com
intake manifold bmw e46 vacuum hose diagram JaydNatasha Bmw E46 Vacuum Hose Replacement Jump to the 11:02 mark to begin watching the fuel filter replacement steps. How to replace vacuum hoses in the e46. If #3 is iffy you can reliably (and easily) replace #3. You should replace the cap over the port labelled #2. And yes, remove the small shield near brake booster for visibility and access. The rubber part is general. Bmw E46 Vacuum Hose Replacement.
From www.mlperformance.co.uk
Genuine BMW 11727574487 E46 Vacuum Hose (Inc. 325Ci & 325i) ML Bmw E46 Vacuum Hose Replacement You should replace the cap over the port labelled #2. The rubber part is general sized vacuum hose the size is standardized so if you ask for vacuum hose it will be a direct replacement. If you own a bmw e46 and are experiencing issues with the vacuum system, it may be time to replace the vacuum hoses. How to. Bmw E46 Vacuum Hose Replacement.
From guidewiringscrappily.z5.web.core.windows.net
Intake Manifold Bmw E46 Vacuum Hose Diagram Bmw E46 Vacuum Hose Replacement The rubber part is general sized vacuum hose the size is standardized so if you ask for vacuum hose it will be a direct replacement. How to replace vacuum hoses in the e46. You should replace the cap over the port labelled #2. The vacuum line that runs to the butterfly valve in your exhaust connects to port #1. Jump. Bmw E46 Vacuum Hose Replacement.
From circuitblaze.com
Discover the Vacuum Line Diagram for Your BMW E46 Bmw E46 Vacuum Hose Replacement You should replace the cap over the port labelled #2. If #3 is iffy you can reliably (and easily) replace #3. Jump to the 11:02 mark to begin watching the fuel filter replacement steps. The rubber part is general sized vacuum hose the size is standardized so if you ask for vacuum hose it will be a direct replacement. How. Bmw E46 Vacuum Hose Replacement.
From informacionpublica.svet.gob.gt
Intake Manifold Bmw E46 Vacuum Hose Diagram informacionpublica.svet Bmw E46 Vacuum Hose Replacement You should replace the cap over the port labelled #2. If you own a bmw e46 and are experiencing issues with the vacuum system, it may be time to replace the vacuum hoses. The rubber part is general sized vacuum hose the size is standardized so if you ask for vacuum hose it will be a direct replacement. If #3. Bmw E46 Vacuum Hose Replacement.
From shopee.com.my
Vacuum Hose Under Intake Manifold (Hose elbow) BMW E46 Shopee Malaysia Bmw E46 Vacuum Hose Replacement How to replace vacuum hoses in the e46. The rubber part is general sized vacuum hose the size is standardized so if you ask for vacuum hose it will be a direct replacement. And yes, remove the small shield near brake booster for visibility and access. If #3 is iffy you can reliably (and easily) replace #3. You should replace. Bmw E46 Vacuum Hose Replacement.
From mitasuhael.blogspot.com
40+ vacuum line bmw e46 vacuum hose diagram MitaSuhael Bmw E46 Vacuum Hose Replacement The rubber part is general sized vacuum hose the size is standardized so if you ask for vacuum hose it will be a direct replacement. And yes, remove the small shield near brake booster for visibility and access. If #3 is iffy you can reliably (and easily) replace #3. How to replace vacuum hoses in the e46. The vacuum line. Bmw E46 Vacuum Hose Replacement.
From www.turnermotorsport.com
11611438809 Genuine BMW Vacuum Hose E46 323Ci 323i 328Ci 328i Bmw E46 Vacuum Hose Replacement If you own a bmw e46 and are experiencing issues with the vacuum system, it may be time to replace the vacuum hoses. You should replace the cap over the port labelled #2. And yes, remove the small shield near brake booster for visibility and access. The vacuum line that runs to the butterfly valve in your exhaust connects to. Bmw E46 Vacuum Hose Replacement.
From userengineandrew.z22.web.core.windows.net
Bmw E46 Vacuum Hose Diagram Bmw E46 Vacuum Hose Replacement If #3 is iffy you can reliably (and easily) replace #3. The vacuum line that runs to the butterfly valve in your exhaust connects to port #1. The rubber part is general sized vacuum hose the size is standardized so if you ask for vacuum hose it will be a direct replacement. You should replace the cap over the port. Bmw E46 Vacuum Hose Replacement.
From diagramwiringschema.blogspot.com
Intake Manifold Bmw E46 Vacuum Hose Diagram diagramwirings Bmw E46 Vacuum Hose Replacement The vacuum line that runs to the butterfly valve in your exhaust connects to port #1. And yes, remove the small shield near brake booster for visibility and access. The rubber part is general sized vacuum hose the size is standardized so if you ask for vacuum hose it will be a direct replacement. You should replace the cap over. Bmw E46 Vacuum Hose Replacement.
From jaydnatasha.blogspot.com
intake manifold bmw e46 vacuum hose diagram JaydNatasha Bmw E46 Vacuum Hose Replacement The rubber part is general sized vacuum hose the size is standardized so if you ask for vacuum hose it will be a direct replacement. The vacuum line that runs to the butterfly valve in your exhaust connects to port #1. How to replace vacuum hoses in the e46. Jump to the 11:02 mark to begin watching the fuel filter. Bmw E46 Vacuum Hose Replacement.
From www.youtube.com
BMW E46 Vacuum Pump Repair YouTube Bmw E46 Vacuum Hose Replacement The vacuum line that runs to the butterfly valve in your exhaust connects to port #1. The rubber part is general sized vacuum hose the size is standardized so if you ask for vacuum hose it will be a direct replacement. If you own a bmw e46 and are experiencing issues with the vacuum system, it may be time to. Bmw E46 Vacuum Hose Replacement.
From drivenheisenberg.blogspot.com
Bmw E46 Vacuum Hose Diagram Drivenheisenberg Bmw E46 Vacuum Hose Replacement If you own a bmw e46 and are experiencing issues with the vacuum system, it may be time to replace the vacuum hoses. The rubber part is general sized vacuum hose the size is standardized so if you ask for vacuum hose it will be a direct replacement. How to replace vacuum hoses in the e46. The vacuum line that. Bmw E46 Vacuum Hose Replacement.
From manualliblahore.z4.web.core.windows.net
E46 What Size Vacuum Line Bmw E46 Vacuum Hose Replacement Jump to the 11:02 mark to begin watching the fuel filter replacement steps. You should replace the cap over the port labelled #2. The vacuum line that runs to the butterfly valve in your exhaust connects to port #1. The rubber part is general sized vacuum hose the size is standardized so if you ask for vacuum hose it will. Bmw E46 Vacuum Hose Replacement.
From manuallistferraro.z13.web.core.windows.net
Bmw E46 Vacuum Hose Bmw E46 Vacuum Hose Replacement The rubber part is general sized vacuum hose the size is standardized so if you ask for vacuum hose it will be a direct replacement. If #3 is iffy you can reliably (and easily) replace #3. How to replace vacuum hoses in the e46. If you own a bmw e46 and are experiencing issues with the vacuum system, it may. Bmw E46 Vacuum Hose Replacement.
From mitasuhael.blogspot.com
40+ vacuum line bmw e46 vacuum hose diagram MitaSuhael Bmw E46 Vacuum Hose Replacement The rubber part is general sized vacuum hose the size is standardized so if you ask for vacuum hose it will be a direct replacement. The vacuum line that runs to the butterfly valve in your exhaust connects to port #1. If #3 is iffy you can reliably (and easily) replace #3. And yes, remove the small shield near brake. Bmw E46 Vacuum Hose Replacement.
From wiremanualphyllis.z21.web.core.windows.net
Bmw E46 Vacuum Hose Diagram Bmw E46 Vacuum Hose Replacement And yes, remove the small shield near brake booster for visibility and access. If #3 is iffy you can reliably (and easily) replace #3. You should replace the cap over the port labelled #2. The vacuum line that runs to the butterfly valve in your exhaust connects to port #1. How to replace vacuum hoses in the e46. If you. Bmw E46 Vacuum Hose Replacement.
From www.turnermotorsport.com
11727574487 Genuine BMW Vacuum Hose 11727574487 E46 Turner Bmw E46 Vacuum Hose Replacement If you own a bmw e46 and are experiencing issues with the vacuum system, it may be time to replace the vacuum hoses. The rubber part is general sized vacuum hose the size is standardized so if you ask for vacuum hose it will be a direct replacement. How to replace vacuum hoses in the e46. And yes, remove the. Bmw E46 Vacuum Hose Replacement.
From ubicaciondepersonas.cdmx.gob.mx
Bmw E46 330d Vacuum Hose Diagram ubicaciondepersonas.cdmx.gob.mx Bmw E46 Vacuum Hose Replacement The vacuum line that runs to the butterfly valve in your exhaust connects to port #1. How to replace vacuum hoses in the e46. And yes, remove the small shield near brake booster for visibility and access. The rubber part is general sized vacuum hose the size is standardized so if you ask for vacuum hose it will be a. Bmw E46 Vacuum Hose Replacement.