Servo Motor Drive Block Diagram And Application . The servomotor includes the motor that drives the load and a position detection component, such as an encoder. A basic servo controller generally contains both a. A servo motor is defined as an electric motor that allows for precise control of angular or linear position, speed, and torque. This guide covers dc servo motor and stepper motor working principle, block diagrams, and their applications. Construction of a servo motor. Around the servo drive and motor block is the servo controller that closes the position loop. A servo motor is a rotational or translational motor that receives power from a servo amplifier and creates torque or force for a mechanical system, such as an actuator or brake. What is a servo motor? The servo system vary the. Further, it also covers brushless dc motor operating principle and its.
from www.deepakkumaryadav.in
What is a servo motor? A servo motor is a rotational or translational motor that receives power from a servo amplifier and creates torque or force for a mechanical system, such as an actuator or brake. The servo system vary the. Further, it also covers brushless dc motor operating principle and its. A servo motor is defined as an electric motor that allows for precise control of angular or linear position, speed, and torque. This guide covers dc servo motor and stepper motor working principle, block diagrams, and their applications. Construction of a servo motor. The servomotor includes the motor that drives the load and a position detection component, such as an encoder. Around the servo drive and motor block is the servo controller that closes the position loop. A basic servo controller generally contains both a.
DC Servomotor
Servo Motor Drive Block Diagram And Application A servo motor is a rotational or translational motor that receives power from a servo amplifier and creates torque or force for a mechanical system, such as an actuator or brake. This guide covers dc servo motor and stepper motor working principle, block diagrams, and their applications. A basic servo controller generally contains both a. Construction of a servo motor. The servomotor includes the motor that drives the load and a position detection component, such as an encoder. A servo motor is defined as an electric motor that allows for precise control of angular or linear position, speed, and torque. The servo system vary the. Further, it also covers brushless dc motor operating principle and its. Around the servo drive and motor block is the servo controller that closes the position loop. What is a servo motor? A servo motor is a rotational or translational motor that receives power from a servo amplifier and creates torque or force for a mechanical system, such as an actuator or brake.
From www.globalspec.com
Servo MotorWorking Principle GlobalSpec Servo Motor Drive Block Diagram And Application What is a servo motor? A servo motor is a rotational or translational motor that receives power from a servo amplifier and creates torque or force for a mechanical system, such as an actuator or brake. Around the servo drive and motor block is the servo controller that closes the position loop. A basic servo controller generally contains both a.. Servo Motor Drive Block Diagram And Application.
From engineeringlearn.com
Servomotor Working Principle Engineering Learn Servo Motor Drive Block Diagram And Application A servo motor is defined as an electric motor that allows for precise control of angular or linear position, speed, and torque. What is a servo motor? This guide covers dc servo motor and stepper motor working principle, block diagrams, and their applications. A basic servo controller generally contains both a. Construction of a servo motor. The servomotor includes the. Servo Motor Drive Block Diagram And Application.
From www.deepakkumaryadav.in
DC Servomotor Servo Motor Drive Block Diagram And Application The servomotor includes the motor that drives the load and a position detection component, such as an encoder. Construction of a servo motor. Around the servo drive and motor block is the servo controller that closes the position loop. A servo motor is a rotational or translational motor that receives power from a servo amplifier and creates torque or force. Servo Motor Drive Block Diagram And Application.
From motorcyclepict.co
construction and working of servo motor motorcyclepict.co Servo Motor Drive Block Diagram And Application Further, it also covers brushless dc motor operating principle and its. Around the servo drive and motor block is the servo controller that closes the position loop. A basic servo controller generally contains both a. What is a servo motor? The servomotor includes the motor that drives the load and a position detection component, such as an encoder. The servo. Servo Motor Drive Block Diagram And Application.
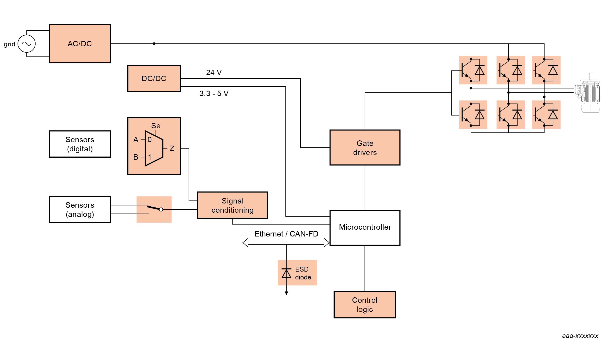
From www.nexperia.com
Servo motor drive Nexperia Servo Motor Drive Block Diagram And Application The servomotor includes the motor that drives the load and a position detection component, such as an encoder. A servo motor is defined as an electric motor that allows for precise control of angular or linear position, speed, and torque. Around the servo drive and motor block is the servo controller that closes the position loop. A basic servo controller. Servo Motor Drive Block Diagram And Application.
From smartservo.org
One picture to understand all pulse sourcesA2 servo block diagram Servo Motor Drive Block Diagram And Application A servo motor is defined as an electric motor that allows for precise control of angular or linear position, speed, and torque. A servo motor is a rotational or translational motor that receives power from a servo amplifier and creates torque or force for a mechanical system, such as an actuator or brake. This guide covers dc servo motor and. Servo Motor Drive Block Diagram And Application.
From www.researchgate.net
Block diagram of the gear control system with servo motor Download Servo Motor Drive Block Diagram And Application A basic servo controller generally contains both a. A servo motor is a rotational or translational motor that receives power from a servo amplifier and creates torque or force for a mechanical system, such as an actuator or brake. What is a servo motor? The servomotor includes the motor that drives the load and a position detection component, such as. Servo Motor Drive Block Diagram And Application.
From elonics.org
Servo Motor Controller and Tester Circuit Using 555 IC Servo Motor Drive Block Diagram And Application Further, it also covers brushless dc motor operating principle and its. What is a servo motor? A servo motor is a rotational or translational motor that receives power from a servo amplifier and creates torque or force for a mechanical system, such as an actuator or brake. Around the servo drive and motor block is the servo controller that closes. Servo Motor Drive Block Diagram And Application.
From www.kollmorgen.com
How Does a Servo Motor Work? Working Principles Servo Motor Drive Block Diagram And Application A servo motor is a rotational or translational motor that receives power from a servo amplifier and creates torque or force for a mechanical system, such as an actuator or brake. Further, it also covers brushless dc motor operating principle and its. This guide covers dc servo motor and stepper motor working principle, block diagrams, and their applications. The servomotor. Servo Motor Drive Block Diagram And Application.
From www.circuits-diy.com
Servo Motor Driver Circuit Servo Motor Drive Block Diagram And Application Construction of a servo motor. The servomotor includes the motor that drives the load and a position detection component, such as an encoder. What is a servo motor? Around the servo drive and motor block is the servo controller that closes the position loop. Further, it also covers brushless dc motor operating principle and its. A basic servo controller generally. Servo Motor Drive Block Diagram And Application.
From how2electronics.com
How to Control Multiple Servo Motors with Arduino Servo Motor Drive Block Diagram And Application A servo motor is defined as an electric motor that allows for precise control of angular or linear position, speed, and torque. Further, it also covers brushless dc motor operating principle and its. The servo system vary the. The servomotor includes the motor that drives the load and a position detection component, such as an encoder. Around the servo drive. Servo Motor Drive Block Diagram And Application.
From www.electroniclinic.com
PCA9685 Servo Driver Arduino circuit diagram and Code Servo Motor Drive Block Diagram And Application Around the servo drive and motor block is the servo controller that closes the position loop. A servo motor is a rotational or translational motor that receives power from a servo amplifier and creates torque or force for a mechanical system, such as an actuator or brake. A servo motor is defined as an electric motor that allows for precise. Servo Motor Drive Block Diagram And Application.
From wiringengineabt.z19.web.core.windows.net
Dc Servo Motor Circuit Diagram Servo Motor Drive Block Diagram And Application This guide covers dc servo motor and stepper motor working principle, block diagrams, and their applications. A basic servo controller generally contains both a. A servo motor is defined as an electric motor that allows for precise control of angular or linear position, speed, and torque. The servo system vary the. A servo motor is a rotational or translational motor. Servo Motor Drive Block Diagram And Application.
From www.gadgetronicx.com
Servo motor driver circuit using IC 555 Gadgetronicx Servo Motor Drive Block Diagram And Application Construction of a servo motor. Further, it also covers brushless dc motor operating principle and its. What is a servo motor? The servo system vary the. A servo motor is defined as an electric motor that allows for precise control of angular or linear position, speed, and torque. This guide covers dc servo motor and stepper motor working principle, block. Servo Motor Drive Block Diagram And Application.
From electrical-engineering-portal.com
Yup, it's the motor drive that makes systems in motion all around us EEP Servo Motor Drive Block Diagram And Application This guide covers dc servo motor and stepper motor working principle, block diagrams, and their applications. What is a servo motor? Further, it also covers brushless dc motor operating principle and its. A servo motor is defined as an electric motor that allows for precise control of angular or linear position, speed, and torque. A basic servo controller generally contains. Servo Motor Drive Block Diagram And Application.
From www.circuitdiagram.co
Servo Motor Schematic Diagrams Servo Motor Drive Block Diagram And Application A basic servo controller generally contains both a. This guide covers dc servo motor and stepper motor working principle, block diagrams, and their applications. Around the servo drive and motor block is the servo controller that closes the position loop. Construction of a servo motor. Further, it also covers brushless dc motor operating principle and its. A servo motor is. Servo Motor Drive Block Diagram And Application.
From dmm-tech.com
DMM CNC Systems AC SERVO DRIVE AC SERVO MOTOR ROTARY ENCODER Servo Motor Drive Block Diagram And Application A basic servo controller generally contains both a. A servo motor is a rotational or translational motor that receives power from a servo amplifier and creates torque or force for a mechanical system, such as an actuator or brake. What is a servo motor? A servo motor is defined as an electric motor that allows for precise control of angular. Servo Motor Drive Block Diagram And Application.
From www.researchgate.net
The block diagram of AC servomotor control Download Scientific Diagram Servo Motor Drive Block Diagram And Application This guide covers dc servo motor and stepper motor working principle, block diagrams, and their applications. Further, it also covers brushless dc motor operating principle and its. A servo motor is a rotational or translational motor that receives power from a servo amplifier and creates torque or force for a mechanical system, such as an actuator or brake. Construction of. Servo Motor Drive Block Diagram And Application.
From www.circuitbread.com
How does a Servo Motor work? CircuitBread Servo Motor Drive Block Diagram And Application A servo motor is a rotational or translational motor that receives power from a servo amplifier and creates torque or force for a mechanical system, such as an actuator or brake. Around the servo drive and motor block is the servo controller that closes the position loop. A basic servo controller generally contains both a. This guide covers dc servo. Servo Motor Drive Block Diagram And Application.
From www.youtube.com
What is a Servo Motor and How it Works? YouTube Servo Motor Drive Block Diagram And Application Further, it also covers brushless dc motor operating principle and its. A servo motor is a rotational or translational motor that receives power from a servo amplifier and creates torque or force for a mechanical system, such as an actuator or brake. This guide covers dc servo motor and stepper motor working principle, block diagrams, and their applications. Around the. Servo Motor Drive Block Diagram And Application.
From www.researchgate.net
Block diagram of servo actuator system. Download Scientific Diagram Servo Motor Drive Block Diagram And Application The servo system vary the. A servo motor is defined as an electric motor that allows for precise control of angular or linear position, speed, and torque. The servomotor includes the motor that drives the load and a position detection component, such as an encoder. Further, it also covers brushless dc motor operating principle and its. What is a servo. Servo Motor Drive Block Diagram And Application.
From www.researchgate.net
Block diagram of the PMSM‐based servo‐drive model Download Scientific Servo Motor Drive Block Diagram And Application A servo motor is a rotational or translational motor that receives power from a servo amplifier and creates torque or force for a mechanical system, such as an actuator or brake. A basic servo controller generally contains both a. The servo system vary the. This guide covers dc servo motor and stepper motor working principle, block diagrams, and their applications.. Servo Motor Drive Block Diagram And Application.
From www.deepakkumaryadav.in
AC Servomotors Servo Motor Drive Block Diagram And Application The servo system vary the. Construction of a servo motor. Around the servo drive and motor block is the servo controller that closes the position loop. A servo motor is a rotational or translational motor that receives power from a servo amplifier and creates torque or force for a mechanical system, such as an actuator or brake. This guide covers. Servo Motor Drive Block Diagram And Application.
From circuitdigest.com
Arduino Servo Motor Control Tutorial with Circuit Diagram and Code Servo Motor Drive Block Diagram And Application The servomotor includes the motor that drives the load and a position detection component, such as an encoder. A basic servo controller generally contains both a. This guide covers dc servo motor and stepper motor working principle, block diagrams, and their applications. A servo motor is a rotational or translational motor that receives power from a servo amplifier and creates. Servo Motor Drive Block Diagram And Application.
From www.youtube.com
servo motor ac servo motor servo motor working principle servo Servo Motor Drive Block Diagram And Application The servomotor includes the motor that drives the load and a position detection component, such as an encoder. Construction of a servo motor. Further, it also covers brushless dc motor operating principle and its. A servo motor is a rotational or translational motor that receives power from a servo amplifier and creates torque or force for a mechanical system, such. Servo Motor Drive Block Diagram And Application.
From www.circuits-diy.com
Servo Motor Driver Circuit Servo Motor Drive Block Diagram And Application Further, it also covers brushless dc motor operating principle and its. This guide covers dc servo motor and stepper motor working principle, block diagrams, and their applications. The servomotor includes the motor that drives the load and a position detection component, such as an encoder. A servo motor is a rotational or translational motor that receives power from a servo. Servo Motor Drive Block Diagram And Application.
From www.chegg.com
Solved The Block Diagram Of A PM DC Servo Motor With Curr... Servo Motor Drive Block Diagram And Application Further, it also covers brushless dc motor operating principle and its. A servo motor is defined as an electric motor that allows for precise control of angular or linear position, speed, and torque. The servo system vary the. This guide covers dc servo motor and stepper motor working principle, block diagrams, and their applications. Construction of a servo motor. What. Servo Motor Drive Block Diagram And Application.
From howtomechatronics.com
How to Control Servo Motors with Arduino Complete Guide Servo Motor Drive Block Diagram And Application Around the servo drive and motor block is the servo controller that closes the position loop. Further, it also covers brushless dc motor operating principle and its. This guide covers dc servo motor and stepper motor working principle, block diagrams, and their applications. What is a servo motor? A servo motor is a rotational or translational motor that receives power. Servo Motor Drive Block Diagram And Application.
From www.makerguides.com
How to Control Servo Motors with Arduino (3 Examples) Servo Motor Drive Block Diagram And Application Further, it also covers brushless dc motor operating principle and its. Construction of a servo motor. The servo system vary the. A servo motor is a rotational or translational motor that receives power from a servo amplifier and creates torque or force for a mechanical system, such as an actuator or brake. A servo motor is defined as an electric. Servo Motor Drive Block Diagram And Application.
From electricalworkbook.com
AC Servo motor Working Principle, Circuit Diagram, Construction Servo Motor Drive Block Diagram And Application A servo motor is defined as an electric motor that allows for precise control of angular or linear position, speed, and torque. A basic servo controller generally contains both a. The servomotor includes the motor that drives the load and a position detection component, such as an encoder. What is a servo motor? This guide covers dc servo motor and. Servo Motor Drive Block Diagram And Application.
From wagnerchring.blogspot.com
Raspberry Pi Continuous Rotation Servo Sample Wagner Chring Servo Motor Drive Block Diagram And Application Construction of a servo motor. The servomotor includes the motor that drives the load and a position detection component, such as an encoder. Further, it also covers brushless dc motor operating principle and its. A servo motor is defined as an electric motor that allows for precise control of angular or linear position, speed, and torque. What is a servo. Servo Motor Drive Block Diagram And Application.
From rightloki.weebly.com
Servo motor arduino tutorial rightloki Servo Motor Drive Block Diagram And Application This guide covers dc servo motor and stepper motor working principle, block diagrams, and their applications. The servo system vary the. Construction of a servo motor. The servomotor includes the motor that drives the load and a position detection component, such as an encoder. What is a servo motor? A basic servo controller generally contains both a. Further, it also. Servo Motor Drive Block Diagram And Application.
From diagramlibraryalicia55.z19.web.core.windows.net
Servo Motor Driver Circuit Diagram Servo Motor Drive Block Diagram And Application The servo system vary the. A basic servo controller generally contains both a. What is a servo motor? Further, it also covers brushless dc motor operating principle and its. The servomotor includes the motor that drives the load and a position detection component, such as an encoder. This guide covers dc servo motor and stepper motor working principle, block diagrams,. Servo Motor Drive Block Diagram And Application.
From wirewiringburger.z21.web.core.windows.net
Arduino Uno Servo Wiring Diagrams Servo Motor Drive Block Diagram And Application Construction of a servo motor. A servo motor is defined as an electric motor that allows for precise control of angular or linear position, speed, and torque. A servo motor is a rotational or translational motor that receives power from a servo amplifier and creates torque or force for a mechanical system, such as an actuator or brake. A basic. Servo Motor Drive Block Diagram And Application.
From circuitdigest.com
Bluetooth Controlled Servo Motor using Arduino Servo Motor Drive Block Diagram And Application A basic servo controller generally contains both a. This guide covers dc servo motor and stepper motor working principle, block diagrams, and their applications. A servo motor is a rotational or translational motor that receives power from a servo amplifier and creates torque or force for a mechanical system, such as an actuator or brake. The servomotor includes the motor. Servo Motor Drive Block Diagram And Application.