Balanced Pi Attenuator Calculator . Learn the pi attenuator formula, how to use it, and see examples of 40 db attenuator. Find the value of balanced resistor (r1) for any balanced attenuator by entering the required attenuation and characteristic impedance (zo) with the use of this balanced. The image below shows the mathematical steps that prove the equations are correct. The only requirement is to enter the desired attenuation in decibels (db) and the characteristic impedance. This calculator is designed to help calculate the value of the resistor to be used in a balanced rf attenuator. Enter the attenuation and impedance and get the r1 and r2 resistors in ohms. Choose from tee, pi, bridged tee, reflection or balanced attenuators and get the results in a table. It uses a source resistance of 50 ohms and a load resistance of 100 ohms, with an attenuation of 10 db. Calculate the resistance values for various attenuator configurations using impedance and attenuation level. Calculate the resistor values for a pi attenuator circuit with this online tool. Choose from pi, tee, bridged tee, balanced and reflection attenuator circuits. Calculate pi attenuator resistor values for equal or unequal impedances using this online tool. Calculate the resistance values of different types of attenuators using attenuation and impedance.
from nerdytechy.com
Calculate pi attenuator resistor values for equal or unequal impedances using this online tool. It uses a source resistance of 50 ohms and a load resistance of 100 ohms, with an attenuation of 10 db. Calculate the resistor values for a pi attenuator circuit with this online tool. Calculate the resistance values of different types of attenuators using attenuation and impedance. Choose from tee, pi, bridged tee, reflection or balanced attenuators and get the results in a table. The image below shows the mathematical steps that prove the equations are correct. Find the value of balanced resistor (r1) for any balanced attenuator by entering the required attenuation and characteristic impedance (zo) with the use of this balanced. This calculator is designed to help calculate the value of the resistor to be used in a balanced rf attenuator. Calculate the resistance values for various attenuator configurations using impedance and attenuation level. Learn the pi attenuator formula, how to use it, and see examples of 40 db attenuator.
Pi Attenuator Calculator Online Calculation and Formula NerdyTechy
Balanced Pi Attenuator Calculator Learn the pi attenuator formula, how to use it, and see examples of 40 db attenuator. Calculate the resistor values for a pi attenuator circuit with this online tool. Find the value of balanced resistor (r1) for any balanced attenuator by entering the required attenuation and characteristic impedance (zo) with the use of this balanced. Calculate pi attenuator resistor values for equal or unequal impedances using this online tool. This calculator is designed to help calculate the value of the resistor to be used in a balanced rf attenuator. Choose from tee, pi, bridged tee, reflection or balanced attenuators and get the results in a table. Choose from pi, tee, bridged tee, balanced and reflection attenuator circuits. It uses a source resistance of 50 ohms and a load resistance of 100 ohms, with an attenuation of 10 db. Learn the pi attenuator formula, how to use it, and see examples of 40 db attenuator. The image below shows the mathematical steps that prove the equations are correct. Calculate the resistance values of different types of attenuators using attenuation and impedance. The only requirement is to enter the desired attenuation in decibels (db) and the characteristic impedance. Enter the attenuation and impedance and get the r1 and r2 resistors in ohms. Calculate the resistance values for various attenuator configurations using impedance and attenuation level.
From oshwlab.com
attenuator balanced EasyEDA open source hardware lab Balanced Pi Attenuator Calculator Calculate the resistor values for a pi attenuator circuit with this online tool. Calculate the resistance values of different types of attenuators using attenuation and impedance. The image below shows the mathematical steps that prove the equations are correct. The only requirement is to enter the desired attenuation in decibels (db) and the characteristic impedance. Find the value of balanced. Balanced Pi Attenuator Calculator.
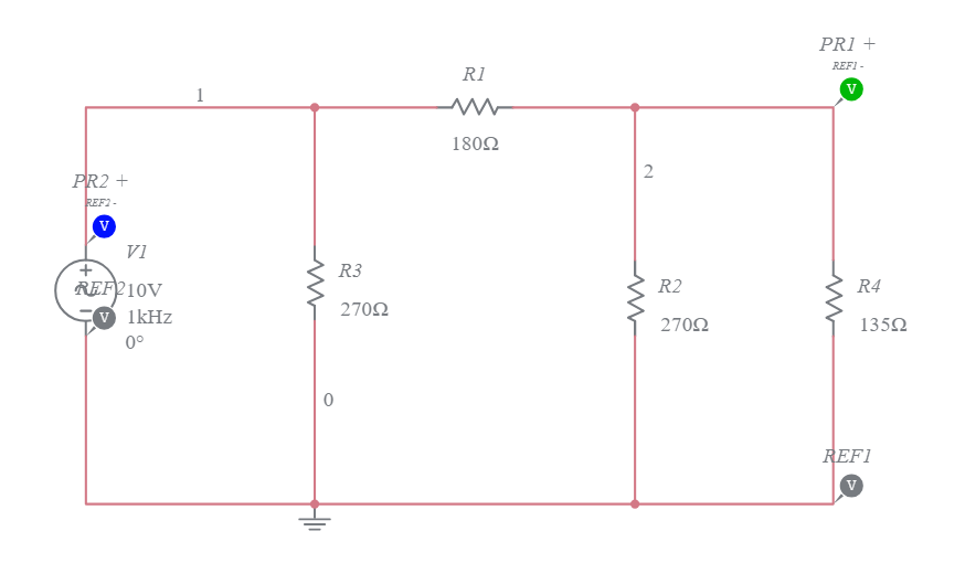
From electronics.stackexchange.com
Error in simulation results for balanced pi type attenuator Electrical Engineering Stack Exchange Balanced Pi Attenuator Calculator The only requirement is to enter the desired attenuation in decibels (db) and the characteristic impedance. This calculator is designed to help calculate the value of the resistor to be used in a balanced rf attenuator. Find the value of balanced resistor (r1) for any balanced attenuator by entering the required attenuation and characteristic impedance (zo) with the use of. Balanced Pi Attenuator Calculator.
From nerdytechy.com
Pi Attenuator Calculator Online Calculation and Formula NerdyTechy Balanced Pi Attenuator Calculator Learn the pi attenuator formula, how to use it, and see examples of 40 db attenuator. Find the value of balanced resistor (r1) for any balanced attenuator by entering the required attenuation and characteristic impedance (zo) with the use of this balanced. Choose from tee, pi, bridged tee, reflection or balanced attenuators and get the results in a table. This. Balanced Pi Attenuator Calculator.
From www.researchgate.net
Pi attenuator with an inductor to resonate the series arm's capacitance Download Scientific Balanced Pi Attenuator Calculator The only requirement is to enter the desired attenuation in decibels (db) and the characteristic impedance. Calculate pi attenuator resistor values for equal or unequal impedances using this online tool. It uses a source resistance of 50 ohms and a load resistance of 100 ohms, with an attenuation of 10 db. Enter the attenuation and impedance and get the r1. Balanced Pi Attenuator Calculator.
From www.dxzone.com
RF Attenuator Calculator Resource Detail Balanced Pi Attenuator Calculator It uses a source resistance of 50 ohms and a load resistance of 100 ohms, with an attenuation of 10 db. Find the value of balanced resistor (r1) for any balanced attenuator by entering the required attenuation and characteristic impedance (zo) with the use of this balanced. Calculate the resistance values of different types of attenuators using attenuation and impedance.. Balanced Pi Attenuator Calculator.
From www.esdemc.com
Attenuator Calculators ESDEMC TechnologyESDEMC Technology Balanced Pi Attenuator Calculator Find the value of balanced resistor (r1) for any balanced attenuator by entering the required attenuation and characteristic impedance (zo) with the use of this balanced. This calculator is designed to help calculate the value of the resistor to be used in a balanced rf attenuator. Calculate the resistance values of different types of attenuators using attenuation and impedance. Calculate. Balanced Pi Attenuator Calculator.
From www.allaboutcircuits.com
Attenuators Amplifiers and Active Devices Electronics Textbook Balanced Pi Attenuator Calculator Find the value of balanced resistor (r1) for any balanced attenuator by entering the required attenuation and characteristic impedance (zo) with the use of this balanced. Enter the attenuation and impedance and get the r1 and r2 resistors in ohms. Calculate the resistance values for various attenuator configurations using impedance and attenuation level. Choose from pi, tee, bridged tee, balanced. Balanced Pi Attenuator Calculator.
From www.onesdr.com
dB Attenuator Calculator OneSDR A Wireless Technology Blog Balanced Pi Attenuator Calculator Choose from pi, tee, bridged tee, balanced and reflection attenuator circuits. Calculate the resistor values for a pi attenuator circuit with this online tool. Learn the pi attenuator formula, how to use it, and see examples of 40 db attenuator. The only requirement is to enter the desired attenuation in decibels (db) and the characteristic impedance. Enter the attenuation and. Balanced Pi Attenuator Calculator.
From www.electronicsforu.com
Electronics Calculators Archives Page 5 of 7 Electronics For You Balanced Pi Attenuator Calculator Calculate the resistance values of different types of attenuators using attenuation and impedance. The image below shows the mathematical steps that prove the equations are correct. Enter the attenuation and impedance and get the r1 and r2 resistors in ohms. Learn the pi attenuator formula, how to use it, and see examples of 40 db attenuator. Calculate the resistance values. Balanced Pi Attenuator Calculator.
From werbelmicrowave.com
Pi Attenuator Table Microwave RF Components Couplers Dividers Test & Measurement Balanced Pi Attenuator Calculator Calculate the resistance values of different types of attenuators using attenuation and impedance. Choose from pi, tee, bridged tee, balanced and reflection attenuator circuits. The image below shows the mathematical steps that prove the equations are correct. Choose from tee, pi, bridged tee, reflection or balanced attenuators and get the results in a table. The only requirement is to enter. Balanced Pi Attenuator Calculator.
From oshwlab.com
PI Attenuator (SMD) EasyEDA open source hardware lab Balanced Pi Attenuator Calculator It uses a source resistance of 50 ohms and a load resistance of 100 ohms, with an attenuation of 10 db. Calculate the resistance values for various attenuator configurations using impedance and attenuation level. Calculate the resistor values for a pi attenuator circuit with this online tool. Calculate the resistance values of different types of attenuators using attenuation and impedance.. Balanced Pi Attenuator Calculator.
From docs.kicad.org
PCB Calculator 5.1 English Documentation KiCad Balanced Pi Attenuator Calculator Calculate pi attenuator resistor values for equal or unequal impedances using this online tool. The only requirement is to enter the desired attenuation in decibels (db) and the characteristic impedance. Calculate the resistance values of different types of attenuators using attenuation and impedance. Choose from pi, tee, bridged tee, balanced and reflection attenuator circuits. The image below shows the mathematical. Balanced Pi Attenuator Calculator.
From nerdytechy.com
Pi Attenuator Calculator Online Calculation and Formula NerdyTechy Balanced Pi Attenuator Calculator Find the value of balanced resistor (r1) for any balanced attenuator by entering the required attenuation and characteristic impedance (zo) with the use of this balanced. Enter the attenuation and impedance and get the r1 and r2 resistors in ohms. This calculator is designed to help calculate the value of the resistor to be used in a balanced rf attenuator.. Balanced Pi Attenuator Calculator.
From www.chegg.com
Solved Design of a Pi Attenuator You may have worked hard to Balanced Pi Attenuator Calculator Calculate the resistor values for a pi attenuator circuit with this online tool. Choose from pi, tee, bridged tee, balanced and reflection attenuator circuits. It uses a source resistance of 50 ohms and a load resistance of 100 ohms, with an attenuation of 10 db. Choose from tee, pi, bridged tee, reflection or balanced attenuators and get the results in. Balanced Pi Attenuator Calculator.
From www.omnicalculator.com
Pi Attenuator Calculator Balanced Pi Attenuator Calculator Calculate the resistor values for a pi attenuator circuit with this online tool. Choose from tee, pi, bridged tee, reflection or balanced attenuators and get the results in a table. Choose from pi, tee, bridged tee, balanced and reflection attenuator circuits. Learn the pi attenuator formula, how to use it, and see examples of 40 db attenuator. This calculator is. Balanced Pi Attenuator Calculator.
From www.abex.co.uk
Abex (UK) BridgedTee Attenuator Calculator Balanced Pi Attenuator Calculator It uses a source resistance of 50 ohms and a load resistance of 100 ohms, with an attenuation of 10 db. This calculator is designed to help calculate the value of the resistor to be used in a balanced rf attenuator. Calculate pi attenuator resistor values for equal or unequal impedances using this online tool. Find the value of balanced. Balanced Pi Attenuator Calculator.
From pa1b-qrp.blogspot.com
PA1B's QRPp Blog 10 dB Attenuators Balanced Pi Attenuator Calculator Enter the attenuation and impedance and get the r1 and r2 resistors in ohms. Learn the pi attenuator formula, how to use it, and see examples of 40 db attenuator. Choose from tee, pi, bridged tee, reflection or balanced attenuators and get the results in a table. Calculate the resistor values for a pi attenuator circuit with this online tool.. Balanced Pi Attenuator Calculator.
From www.allaboutcircuits.com
Attenuators Amplifiers and Active Devices Electronics Textbook Balanced Pi Attenuator Calculator Choose from pi, tee, bridged tee, balanced and reflection attenuator circuits. Learn the pi attenuator formula, how to use it, and see examples of 40 db attenuator. This calculator is designed to help calculate the value of the resistor to be used in a balanced rf attenuator. Find the value of balanced resistor (r1) for any balanced attenuator by entering. Balanced Pi Attenuator Calculator.
From www.qsl.net
Mile Kokotov RF Step Attenuator Balanced Pi Attenuator Calculator Learn the pi attenuator formula, how to use it, and see examples of 40 db attenuator. Calculate the resistance values of different types of attenuators using attenuation and impedance. Calculate the resistor values for a pi attenuator circuit with this online tool. Calculate the resistance values for various attenuator configurations using impedance and attenuation level. The only requirement is to. Balanced Pi Attenuator Calculator.
From www.researchgate.net
PIattenuator designed with three PIN diodes Download Scientific Diagram Balanced Pi Attenuator Calculator Calculate the resistance values of different types of attenuators using attenuation and impedance. This calculator is designed to help calculate the value of the resistor to be used in a balanced rf attenuator. Find the value of balanced resistor (r1) for any balanced attenuator by entering the required attenuation and characteristic impedance (zo) with the use of this balanced. The. Balanced Pi Attenuator Calculator.
From www.zuken.com
Using Fixed Pi Attenuator for Estimated Cable Insertion Loss Simulation Zuken US Balanced Pi Attenuator Calculator Calculate pi attenuator resistor values for equal or unequal impedances using this online tool. Calculate the resistance values for various attenuator configurations using impedance and attenuation level. Learn the pi attenuator formula, how to use it, and see examples of 40 db attenuator. The only requirement is to enter the desired attenuation in decibels (db) and the characteristic impedance. Calculate. Balanced Pi Attenuator Calculator.
From www.qsl.net
Matching T Attenuator Calculator Balanced Pi Attenuator Calculator The image below shows the mathematical steps that prove the equations are correct. The only requirement is to enter the desired attenuation in decibels (db) and the characteristic impedance. Learn the pi attenuator formula, how to use it, and see examples of 40 db attenuator. It uses a source resistance of 50 ohms and a load resistance of 100 ohms,. Balanced Pi Attenuator Calculator.
From solderingmind.com
Pi Resistor Attenuator Calculator Soldering Mind Balanced Pi Attenuator Calculator Calculate the resistance values of different types of attenuators using attenuation and impedance. Find the value of balanced resistor (r1) for any balanced attenuator by entering the required attenuation and characteristic impedance (zo) with the use of this balanced. Calculate the resistance values for various attenuator configurations using impedance and attenuation level. This calculator is designed to help calculate the. Balanced Pi Attenuator Calculator.
From www.multisim.com
pi network attenuator Multisim Live Balanced Pi Attenuator Calculator Enter the attenuation and impedance and get the r1 and r2 resistors in ohms. Find the value of balanced resistor (r1) for any balanced attenuator by entering the required attenuation and characteristic impedance (zo) with the use of this balanced. Calculate the resistance values for various attenuator configurations using impedance and attenuation level. Calculate the resistance values of different types. Balanced Pi Attenuator Calculator.
From 3roam.com
50 Ohm Attenuator Calculator Balanced Pi Attenuator Calculator Calculate the resistor values for a pi attenuator circuit with this online tool. Choose from pi, tee, bridged tee, balanced and reflection attenuator circuits. This calculator is designed to help calculate the value of the resistor to be used in a balanced rf attenuator. The only requirement is to enter the desired attenuation in decibels (db) and the characteristic impedance.. Balanced Pi Attenuator Calculator.
From 3roam.com
Pi Attenuator Calculator (with Examples) Balanced Pi Attenuator Calculator The image below shows the mathematical steps that prove the equations are correct. Calculate pi attenuator resistor values for equal or unequal impedances using this online tool. Calculate the resistance values of different types of attenuators using attenuation and impedance. It uses a source resistance of 50 ohms and a load resistance of 100 ohms, with an attenuation of 10. Balanced Pi Attenuator Calculator.
From syncchannel.blogspot.com
The Sync Channel Blog Quick PCB Pi Attenuator Balanced Pi Attenuator Calculator This calculator is designed to help calculate the value of the resistor to be used in a balanced rf attenuator. Choose from tee, pi, bridged tee, reflection or balanced attenuators and get the results in a table. Calculate pi attenuator resistor values for equal or unequal impedances using this online tool. The image below shows the mathematical steps that prove. Balanced Pi Attenuator Calculator.
From www.electronicproducts.com
Vishay Intertechnology CZB series thickfilm chip attenuator with balanced pi filter saves space Balanced Pi Attenuator Calculator Enter the attenuation and impedance and get the r1 and r2 resistors in ohms. Calculate pi attenuator resistor values for equal or unequal impedances using this online tool. Calculate the resistor values for a pi attenuator circuit with this online tool. The image below shows the mathematical steps that prove the equations are correct. Choose from pi, tee, bridged tee,. Balanced Pi Attenuator Calculator.
From www.youtube.com
pitype attenuator YouTube Balanced Pi Attenuator Calculator Calculate pi attenuator resistor values for equal or unequal impedances using this online tool. It uses a source resistance of 50 ohms and a load resistance of 100 ohms, with an attenuation of 10 db. The image below shows the mathematical steps that prove the equations are correct. This calculator is designed to help calculate the value of the resistor. Balanced Pi Attenuator Calculator.
From www.qsl.net
Impedance Matching Pi Attenuator Calculator Balanced Pi Attenuator Calculator It uses a source resistance of 50 ohms and a load resistance of 100 ohms, with an attenuation of 10 db. The only requirement is to enter the desired attenuation in decibels (db) and the characteristic impedance. This calculator is designed to help calculate the value of the resistor to be used in a balanced rf attenuator. The image below. Balanced Pi Attenuator Calculator.
From tubecad.com
Balanced Step Attenuator & Aikido Hybrid Amplifier Balanced Pi Attenuator Calculator Find the value of balanced resistor (r1) for any balanced attenuator by entering the required attenuation and characteristic impedance (zo) with the use of this balanced. Calculate the resistance values of different types of attenuators using attenuation and impedance. The image below shows the mathematical steps that prove the equations are correct. Learn the pi attenuator formula, how to use. Balanced Pi Attenuator Calculator.
From 3roam.com
Pi Attenuator Calculator (with Examples) Balanced Pi Attenuator Calculator Find the value of balanced resistor (r1) for any balanced attenuator by entering the required attenuation and characteristic impedance (zo) with the use of this balanced. Calculate the resistance values of different types of attenuators using attenuation and impedance. Learn the pi attenuator formula, how to use it, and see examples of 40 db attenuator. Choose from pi, tee, bridged. Balanced Pi Attenuator Calculator.
From www.barryind.com
Barry Industries Balanced PI Chip Attenuators Balanced Pi Attenuator Calculator Learn the pi attenuator formula, how to use it, and see examples of 40 db attenuator. Find the value of balanced resistor (r1) for any balanced attenuator by entering the required attenuation and characteristic impedance (zo) with the use of this balanced. Calculate the resistance values for various attenuator configurations using impedance and attenuation level. The only requirement is to. Balanced Pi Attenuator Calculator.
From www.onesdr.com
dB Attenuator Calculator OneSDR A Wireless Technology Blog Balanced Pi Attenuator Calculator Find the value of balanced resistor (r1) for any balanced attenuator by entering the required attenuation and characteristic impedance (zo) with the use of this balanced. This calculator is designed to help calculate the value of the resistor to be used in a balanced rf attenuator. Calculate pi attenuator resistor values for equal or unequal impedances using this online tool.. Balanced Pi Attenuator Calculator.
From www.softpedia.com
Attenuator Calculator 1.2 Download, Screenshots Balanced Pi Attenuator Calculator Learn the pi attenuator formula, how to use it, and see examples of 40 db attenuator. Find the value of balanced resistor (r1) for any balanced attenuator by entering the required attenuation and characteristic impedance (zo) with the use of this balanced. Calculate the resistance values of different types of attenuators using attenuation and impedance. Calculate pi attenuator resistor values. Balanced Pi Attenuator Calculator.