Negative Voltage Monitoring . It has adjustable trip values, glitch. Mc33161 is a device for positive and negative voltage detection with hysteresis, mode select input, and open collector outputs. Feed the negative voltage signal to the input side of the mirror through an appropriate resistor. The same current should then flow through the output transistor of the mirror. The ltc2914 is a micropower device that monitors four voltages simultaneously and provides overvoltage and undervoltage outputs. The tps3860x0 family of supply voltage supervisors (svss) can monitor four power rails that are greater than 0.4 v and one power rail. The ltc®2919 is a triple/dual input monitor intended for a variety of system monitoring applications.
from wattsview.com
Mc33161 is a device for positive and negative voltage detection with hysteresis, mode select input, and open collector outputs. The ltc®2919 is a triple/dual input monitor intended for a variety of system monitoring applications. Feed the negative voltage signal to the input side of the mirror through an appropriate resistor. It has adjustable trip values, glitch. The ltc2914 is a micropower device that monitors four voltages simultaneously and provides overvoltage and undervoltage outputs. The tps3860x0 family of supply voltage supervisors (svss) can monitor four power rails that are greater than 0.4 v and one power rail. The same current should then flow through the output transistor of the mirror.
WattsVIEW 50KW 250A DC Power Monitor WattsVIEW Power Monitor
Negative Voltage Monitoring Mc33161 is a device for positive and negative voltage detection with hysteresis, mode select input, and open collector outputs. Mc33161 is a device for positive and negative voltage detection with hysteresis, mode select input, and open collector outputs. The same current should then flow through the output transistor of the mirror. The tps3860x0 family of supply voltage supervisors (svss) can monitor four power rails that are greater than 0.4 v and one power rail. The ltc2914 is a micropower device that monitors four voltages simultaneously and provides overvoltage and undervoltage outputs. Feed the negative voltage signal to the input side of the mirror through an appropriate resistor. The ltc®2919 is a triple/dual input monitor intended for a variety of system monitoring applications. It has adjustable trip values, glitch.
From electrouniversity.com
What does negative voltage mean on a multimeter? Explained Negative Voltage Monitoring The ltc®2919 is a triple/dual input monitor intended for a variety of system monitoring applications. The same current should then flow through the output transistor of the mirror. Feed the negative voltage signal to the input side of the mirror through an appropriate resistor. The ltc2914 is a micropower device that monitors four voltages simultaneously and provides overvoltage and undervoltage. Negative Voltage Monitoring.
From www.bdtic.com
LTC2914 Quad UV/OV Positive/Negative Voltage Monitor _ BDTIC a Negative Voltage Monitoring The tps3860x0 family of supply voltage supervisors (svss) can monitor four power rails that are greater than 0.4 v and one power rail. Mc33161 is a device for positive and negative voltage detection with hysteresis, mode select input, and open collector outputs. The ltc®2919 is a triple/dual input monitor intended for a variety of system monitoring applications. It has adjustable. Negative Voltage Monitoring.
From www.bdtic.com
LTC2909 Precision Triple/Dual Input UV, OV and Negative Voltage Negative Voltage Monitoring The tps3860x0 family of supply voltage supervisors (svss) can monitor four power rails that are greater than 0.4 v and one power rail. The ltc®2919 is a triple/dual input monitor intended for a variety of system monitoring applications. The same current should then flow through the output transistor of the mirror. Mc33161 is a device for positive and negative voltage. Negative Voltage Monitoring.
From wattsview.com
WattsVIEW 50KW 250A DC Power Monitor WattsVIEW Power Monitor Negative Voltage Monitoring It has adjustable trip values, glitch. The ltc2914 is a micropower device that monitors four voltages simultaneously and provides overvoltage and undervoltage outputs. Feed the negative voltage signal to the input side of the mirror through an appropriate resistor. The tps3860x0 family of supply voltage supervisors (svss) can monitor four power rails that are greater than 0.4 v and one. Negative Voltage Monitoring.
From www.researchgate.net
Positive and negative peak detector circuits. Download Scientific Diagram Negative Voltage Monitoring The ltc2914 is a micropower device that monitors four voltages simultaneously and provides overvoltage and undervoltage outputs. It has adjustable trip values, glitch. Mc33161 is a device for positive and negative voltage detection with hysteresis, mode select input, and open collector outputs. Feed the negative voltage signal to the input side of the mirror through an appropriate resistor. The tps3860x0. Negative Voltage Monitoring.
From www.thanksbuyer.com
KWBPVCCS0100 Positive and Negative 100mA AC and DC Adjustable Voltage Negative Voltage Monitoring The ltc®2919 is a triple/dual input monitor intended for a variety of system monitoring applications. Mc33161 is a device for positive and negative voltage detection with hysteresis, mode select input, and open collector outputs. It has adjustable trip values, glitch. The tps3860x0 family of supply voltage supervisors (svss) can monitor four power rails that are greater than 0.4 v and. Negative Voltage Monitoring.
From www.bdtic.com
LTC2914 Quad UV/OV Positive/Negative Voltage Monitor _ BDTIC a Negative Voltage Monitoring The same current should then flow through the output transistor of the mirror. It has adjustable trip values, glitch. The ltc®2919 is a triple/dual input monitor intended for a variety of system monitoring applications. Feed the negative voltage signal to the input side of the mirror through an appropriate resistor. The ltc2914 is a micropower device that monitors four voltages. Negative Voltage Monitoring.
From www.amazon.com
DiversiTech DSP1 Corporation Digital Single Phase Line Voltage Monitor Negative Voltage Monitoring The ltc2914 is a micropower device that monitors four voltages simultaneously and provides overvoltage and undervoltage outputs. The ltc®2919 is a triple/dual input monitor intended for a variety of system monitoring applications. The tps3860x0 family of supply voltage supervisors (svss) can monitor four power rails that are greater than 0.4 v and one power rail. Mc33161 is a device for. Negative Voltage Monitoring.
From www.bdtic.com
LTC2919 Precision Triple/Dual Input UV, OV and Negative Voltage Negative Voltage Monitoring The ltc2914 is a micropower device that monitors four voltages simultaneously and provides overvoltage and undervoltage outputs. Mc33161 is a device for positive and negative voltage detection with hysteresis, mode select input, and open collector outputs. Feed the negative voltage signal to the input side of the mirror through an appropriate resistor. The ltc®2919 is a triple/dual input monitor intended. Negative Voltage Monitoring.
From www.aliexpress.com
LED Display Digital High Accuracy DC Voltmeter Voltage Meter Monitor Negative Voltage Monitoring The same current should then flow through the output transistor of the mirror. The tps3860x0 family of supply voltage supervisors (svss) can monitor four power rails that are greater than 0.4 v and one power rail. Feed the negative voltage signal to the input side of the mirror through an appropriate resistor. The ltc2914 is a micropower device that monitors. Negative Voltage Monitoring.
From www.electroniclinic.com
Arduino AC voltage Monitoring “Over voltage, Normal, and Undervoltage Negative Voltage Monitoring The same current should then flow through the output transistor of the mirror. The tps3860x0 family of supply voltage supervisors (svss) can monitor four power rails that are greater than 0.4 v and one power rail. Mc33161 is a device for positive and negative voltage detection with hysteresis, mode select input, and open collector outputs. Feed the negative voltage signal. Negative Voltage Monitoring.
From controlscentral.com
DiversiTech Corporation DTP3 Digital Three Phase Line Voltage Monitor Negative Voltage Monitoring The same current should then flow through the output transistor of the mirror. The ltc®2919 is a triple/dual input monitor intended for a variety of system monitoring applications. The ltc2914 is a micropower device that monitors four voltages simultaneously and provides overvoltage and undervoltage outputs. Mc33161 is a device for positive and negative voltage detection with hysteresis, mode select input,. Negative Voltage Monitoring.
From www.amcolhardwarett.com
PROGRAMMABLE VOLTAGE MONITOR 3 PHASE Americas Marketing Company Negative Voltage Monitoring The ltc®2919 is a triple/dual input monitor intended for a variety of system monitoring applications. Mc33161 is a device for positive and negative voltage detection with hysteresis, mode select input, and open collector outputs. The tps3860x0 family of supply voltage supervisors (svss) can monitor four power rails that are greater than 0.4 v and one power rail. The same current. Negative Voltage Monitoring.
From e2e.ti.com
TPS3700 TPS3700 negative voltage monitoring application Power Negative Voltage Monitoring Feed the negative voltage signal to the input side of the mirror through an appropriate resistor. The ltc®2919 is a triple/dual input monitor intended for a variety of system monitoring applications. The ltc2914 is a micropower device that monitors four voltages simultaneously and provides overvoltage and undervoltage outputs. Mc33161 is a device for positive and negative voltage detection with hysteresis,. Negative Voltage Monitoring.
From www.globalnerdy.com
How to choose the right power adapter or charger for your devices Negative Voltage Monitoring The ltc®2919 is a triple/dual input monitor intended for a variety of system monitoring applications. The tps3860x0 family of supply voltage supervisors (svss) can monitor four power rails that are greater than 0.4 v and one power rail. The ltc2914 is a micropower device that monitors four voltages simultaneously and provides overvoltage and undervoltage outputs. It has adjustable trip values,. Negative Voltage Monitoring.
From www.bdtic.com
LTC2919 Precision Triple/Dual Input UV, OV and Negative Voltage Negative Voltage Monitoring Mc33161 is a device for positive and negative voltage detection with hysteresis, mode select input, and open collector outputs. The tps3860x0 family of supply voltage supervisors (svss) can monitor four power rails that are greater than 0.4 v and one power rail. The same current should then flow through the output transistor of the mirror. The ltc®2919 is a triple/dual. Negative Voltage Monitoring.
From electronicshacks.com
What Does Negative Voltage Mean on a Multimeter? ElectronicsHacks Negative Voltage Monitoring The tps3860x0 family of supply voltage supervisors (svss) can monitor four power rails that are greater than 0.4 v and one power rail. Mc33161 is a device for positive and negative voltage detection with hysteresis, mode select input, and open collector outputs. It has adjustable trip values, glitch. The ltc2914 is a micropower device that monitors four voltages simultaneously and. Negative Voltage Monitoring.
From www.eleccircuit.com
Digital voltmeter circuit diagram using ICL7107 / 7106 with PCB Negative Voltage Monitoring The ltc®2919 is a triple/dual input monitor intended for a variety of system monitoring applications. The same current should then flow through the output transistor of the mirror. It has adjustable trip values, glitch. The ltc2914 is a micropower device that monitors four voltages simultaneously and provides overvoltage and undervoltage outputs. Feed the negative voltage signal to the input side. Negative Voltage Monitoring.
From www.analog.com
100V Micropower Voltage Monitor Provides Flexible Monitoring of Negative Voltage Monitoring Feed the negative voltage signal to the input side of the mirror through an appropriate resistor. The ltc2914 is a micropower device that monitors four voltages simultaneously and provides overvoltage and undervoltage outputs. The ltc®2919 is a triple/dual input monitor intended for a variety of system monitoring applications. It has adjustable trip values, glitch. The tps3860x0 family of supply voltage. Negative Voltage Monitoring.
From www.datasheets.com
Typical Application for LTC2992HDE Dual 12V High Power Monitor with One Negative Voltage Monitoring The ltc®2919 is a triple/dual input monitor intended for a variety of system monitoring applications. Feed the negative voltage signal to the input side of the mirror through an appropriate resistor. The ltc2914 is a micropower device that monitors four voltages simultaneously and provides overvoltage and undervoltage outputs. It has adjustable trip values, glitch. Mc33161 is a device for positive. Negative Voltage Monitoring.
From www.aps-systems.ch
Voltage monitoring relay 900VPR2 Negative Voltage Monitoring Feed the negative voltage signal to the input side of the mirror through an appropriate resistor. The tps3860x0 family of supply voltage supervisors (svss) can monitor four power rails that are greater than 0.4 v and one power rail. The ltc2914 is a micropower device that monitors four voltages simultaneously and provides overvoltage and undervoltage outputs. Mc33161 is a device. Negative Voltage Monitoring.
From www.bdtic.com
LTC2910 Octal Positive/Negative Voltage Monitor _ BDTIC a Leading Negative Voltage Monitoring Feed the negative voltage signal to the input side of the mirror through an appropriate resistor. The ltc®2919 is a triple/dual input monitor intended for a variety of system monitoring applications. The same current should then flow through the output transistor of the mirror. Mc33161 is a device for positive and negative voltage detection with hysteresis, mode select input, and. Negative Voltage Monitoring.
From www.circuits-diy.com
Negative Voltage Generator Using 555 IC Negative Voltage Monitoring The tps3860x0 family of supply voltage supervisors (svss) can monitor four power rails that are greater than 0.4 v and one power rail. It has adjustable trip values, glitch. Mc33161 is a device for positive and negative voltage detection with hysteresis, mode select input, and open collector outputs. The ltc2914 is a micropower device that monitors four voltages simultaneously and. Negative Voltage Monitoring.
From semiconductors.es
LTC2910 Monitor Datasheet, Distribuidor, stock y mejor precio Negative Voltage Monitoring Feed the negative voltage signal to the input side of the mirror through an appropriate resistor. Mc33161 is a device for positive and negative voltage detection with hysteresis, mode select input, and open collector outputs. The tps3860x0 family of supply voltage supervisors (svss) can monitor four power rails that are greater than 0.4 v and one power rail. The same. Negative Voltage Monitoring.
From www.circuits-diy.com
Negative Voltage Generator Using 555 IC Negative Voltage Monitoring Mc33161 is a device for positive and negative voltage detection with hysteresis, mode select input, and open collector outputs. The tps3860x0 family of supply voltage supervisors (svss) can monitor four power rails that are greater than 0.4 v and one power rail. The ltc2914 is a micropower device that monitors four voltages simultaneously and provides overvoltage and undervoltage outputs. Feed. Negative Voltage Monitoring.
From www.finnleyelectrical.com.au
What Does a Negative Voltage Mean on a Multimeter? Finnley Electrical Negative Voltage Monitoring The ltc2914 is a micropower device that monitors four voltages simultaneously and provides overvoltage and undervoltage outputs. Mc33161 is a device for positive and negative voltage detection with hysteresis, mode select input, and open collector outputs. The tps3860x0 family of supply voltage supervisors (svss) can monitor four power rails that are greater than 0.4 v and one power rail. The. Negative Voltage Monitoring.
From www.circuits-diy.com
Negative Voltage Generator Negative Voltage Monitoring The tps3860x0 family of supply voltage supervisors (svss) can monitor four power rails that are greater than 0.4 v and one power rail. The same current should then flow through the output transistor of the mirror. The ltc®2919 is a triple/dual input monitor intended for a variety of system monitoring applications. Feed the negative voltage signal to the input side. Negative Voltage Monitoring.
From mrfixitca.com
What Does Negative Voltage Mean on a Multimeter Basic Guide Negative Voltage Monitoring The tps3860x0 family of supply voltage supervisors (svss) can monitor four power rails that are greater than 0.4 v and one power rail. The ltc®2919 is a triple/dual input monitor intended for a variety of system monitoring applications. The ltc2914 is a micropower device that monitors four voltages simultaneously and provides overvoltage and undervoltage outputs. Feed the negative voltage signal. Negative Voltage Monitoring.
From how2electronics.com
Negative Voltage Generator Circuit using 555 Timer IC Negative Voltage Monitoring Mc33161 is a device for positive and negative voltage detection with hysteresis, mode select input, and open collector outputs. The same current should then flow through the output transistor of the mirror. Feed the negative voltage signal to the input side of the mirror through an appropriate resistor. The ltc2914 is a micropower device that monitors four voltages simultaneously and. Negative Voltage Monitoring.
From www.aliexpress.com
Buy DC 2V LED Digital Voltmeter Voltage Measurement Negative Voltage Monitoring It has adjustable trip values, glitch. Mc33161 is a device for positive and negative voltage detection with hysteresis, mode select input, and open collector outputs. The ltc2914 is a micropower device that monitors four voltages simultaneously and provides overvoltage and undervoltage outputs. The tps3860x0 family of supply voltage supervisors (svss) can monitor four power rails that are greater than 0.4. Negative Voltage Monitoring.
From www.semanticscholar.org
Figure 2 from Research on fuel cell voltage monitoring system with Negative Voltage Monitoring The tps3860x0 family of supply voltage supervisors (svss) can monitor four power rails that are greater than 0.4 v and one power rail. It has adjustable trip values, glitch. Mc33161 is a device for positive and negative voltage detection with hysteresis, mode select input, and open collector outputs. Feed the negative voltage signal to the input side of the mirror. Negative Voltage Monitoring.
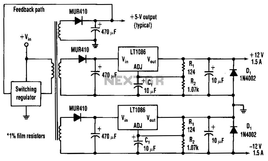
From www.next.gr
Efficientnegativevoltageregulator under ACDC & DCDC Circuits Negative Voltage Monitoring The tps3860x0 family of supply voltage supervisors (svss) can monitor four power rails that are greater than 0.4 v and one power rail. Mc33161 is a device for positive and negative voltage detection with hysteresis, mode select input, and open collector outputs. The ltc®2919 is a triple/dual input monitor intended for a variety of system monitoring applications. The ltc2914 is. Negative Voltage Monitoring.
From www.bdtic.com
LTC2914 Quad UV/OV Positive/Negative Voltage Monitor _ BDTIC a Negative Voltage Monitoring The tps3860x0 family of supply voltage supervisors (svss) can monitor four power rails that are greater than 0.4 v and one power rail. It has adjustable trip values, glitch. Feed the negative voltage signal to the input side of the mirror through an appropriate resistor. The ltc®2919 is a triple/dual input monitor intended for a variety of system monitoring applications.. Negative Voltage Monitoring.
From hyfindr.com
Cell Voltage Monitor CVM EX HYFINDR Negative Voltage Monitoring The tps3860x0 family of supply voltage supervisors (svss) can monitor four power rails that are greater than 0.4 v and one power rail. It has adjustable trip values, glitch. The ltc®2919 is a triple/dual input monitor intended for a variety of system monitoring applications. The ltc2914 is a micropower device that monitors four voltages simultaneously and provides overvoltage and undervoltage. Negative Voltage Monitoring.
From www.arrow.com
LTC2910_Typical Application Reference Design Microprocessor Power Negative Voltage Monitoring The tps3860x0 family of supply voltage supervisors (svss) can monitor four power rails that are greater than 0.4 v and one power rail. The ltc®2919 is a triple/dual input monitor intended for a variety of system monitoring applications. It has adjustable trip values, glitch. The ltc2914 is a micropower device that monitors four voltages simultaneously and provides overvoltage and undervoltage. Negative Voltage Monitoring.