System Basis Chip . Nxp offers a range of system basis chips (sbcs) for automotive applications and control units. Sbcs integrate power management, can, lin, system. Infineon’s system basis chips (sbc) offer high integration and high performance at an optimized system cost for various automotive applications,. St provides a large selection of power management ics and system basis chips (sbc) specifically designed for automotive electronic systems. In addition to infotainment systems, instrumentation. Sbcs combine mainly three functionalities in a single device: A system basis chip (sbc) is an integrated circuit that includes various functions of automotive electronic control units (ecu) on a single die. Power supply, can and/or lin transceivers, and supporting features (mcu.
from www.nxp.com
Sbcs combine mainly three functionalities in a single device: Infineon’s system basis chips (sbc) offer high integration and high performance at an optimized system cost for various automotive applications,. St provides a large selection of power management ics and system basis chips (sbc) specifically designed for automotive electronic systems. Nxp offers a range of system basis chips (sbcs) for automotive applications and control units. Power supply, can and/or lin transceivers, and supporting features (mcu. In addition to infotainment systems, instrumentation. Sbcs integrate power management, can, lin, system. A system basis chip (sbc) is an integrated circuit that includes various functions of automotive electronic control units (ecu) on a single die.
UJA113xA System Basis Chip NXP Semiconductors
System Basis Chip A system basis chip (sbc) is an integrated circuit that includes various functions of automotive electronic control units (ecu) on a single die. Sbcs combine mainly three functionalities in a single device: Nxp offers a range of system basis chips (sbcs) for automotive applications and control units. A system basis chip (sbc) is an integrated circuit that includes various functions of automotive electronic control units (ecu) on a single die. St provides a large selection of power management ics and system basis chips (sbc) specifically designed for automotive electronic systems. Sbcs integrate power management, can, lin, system. Infineon’s system basis chips (sbc) offer high integration and high performance at an optimized system cost for various automotive applications,. Power supply, can and/or lin transceivers, and supporting features (mcu. In addition to infotainment systems, instrumentation.
From www.researchgate.net
SBCD transponder SystemonChip Architecture [6]. Download Scientific System Basis Chip Sbcs combine mainly three functionalities in a single device: A system basis chip (sbc) is an integrated circuit that includes various functions of automotive electronic control units (ecu) on a single die. Nxp offers a range of system basis chips (sbcs) for automotive applications and control units. Sbcs integrate power management, can, lin, system. In addition to infotainment systems, instrumentation.. System Basis Chip.
From promwad.com
System Basis Chip Automotive Can FD Controller Chip System Basis Chip Nxp offers a range of system basis chips (sbcs) for automotive applications and control units. Infineon’s system basis chips (sbc) offer high integration and high performance at an optimized system cost for various automotive applications,. Sbcs combine mainly three functionalities in a single device: Sbcs integrate power management, can, lin, system. A system basis chip (sbc) is an integrated circuit. System Basis Chip.
From promwad.com
System Basis Chip Automotive Can FD Controller Chip System Basis Chip In addition to infotainment systems, instrumentation. Infineon’s system basis chips (sbc) offer high integration and high performance at an optimized system cost for various automotive applications,. Nxp offers a range of system basis chips (sbcs) for automotive applications and control units. A system basis chip (sbc) is an integrated circuit that includes various functions of automotive electronic control units (ecu). System Basis Chip.
From www.aliexpress.com
MC33742DWR2 System Basis Chip (SBC) with Enhanced High Speed CAN System Basis Chip Sbcs combine mainly three functionalities in a single device: Power supply, can and/or lin transceivers, and supporting features (mcu. St provides a large selection of power management ics and system basis chips (sbc) specifically designed for automotive electronic systems. Nxp offers a range of system basis chips (sbcs) for automotive applications and control units. Sbcs integrate power management, can, lin,. System Basis Chip.
From www.mouser.in
TLE92613 System Basis Chips Infineon Technologies Mouser System Basis Chip Infineon’s system basis chips (sbc) offer high integration and high performance at an optimized system cost for various automotive applications,. A system basis chip (sbc) is an integrated circuit that includes various functions of automotive electronic control units (ecu) on a single die. Power supply, can and/or lin transceivers, and supporting features (mcu. Sbcs integrate power management, can, lin, system.. System Basis Chip.
From www.mouser.com
TLE9278BQXV33 MultiCAN System Basis Chip Infineon Technologies Mouser System Basis Chip In addition to infotainment systems, instrumentation. Infineon’s system basis chips (sbc) offer high integration and high performance at an optimized system cost for various automotive applications,. Sbcs combine mainly three functionalities in a single device: A system basis chip (sbc) is an integrated circuit that includes various functions of automotive electronic control units (ecu) on a single die. Nxp offers. System Basis Chip.
From www.infineon.com
System Basis Chips (SBC) Infineon Technologies System Basis Chip Infineon’s system basis chips (sbc) offer high integration and high performance at an optimized system cost for various automotive applications,. St provides a large selection of power management ics and system basis chips (sbc) specifically designed for automotive electronic systems. A system basis chip (sbc) is an integrated circuit that includes various functions of automotive electronic control units (ecu) on. System Basis Chip.
From www.digikey.kr
Schemeit MC33904 System Basis Chip Gen2 with High Speed CAN DigiKey System Basis Chip Power supply, can and/or lin transceivers, and supporting features (mcu. In addition to infotainment systems, instrumentation. Infineon’s system basis chips (sbc) offer high integration and high performance at an optimized system cost for various automotive applications,. Sbcs integrate power management, can, lin, system. Sbcs combine mainly three functionalities in a single device: St provides a large selection of power management. System Basis Chip.
From www.promwad.com
A modern system on a chip is the basis of a successful product System Basis Chip In addition to infotainment systems, instrumentation. St provides a large selection of power management ics and system basis chips (sbc) specifically designed for automotive electronic systems. Nxp offers a range of system basis chips (sbcs) for automotive applications and control units. Sbcs combine mainly three functionalities in a single device: Infineon’s system basis chips (sbc) offer high integration and high. System Basis Chip.
From h2tc.com.vn
System Basis Chips (SBC) H2TC Trading and Technology Co., Ltd System Basis Chip In addition to infotainment systems, instrumentation. A system basis chip (sbc) is an integrated circuit that includes various functions of automotive electronic control units (ecu) on a single die. Infineon’s system basis chips (sbc) offer high integration and high performance at an optimized system cost for various automotive applications,. Nxp offers a range of system basis chips (sbcs) for automotive. System Basis Chip.
From www.powerelectronictips.com
System Basis Chip (SBC) families combine power supply, 5Mbps CAN System Basis Chip Nxp offers a range of system basis chips (sbcs) for automotive applications and control units. St provides a large selection of power management ics and system basis chips (sbc) specifically designed for automotive electronic systems. A system basis chip (sbc) is an integrated circuit that includes various functions of automotive electronic control units (ecu) on a single die. Power supply,. System Basis Chip.
From www.marutsu.co.jp
SYSTEM BASIS CHIP WITH CAN FD, L NCV7451MW0R2G オンセミコンダクター製|電子部品・半導体通販のマルツ System Basis Chip Sbcs combine mainly three functionalities in a single device: Power supply, can and/or lin transceivers, and supporting features (mcu. Sbcs integrate power management, can, lin, system. St provides a large selection of power management ics and system basis chips (sbc) specifically designed for automotive electronic systems. Nxp offers a range of system basis chips (sbcs) for automotive applications and control. System Basis Chip.
From www.thebusinessresearchcompany.com
System Basis Chip Market Report 2024 System Basis Chip Market Trends System Basis Chip Power supply, can and/or lin transceivers, and supporting features (mcu. Infineon’s system basis chips (sbc) offer high integration and high performance at an optimized system cost for various automotive applications,. Sbcs combine mainly three functionalities in a single device: St provides a large selection of power management ics and system basis chips (sbc) specifically designed for automotive electronic systems. In. System Basis Chip.
From kr.element14.com
TLE9471ESV33XUMA1 Infineon System Basis Chip, AECQ100, CAN System Basis Chip In addition to infotainment systems, instrumentation. Infineon’s system basis chips (sbc) offer high integration and high performance at an optimized system cost for various automotive applications,. Sbcs combine mainly three functionalities in a single device: Power supply, can and/or lin transceivers, and supporting features (mcu. St provides a large selection of power management ics and system basis chips (sbc) specifically. System Basis Chip.
From www.elektronikpraxis.vogel.de
SystemBasisChip mit Komponenten für die funktionale Sicherheit System Basis Chip St provides a large selection of power management ics and system basis chips (sbc) specifically designed for automotive electronic systems. In addition to infotainment systems, instrumentation. Sbcs integrate power management, can, lin, system. Nxp offers a range of system basis chips (sbcs) for automotive applications and control units. Power supply, can and/or lin transceivers, and supporting features (mcu. A system. System Basis Chip.
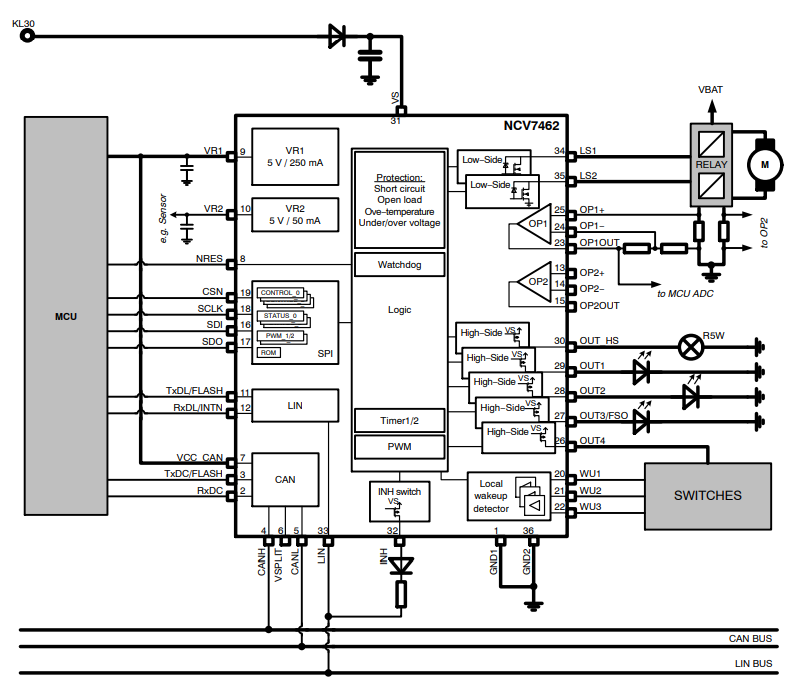
From www.mouser.mx
NCV7462 System Basis Chip onsemi Mouser System Basis Chip A system basis chip (sbc) is an integrated circuit that includes various functions of automotive electronic control units (ecu) on a single die. Sbcs integrate power management, can, lin, system. St provides a large selection of power management ics and system basis chips (sbc) specifically designed for automotive electronic systems. Power supply, can and/or lin transceivers, and supporting features (mcu.. System Basis Chip.
From www.nxp.com
TJA1128 LIN Mini System Basis Chip NXP Semiconductors System Basis Chip Power supply, can and/or lin transceivers, and supporting features (mcu. A system basis chip (sbc) is an integrated circuit that includes various functions of automotive electronic control units (ecu) on a single die. Nxp offers a range of system basis chips (sbcs) for automotive applications and control units. St provides a large selection of power management ics and system basis. System Basis Chip.
From www.nxp.com
CAN/LIN System Basis Chips SBCs NXP System Basis Chip Power supply, can and/or lin transceivers, and supporting features (mcu. Sbcs integrate power management, can, lin, system. A system basis chip (sbc) is an integrated circuit that includes various functions of automotive electronic control units (ecu) on a single die. Sbcs combine mainly three functionalities in a single device: St provides a large selection of power management ics and system. System Basis Chip.
From www.ebay.com
(1PCS) MC33911BAC IC SYSTEM BASIS CHIP 32LQFP 33911 MC33911 eBay System Basis Chip Sbcs combine mainly three functionalities in a single device: A system basis chip (sbc) is an integrated circuit that includes various functions of automotive electronic control units (ecu) on a single die. In addition to infotainment systems, instrumentation. Sbcs integrate power management, can, lin, system. St provides a large selection of power management ics and system basis chips (sbc) specifically. System Basis Chip.
From th.mouser.com
FS6500 System Basis Chip NXP Semiconductors Mouser System Basis Chip Power supply, can and/or lin transceivers, and supporting features (mcu. In addition to infotainment systems, instrumentation. Infineon’s system basis chips (sbc) offer high integration and high performance at an optimized system cost for various automotive applications,. Sbcs integrate power management, can, lin, system. Sbcs combine mainly three functionalities in a single device: Nxp offers a range of system basis chips. System Basis Chip.
From eu.mouser.com
NCV7462 System Basis Chip onsemi Mouser System Basis Chip Infineon’s system basis chips (sbc) offer high integration and high performance at an optimized system cost for various automotive applications,. St provides a large selection of power management ics and system basis chips (sbc) specifically designed for automotive electronic systems. Sbcs integrate power management, can, lin, system. In addition to infotainment systems, instrumentation. Sbcs combine mainly three functionalities in a. System Basis Chip.
From h2tc.com.vn
System Basis Chips (SBC) H2TC Trading and Technology Co., Ltd System Basis Chip Power supply, can and/or lin transceivers, and supporting features (mcu. St provides a large selection of power management ics and system basis chips (sbc) specifically designed for automotive electronic systems. Sbcs integrate power management, can, lin, system. In addition to infotainment systems, instrumentation. Sbcs combine mainly three functionalities in a single device: Infineon’s system basis chips (sbc) offer high integration. System Basis Chip.
From www.infineon.com
New Infineon System Basis Chips are the first to allow high speed System Basis Chip Sbcs integrate power management, can, lin, system. St provides a large selection of power management ics and system basis chips (sbc) specifically designed for automotive electronic systems. A system basis chip (sbc) is an integrated circuit that includes various functions of automotive electronic control units (ecu) on a single die. Nxp offers a range of system basis chips (sbcs) for. System Basis Chip.
From il.farnell.com
MC33912G5AC. Nxp LIN SYSTEM BASIS CHIP, 100Kbps, LQFP32 System Basis Chip Sbcs integrate power management, can, lin, system. Sbcs combine mainly three functionalities in a single device: Infineon’s system basis chips (sbc) offer high integration and high performance at an optimized system cost for various automotive applications,. St provides a large selection of power management ics and system basis chips (sbc) specifically designed for automotive electronic systems. A system basis chip. System Basis Chip.
From e2e.ti.com
System basis chips 101 A beginner's guide to CAN, CAN FD and LIN SBCs System Basis Chip In addition to infotainment systems, instrumentation. Power supply, can and/or lin transceivers, and supporting features (mcu. Infineon’s system basis chips (sbc) offer high integration and high performance at an optimized system cost for various automotive applications,. Sbcs integrate power management, can, lin, system. Sbcs combine mainly three functionalities in a single device: Nxp offers a range of system basis chips. System Basis Chip.
From www.alibaba.com
Ncv7451mw0r2g Bom Components System Basis Chip With Can Fd,L System Basis Chip Power supply, can and/or lin transceivers, and supporting features (mcu. Sbcs combine mainly three functionalities in a single device: St provides a large selection of power management ics and system basis chips (sbc) specifically designed for automotive electronic systems. Nxp offers a range of system basis chips (sbcs) for automotive applications and control units. In addition to infotainment systems, instrumentation.. System Basis Chip.
From www.nxp.com
UJA113xA System Basis Chip NXP Semiconductors System Basis Chip Sbcs combine mainly three functionalities in a single device: Power supply, can and/or lin transceivers, and supporting features (mcu. Nxp offers a range of system basis chips (sbcs) for automotive applications and control units. St provides a large selection of power management ics and system basis chips (sbc) specifically designed for automotive electronic systems. In addition to infotainment systems, instrumentation.. System Basis Chip.
From www.marutsu.co.jp
IC FS86 SYSTEM BASIS CHIP ASIL MFS8602BMBA0ES NXP製|電子部品・半導体通販のマルツ System Basis Chip Sbcs integrate power management, can, lin, system. A system basis chip (sbc) is an integrated circuit that includes various functions of automotive electronic control units (ecu) on a single die. St provides a large selection of power management ics and system basis chips (sbc) specifically designed for automotive electronic systems. Sbcs combine mainly three functionalities in a single device: Infineon’s. System Basis Chip.
From www.marutsu.co.jp
SYSTEM BASIS CHIP DCDC 2.2A VCO MC33FS6520CAER2 NXP製|電子部品・半導体通販のマルツ System Basis Chip Sbcs combine mainly three functionalities in a single device: St provides a large selection of power management ics and system basis chips (sbc) specifically designed for automotive electronic systems. Nxp offers a range of system basis chips (sbcs) for automotive applications and control units. Power supply, can and/or lin transceivers, and supporting features (mcu. Infineon’s system basis chips (sbc) offer. System Basis Chip.
From h2tc.com.vn
System Basis Chips (SBC) H2TC Trading and Technology Co., Ltd System Basis Chip In addition to infotainment systems, instrumentation. Power supply, can and/or lin transceivers, and supporting features (mcu. Infineon’s system basis chips (sbc) offer high integration and high performance at an optimized system cost for various automotive applications,. A system basis chip (sbc) is an integrated circuit that includes various functions of automotive electronic control units (ecu) on a single die. St. System Basis Chip.
From www.scribd.com
System Basis Chip T L E 6 2 6 6 G Integrated LS CAN, LDO and LS HS System Basis Chip A system basis chip (sbc) is an integrated circuit that includes various functions of automotive electronic control units (ecu) on a single die. St provides a large selection of power management ics and system basis chips (sbc) specifically designed for automotive electronic systems. Sbcs integrate power management, can, lin, system. Power supply, can and/or lin transceivers, and supporting features (mcu.. System Basis Chip.
From www.nxp.com
UJA113xA System Basis Chip NXP Semiconductors System Basis Chip In addition to infotainment systems, instrumentation. Sbcs integrate power management, can, lin, system. Sbcs combine mainly three functionalities in a single device: Power supply, can and/or lin transceivers, and supporting features (mcu. A system basis chip (sbc) is an integrated circuit that includes various functions of automotive electronic control units (ecu) on a single die. Infineon’s system basis chips (sbc). System Basis Chip.
From www.getelectronic.net
MC33742DW, System Basis Chip (SBC) with Enhanced HighSpeed CAN Transc System Basis Chip A system basis chip (sbc) is an integrated circuit that includes various functions of automotive electronic control units (ecu) on a single die. St provides a large selection of power management ics and system basis chips (sbc) specifically designed for automotive electronic systems. Sbcs combine mainly three functionalities in a single device: Sbcs integrate power management, can, lin, system. Nxp. System Basis Chip.
From www.infineon.com
OPTIREG™ DC/DC SBC Family Infineon Technologies System Basis Chip St provides a large selection of power management ics and system basis chips (sbc) specifically designed for automotive electronic systems. Infineon’s system basis chips (sbc) offer high integration and high performance at an optimized system cost for various automotive applications,. In addition to infotainment systems, instrumentation. Sbcs integrate power management, can, lin, system. A system basis chip (sbc) is an. System Basis Chip.
From www.prweb.com
NXP Releases Smallest, Most Efficient CAN SystemBasis Chips for In System Basis Chip A system basis chip (sbc) is an integrated circuit that includes various functions of automotive electronic control units (ecu) on a single die. Nxp offers a range of system basis chips (sbcs) for automotive applications and control units. Infineon’s system basis chips (sbc) offer high integration and high performance at an optimized system cost for various automotive applications,. St provides. System Basis Chip.