Toyota Yaris Lcd Display Not Working . Fuel gauge, odometer, and clock are inoperative. If you're experiencing any of these symptoms, your lcd likely needs to be replaced. We've found solutions to the constant rebooting/blank display issues, and we have even gone as far as servicing toyota. If the touch screen is not working in your toyota yaris vehicle, you may be dealing with a disconnected under dash cable or need. The screen is constantly flickering or flashing prior to the black screen issue. It lights up if you turn on the lights, but is blank. The touch screen is not working. This seems to be a. Says the whole unit has to be. Financing availablewide range of services The dashboard clock on my 2007 toyota yaris turned off after a few days of steadily losing brightness. Toyota garage is spoke to wants to charge over £1k to fix it. It just show one screen and nothing happenes even if i put some dvd or cd. Any idea how it will work ?? My 07 yaris's digital display is not working.
from www.youtube.com
Toyota garage is spoke to wants to charge over £1k to fix it. The screen is constantly flickering or flashing prior to the black screen issue. My 07 yaris's digital display is not working. The dashboard clock on my 2007 toyota yaris turned off after a few days of steadily losing brightness. The touch screen is not working. Says the whole unit has to be. If the touch screen is not working in your toyota yaris vehicle, you may be dealing with a disconnected under dash cable or need. If you're experiencing any of these symptoms, your lcd likely needs to be replaced. Any idea how it will work ?? It lights up if you turn on the lights, but is blank.
Toyota Yaris Ac Evaporator ReplacementToyota Yaris Ac Not Cooling
Toyota Yaris Lcd Display Not Working The screen is constantly flickering or flashing prior to the black screen issue. The touch screen is not working. If the touch screen is not working in your toyota yaris vehicle, you may be dealing with a disconnected under dash cable or need. Says the whole unit has to be. This seems to be a. If you're experiencing any of these symptoms, your lcd likely needs to be replaced. Any idea how it will work ?? Financing availablewide range of services It lights up if you turn on the lights, but is blank. Fuel gauge, odometer, and clock are inoperative. My 07 yaris's digital display is not working. Toyota garage is spoke to wants to charge over £1k to fix it. We've found solutions to the constant rebooting/blank display issues, and we have even gone as far as servicing toyota. The screen is constantly flickering or flashing prior to the black screen issue. It just show one screen and nothing happenes even if i put some dvd or cd. The dashboard clock on my 2007 toyota yaris turned off after a few days of steadily losing brightness.
From www.youtube.com
toyota yaris ac climate control?toyota yaris ac setting?toyota yaris ac Toyota Yaris Lcd Display Not Working Fuel gauge, odometer, and clock are inoperative. Says the whole unit has to be. The touch screen is not working. Financing availablewide range of services If the touch screen is not working in your toyota yaris vehicle, you may be dealing with a disconnected under dash cable or need. If you're experiencing any of these symptoms, your lcd likely needs. Toyota Yaris Lcd Display Not Working.
From www.reddit.com
Lcd screen not working r/AnycubicPhoton Toyota Yaris Lcd Display Not Working It lights up if you turn on the lights, but is blank. Financing availablewide range of services We've found solutions to the constant rebooting/blank display issues, and we have even gone as far as servicing toyota. The dashboard clock on my 2007 toyota yaris turned off after a few days of steadily losing brightness. This seems to be a. The. Toyota Yaris Lcd Display Not Working.
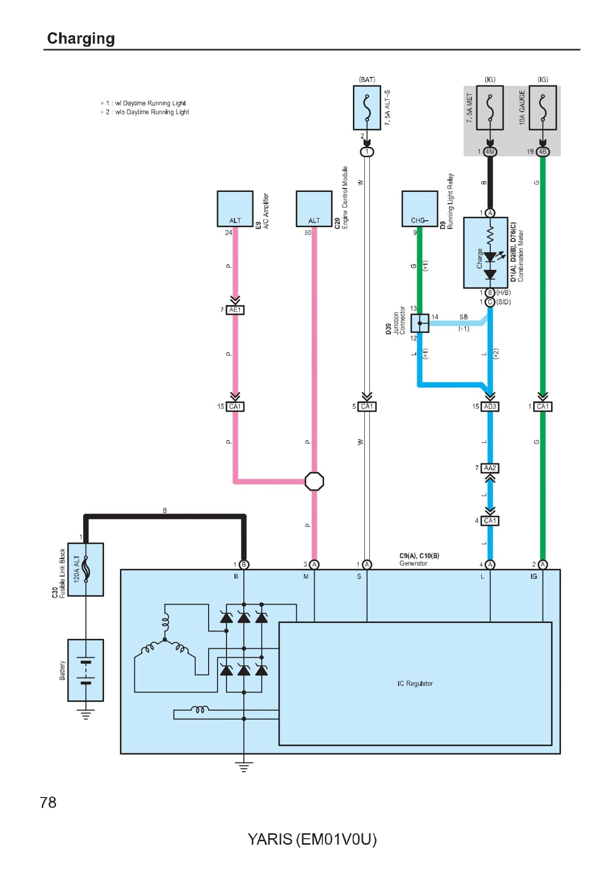
From www.wiringdigital.com
Electrical Wiring Diagram Toyota Yaris Wiring Digital and Schematic Toyota Yaris Lcd Display Not Working My 07 yaris's digital display is not working. Any idea how it will work ?? It lights up if you turn on the lights, but is blank. If you're experiencing any of these symptoms, your lcd likely needs to be replaced. It just show one screen and nothing happenes even if i put some dvd or cd. Toyota garage is. Toyota Yaris Lcd Display Not Working.
From www.youtube.com
Toyota Yaris Headlight Not Working Fuse (20112018) YouTube Toyota Yaris Lcd Display Not Working Fuel gauge, odometer, and clock are inoperative. The touch screen is not working. My 07 yaris's digital display is not working. Financing availablewide range of services The dashboard clock on my 2007 toyota yaris turned off after a few days of steadily losing brightness. If the touch screen is not working in your toyota yaris vehicle, you may be dealing. Toyota Yaris Lcd Display Not Working.
From autofixeds.com
2012 Toyota Camry Touch Screen Not Working Causes and Solutions Toyota Yaris Lcd Display Not Working If you're experiencing any of these symptoms, your lcd likely needs to be replaced. Fuel gauge, odometer, and clock are inoperative. Toyota garage is spoke to wants to charge over £1k to fix it. It just show one screen and nothing happenes even if i put some dvd or cd. My 07 yaris's digital display is not working. Financing availablewide. Toyota Yaris Lcd Display Not Working.
From www.youtube.com
Toyota Yaris 2012 PRND indicator Not Working Faulty Wiring YouTube Toyota Yaris Lcd Display Not Working Toyota garage is spoke to wants to charge over £1k to fix it. It just show one screen and nothing happenes even if i put some dvd or cd. This seems to be a. If the touch screen is not working in your toyota yaris vehicle, you may be dealing with a disconnected under dash cable or need. If you're. Toyota Yaris Lcd Display Not Working.
From www.youtube.com
TOYOTA YARIS Power Steering not working, EPS Problem , Steering Warning Toyota Yaris Lcd Display Not Working My 07 yaris's digital display is not working. If the touch screen is not working in your toyota yaris vehicle, you may be dealing with a disconnected under dash cable or need. Financing availablewide range of services We've found solutions to the constant rebooting/blank display issues, and we have even gone as far as servicing toyota. Toyota garage is spoke. Toyota Yaris Lcd Display Not Working.
From www.reddit.com
LCD display not working with i2c module r/arduino Toyota Yaris Lcd Display Not Working If the touch screen is not working in your toyota yaris vehicle, you may be dealing with a disconnected under dash cable or need. It lights up if you turn on the lights, but is blank. We've found solutions to the constant rebooting/blank display issues, and we have even gone as far as servicing toyota. My 07 yaris's digital display. Toyota Yaris Lcd Display Not Working.
From www.yarisworld.com
Show me your tach Toyota Yaris Forums Ultimate Yaris Enthusiast Site Toyota Yaris Lcd Display Not Working My 07 yaris's digital display is not working. We've found solutions to the constant rebooting/blank display issues, and we have even gone as far as servicing toyota. It just show one screen and nothing happenes even if i put some dvd or cd. Financing availablewide range of services Toyota garage is spoke to wants to charge over £1k to fix. Toyota Yaris Lcd Display Not Working.
From www.toyotaownersclub.com
Rear foglight not working MK1 Yaris Yaris & Yaris Cross Club Toyota Toyota Yaris Lcd Display Not Working Says the whole unit has to be. The touch screen is not working. We've found solutions to the constant rebooting/blank display issues, and we have even gone as far as servicing toyota. Any idea how it will work ?? If you're experiencing any of these symptoms, your lcd likely needs to be replaced. The screen is constantly flickering or flashing. Toyota Yaris Lcd Display Not Working.
From www.youtube.com
Toyota Yaris multi information display explained YouTube Toyota Yaris Lcd Display Not Working This seems to be a. The dashboard clock on my 2007 toyota yaris turned off after a few days of steadily losing brightness. Fuel gauge, odometer, and clock are inoperative. Says the whole unit has to be. We've found solutions to the constant rebooting/blank display issues, and we have even gone as far as servicing toyota. The screen is constantly. Toyota Yaris Lcd Display Not Working.
From www.reddit.com
LCD display not working and only turns on. followed all instructions Toyota Yaris Lcd Display Not Working Any idea how it will work ?? The dashboard clock on my 2007 toyota yaris turned off after a few days of steadily losing brightness. The screen is constantly flickering or flashing prior to the black screen issue. The touch screen is not working. Financing availablewide range of services It just show one screen and nothing happenes even if i. Toyota Yaris Lcd Display Not Working.
From www.toyotaownersclub.com
Radio/cCD and Side Mirrors not Working Yaris & Yaris Cross Club Toyota Yaris Lcd Display Not Working Financing availablewide range of services It just show one screen and nothing happenes even if i put some dvd or cd. Any idea how it will work ?? We've found solutions to the constant rebooting/blank display issues, and we have even gone as far as servicing toyota. The screen is constantly flickering or flashing prior to the black screen issue.. Toyota Yaris Lcd Display Not Working.
From autorideup.com
How To Fix Toyota Camry Touch Screen? AutoRideUp Toyota Yaris Lcd Display Not Working Toyota garage is spoke to wants to charge over £1k to fix it. The screen is constantly flickering or flashing prior to the black screen issue. Financing availablewide range of services If you're experiencing any of these symptoms, your lcd likely needs to be replaced. It lights up if you turn on the lights, but is blank. If the touch. Toyota Yaris Lcd Display Not Working.
From www.youtube.com
How to remove a 2017 Toyota Yaris Stereo (3170) YouTube Toyota Yaris Lcd Display Not Working If you're experiencing any of these symptoms, your lcd likely needs to be replaced. It just show one screen and nothing happenes even if i put some dvd or cd. If the touch screen is not working in your toyota yaris vehicle, you may be dealing with a disconnected under dash cable or need. Any idea how it will work. Toyota Yaris Lcd Display Not Working.
From www.reddit.com
LCD screen not working r/PCB Toyota Yaris Lcd Display Not Working It just show one screen and nothing happenes even if i put some dvd or cd. We've found solutions to the constant rebooting/blank display issues, and we have even gone as far as servicing toyota. Says the whole unit has to be. It lights up if you turn on the lights, but is blank. The screen is constantly flickering or. Toyota Yaris Lcd Display Not Working.
From shellysavonlea.net
Reset Maintenance Light Toyota Yaris 2017 Shelly Lighting Toyota Yaris Lcd Display Not Working If the touch screen is not working in your toyota yaris vehicle, you may be dealing with a disconnected under dash cable or need. My 07 yaris's digital display is not working. This seems to be a. Financing availablewide range of services It just show one screen and nothing happenes even if i put some dvd or cd. Any idea. Toyota Yaris Lcd Display Not Working.
From www.youtube.com
Toyota Yaris Dashboard Warning Lights & Symbols What They Mean YouTube Toyota Yaris Lcd Display Not Working It lights up if you turn on the lights, but is blank. My 07 yaris's digital display is not working. This seems to be a. It just show one screen and nothing happenes even if i put some dvd or cd. Any idea how it will work ?? The dashboard clock on my 2007 toyota yaris turned off after a. Toyota Yaris Lcd Display Not Working.
From www.youtube.com
Toyota HowTo Dashboard Light Controls Toyota YouTube Toyota Yaris Lcd Display Not Working We've found solutions to the constant rebooting/blank display issues, and we have even gone as far as servicing toyota. The dashboard clock on my 2007 toyota yaris turned off after a few days of steadily losing brightness. The screen is constantly flickering or flashing prior to the black screen issue. Financing availablewide range of services It just show one screen. Toyota Yaris Lcd Display Not Working.
From www.toyotaownersclub.com
Reversing Lights not working Yaris & Yaris Cross Club Toyota Owners Toyota Yaris Lcd Display Not Working We've found solutions to the constant rebooting/blank display issues, and we have even gone as far as servicing toyota. Says the whole unit has to be. If the touch screen is not working in your toyota yaris vehicle, you may be dealing with a disconnected under dash cable or need. This seems to be a. Toyota garage is spoke to. Toyota Yaris Lcd Display Not Working.
From www.toyotaownersclub.com
Mk 1 Yaris intermittant wipe not working Yaris & Yaris Cross Club Toyota Yaris Lcd Display Not Working If you're experiencing any of these symptoms, your lcd likely needs to be replaced. Fuel gauge, odometer, and clock are inoperative. Any idea how it will work ?? It lights up if you turn on the lights, but is blank. Says the whole unit has to be. The touch screen is not working. My 07 yaris's digital display is not. Toyota Yaris Lcd Display Not Working.
From www.toyotaownersclub.com
Help .. speedometer in 2002 yaris not working Yaris & Yaris Cross Toyota Yaris Lcd Display Not Working This seems to be a. The dashboard clock on my 2007 toyota yaris turned off after a few days of steadily losing brightness. Financing availablewide range of services Fuel gauge, odometer, and clock are inoperative. Says the whole unit has to be. The touch screen is not working. If the touch screen is not working in your toyota yaris vehicle,. Toyota Yaris Lcd Display Not Working.
From www.youtube.com
Toyota Yaris Maintenance light Reset 20072013 YouTube Toyota Yaris Lcd Display Not Working It just show one screen and nothing happenes even if i put some dvd or cd. This seems to be a. The dashboard clock on my 2007 toyota yaris turned off after a few days of steadily losing brightness. The screen is constantly flickering or flashing prior to the black screen issue. The touch screen is not working. Fuel gauge,. Toyota Yaris Lcd Display Not Working.
From www.youtube.com
Toyota Yaris/ Yaris CrossOE Witness 4K Ultra HD Plug & Play Dash Cam Toyota Yaris Lcd Display Not Working The screen is constantly flickering or flashing prior to the black screen issue. Financing availablewide range of services It just show one screen and nothing happenes even if i put some dvd or cd. We've found solutions to the constant rebooting/blank display issues, and we have even gone as far as servicing toyota. My 07 yaris's digital display is not. Toyota Yaris Lcd Display Not Working.
From www.youtube.com
2017 Toyota Yaris Howto reset the Maintenance Oil Life reminder Light Toyota Yaris Lcd Display Not Working Says the whole unit has to be. The dashboard clock on my 2007 toyota yaris turned off after a few days of steadily losing brightness. This seems to be a. The touch screen is not working. If the touch screen is not working in your toyota yaris vehicle, you may be dealing with a disconnected under dash cable or need.. Toyota Yaris Lcd Display Not Working.
From www.youtube.com
Toyota Yaris Ac Evaporator ReplacementToyota Yaris Ac Not Cooling Toyota Yaris Lcd Display Not Working This seems to be a. If you're experiencing any of these symptoms, your lcd likely needs to be replaced. The screen is constantly flickering or flashing prior to the black screen issue. Toyota garage is spoke to wants to charge over £1k to fix it. My 07 yaris's digital display is not working. If the touch screen is not working. Toyota Yaris Lcd Display Not Working.
From www.youtube.com
TOYOTA YARIS How to illuminate/dim instrument panel lights YouTube Toyota Yaris Lcd Display Not Working My 07 yaris's digital display is not working. This seems to be a. The dashboard clock on my 2007 toyota yaris turned off after a few days of steadily losing brightness. Financing availablewide range of services Toyota garage is spoke to wants to charge over £1k to fix it. Says the whole unit has to be. It just show one. Toyota Yaris Lcd Display Not Working.
From www.youtube.com
Left reverse manoeuvre, technical driving aspect, in Toyota Yaris with Toyota Yaris Lcd Display Not Working It lights up if you turn on the lights, but is blank. If the touch screen is not working in your toyota yaris vehicle, you may be dealing with a disconnected under dash cable or need. Any idea how it will work ?? Says the whole unit has to be. The dashboard clock on my 2007 toyota yaris turned off. Toyota Yaris Lcd Display Not Working.
From www.toyotaownersclub.com
Front Screen Washer Not Working Yaris Club Toyota Owners Club Toyota Yaris Lcd Display Not Working Any idea how it will work ?? My 07 yaris's digital display is not working. Toyota garage is spoke to wants to charge over £1k to fix it. This seems to be a. If the touch screen is not working in your toyota yaris vehicle, you may be dealing with a disconnected under dash cable or need. Financing availablewide range. Toyota Yaris Lcd Display Not Working.
From www.youtube.com
Toyota Yaris Dashboard Warning Lights & Symbols What They Mean YouTube Toyota Yaris Lcd Display Not Working Any idea how it will work ?? Says the whole unit has to be. Financing availablewide range of services The screen is constantly flickering or flashing prior to the black screen issue. We've found solutions to the constant rebooting/blank display issues, and we have even gone as far as servicing toyota. This seems to be a. The dashboard clock on. Toyota Yaris Lcd Display Not Working.
From itechhacks.com
Top 7 Ways to Fix Toyota Touch Screen Not Working Toyota Yaris Lcd Display Not Working If you're experiencing any of these symptoms, your lcd likely needs to be replaced. Says the whole unit has to be. Financing availablewide range of services If the touch screen is not working in your toyota yaris vehicle, you may be dealing with a disconnected under dash cable or need. The dashboard clock on my 2007 toyota yaris turned off. Toyota Yaris Lcd Display Not Working.
From www.youtube.com
Toyota Yaris XP 9 Tacho Hintergrundbeleuchtung einstellen How do Toyota Yaris Lcd Display Not Working Financing availablewide range of services This seems to be a. The touch screen is not working. The screen is constantly flickering or flashing prior to the black screen issue. Toyota garage is spoke to wants to charge over £1k to fix it. We've found solutions to the constant rebooting/blank display issues, and we have even gone as far as servicing. Toyota Yaris Lcd Display Not Working.
From car-diagrams.jimdofree.com
TOYOTA YARIS Wiring Diagrams Car Electrical Wiring Diagram Toyota Yaris Lcd Display Not Working My 07 yaris's digital display is not working. This seems to be a. Fuel gauge, odometer, and clock are inoperative. Says the whole unit has to be. If the touch screen is not working in your toyota yaris vehicle, you may be dealing with a disconnected under dash cable or need. If you're experiencing any of these symptoms, your lcd. Toyota Yaris Lcd Display Not Working.
From www.toyotaownersclub.com
Interior light, clock and radio not working '04 Yaris Yaris & Yaris Toyota Yaris Lcd Display Not Working The screen is constantly flickering or flashing prior to the black screen issue. This seems to be a. Any idea how it will work ?? Says the whole unit has to be. Toyota garage is spoke to wants to charge over £1k to fix it. We've found solutions to the constant rebooting/blank display issues, and we have even gone as. Toyota Yaris Lcd Display Not Working.
From sgcarchoice.com.sg
The New Toyota Yaris Cross Car Choice Singapore Toyota Yaris Lcd Display Not Working If you're experiencing any of these symptoms, your lcd likely needs to be replaced. Fuel gauge, odometer, and clock are inoperative. My 07 yaris's digital display is not working. If the touch screen is not working in your toyota yaris vehicle, you may be dealing with a disconnected under dash cable or need. It just show one screen and nothing. Toyota Yaris Lcd Display Not Working.