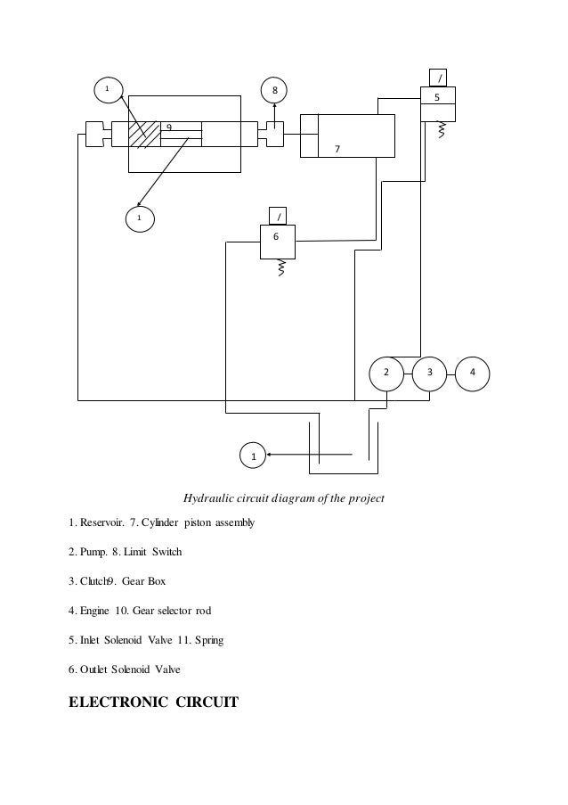
Name The Three (3) Internal Gear Shift Mechanism Components . they are called internal mechanisms if they are contained in the gearbox casing; Moving the lever forward or back causes the slide to move in the opposite direction, as a result of which its fork moves the gear or coupling, including one of the gears. a shift feeling simulator was developed consisting of external and internal linkage dynamic models together with. To shift from first to high gear, the band is. This chapter covers procedures for the transmission and shift mechanism for all. to place the unit in first gear, the band is applied to hold the sun gear from moving. bars 3 and 5 move the internal shifting mechanism in the gearbox. in this section, the shifting of the three speed internal gear hub is explained in more detail. All articulated heads of bars 1 and 2 and of the rocker. They are called external when they are mounted. transmission and shift mechanism.
from hixfuhzitty94schematic.z13.web.core.windows.net
transmission and shift mechanism. They are called external when they are mounted. All articulated heads of bars 1 and 2 and of the rocker. to place the unit in first gear, the band is applied to hold the sun gear from moving. in this section, the shifting of the three speed internal gear hub is explained in more detail. a shift feeling simulator was developed consisting of external and internal linkage dynamic models together with. To shift from first to high gear, the band is. Moving the lever forward or back causes the slide to move in the opposite direction, as a result of which its fork moves the gear or coupling, including one of the gears. bars 3 and 5 move the internal shifting mechanism in the gearbox. they are called internal mechanisms if they are contained in the gearbox casing;
Manual Transmission Explained With Pictures
Name The Three (3) Internal Gear Shift Mechanism Components a shift feeling simulator was developed consisting of external and internal linkage dynamic models together with. they are called internal mechanisms if they are contained in the gearbox casing; transmission and shift mechanism. in this section, the shifting of the three speed internal gear hub is explained in more detail. bars 3 and 5 move the internal shifting mechanism in the gearbox. a shift feeling simulator was developed consisting of external and internal linkage dynamic models together with. to place the unit in first gear, the band is applied to hold the sun gear from moving. They are called external when they are mounted. All articulated heads of bars 1 and 2 and of the rocker. This chapter covers procedures for the transmission and shift mechanism for all. To shift from first to high gear, the band is. Moving the lever forward or back causes the slide to move in the opposite direction, as a result of which its fork moves the gear or coupling, including one of the gears.
From www.autozone.com
Repair Guides Manual Transaxle Adjustments Name The Three (3) Internal Gear Shift Mechanism Components To shift from first to high gear, the band is. They are called external when they are mounted. transmission and shift mechanism. Moving the lever forward or back causes the slide to move in the opposite direction, as a result of which its fork moves the gear or coupling, including one of the gears. they are called internal. Name The Three (3) Internal Gear Shift Mechanism Components.
From innovationdiscoveries.space
What are the Main Components of the Gear Box? Name The Three (3) Internal Gear Shift Mechanism Components They are called external when they are mounted. This chapter covers procedures for the transmission and shift mechanism for all. in this section, the shifting of the three speed internal gear hub is explained in more detail. bars 3 and 5 move the internal shifting mechanism in the gearbox. to place the unit in first gear, the. Name The Three (3) Internal Gear Shift Mechanism Components.
From www.tec-science.com
How does a differential gear work? tecscience Name The Three (3) Internal Gear Shift Mechanism Components This chapter covers procedures for the transmission and shift mechanism for all. To shift from first to high gear, the band is. in this section, the shifting of the three speed internal gear hub is explained in more detail. They are called external when they are mounted. to place the unit in first gear, the band is applied. Name The Three (3) Internal Gear Shift Mechanism Components.
From hixfuhzitty94schematic.z13.web.core.windows.net
Manual Transmission Explained With Pictures Name The Three (3) Internal Gear Shift Mechanism Components a shift feeling simulator was developed consisting of external and internal linkage dynamic models together with. transmission and shift mechanism. To shift from first to high gear, the band is. bars 3 and 5 move the internal shifting mechanism in the gearbox. in this section, the shifting of the three speed internal gear hub is explained. Name The Three (3) Internal Gear Shift Mechanism Components.
From www.linquip.com
Gearbox Components and Parts Everything You Need to Know Industrial Name The Three (3) Internal Gear Shift Mechanism Components All articulated heads of bars 1 and 2 and of the rocker. bars 3 and 5 move the internal shifting mechanism in the gearbox. to place the unit in first gear, the band is applied to hold the sun gear from moving. They are called external when they are mounted. a shift feeling simulator was developed consisting. Name The Three (3) Internal Gear Shift Mechanism Components.
From www.autozone.com
Repair Guides Name The Three (3) Internal Gear Shift Mechanism Components All articulated heads of bars 1 and 2 and of the rocker. To shift from first to high gear, the band is. Moving the lever forward or back causes the slide to move in the opposite direction, as a result of which its fork moves the gear or coupling, including one of the gears. in this section, the shifting. Name The Three (3) Internal Gear Shift Mechanism Components.
From exydxcfbh.blob.core.windows.net
Shifting Gears How Does It Work at Frances Proulx blog Name The Three (3) Internal Gear Shift Mechanism Components to place the unit in first gear, the band is applied to hold the sun gear from moving. They are called external when they are mounted. a shift feeling simulator was developed consisting of external and internal linkage dynamic models together with. This chapter covers procedures for the transmission and shift mechanism for all. they are called. Name The Three (3) Internal Gear Shift Mechanism Components.
From www.semanticscholar.org
Paper on Development of Automatic Gear Shifting Mechanism Semantic Name The Three (3) Internal Gear Shift Mechanism Components a shift feeling simulator was developed consisting of external and internal linkage dynamic models together with. transmission and shift mechanism. bars 3 and 5 move the internal shifting mechanism in the gearbox. to place the unit in first gear, the band is applied to hold the sun gear from moving. in this section, the shifting. Name The Three (3) Internal Gear Shift Mechanism Components.
From autopublic.org
Used BMW 3 SERIES Gear shift mechanism and its details GW929689901 Name The Three (3) Internal Gear Shift Mechanism Components This chapter covers procedures for the transmission and shift mechanism for all. to place the unit in first gear, the band is applied to hold the sun gear from moving. bars 3 and 5 move the internal shifting mechanism in the gearbox. transmission and shift mechanism. in this section, the shifting of the three speed internal. Name The Three (3) Internal Gear Shift Mechanism Components.
From zakruti.com
How Manual Transmission works automotive technician shifting Name The Three (3) Internal Gear Shift Mechanism Components they are called internal mechanisms if they are contained in the gearbox casing; This chapter covers procedures for the transmission and shift mechanism for all. Moving the lever forward or back causes the slide to move in the opposite direction, as a result of which its fork moves the gear or coupling, including one of the gears. They are. Name The Three (3) Internal Gear Shift Mechanism Components.
From www.youtube.com
How Manual Transmission Works How Gear Shift In Car At High Speed Name The Three (3) Internal Gear Shift Mechanism Components in this section, the shifting of the three speed internal gear hub is explained in more detail. Moving the lever forward or back causes the slide to move in the opposite direction, as a result of which its fork moves the gear or coupling, including one of the gears. transmission and shift mechanism. This chapter covers procedures for. Name The Three (3) Internal Gear Shift Mechanism Components.
From www.bestbeginnermotorcycles.com
[Guide] Shifting Gears on a Motorcycle Name The Three (3) Internal Gear Shift Mechanism Components All articulated heads of bars 1 and 2 and of the rocker. to place the unit in first gear, the band is applied to hold the sun gear from moving. a shift feeling simulator was developed consisting of external and internal linkage dynamic models together with. To shift from first to high gear, the band is. This chapter. Name The Three (3) Internal Gear Shift Mechanism Components.
From www.ajs-shop.co.uk
Gear Shifting Mechanism Name The Three (3) Internal Gear Shift Mechanism Components To shift from first to high gear, the band is. a shift feeling simulator was developed consisting of external and internal linkage dynamic models together with. All articulated heads of bars 1 and 2 and of the rocker. Moving the lever forward or back causes the slide to move in the opposite direction, as a result of which its. Name The Three (3) Internal Gear Shift Mechanism Components.
From www.ingenieriaymecanicaautomotriz.com
MANUAL TRANSMISSION COMPONENTS, TYPES, WORKING PRINCIPLES AND Name The Three (3) Internal Gear Shift Mechanism Components a shift feeling simulator was developed consisting of external and internal linkage dynamic models together with. All articulated heads of bars 1 and 2 and of the rocker. Moving the lever forward or back causes the slide to move in the opposite direction, as a result of which its fork moves the gear or coupling, including one of the. Name The Three (3) Internal Gear Shift Mechanism Components.
From www.lrworkshop.com
Gear Shift Mechanism Find Land Rover parts at LR Name The Three (3) Internal Gear Shift Mechanism Components in this section, the shifting of the three speed internal gear hub is explained in more detail. This chapter covers procedures for the transmission and shift mechanism for all. transmission and shift mechanism. They are called external when they are mounted. To shift from first to high gear, the band is. All articulated heads of bars 1 and. Name The Three (3) Internal Gear Shift Mechanism Components.
From autopublic.org
Used BMW 3 SERIES Gear shift mechanism and its details 10049934 Name The Three (3) Internal Gear Shift Mechanism Components All articulated heads of bars 1 and 2 and of the rocker. transmission and shift mechanism. To shift from first to high gear, the band is. they are called internal mechanisms if they are contained in the gearbox casing; They are called external when they are mounted. to place the unit in first gear, the band is. Name The Three (3) Internal Gear Shift Mechanism Components.
From www.slideshare.net
Automaticgearshiftmechanism Name The Three (3) Internal Gear Shift Mechanism Components to place the unit in first gear, the band is applied to hold the sun gear from moving. bars 3 and 5 move the internal shifting mechanism in the gearbox. This chapter covers procedures for the transmission and shift mechanism for all. in this section, the shifting of the three speed internal gear hub is explained in. Name The Three (3) Internal Gear Shift Mechanism Components.
From eureka.patsnap.com
Movable gearshift threegear transmission device with pawls driven by Name The Three (3) Internal Gear Shift Mechanism Components All articulated heads of bars 1 and 2 and of the rocker. to place the unit in first gear, the band is applied to hold the sun gear from moving. bars 3 and 5 move the internal shifting mechanism in the gearbox. transmission and shift mechanism. They are called external when they are mounted. This chapter covers. Name The Three (3) Internal Gear Shift Mechanism Components.
From exyktypcb.blob.core.windows.net
Gear Shifting Mechanism Diagram at Teske blog Name The Three (3) Internal Gear Shift Mechanism Components They are called external when they are mounted. To shift from first to high gear, the band is. All articulated heads of bars 1 and 2 and of the rocker. This chapter covers procedures for the transmission and shift mechanism for all. transmission and shift mechanism. a shift feeling simulator was developed consisting of external and internal linkage. Name The Three (3) Internal Gear Shift Mechanism Components.
From www.researchgate.net
Schematic diagram of the gear shift mechanism model. Download Name The Three (3) Internal Gear Shift Mechanism Components a shift feeling simulator was developed consisting of external and internal linkage dynamic models together with. in this section, the shifting of the three speed internal gear hub is explained in more detail. They are called external when they are mounted. All articulated heads of bars 1 and 2 and of the rocker. This chapter covers procedures for. Name The Three (3) Internal Gear Shift Mechanism Components.
From www.justanswer.com
I need the name of a part for my gear shift mechanism. I just need the name Name The Three (3) Internal Gear Shift Mechanism Components To shift from first to high gear, the band is. bars 3 and 5 move the internal shifting mechanism in the gearbox. they are called internal mechanisms if they are contained in the gearbox casing; to place the unit in first gear, the band is applied to hold the sun gear from moving. This chapter covers procedures. Name The Three (3) Internal Gear Shift Mechanism Components.
From www.youtube.com
Mission gear shift mechanism YouTube Name The Three (3) Internal Gear Shift Mechanism Components All articulated heads of bars 1 and 2 and of the rocker. This chapter covers procedures for the transmission and shift mechanism for all. to place the unit in first gear, the band is applied to hold the sun gear from moving. in this section, the shifting of the three speed internal gear hub is explained in more. Name The Three (3) Internal Gear Shift Mechanism Components.
From www.dreamstime.com
Gear Gear Shift Mechanism in a Mechanical Engineering Machine Tool Name The Three (3) Internal Gear Shift Mechanism Components transmission and shift mechanism. All articulated heads of bars 1 and 2 and of the rocker. to place the unit in first gear, the band is applied to hold the sun gear from moving. To shift from first to high gear, the band is. Moving the lever forward or back causes the slide to move in the opposite. Name The Three (3) Internal Gear Shift Mechanism Components.
From www.newkidscar.com
Gearshift Mechanism Construction Car Anatomy Name The Three (3) Internal Gear Shift Mechanism Components They are called external when they are mounted. they are called internal mechanisms if they are contained in the gearbox casing; bars 3 and 5 move the internal shifting mechanism in the gearbox. to place the unit in first gear, the band is applied to hold the sun gear from moving. All articulated heads of bars 1. Name The Three (3) Internal Gear Shift Mechanism Components.
From www.researchgate.net
Gearbox internal parts. 19 Download Scientific Diagram Name The Three (3) Internal Gear Shift Mechanism Components transmission and shift mechanism. they are called internal mechanisms if they are contained in the gearbox casing; Moving the lever forward or back causes the slide to move in the opposite direction, as a result of which its fork moves the gear or coupling, including one of the gears. in this section, the shifting of the three. Name The Three (3) Internal Gear Shift Mechanism Components.
From www.slideserve.com
PPT Manual Transmission Fundamentals PowerPoint Presentation, free Name The Three (3) Internal Gear Shift Mechanism Components All articulated heads of bars 1 and 2 and of the rocker. a shift feeling simulator was developed consisting of external and internal linkage dynamic models together with. Moving the lever forward or back causes the slide to move in the opposite direction, as a result of which its fork moves the gear or coupling, including one of the. Name The Three (3) Internal Gear Shift Mechanism Components.
From www.canleyclassics.com
Gear Shift Mechanism Canley Classics Name The Three (3) Internal Gear Shift Mechanism Components Moving the lever forward or back causes the slide to move in the opposite direction, as a result of which its fork moves the gear or coupling, including one of the gears. All articulated heads of bars 1 and 2 and of the rocker. This chapter covers procedures for the transmission and shift mechanism for all. in this section,. Name The Three (3) Internal Gear Shift Mechanism Components.
From www.uniquecarsandparts.com.au
Gear Lever Mechanism How It Works Name The Three (3) Internal Gear Shift Mechanism Components a shift feeling simulator was developed consisting of external and internal linkage dynamic models together with. they are called internal mechanisms if they are contained in the gearbox casing; bars 3 and 5 move the internal shifting mechanism in the gearbox. transmission and shift mechanism. Moving the lever forward or back causes the slide to move. Name The Three (3) Internal Gear Shift Mechanism Components.
From www.yachtboatparts.com
Gear selector Gear shift components Name The Three (3) Internal Gear Shift Mechanism Components in this section, the shifting of the three speed internal gear hub is explained in more detail. Moving the lever forward or back causes the slide to move in the opposite direction, as a result of which its fork moves the gear or coupling, including one of the gears. transmission and shift mechanism. They are called external when. Name The Three (3) Internal Gear Shift Mechanism Components.
From tpub.com
Shift Linkage and Levers Name The Three (3) Internal Gear Shift Mechanism Components they are called internal mechanisms if they are contained in the gearbox casing; This chapter covers procedures for the transmission and shift mechanism for all. a shift feeling simulator was developed consisting of external and internal linkage dynamic models together with. transmission and shift mechanism. Moving the lever forward or back causes the slide to move in. Name The Three (3) Internal Gear Shift Mechanism Components.
From www.bestbeginnermotorcycles.com
[Guide] Shifting Gears on a Motorcycle Name The Three (3) Internal Gear Shift Mechanism Components bars 3 and 5 move the internal shifting mechanism in the gearbox. To shift from first to high gear, the band is. All articulated heads of bars 1 and 2 and of the rocker. to place the unit in first gear, the band is applied to hold the sun gear from moving. they are called internal mechanisms. Name The Three (3) Internal Gear Shift Mechanism Components.
From www.slideshare.net
Automaticgearshiftmechanism Name The Three (3) Internal Gear Shift Mechanism Components in this section, the shifting of the three speed internal gear hub is explained in more detail. Moving the lever forward or back causes the slide to move in the opposite direction, as a result of which its fork moves the gear or coupling, including one of the gears. transmission and shift mechanism. a shift feeling simulator. Name The Three (3) Internal Gear Shift Mechanism Components.
From www.dreamstime.com
Gear Gear Shift Mechanism in a Mechanical Engineering Machine Tool Name The Three (3) Internal Gear Shift Mechanism Components they are called internal mechanisms if they are contained in the gearbox casing; To shift from first to high gear, the band is. in this section, the shifting of the three speed internal gear hub is explained in more detail. They are called external when they are mounted. a shift feeling simulator was developed consisting of external. Name The Three (3) Internal Gear Shift Mechanism Components.
From savree.com
Gear Pump (What Are Gear Pumps?) Explained saVRee saVRee Name The Three (3) Internal Gear Shift Mechanism Components a shift feeling simulator was developed consisting of external and internal linkage dynamic models together with. Moving the lever forward or back causes the slide to move in the opposite direction, as a result of which its fork moves the gear or coupling, including one of the gears. in this section, the shifting of the three speed internal. Name The Three (3) Internal Gear Shift Mechanism Components.
From constructionmanuals.tpub.com
Transmission Types Name The Three (3) Internal Gear Shift Mechanism Components All articulated heads of bars 1 and 2 and of the rocker. a shift feeling simulator was developed consisting of external and internal linkage dynamic models together with. This chapter covers procedures for the transmission and shift mechanism for all. they are called internal mechanisms if they are contained in the gearbox casing; to place the unit. Name The Three (3) Internal Gear Shift Mechanism Components.