Lm335 Temperature Sensor How It Works . It is great for things like temperature loggers and temperature. The lm335 is an easy to use, relatively precise temperature sensor. In this tutorial, we will first understand how the temperature sensor works, and later we will programming the arduino / atmeg328p and read the temperature on the serial. Lm335 sensor is precision temperature sensor which can be easily calibrated. It has a breakdown voltage directly proportional to absolute temperature at 10mv/°k. This guide shows how to use the lm35 (lm35dz), lm335 and lm34 temperature sensors with the arduino board. This will display the temperature in unit kelvin, celsius, and fahrenheit. It eliminate the linearity errors associated with thermistor. In this article, we demonstrate how to build a temperature sensor circuit with a lm335 sensor using an arduino.
from www.studypool.com
It is great for things like temperature loggers and temperature. Lm335 sensor is precision temperature sensor which can be easily calibrated. In this article, we demonstrate how to build a temperature sensor circuit with a lm335 sensor using an arduino. It eliminate the linearity errors associated with thermistor. The lm335 is an easy to use, relatively precise temperature sensor. This guide shows how to use the lm35 (lm35dz), lm335 and lm34 temperature sensors with the arduino board. It has a breakdown voltage directly proportional to absolute temperature at 10mv/°k. In this tutorial, we will first understand how the temperature sensor works, and later we will programming the arduino / atmeg328p and read the temperature on the serial. This will display the temperature in unit kelvin, celsius, and fahrenheit.
SOLUTION Guide for lm35 lm335 and lm34 temperature sensors with
Lm335 Temperature Sensor How It Works This guide shows how to use the lm35 (lm35dz), lm335 and lm34 temperature sensors with the arduino board. It has a breakdown voltage directly proportional to absolute temperature at 10mv/°k. In this tutorial, we will first understand how the temperature sensor works, and later we will programming the arduino / atmeg328p and read the temperature on the serial. This will display the temperature in unit kelvin, celsius, and fahrenheit. This guide shows how to use the lm35 (lm35dz), lm335 and lm34 temperature sensors with the arduino board. It is great for things like temperature loggers and temperature. In this article, we demonstrate how to build a temperature sensor circuit with a lm335 sensor using an arduino. It eliminate the linearity errors associated with thermistor. The lm335 is an easy to use, relatively precise temperature sensor. Lm335 sensor is precision temperature sensor which can be easily calibrated.
From www.studypool.com
SOLUTION Guide for lm35 lm335 and lm34 temperature sensors with Lm335 Temperature Sensor How It Works This guide shows how to use the lm35 (lm35dz), lm335 and lm34 temperature sensors with the arduino board. Lm335 sensor is precision temperature sensor which can be easily calibrated. In this tutorial, we will first understand how the temperature sensor works, and later we will programming the arduino / atmeg328p and read the temperature on the serial. In this article,. Lm335 Temperature Sensor How It Works.
From randomnerdtutorials.com
Guide for LM35, LM335 and LM34 Temperature Sensors with Arduino Lm335 Temperature Sensor How It Works It eliminate the linearity errors associated with thermistor. In this tutorial, we will first understand how the temperature sensor works, and later we will programming the arduino / atmeg328p and read the temperature on the serial. In this article, we demonstrate how to build a temperature sensor circuit with a lm335 sensor using an arduino. Lm335 sensor is precision temperature. Lm335 Temperature Sensor How It Works.
From www.youtube.com
Interfacing LM335 temperature sensor with PIC16F887 CCS C compiler Lm335 Temperature Sensor How It Works It is great for things like temperature loggers and temperature. This guide shows how to use the lm35 (lm35dz), lm335 and lm34 temperature sensors with the arduino board. This will display the temperature in unit kelvin, celsius, and fahrenheit. In this tutorial, we will first understand how the temperature sensor works, and later we will programming the arduino / atmeg328p. Lm335 Temperature Sensor How It Works.
From simple-circuit.com
Digital thermometer with Arduino and LM335 temperature sensor Lm335 Temperature Sensor How It Works It is great for things like temperature loggers and temperature. It eliminate the linearity errors associated with thermistor. Lm335 sensor is precision temperature sensor which can be easily calibrated. In this tutorial, we will first understand how the temperature sensor works, and later we will programming the arduino / atmeg328p and read the temperature on the serial. It has a. Lm335 Temperature Sensor How It Works.
From oshwlab.com
LM335 temperature sensor demo EasyEDA open source hardware lab Lm335 Temperature Sensor How It Works The lm335 is an easy to use, relatively precise temperature sensor. It is great for things like temperature loggers and temperature. This will display the temperature in unit kelvin, celsius, and fahrenheit. It eliminate the linearity errors associated with thermistor. In this article, we demonstrate how to build a temperature sensor circuit with a lm335 sensor using an arduino. It. Lm335 Temperature Sensor How It Works.
From www.chegg.com
Solved The LM335 temperature sensor used in the circuit Lm335 Temperature Sensor How It Works This guide shows how to use the lm35 (lm35dz), lm335 and lm34 temperature sensors with the arduino board. This will display the temperature in unit kelvin, celsius, and fahrenheit. In this tutorial, we will first understand how the temperature sensor works, and later we will programming the arduino / atmeg328p and read the temperature on the serial. In this article,. Lm335 Temperature Sensor How It Works.
From www.youtube.com
How to use LM335 Temp Sensor YouTube Lm335 Temperature Sensor How It Works It is great for things like temperature loggers and temperature. It eliminate the linearity errors associated with thermistor. The lm335 is an easy to use, relatively precise temperature sensor. This guide shows how to use the lm35 (lm35dz), lm335 and lm34 temperature sensors with the arduino board. In this tutorial, we will first understand how the temperature sensor works, and. Lm335 Temperature Sensor How It Works.
From projectschematic.blogspot.com
Free Project Circuit Schematic Temperature Sensor Circuit Using LM335 Lm335 Temperature Sensor How It Works The lm335 is an easy to use, relatively precise temperature sensor. This guide shows how to use the lm35 (lm35dz), lm335 and lm34 temperature sensors with the arduino board. It is great for things like temperature loggers and temperature. It has a breakdown voltage directly proportional to absolute temperature at 10mv/°k. Lm335 sensor is precision temperature sensor which can be. Lm335 Temperature Sensor How It Works.
From www.instructables.com
Using the LM335 Temperature Sensor 7 Steps Instructables Lm335 Temperature Sensor How It Works This guide shows how to use the lm35 (lm35dz), lm335 and lm34 temperature sensors with the arduino board. It is great for things like temperature loggers and temperature. The lm335 is an easy to use, relatively precise temperature sensor. This will display the temperature in unit kelvin, celsius, and fahrenheit. In this tutorial, we will first understand how the temperature. Lm335 Temperature Sensor How It Works.
From simple-circuit.com
Interfacing Arduino with LM335 Temperature Sensor Simple Projects Lm335 Temperature Sensor How It Works In this tutorial, we will first understand how the temperature sensor works, and later we will programming the arduino / atmeg328p and read the temperature on the serial. It eliminate the linearity errors associated with thermistor. This will display the temperature in unit kelvin, celsius, and fahrenheit. This guide shows how to use the lm35 (lm35dz), lm335 and lm34 temperature. Lm335 Temperature Sensor How It Works.
From www.theengineeringprojects.com
Introduction to LM335 The Engineering Projects Lm335 Temperature Sensor How It Works In this article, we demonstrate how to build a temperature sensor circuit with a lm335 sensor using an arduino. This will display the temperature in unit kelvin, celsius, and fahrenheit. This guide shows how to use the lm35 (lm35dz), lm335 and lm34 temperature sensors with the arduino board. It is great for things like temperature loggers and temperature. In this. Lm335 Temperature Sensor How It Works.
From electronca.com
Analog to Digital Conversion (ADC) LM335 Temperature Sensor Lm335 Temperature Sensor How It Works It has a breakdown voltage directly proportional to absolute temperature at 10mv/°k. This guide shows how to use the lm35 (lm35dz), lm335 and lm34 temperature sensors with the arduino board. In this tutorial, we will first understand how the temperature sensor works, and later we will programming the arduino / atmeg328p and read the temperature on the serial. Lm335 sensor. Lm335 Temperature Sensor How It Works.
From projecttguide.blogspot.com
How Can Interface LM35, LM34 And LM335 Into Arduino....? Lm335 Temperature Sensor How It Works The lm335 is an easy to use, relatively precise temperature sensor. In this article, we demonstrate how to build a temperature sensor circuit with a lm335 sensor using an arduino. It has a breakdown voltage directly proportional to absolute temperature at 10mv/°k. Lm335 sensor is precision temperature sensor which can be easily calibrated. This guide shows how to use the. Lm335 Temperature Sensor How It Works.
From help.sinric.pro
Temperature Sensor Tutorial for LM35 (LM35DZ), LM335 and LM34 · SinricPro Lm335 Temperature Sensor How It Works In this tutorial, we will first understand how the temperature sensor works, and later we will programming the arduino / atmeg328p and read the temperature on the serial. This guide shows how to use the lm35 (lm35dz), lm335 and lm34 temperature sensors with the arduino board. It is great for things like temperature loggers and temperature. It eliminate the linearity. Lm335 Temperature Sensor How It Works.
From electronca.com
LM335 Temperature Sensor with Arduino Lm335 Temperature Sensor How It Works It eliminate the linearity errors associated with thermistor. It is great for things like temperature loggers and temperature. This guide shows how to use the lm35 (lm35dz), lm335 and lm34 temperature sensors with the arduino board. It has a breakdown voltage directly proportional to absolute temperature at 10mv/°k. In this article, we demonstrate how to build a temperature sensor circuit. Lm335 Temperature Sensor How It Works.
From projecttguide.blogspot.com
How Can Interface LM35, LM34 And LM335 Into Arduino....? Lm335 Temperature Sensor How It Works Lm335 sensor is precision temperature sensor which can be easily calibrated. This guide shows how to use the lm35 (lm35dz), lm335 and lm34 temperature sensors with the arduino board. The lm335 is an easy to use, relatively precise temperature sensor. This will display the temperature in unit kelvin, celsius, and fahrenheit. In this tutorial, we will first understand how the. Lm335 Temperature Sensor How It Works.
From www.circuits-diy.com
How to Interface LM335 Temperature Sensor with Arduino UNO Lm335 Temperature Sensor How It Works It eliminate the linearity errors associated with thermistor. In this tutorial, we will first understand how the temperature sensor works, and later we will programming the arduino / atmeg328p and read the temperature on the serial. Lm335 sensor is precision temperature sensor which can be easily calibrated. The lm335 is an easy to use, relatively precise temperature sensor. In this. Lm335 Temperature Sensor How It Works.
From html.alldatasheet.com
LM335 datasheet(7/11 Pages) STMICROELECTRONICS PRECISION TEMPERATURE Lm335 Temperature Sensor How It Works The lm335 is an easy to use, relatively precise temperature sensor. It is great for things like temperature loggers and temperature. In this tutorial, we will first understand how the temperature sensor works, and later we will programming the arduino / atmeg328p and read the temperature on the serial. In this article, we demonstrate how to build a temperature sensor. Lm335 Temperature Sensor How It Works.
From einvoice.fpt.com.vn
LM335 Temperature Sensor Measurement Circuit Schematic, 56 OFF Lm335 Temperature Sensor How It Works This guide shows how to use the lm35 (lm35dz), lm335 and lm34 temperature sensors with the arduino board. In this article, we demonstrate how to build a temperature sensor circuit with a lm335 sensor using an arduino. The lm335 is an easy to use, relatively precise temperature sensor. It has a breakdown voltage directly proportional to absolute temperature at 10mv/°k.. Lm335 Temperature Sensor How It Works.
From www.studypool.com
SOLUTION Guide for lm35 lm335 and lm34 temperature sensors with Lm335 Temperature Sensor How It Works In this tutorial, we will first understand how the temperature sensor works, and later we will programming the arduino / atmeg328p and read the temperature on the serial. This guide shows how to use the lm35 (lm35dz), lm335 and lm34 temperature sensors with the arduino board. It eliminate the linearity errors associated with thermistor. In this article, we demonstrate how. Lm335 Temperature Sensor How It Works.
From projecttguide.blogspot.com
How Can Interface LM35, LM34 And LM335 Into Arduino....? Lm335 Temperature Sensor How It Works In this tutorial, we will first understand how the temperature sensor works, and later we will programming the arduino / atmeg328p and read the temperature on the serial. It has a breakdown voltage directly proportional to absolute temperature at 10mv/°k. This will display the temperature in unit kelvin, celsius, and fahrenheit. It is great for things like temperature loggers and. Lm335 Temperature Sensor How It Works.
From electropeak.com
LM335 Temperature Sensor ElectroPeak Lm335 Temperature Sensor How It Works In this tutorial, we will first understand how the temperature sensor works, and later we will programming the arduino / atmeg328p and read the temperature on the serial. It is great for things like temperature loggers and temperature. This guide shows how to use the lm35 (lm35dz), lm335 and lm34 temperature sensors with the arduino board. Lm335 sensor is precision. Lm335 Temperature Sensor How It Works.
From www.instructables.com
Using the LM335 Temperature Sensor 7 Steps Instructables Lm335 Temperature Sensor How It Works This will display the temperature in unit kelvin, celsius, and fahrenheit. Lm335 sensor is precision temperature sensor which can be easily calibrated. This guide shows how to use the lm35 (lm35dz), lm335 and lm34 temperature sensors with the arduino board. In this tutorial, we will first understand how the temperature sensor works, and later we will programming the arduino /. Lm335 Temperature Sensor How It Works.
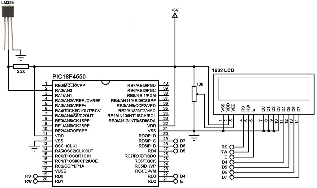
From simple-circuit.com
PIC18F4550 + LM335 temperature sensor CCS C Lm335 Temperature Sensor How It Works In this article, we demonstrate how to build a temperature sensor circuit with a lm335 sensor using an arduino. Lm335 sensor is precision temperature sensor which can be easily calibrated. It is great for things like temperature loggers and temperature. This guide shows how to use the lm35 (lm35dz), lm335 and lm34 temperature sensors with the arduino board. This will. Lm335 Temperature Sensor How It Works.
From simple-circuit.com
Interfacing Arduino with LM335 Temperature Sensor Simple Projects Lm335 Temperature Sensor How It Works In this article, we demonstrate how to build a temperature sensor circuit with a lm335 sensor using an arduino. The lm335 is an easy to use, relatively precise temperature sensor. Lm335 sensor is precision temperature sensor which can be easily calibrated. In this tutorial, we will first understand how the temperature sensor works, and later we will programming the arduino. Lm335 Temperature Sensor How It Works.
From instrumentation.kmitl.ac.th
Arduino With LM335 Temperature Sensor And 7segment Display, 43 OFF Lm335 Temperature Sensor How It Works It eliminate the linearity errors associated with thermistor. This guide shows how to use the lm35 (lm35dz), lm335 and lm34 temperature sensors with the arduino board. It has a breakdown voltage directly proportional to absolute temperature at 10mv/°k. This will display the temperature in unit kelvin, celsius, and fahrenheit. In this article, we demonstrate how to build a temperature sensor. Lm335 Temperature Sensor How It Works.
From randomnerdtutorials.com
Guide for LM35, LM335 and LM34 Temperature Sensors with Arduino Lm335 Temperature Sensor How It Works This will display the temperature in unit kelvin, celsius, and fahrenheit. Lm335 sensor is precision temperature sensor which can be easily calibrated. It eliminate the linearity errors associated with thermistor. The lm335 is an easy to use, relatively precise temperature sensor. It has a breakdown voltage directly proportional to absolute temperature at 10mv/°k. This guide shows how to use the. Lm335 Temperature Sensor How It Works.
From www.instructables.com
Using the LM335 Temperature Sensor 7 Steps Instructables Lm335 Temperature Sensor How It Works It eliminate the linearity errors associated with thermistor. The lm335 is an easy to use, relatively precise temperature sensor. This guide shows how to use the lm35 (lm35dz), lm335 and lm34 temperature sensors with the arduino board. In this tutorial, we will first understand how the temperature sensor works, and later we will programming the arduino / atmeg328p and read. Lm335 Temperature Sensor How It Works.
From johnny-five.readthedocs.io
Temperature lm335 johnnyfive Lm335 Temperature Sensor How It Works It eliminate the linearity errors associated with thermistor. It is great for things like temperature loggers and temperature. In this tutorial, we will first understand how the temperature sensor works, and later we will programming the arduino / atmeg328p and read the temperature on the serial. Lm335 sensor is precision temperature sensor which can be easily calibrated. In this article,. Lm335 Temperature Sensor How It Works.
From cost-cure.com
LM335 Temperature Sensor Pinout, Features, Circuit, 42 OFF Lm335 Temperature Sensor How It Works Lm335 sensor is precision temperature sensor which can be easily calibrated. In this tutorial, we will first understand how the temperature sensor works, and later we will programming the arduino / atmeg328p and read the temperature on the serial. It has a breakdown voltage directly proportional to absolute temperature at 10mv/°k. The lm335 is an easy to use, relatively precise. Lm335 Temperature Sensor How It Works.
From www.studypool.com
SOLUTION Guide for lm35 lm335 and lm34 temperature sensors with Lm335 Temperature Sensor How It Works The lm335 is an easy to use, relatively precise temperature sensor. It eliminate the linearity errors associated with thermistor. In this article, we demonstrate how to build a temperature sensor circuit with a lm335 sensor using an arduino. This will display the temperature in unit kelvin, celsius, and fahrenheit. It has a breakdown voltage directly proportional to absolute temperature at. Lm335 Temperature Sensor How It Works.
From simple-circuit.com
Arduino with LM335 temperature sensor and sevensegment display Lm335 Temperature Sensor How It Works In this article, we demonstrate how to build a temperature sensor circuit with a lm335 sensor using an arduino. This will display the temperature in unit kelvin, celsius, and fahrenheit. Lm335 sensor is precision temperature sensor which can be easily calibrated. It eliminate the linearity errors associated with thermistor. This guide shows how to use the lm35 (lm35dz), lm335 and. Lm335 Temperature Sensor How It Works.
From electropeak.com
LM335 Temperature Sensor ElectroPeak Lm335 Temperature Sensor How It Works It is great for things like temperature loggers and temperature. It has a breakdown voltage directly proportional to absolute temperature at 10mv/°k. This will display the temperature in unit kelvin, celsius, and fahrenheit. This guide shows how to use the lm35 (lm35dz), lm335 and lm34 temperature sensors with the arduino board. The lm335 is an easy to use, relatively precise. Lm335 Temperature Sensor How It Works.
From www.homemade-circuits.com
Temperature Regulator Circuits using IC LM335 Homemade Circuit Projects Lm335 Temperature Sensor How It Works In this tutorial, we will first understand how the temperature sensor works, and later we will programming the arduino / atmeg328p and read the temperature on the serial. Lm335 sensor is precision temperature sensor which can be easily calibrated. This guide shows how to use the lm35 (lm35dz), lm335 and lm34 temperature sensors with the arduino board. It has a. Lm335 Temperature Sensor How It Works.
From mungfali.com
LM335 Pinout Lm335 Temperature Sensor How It Works Lm335 sensor is precision temperature sensor which can be easily calibrated. This guide shows how to use the lm35 (lm35dz), lm335 and lm34 temperature sensors with the arduino board. This will display the temperature in unit kelvin, celsius, and fahrenheit. In this article, we demonstrate how to build a temperature sensor circuit with a lm335 sensor using an arduino. In. Lm335 Temperature Sensor How It Works.