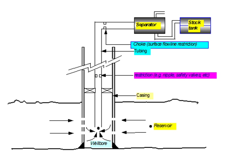
Gas Lift Production . Examples show how gas lift can be used to unload a gas well or prevent a gas well from loading. Gas lift is an artificial lift system where gas is injected into a produced well casing to help lift liquids up to the surface through the production. In this process, gas is injected to the well from the annulus. (1) the flow is driven by gas injection, in addition to the fluid flow potential gradient. The oil flow rate in a single vertical well undergoing gas lift operations is complicated by three factors: Most production equipment affects the design of a gas lift system, so it is best to design the gas lift system concurrently with the design of. Then at the injection point it enters the tubing and is. One of the methods to increase the production rate is the gas lift.
from www.software.slb.com
Gas lift is an artificial lift system where gas is injected into a produced well casing to help lift liquids up to the surface through the production. Most production equipment affects the design of a gas lift system, so it is best to design the gas lift system concurrently with the design of. Examples show how gas lift can be used to unload a gas well or prevent a gas well from loading. (1) the flow is driven by gas injection, in addition to the fluid flow potential gradient. The oil flow rate in a single vertical well undergoing gas lift operations is complicated by three factors: Then at the injection point it enters the tubing and is. One of the methods to increase the production rate is the gas lift. In this process, gas is injected to the well from the annulus.
ECLIPSE Gas Lift Optimization
Gas Lift Production In this process, gas is injected to the well from the annulus. Then at the injection point it enters the tubing and is. The oil flow rate in a single vertical well undergoing gas lift operations is complicated by three factors: In this process, gas is injected to the well from the annulus. Most production equipment affects the design of a gas lift system, so it is best to design the gas lift system concurrently with the design of. One of the methods to increase the production rate is the gas lift. (1) the flow is driven by gas injection, in addition to the fluid flow potential gradient. Examples show how gas lift can be used to unload a gas well or prevent a gas well from loading. Gas lift is an artificial lift system where gas is injected into a produced well casing to help lift liquids up to the surface through the production.
From defopt.com
Definitive Optimization • oil and gas production optimization • How it Gas Lift Production One of the methods to increase the production rate is the gas lift. Then at the injection point it enters the tubing and is. Gas lift is an artificial lift system where gas is injected into a produced well casing to help lift liquids up to the surface through the production. The oil flow rate in a single vertical well. Gas Lift Production.
From www.ttg-inc.com
Oil & Gas Training Courses Online & Classroom PetroSkills Gas Lift Production Gas lift is an artificial lift system where gas is injected into a produced well casing to help lift liquids up to the surface through the production. The oil flow rate in a single vertical well undergoing gas lift operations is complicated by three factors: One of the methods to increase the production rate is the gas lift. Then at. Gas Lift Production.
From flowcosolutions.com
Gas Lift Solutions Flowco Production Solutions Gas Lift Production Most production equipment affects the design of a gas lift system, so it is best to design the gas lift system concurrently with the design of. In this process, gas is injected to the well from the annulus. Examples show how gas lift can be used to unload a gas well or prevent a gas well from loading. One of. Gas Lift Production.
From www.mrt.com
Challenges with gas lift or plunger lift wells? Production Lift experts Gas Lift Production The oil flow rate in a single vertical well undergoing gas lift operations is complicated by three factors: Gas lift is an artificial lift system where gas is injected into a produced well casing to help lift liquids up to the surface through the production. Examples show how gas lift can be used to unload a gas well or prevent. Gas Lift Production.
From www.orientmct.com
Gas Lift and ESP Operations and Optimization OrientMCT Gas Lift Production The oil flow rate in a single vertical well undergoing gas lift operations is complicated by three factors: Examples show how gas lift can be used to unload a gas well or prevent a gas well from loading. Gas lift is an artificial lift system where gas is injected into a produced well casing to help lift liquids up to. Gas Lift Production.
From www.priorityenergyllc.com
Gas Lift Application Priority Energy Gas Lift Production Examples show how gas lift can be used to unload a gas well or prevent a gas well from loading. In this process, gas is injected to the well from the annulus. Gas lift is an artificial lift system where gas is injected into a produced well casing to help lift liquids up to the surface through the production. Then. Gas Lift Production.
From www.e-education.psu.edu
7.8 Artificial Lift PNG 301 Introduction to Petroleum and Natural Gas Lift Production One of the methods to increase the production rate is the gas lift. Then at the injection point it enters the tubing and is. Examples show how gas lift can be used to unload a gas well or prevent a gas well from loading. The oil flow rate in a single vertical well undergoing gas lift operations is complicated by. Gas Lift Production.
From flowcosolutions.com
GasAssisted Plunger Lift (GAPL) Flowco Production Solutions Gas Lift Production The oil flow rate in a single vertical well undergoing gas lift operations is complicated by three factors: In this process, gas is injected to the well from the annulus. Examples show how gas lift can be used to unload a gas well or prevent a gas well from loading. (1) the flow is driven by gas injection, in addition. Gas Lift Production.
From flowcosolutions.com
Intermittent Flow Gas Lift Flowco Production Solutions Gas Lift Production Gas lift is an artificial lift system where gas is injected into a produced well casing to help lift liquids up to the surface through the production. In this process, gas is injected to the well from the annulus. The oil flow rate in a single vertical well undergoing gas lift operations is complicated by three factors: (1) the flow. Gas Lift Production.
From petrolessons.com
Gas Lift Production System Petrolessons Oil and Gas Training Gas Lift Production Most production equipment affects the design of a gas lift system, so it is best to design the gas lift system concurrently with the design of. The oil flow rate in a single vertical well undergoing gas lift operations is complicated by three factors: One of the methods to increase the production rate is the gas lift. Gas lift is. Gas Lift Production.
From www.researchgate.net
(PDF) Gas Lift System Gas Lift Production Examples show how gas lift can be used to unload a gas well or prevent a gas well from loading. Most production equipment affects the design of a gas lift system, so it is best to design the gas lift system concurrently with the design of. The oil flow rate in a single vertical well undergoing gas lift operations is. Gas Lift Production.
From f-e-t.com
Frac Hit Recovery Artificial Lift Oil And Gas Solutions In USA Gas Lift Production Examples show how gas lift can be used to unload a gas well or prevent a gas well from loading. In this process, gas is injected to the well from the annulus. One of the methods to increase the production rate is the gas lift. The oil flow rate in a single vertical well undergoing gas lift operations is complicated. Gas Lift Production.
From www.dubaipetroleum.ae
Gas Lift Dubai Petroleum Gas Lift Production Examples show how gas lift can be used to unload a gas well or prevent a gas well from loading. One of the methods to increase the production rate is the gas lift. Gas lift is an artificial lift system where gas is injected into a produced well casing to help lift liquids up to the surface through the production.. Gas Lift Production.
From www.researchgate.net
Gas Lift System in Oil Well (Reproduced from Hammadih et al (2015)) [8 Gas Lift Production Examples show how gas lift can be used to unload a gas well or prevent a gas well from loading. The oil flow rate in a single vertical well undergoing gas lift operations is complicated by three factors: Then at the injection point it enters the tubing and is. In this process, gas is injected to the well from the. Gas Lift Production.
From www.software.slb.com
ECLIPSE Gas Lift Optimization Gas Lift Production Gas lift is an artificial lift system where gas is injected into a produced well casing to help lift liquids up to the surface through the production. In this process, gas is injected to the well from the annulus. One of the methods to increase the production rate is the gas lift. Then at the injection point it enters the. Gas Lift Production.
From dokumen.tips
(PPT) Gas Lift Production DOKUMEN.TIPS Gas Lift Production The oil flow rate in a single vertical well undergoing gas lift operations is complicated by three factors: In this process, gas is injected to the well from the annulus. One of the methods to increase the production rate is the gas lift. Most production equipment affects the design of a gas lift system, so it is best to design. Gas Lift Production.
From www.youtube.com
Gas Lift YouTube Gas Lift Production Gas lift is an artificial lift system where gas is injected into a produced well casing to help lift liquids up to the surface through the production. In this process, gas is injected to the well from the annulus. One of the methods to increase the production rate is the gas lift. The oil flow rate in a single vertical. Gas Lift Production.
From www.youtube.com
Artificial Lifts What is a GasAssisted Plunger Lift System and How Gas Lift Production Most production equipment affects the design of a gas lift system, so it is best to design the gas lift system concurrently with the design of. (1) the flow is driven by gas injection, in addition to the fluid flow potential gradient. The oil flow rate in a single vertical well undergoing gas lift operations is complicated by three factors:. Gas Lift Production.
From www.researchgate.net
Schematic of an artificial gaslift process. Download Scientific Diagram Gas Lift Production In this process, gas is injected to the well from the annulus. Examples show how gas lift can be used to unload a gas well or prevent a gas well from loading. Most production equipment affects the design of a gas lift system, so it is best to design the gas lift system concurrently with the design of. Gas lift. Gas Lift Production.
From www.championx.com
Gas Lift Valves & Mandrels Gas Lift Packers & Solutions ChampionX Gas Lift Production Most production equipment affects the design of a gas lift system, so it is best to design the gas lift system concurrently with the design of. The oil flow rate in a single vertical well undergoing gas lift operations is complicated by three factors: Examples show how gas lift can be used to unload a gas well or prevent a. Gas Lift Production.
From dxozlqzlx.blob.core.windows.net
What Is Gas Lift In Oil And Gas at Clifford Lovett blog Gas Lift Production The oil flow rate in a single vertical well undergoing gas lift operations is complicated by three factors: (1) the flow is driven by gas injection, in addition to the fluid flow potential gradient. In this process, gas is injected to the well from the annulus. Gas lift is an artificial lift system where gas is injected into a produced. Gas Lift Production.
From krohne.company
CO2 injection, water injection and gas lift in the oil & gas industry Gas Lift Production One of the methods to increase the production rate is the gas lift. Examples show how gas lift can be used to unload a gas well or prevent a gas well from loading. Gas lift is an artificial lift system where gas is injected into a produced well casing to help lift liquids up to the surface through the production.. Gas Lift Production.
From www.youtube.com
Oil and Gas Artificial Lift Methods YouTube Gas Lift Production Examples show how gas lift can be used to unload a gas well or prevent a gas well from loading. The oil flow rate in a single vertical well undergoing gas lift operations is complicated by three factors: One of the methods to increase the production rate is the gas lift. Most production equipment affects the design of a gas. Gas Lift Production.
From flowcosolutions.com
Plunger Lift Solutions Flowco Production Solutions Gas Lift Production Most production equipment affects the design of a gas lift system, so it is best to design the gas lift system concurrently with the design of. One of the methods to increase the production rate is the gas lift. Then at the injection point it enters the tubing and is. In this process, gas is injected to the well from. Gas Lift Production.
From www.top-well.com
Plunger Lift_TopWell Services Gas Lift Production Most production equipment affects the design of a gas lift system, so it is best to design the gas lift system concurrently with the design of. In this process, gas is injected to the well from the annulus. The oil flow rate in a single vertical well undergoing gas lift operations is complicated by three factors: (1) the flow is. Gas Lift Production.
From flowcosolutions.com
Gas Lift Mandrels Flowco Production Solutions Gas Lift Production Most production equipment affects the design of a gas lift system, so it is best to design the gas lift system concurrently with the design of. (1) the flow is driven by gas injection, in addition to the fluid flow potential gradient. One of the methods to increase the production rate is the gas lift. The oil flow rate in. Gas Lift Production.
From kimray.com
Gas Lift How It Works, Why You Should Use It, and Equipment Required Gas Lift Production Then at the injection point it enters the tubing and is. The oil flow rate in a single vertical well undergoing gas lift operations is complicated by three factors: In this process, gas is injected to the well from the annulus. Examples show how gas lift can be used to unload a gas well or prevent a gas well from. Gas Lift Production.
From kimray.com
Gas Lift How It Works, Why You Should Use It, and Equipment Required Gas Lift Production (1) the flow is driven by gas injection, in addition to the fluid flow potential gradient. The oil flow rate in a single vertical well undergoing gas lift operations is complicated by three factors: One of the methods to increase the production rate is the gas lift. In this process, gas is injected to the well from the annulus. Then. Gas Lift Production.
From weatherford.com
GasLift Systems Weatherford International Gas Lift Production In this process, gas is injected to the well from the annulus. (1) the flow is driven by gas injection, in addition to the fluid flow potential gradient. One of the methods to increase the production rate is the gas lift. Then at the injection point it enters the tubing and is. Gas lift is an artificial lift system where. Gas Lift Production.
From www.slideserve.com
PPT Introduction to Artificial Lift Methods PowerPoint Presentation Gas Lift Production Then at the injection point it enters the tubing and is. (1) the flow is driven by gas injection, in addition to the fluid flow potential gradient. One of the methods to increase the production rate is the gas lift. Gas lift is an artificial lift system where gas is injected into a produced well casing to help lift liquids. Gas Lift Production.
From petrolessons.com
Understanding the Forms of Gas Lift Petrolessons Gas Lift Production (1) the flow is driven by gas injection, in addition to the fluid flow potential gradient. Then at the injection point it enters the tubing and is. One of the methods to increase the production rate is the gas lift. Most production equipment affects the design of a gas lift system, so it is best to design the gas lift. Gas Lift Production.
From oilandgasprocessing.blogspot.com
Oil And Gas Processing Oil and Gas Processing Gas Lift Production (1) the flow is driven by gas injection, in addition to the fluid flow potential gradient. The oil flow rate in a single vertical well undergoing gas lift operations is complicated by three factors: Most production equipment affects the design of a gas lift system, so it is best to design the gas lift system concurrently with the design of.. Gas Lift Production.
From jpt.spe.org
Brownfield IOR Selecting the Appropriate Artificial Lift Method Gas Lift Production (1) the flow is driven by gas injection, in addition to the fluid flow potential gradient. Most production equipment affects the design of a gas lift system, so it is best to design the gas lift system concurrently with the design of. In this process, gas is injected to the well from the annulus. Gas lift is an artificial lift. Gas Lift Production.
From www.researchgate.net
Gas Lift Oil Well (Eikrem et al. , 2008) modified. Download Gas Lift Production Most production equipment affects the design of a gas lift system, so it is best to design the gas lift system concurrently with the design of. Gas lift is an artificial lift system where gas is injected into a produced well casing to help lift liquids up to the surface through the production. (1) the flow is driven by gas. Gas Lift Production.
From samphina.com.ng
Gas Lift Optimization Of Oil Producing Wells Using Prosper Nodal Analysis Gas Lift Production The oil flow rate in a single vertical well undergoing gas lift operations is complicated by three factors: Most production equipment affects the design of a gas lift system, so it is best to design the gas lift system concurrently with the design of. In this process, gas is injected to the well from the annulus. One of the methods. Gas Lift Production.