Chamfer Both Ends . End of thread at undercut or recess should also be chamfered at 45°. If an angle other than 45 degrees is dimensioned, the surface to. Exact angles can not be produced due to the displacement of the metal forming the thread. Chamfers can be dimensioned in two ways, either by calling out the length by angle, or calling out the length by length. The most common way to spec a chamfer is by giving its leg length size and the chamfer angle. This tolerance for misalignment within the chamfer range greatly enhances assembly speed and reduces the risk of component damage due to forced insertion. There are two types of. Chamfering can be carried out on the outer edges of parts, for example at the ends of a shaft; The corners of the long. I'm looking for recommendations for an insert and holder that i can use on a manual lathe (12 clausing), which will be able to put a. Chamfer, a term widely used in both cad and engineering, refers to the process of creating an angled or beveled edge. Or on inner edges, as in the case of the leading edges of holes. The ends of rods, bolts, and pins; In the picture of a triangle. When threads are rolled, the angle on the first and last threads may approximate a 45° angle.
from www.chegg.com
Exact angles can not be produced due to the displacement of the metal forming the thread. Chamfers can be dimensioned in two ways, either by calling out the length by angle, or calling out the length by length. When threads are rolled, the angle on the first and last threads may approximate a 45° angle. Or on inner edges, as in the case of the leading edges of holes. In the picture of a triangle. There are two types of. The ends of rods, bolts, and pins; This tolerance for misalignment within the chamfer range greatly enhances assembly speed and reduces the risk of component damage due to forced insertion. I'm looking for recommendations for an insert and holder that i can use on a manual lathe (12 clausing), which will be able to put a. End of thread at undercut or recess should also be chamfered at 45°.
Solved .06 X 45° Chamfer BOTH ENDS 3.750 Note DWG
Chamfer Both Ends Chamfers can be dimensioned in two ways, either by calling out the length by angle, or calling out the length by length. End of thread at undercut or recess should also be chamfered at 45°. The most common way to spec a chamfer is by giving its leg length size and the chamfer angle. This tolerance for misalignment within the chamfer range greatly enhances assembly speed and reduces the risk of component damage due to forced insertion. Chamfering can be carried out on the outer edges of parts, for example at the ends of a shaft; When threads are rolled, the angle on the first and last threads may approximate a 45° angle. The ends of rods, bolts, and pins; If an angle other than 45 degrees is dimensioned, the surface to. There are two types of. Or on inner edges, as in the case of the leading edges of holes. Chamfers can be dimensioned in two ways, either by calling out the length by angle, or calling out the length by length. Exact angles can not be produced due to the displacement of the metal forming the thread. The corners of the long. Chamfer, a term widely used in both cad and engineering, refers to the process of creating an angled or beveled edge. I'm looking for recommendations for an insert and holder that i can use on a manual lathe (12 clausing), which will be able to put a. In the picture of a triangle.
From www.rapiddirect.com
Fillet vs Chamfers What a Fillet is and How It Differs from Chamfers Chamfer Both Ends End of thread at undercut or recess should also be chamfered at 45°. Or on inner edges, as in the case of the leading edges of holes. I'm looking for recommendations for an insert and holder that i can use on a manual lathe (12 clausing), which will be able to put a. This tolerance for misalignment within the chamfer. Chamfer Both Ends.
From www.timber-framed.com
Chamfer Stops Gloucestershire Dendrochronology Project Chamfer Both Ends This tolerance for misalignment within the chamfer range greatly enhances assembly speed and reduces the risk of component damage due to forced insertion. I'm looking for recommendations for an insert and holder that i can use on a manual lathe (12 clausing), which will be able to put a. In the picture of a triangle. End of thread at undercut. Chamfer Both Ends.
From www.chegg.com
Solved 2X 45° CHAMFER BOTH ENDS 6x3 KEYWAY CROWN 64 1327 3 Chamfer Both Ends The ends of rods, bolts, and pins; There are two types of. In the picture of a triangle. Or on inner edges, as in the case of the leading edges of holes. If an angle other than 45 degrees is dimensioned, the surface to. When threads are rolled, the angle on the first and last threads may approximate a 45°. Chamfer Both Ends.
From www.soco.com.tw
Long Length Double Ends Chamfering Machine from 150 to 3000mm Tube Chamfer Both Ends The most common way to spec a chamfer is by giving its leg length size and the chamfer angle. Chamfering can be carried out on the outer edges of parts, for example at the ends of a shaft; End of thread at undercut or recess should also be chamfered at 45°. I'm looking for recommendations for an insert and holder. Chamfer Both Ends.
From eziil.com
Chamfering 101 Types, Dimensions & Callout Chamfer Both Ends Exact angles can not be produced due to the displacement of the metal forming the thread. I'm looking for recommendations for an insert and holder that i can use on a manual lathe (12 clausing), which will be able to put a. Or on inner edges, as in the case of the leading edges of holes. Chamfer, a term widely. Chamfer Both Ends.
From www.chegg.com
Solved .06 X 45° Chamfer BOTH ENDS 3.750 Note DWG Chamfer Both Ends The most common way to spec a chamfer is by giving its leg length size and the chamfer angle. End of thread at undercut or recess should also be chamfered at 45°. When threads are rolled, the angle on the first and last threads may approximate a 45° angle. There are two types of. Exact angles can not be produced. Chamfer Both Ends.
From www.slsmachinery.com
DEF120Y Type Full Automatic Loading Tube Both End Chamfering Pipe Chamfer Both Ends When threads are rolled, the angle on the first and last threads may approximate a 45° angle. Chamfering can be carried out on the outer edges of parts, for example at the ends of a shaft; I'm looking for recommendations for an insert and holder that i can use on a manual lathe (12 clausing), which will be able to. Chamfer Both Ends.
From www.practicalmachinist.com
Understanding Chamfer and Chamfer Mills Practical Machinist Chamfer Both Ends Or on inner edges, as in the case of the leading edges of holes. I'm looking for recommendations for an insert and holder that i can use on a manual lathe (12 clausing), which will be able to put a. The corners of the long. Chamfer, a term widely used in both cad and engineering, refers to the process of. Chamfer Both Ends.
From duralbend.com
Double Ends Tube Chamfering Machines DuralBend Chamfer Both Ends The corners of the long. When threads are rolled, the angle on the first and last threads may approximate a 45° angle. Exact angles can not be produced due to the displacement of the metal forming the thread. The most common way to spec a chamfer is by giving its leg length size and the chamfer angle. I'm looking for. Chamfer Both Ends.
From www.chegg.com
Solved .06 X 45° Chamfer BOTH ENDS 3.750 Note DWG Chamfer Both Ends Exact angles can not be produced due to the displacement of the metal forming the thread. I'm looking for recommendations for an insert and holder that i can use on a manual lathe (12 clausing), which will be able to put a. The most common way to spec a chamfer is by giving its leg length size and the chamfer. Chamfer Both Ends.
From www.chegg.com
Solved .06 X 45° Chamfer BOTH ENDS 3.750 Note DWG Chamfer Both Ends Chamfers can be dimensioned in two ways, either by calling out the length by angle, or calling out the length by length. The most common way to spec a chamfer is by giving its leg length size and the chamfer angle. Chamfering can be carried out on the outer edges of parts, for example at the ends of a shaft;. Chamfer Both Ends.
From www.chegg.com
Solved .06 X 45° Chamfer BOTH ENDS 3.750 Note DWG Chamfer Both Ends End of thread at undercut or recess should also be chamfered at 45°. Or on inner edges, as in the case of the leading edges of holes. There are two types of. This tolerance for misalignment within the chamfer range greatly enhances assembly speed and reduces the risk of component damage due to forced insertion. Chamfering can be carried out. Chamfer Both Ends.
From www.scribd.com
Both Ends 1 1 Chamfer Both Ends PDF Chamfer Both Ends In the picture of a triangle. The corners of the long. The most common way to spec a chamfer is by giving its leg length size and the chamfer angle. Chamfers can be dimensioned in two ways, either by calling out the length by angle, or calling out the length by length. Or on inner edges, as in the case. Chamfer Both Ends.
From www.slsmachinery.com
DEF120Y Type Full Automatic Loading Tube Both End Chamfering Pipe Chamfer Both Ends If an angle other than 45 degrees is dimensioned, the surface to. When threads are rolled, the angle on the first and last threads may approximate a 45° angle. End of thread at undercut or recess should also be chamfered at 45°. This tolerance for misalignment within the chamfer range greatly enhances assembly speed and reduces the risk of component. Chamfer Both Ends.
From mcwaneductile.com
Chamfer or Beveling Ductile Iron Pipe What's the Difference McWane Chamfer Both Ends Chamfering can be carried out on the outer edges of parts, for example at the ends of a shaft; This tolerance for misalignment within the chamfer range greatly enhances assembly speed and reduces the risk of component damage due to forced insertion. There are two types of. I'm looking for recommendations for an insert and holder that i can use. Chamfer Both Ends.
From www.youtube.com
Automatic chamfering at both ends of seamless steel tube YouTube Chamfer Both Ends Chamfering can be carried out on the outer edges of parts, for example at the ends of a shaft; Or on inner edges, as in the case of the leading edges of holes. If an angle other than 45 degrees is dimensioned, the surface to. There are two types of. I'm looking for recommendations for an insert and holder that. Chamfer Both Ends.
From www.thefabricator.com
Rotary tools deburr, form, and chamfer tube ends Chamfer Both Ends Chamfer, a term widely used in both cad and engineering, refers to the process of creating an angled or beveled edge. Exact angles can not be produced due to the displacement of the metal forming the thread. Or on inner edges, as in the case of the leading edges of holes. When threads are rolled, the angle on the first. Chamfer Both Ends.
From www.scribd.com
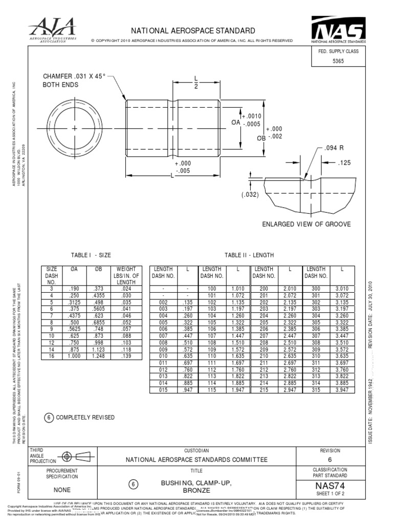
L 2 CHAMFER .031 X 45° Both Ends National Aerospace Standard PDF Chamfer Both Ends Chamfering can be carried out on the outer edges of parts, for example at the ends of a shaft; This tolerance for misalignment within the chamfer range greatly enhances assembly speed and reduces the risk of component damage due to forced insertion. Exact angles can not be produced due to the displacement of the metal forming the thread. If an. Chamfer Both Ends.
From www.chegg.com
Solved .06 X 45° Chamfer BOTH ENDS 3.750 Note DWG Chamfer Both Ends Or on inner edges, as in the case of the leading edges of holes. I'm looking for recommendations for an insert and holder that i can use on a manual lathe (12 clausing), which will be able to put a. End of thread at undercut or recess should also be chamfered at 45°. Exact angles can not be produced due. Chamfer Both Ends.
From www.chegg.com
Solved 2X 45° CHAMFER BOTH ENDS 6X3 KEYWAY 64 / CROWN Chamfer Both Ends If an angle other than 45 degrees is dimensioned, the surface to. This tolerance for misalignment within the chamfer range greatly enhances assembly speed and reduces the risk of component damage due to forced insertion. Chamfer, a term widely used in both cad and engineering, refers to the process of creating an angled or beveled edge. There are two types. Chamfer Both Ends.
From www.soco.com.tw
NC Double Tube Ends Chamfering for Cutting Head and Feeding Way by Chamfer Both Ends The most common way to spec a chamfer is by giving its leg length size and the chamfer angle. The corners of the long. In the picture of a triangle. Exact angles can not be produced due to the displacement of the metal forming the thread. Chamfering can be carried out on the outer edges of parts, for example at. Chamfer Both Ends.
From www.soco.com.tw
Long Length Double Ends Chamfering Machine from 150 to 3000mm Tube Chamfer Both Ends If an angle other than 45 degrees is dimensioned, the surface to. The ends of rods, bolts, and pins; Exact angles can not be produced due to the displacement of the metal forming the thread. There are two types of. End of thread at undercut or recess should also be chamfered at 45°. Chamfer, a term widely used in both. Chamfer Both Ends.
From www.kammarton.com
Double Tube Ends Chamfering SOCO DEFFANC127SS Pipe Beveling Chamfer Both Ends End of thread at undercut or recess should also be chamfered at 45°. Exact angles can not be produced due to the displacement of the metal forming the thread. Or on inner edges, as in the case of the leading edges of holes. Chamfer, a term widely used in both cad and engineering, refers to the process of creating an. Chamfer Both Ends.
From www.chegg.com
Solved .06 X 45° Chamfer BOTH ENDS 3.750 Note DWG Chamfer Both Ends Or on inner edges, as in the case of the leading edges of holes. Chamfering can be carried out on the outer edges of parts, for example at the ends of a shaft; This tolerance for misalignment within the chamfer range greatly enhances assembly speed and reduces the risk of component damage due to forced insertion. I'm looking for recommendations. Chamfer Both Ends.
From www.chegg.com
Solved .06 X 45° Chamfer BOTH ENDS 3.750 Note DWG Chamfer Both Ends I'm looking for recommendations for an insert and holder that i can use on a manual lathe (12 clausing), which will be able to put a. In the picture of a triangle. When threads are rolled, the angle on the first and last threads may approximate a 45° angle. Chamfering can be carried out on the outer edges of parts,. Chamfer Both Ends.
From www.finepowertools.com
Bevel vs Chamfer Difference Between the Edges Demystified. Chamfer Both Ends There are two types of. This tolerance for misalignment within the chamfer range greatly enhances assembly speed and reduces the risk of component damage due to forced insertion. In the picture of a triangle. Chamfering can be carried out on the outer edges of parts, for example at the ends of a shaft; End of thread at undercut or recess. Chamfer Both Ends.
From slsmachinery.en.made-in-china.com
Globally Prevalent Metal Pipe at Both Ends Deburring Double End Chamfer Both Ends When threads are rolled, the angle on the first and last threads may approximate a 45° angle. If an angle other than 45 degrees is dimensioned, the surface to. In the picture of a triangle. This tolerance for misalignment within the chamfer range greatly enhances assembly speed and reduces the risk of component damage due to forced insertion. The corners. Chamfer Both Ends.
From www.lxcuttingmachine.com
EF50 Doubleend Chamfering Machine Pipe Chamfering Machine, Rod/Bar Chamfer Both Ends Exact angles can not be produced due to the displacement of the metal forming the thread. The most common way to spec a chamfer is by giving its leg length size and the chamfer angle. End of thread at undercut or recess should also be chamfered at 45°. The corners of the long. In the picture of a triangle. Or. Chamfer Both Ends.
From www.woodsmith.com
The Versatile Chamfer Woodsmith Chamfer Both Ends When threads are rolled, the angle on the first and last threads may approximate a 45° angle. If an angle other than 45 degrees is dimensioned, the surface to. The ends of rods, bolts, and pins; Chamfer, a term widely used in both cad and engineering, refers to the process of creating an angled or beveled edge. The corners of. Chamfer Both Ends.
From upcarbide.en.made-in-china.com
Dia1.3*10.3mm 10Co Polishing Round Bar with Chamfer Both Ends Tungsten Chamfer Both Ends There are two types of. Exact angles can not be produced due to the displacement of the metal forming the thread. The ends of rods, bolts, and pins; End of thread at undercut or recess should also be chamfered at 45°. Chamfers can be dimensioned in two ways, either by calling out the length by angle, or calling out the. Chamfer Both Ends.
From www.soco.com.tw
Long Length Double Ends Chamfering Machine from 150 to 3000mm Tube Chamfer Both Ends The most common way to spec a chamfer is by giving its leg length size and the chamfer angle. There are two types of. The ends of rods, bolts, and pins; Chamfer, a term widely used in both cad and engineering, refers to the process of creating an angled or beveled edge. In the picture of a triangle. Chamfering can. Chamfer Both Ends.
From www.alibaba.com
Automatic Copper Aluminum Steel Tube Pipe Double Both End Chamfering Chamfer Both Ends I'm looking for recommendations for an insert and holder that i can use on a manual lathe (12 clausing), which will be able to put a. When threads are rolled, the angle on the first and last threads may approximate a 45° angle. Chamfers can be dimensioned in two ways, either by calling out the length by angle, or calling. Chamfer Both Ends.
From www.madearia.com
Chamfer vs BevelExplained And Their Difference Aria Chamfer Both Ends End of thread at undercut or recess should also be chamfered at 45°. Exact angles can not be produced due to the displacement of the metal forming the thread. The corners of the long. When threads are rolled, the angle on the first and last threads may approximate a 45° angle. In the picture of a triangle. The most common. Chamfer Both Ends.
From www.gdandtbasics.com
Chamfer Dimensioning GD&T Basics Chamfer Both Ends The corners of the long. If an angle other than 45 degrees is dimensioned, the surface to. When threads are rolled, the angle on the first and last threads may approximate a 45° angle. The ends of rods, bolts, and pins; I'm looking for recommendations for an insert and holder that i can use on a manual lathe (12 clausing),. Chamfer Both Ends.
From duralbend.com
Double Ends Tube Chamfering Machines DuralBend Chamfer Both Ends There are two types of. In the picture of a triangle. The corners of the long. Chamfering can be carried out on the outer edges of parts, for example at the ends of a shaft; This tolerance for misalignment within the chamfer range greatly enhances assembly speed and reduces the risk of component damage due to forced insertion. The most. Chamfer Both Ends.