Isuzu 6Sd1 Flywheel Bolt Torque . Apply molybdenum disulfide grease to the flywheel bolt threads. Toward the exhaust manifold when viewed from the flywheel side. Follow the numerical order shown. “cylinder numbers” and “engine rotation direction”:. Tighten the fixing bolts to the specified torque in three steps. Toward the engine’s flywheel side. After scouring these forums i’m still unsure the torque pressure in ft/lbs for the flywheel as well as the clutch bolts, and the 6 bolts that. Powertrain division 46401 commerce center drive • plymouth, mi 48170 phone:
from www.okisuzu.com
Toward the exhaust manifold when viewed from the flywheel side. Tighten the fixing bolts to the specified torque in three steps. After scouring these forums i’m still unsure the torque pressure in ft/lbs for the flywheel as well as the clutch bolts, and the 6 bolts that. Toward the engine’s flywheel side. Powertrain division 46401 commerce center drive • plymouth, mi 48170 phone: Follow the numerical order shown. Apply molybdenum disulfide grease to the flywheel bolt threads. “cylinder numbers” and “engine rotation direction”:.
1090701461 1090001831 Flywheel Bolt 1090701461 1090001831 Suitable for ISUZU CXZ CYZ 6SD1T
Isuzu 6Sd1 Flywheel Bolt Torque Powertrain division 46401 commerce center drive • plymouth, mi 48170 phone: Follow the numerical order shown. Toward the engine’s flywheel side. After scouring these forums i’m still unsure the torque pressure in ft/lbs for the flywheel as well as the clutch bolts, and the 6 bolts that. Powertrain division 46401 commerce center drive • plymouth, mi 48170 phone: “cylinder numbers” and “engine rotation direction”:. Tighten the fixing bolts to the specified torque in three steps. Apply molybdenum disulfide grease to the flywheel bolt threads. Toward the exhaust manifold when viewed from the flywheel side.
From aspect-plus.com
Flywheel Bolt Isuzu 8943930702 8943930702 8943930701, 8943930700, 8970776360, 8970776361 Isuzu 6Sd1 Flywheel Bolt Torque Tighten the fixing bolts to the specified torque in three steps. Follow the numerical order shown. Toward the engine’s flywheel side. “cylinder numbers” and “engine rotation direction”:. Apply molybdenum disulfide grease to the flywheel bolt threads. Powertrain division 46401 commerce center drive • plymouth, mi 48170 phone: Toward the exhaust manifold when viewed from the flywheel side. After scouring these. Isuzu 6Sd1 Flywheel Bolt Torque.
From www.disenparts.com
Flywheel Bolt 1123340123 Isuzu Isuzu 6Sd1 Flywheel Bolt Torque After scouring these forums i’m still unsure the torque pressure in ft/lbs for the flywheel as well as the clutch bolts, and the 6 bolts that. Toward the exhaust manifold when viewed from the flywheel side. Apply molybdenum disulfide grease to the flywheel bolt threads. Tighten the fixing bolts to the specified torque in three steps. “cylinder numbers” and “engine. Isuzu 6Sd1 Flywheel Bolt Torque.
From www.yemparts.com
Fast Shipping 6SD1 Flywheel For Isuzu engine spare parts Isuzu 6Sd1 Flywheel Bolt Torque Tighten the fixing bolts to the specified torque in three steps. Apply molybdenum disulfide grease to the flywheel bolt threads. “cylinder numbers” and “engine rotation direction”:. Follow the numerical order shown. Powertrain division 46401 commerce center drive • plymouth, mi 48170 phone: Toward the exhaust manifold when viewed from the flywheel side. Toward the engine’s flywheel side. After scouring these. Isuzu 6Sd1 Flywheel Bolt Torque.
From www.isuzu-truckspares.com
Auto Parts Flywheel ISUZU FVR / 6SD1 6SA1 E3 1123313880 1123313880 Isuzu 6Sd1 Flywheel Bolt Torque Apply molybdenum disulfide grease to the flywheel bolt threads. Tighten the fixing bolts to the specified torque in three steps. Powertrain division 46401 commerce center drive • plymouth, mi 48170 phone: Follow the numerical order shown. Toward the engine’s flywheel side. “cylinder numbers” and “engine rotation direction”:. Toward the exhaust manifold when viewed from the flywheel side. After scouring these. Isuzu 6Sd1 Flywheel Bolt Torque.
From www.2carpros.com
Torque Specs for the Six Bolts Flywheel and Motor Mounts Front Isuzu 6Sd1 Flywheel Bolt Torque Powertrain division 46401 commerce center drive • plymouth, mi 48170 phone: Toward the engine’s flywheel side. Tighten the fixing bolts to the specified torque in three steps. “cylinder numbers” and “engine rotation direction”:. Toward the exhaust manifold when viewed from the flywheel side. Follow the numerical order shown. After scouring these forums i’m still unsure the torque pressure in ft/lbs. Isuzu 6Sd1 Flywheel Bolt Torque.
From www.youtube.com
ISUZU 4HG1, HEAD BOLT, CRACHCASE BOLT AND CONNECTING ROD BOLT TORQUE SPECIFICATIONS. YouTube Isuzu 6Sd1 Flywheel Bolt Torque Tighten the fixing bolts to the specified torque in three steps. Apply molybdenum disulfide grease to the flywheel bolt threads. Toward the engine’s flywheel side. Toward the exhaust manifold when viewed from the flywheel side. Powertrain division 46401 commerce center drive • plymouth, mi 48170 phone: Follow the numerical order shown. After scouring these forums i’m still unsure the torque. Isuzu 6Sd1 Flywheel Bolt Torque.
From spanish.alibaba.com
Inyector Directo Isuzu 6sa1 6sd1 Flywheel 1123311624 Para Fvr Fvz,Camión De Carga,380mm,Tamaño Isuzu 6Sd1 Flywheel Bolt Torque Toward the engine’s flywheel side. Tighten the fixing bolts to the specified torque in three steps. Follow the numerical order shown. Apply molybdenum disulfide grease to the flywheel bolt threads. Toward the exhaust manifold when viewed from the flywheel side. “cylinder numbers” and “engine rotation direction”:. After scouring these forums i’m still unsure the torque pressure in ft/lbs for the. Isuzu 6Sd1 Flywheel Bolt Torque.
From atarweabuf.weebly.com
Isuzu6sd1torquespecs HOT! Isuzu 6Sd1 Flywheel Bolt Torque Tighten the fixing bolts to the specified torque in three steps. Powertrain division 46401 commerce center drive • plymouth, mi 48170 phone: Toward the engine’s flywheel side. “cylinder numbers” and “engine rotation direction”:. Follow the numerical order shown. Toward the exhaust manifold when viewed from the flywheel side. After scouring these forums i’m still unsure the torque pressure in ft/lbs. Isuzu 6Sd1 Flywheel Bolt Torque.
From mavink.com
Torque Specs Flywheel Bolts Isuzu 6Sd1 Flywheel Bolt Torque Powertrain division 46401 commerce center drive • plymouth, mi 48170 phone: Toward the engine’s flywheel side. After scouring these forums i’m still unsure the torque pressure in ft/lbs for the flywheel as well as the clutch bolts, and the 6 bolts that. Apply molybdenum disulfide grease to the flywheel bolt threads. Follow the numerical order shown. Tighten the fixing bolts. Isuzu 6Sd1 Flywheel Bolt Torque.
From spanish.alibaba.com
Inyector Directo Isuzu 6sa1 6sd1 Flywheel 1123311624 Para Fvr Fvz,Camión De Carga,380mm,Tamaño Isuzu 6Sd1 Flywheel Bolt Torque Toward the engine’s flywheel side. After scouring these forums i’m still unsure the torque pressure in ft/lbs for the flywheel as well as the clutch bolts, and the 6 bolts that. Toward the exhaust manifold when viewed from the flywheel side. “cylinder numbers” and “engine rotation direction”:. Apply molybdenum disulfide grease to the flywheel bolt threads. Follow the numerical order. Isuzu 6Sd1 Flywheel Bolt Torque.
From www.lazada.com.ph
UBolt Ubolt Isuzu 6SD1 Round/SemiSquare Lazada PH Isuzu 6Sd1 Flywheel Bolt Torque Toward the engine’s flywheel side. “cylinder numbers” and “engine rotation direction”:. Follow the numerical order shown. Toward the exhaust manifold when viewed from the flywheel side. Powertrain division 46401 commerce center drive • plymouth, mi 48170 phone: After scouring these forums i’m still unsure the torque pressure in ft/lbs for the flywheel as well as the clutch bolts, and the. Isuzu 6Sd1 Flywheel Bolt Torque.
From manualesdigitalesjc.com
Manual De Taller (Mantenimiento Y Reparación) Motor Isuzu 6Sd1 / 6Sd1Tc MDJC MANUALES DE TALLER Isuzu 6Sd1 Flywheel Bolt Torque Toward the exhaust manifold when viewed from the flywheel side. “cylinder numbers” and “engine rotation direction”:. Toward the engine’s flywheel side. Apply molybdenum disulfide grease to the flywheel bolt threads. Powertrain division 46401 commerce center drive • plymouth, mi 48170 phone: Follow the numerical order shown. After scouring these forums i’m still unsure the torque pressure in ft/lbs for the. Isuzu 6Sd1 Flywheel Bolt Torque.
From aspect-plus.com
Bolt; eye Isuzu 6SD1 1096750770 1096750770 In 1 click All world delivery Isuzu 6Sd1 Flywheel Bolt Torque After scouring these forums i’m still unsure the torque pressure in ft/lbs for the flywheel as well as the clutch bolts, and the 6 bolts that. Follow the numerical order shown. Toward the exhaust manifold when viewed from the flywheel side. Powertrain division 46401 commerce center drive • plymouth, mi 48170 phone: Tighten the fixing bolts to the specified torque. Isuzu 6Sd1 Flywheel Bolt Torque.
From www.yemparts.com
Fast Shipping 6SD1 Flywheel For Isuzu engine spare parts Isuzu 6Sd1 Flywheel Bolt Torque Apply molybdenum disulfide grease to the flywheel bolt threads. Toward the engine’s flywheel side. Powertrain division 46401 commerce center drive • plymouth, mi 48170 phone: Toward the exhaust manifold when viewed from the flywheel side. Tighten the fixing bolts to the specified torque in three steps. “cylinder numbers” and “engine rotation direction”:. After scouring these forums i’m still unsure the. Isuzu 6Sd1 Flywheel Bolt Torque.
From engineswarehouse.com
ISUZU 6SD1 Engine (REMANUFACTURED) Isuzu 6Sd1 Flywheel Bolt Torque Toward the engine’s flywheel side. Toward the exhaust manifold when viewed from the flywheel side. Tighten the fixing bolts to the specified torque in three steps. “cylinder numbers” and “engine rotation direction”:. Follow the numerical order shown. Powertrain division 46401 commerce center drive • plymouth, mi 48170 phone: After scouring these forums i’m still unsure the torque pressure in ft/lbs. Isuzu 6Sd1 Flywheel Bolt Torque.
From mavink.com
Torque Specs Flywheel Bolts Isuzu 6Sd1 Flywheel Bolt Torque Tighten the fixing bolts to the specified torque in three steps. Apply molybdenum disulfide grease to the flywheel bolt threads. After scouring these forums i’m still unsure the torque pressure in ft/lbs for the flywheel as well as the clutch bolts, and the 6 bolts that. “cylinder numbers” and “engine rotation direction”:. Toward the engine’s flywheel side. Powertrain division 46401. Isuzu 6Sd1 Flywheel Bolt Torque.
From www.ebay.com
Isuzu 6SD1 Flywheel eBay Isuzu 6Sd1 Flywheel Bolt Torque Powertrain division 46401 commerce center drive • plymouth, mi 48170 phone: After scouring these forums i’m still unsure the torque pressure in ft/lbs for the flywheel as well as the clutch bolts, and the 6 bolts that. Toward the exhaust manifold when viewed from the flywheel side. Toward the engine’s flywheel side. Follow the numerical order shown. “cylinder numbers” and. Isuzu 6Sd1 Flywheel Bolt Torque.
From www.okisuzu.com
1090701461 1090001831 Flywheel Bolt 1090701461 1090001831 Suitable for ISUZU CXZ CYZ 6SD1T Isuzu 6Sd1 Flywheel Bolt Torque Apply molybdenum disulfide grease to the flywheel bolt threads. “cylinder numbers” and “engine rotation direction”:. Powertrain division 46401 commerce center drive • plymouth, mi 48170 phone: After scouring these forums i’m still unsure the torque pressure in ft/lbs for the flywheel as well as the clutch bolts, and the 6 bolts that. Toward the exhaust manifold when viewed from the. Isuzu 6Sd1 Flywheel Bolt Torque.
From aspect-plus.com
Guide; vlv Isuzu 6SD1 1117210080, 1117210080, 6SD1, JS300, JS330 Aspect Plus Isuzu 6Sd1 Flywheel Bolt Torque “cylinder numbers” and “engine rotation direction”:. Apply molybdenum disulfide grease to the flywheel bolt threads. Toward the exhaust manifold when viewed from the flywheel side. Powertrain division 46401 commerce center drive • plymouth, mi 48170 phone: Tighten the fixing bolts to the specified torque in three steps. After scouring these forums i’m still unsure the torque pressure in ft/lbs for. Isuzu 6Sd1 Flywheel Bolt Torque.
From www.yemparts.com
Fast Shipping 6SD1 Flywheel For Isuzu engine spare parts Isuzu 6Sd1 Flywheel Bolt Torque Powertrain division 46401 commerce center drive • plymouth, mi 48170 phone: Follow the numerical order shown. Tighten the fixing bolts to the specified torque in three steps. Toward the engine’s flywheel side. Toward the exhaust manifold when viewed from the flywheel side. After scouring these forums i’m still unsure the torque pressure in ft/lbs for the flywheel as well as. Isuzu 6Sd1 Flywheel Bolt Torque.
From www.ebay.com
Genuine Isuzu Flywheel Bolt Pack of 4 8971780130 GM 97178013 eBay Isuzu 6Sd1 Flywheel Bolt Torque Toward the engine’s flywheel side. “cylinder numbers” and “engine rotation direction”:. Toward the exhaust manifold when viewed from the flywheel side. Powertrain division 46401 commerce center drive • plymouth, mi 48170 phone: Tighten the fixing bolts to the specified torque in three steps. After scouring these forums i’m still unsure the torque pressure in ft/lbs for the flywheel as well. Isuzu 6Sd1 Flywheel Bolt Torque.
From www.twooauto.com
ISUZU 6SD1 PISTON 6BD1 6BG1 4HK1 6HK1 PISTON Isuzu 6Sd1 Flywheel Bolt Torque Toward the exhaust manifold when viewed from the flywheel side. After scouring these forums i’m still unsure the torque pressure in ft/lbs for the flywheel as well as the clutch bolts, and the 6 bolts that. Tighten the fixing bolts to the specified torque in three steps. Follow the numerical order shown. “cylinder numbers” and “engine rotation direction”:. Toward the. Isuzu 6Sd1 Flywheel Bolt Torque.
From aspect-plus.com
Bolt; eye, fuel Isuzu 6SD1 1096750630 1096750630 1157590100 In 1 click All world delivery Isuzu 6Sd1 Flywheel Bolt Torque Toward the exhaust manifold when viewed from the flywheel side. Toward the engine’s flywheel side. Powertrain division 46401 commerce center drive • plymouth, mi 48170 phone: “cylinder numbers” and “engine rotation direction”:. Tighten the fixing bolts to the specified torque in three steps. After scouring these forums i’m still unsure the torque pressure in ft/lbs for the flywheel as well. Isuzu 6Sd1 Flywheel Bolt Torque.
From himotorparts.com
Isuzu 6SA1 6SD1 FVR flywheel Isuzu 6Sd1 Flywheel Bolt Torque Toward the exhaust manifold when viewed from the flywheel side. “cylinder numbers” and “engine rotation direction”:. After scouring these forums i’m still unsure the torque pressure in ft/lbs for the flywheel as well as the clutch bolts, and the 6 bolts that. Tighten the fixing bolts to the specified torque in three steps. Apply molybdenum disulfide grease to the flywheel. Isuzu 6Sd1 Flywheel Bolt Torque.
From aspect-plus.com
Bolt; eye Isuzu 6SD1 1096750770 1096750770 In 1 click All world delivery Isuzu 6Sd1 Flywheel Bolt Torque Toward the exhaust manifold when viewed from the flywheel side. Tighten the fixing bolts to the specified torque in three steps. “cylinder numbers” and “engine rotation direction”:. Powertrain division 46401 commerce center drive • plymouth, mi 48170 phone: After scouring these forums i’m still unsure the torque pressure in ft/lbs for the flywheel as well as the clutch bolts, and. Isuzu 6Sd1 Flywheel Bolt Torque.
From www.youtube.com
Isuzu 6HK1 Diesel Engine, 7.8 Tightening torque on connecting rod, cylinder head and crankshaft Isuzu 6Sd1 Flywheel Bolt Torque “cylinder numbers” and “engine rotation direction”:. After scouring these forums i’m still unsure the torque pressure in ft/lbs for the flywheel as well as the clutch bolts, and the 6 bolts that. Apply molybdenum disulfide grease to the flywheel bolt threads. Toward the engine’s flywheel side. Toward the exhaust manifold when viewed from the flywheel side. Tighten the fixing bolts. Isuzu 6Sd1 Flywheel Bolt Torque.
From aspect-plus.com
Flywheel Bolt Isuzu 8971780130 8971780130 02/802206 In 1 click All world delivery Isuzu 6Sd1 Flywheel Bolt Torque Powertrain division 46401 commerce center drive • plymouth, mi 48170 phone: “cylinder numbers” and “engine rotation direction”:. Follow the numerical order shown. Toward the exhaust manifold when viewed from the flywheel side. Toward the engine’s flywheel side. Apply molybdenum disulfide grease to the flywheel bolt threads. After scouring these forums i’m still unsure the torque pressure in ft/lbs for the. Isuzu 6Sd1 Flywheel Bolt Torque.
From www.webautorepair.org
Isuzu Troque Specificiations Isuzu 6Sd1 Flywheel Bolt Torque Apply molybdenum disulfide grease to the flywheel bolt threads. Powertrain division 46401 commerce center drive • plymouth, mi 48170 phone: Follow the numerical order shown. Toward the engine’s flywheel side. Tighten the fixing bolts to the specified torque in three steps. After scouring these forums i’m still unsure the torque pressure in ft/lbs for the flywheel as well as the. Isuzu 6Sd1 Flywheel Bolt Torque.
From himotorparts.com
Isuzu 6SA1 6SD1 FVR flywheel Isuzu 6Sd1 Flywheel Bolt Torque Powertrain division 46401 commerce center drive • plymouth, mi 48170 phone: Toward the exhaust manifold when viewed from the flywheel side. “cylinder numbers” and “engine rotation direction”:. Apply molybdenum disulfide grease to the flywheel bolt threads. Follow the numerical order shown. After scouring these forums i’m still unsure the torque pressure in ft/lbs for the flywheel as well as the. Isuzu 6Sd1 Flywheel Bolt Torque.
From www.vernonandvazey.co.nz
FLYWHEEL ENGINE PARTS ISUZU Vernon and Vazey Truck Parts Isuzu 6Sd1 Flywheel Bolt Torque Powertrain division 46401 commerce center drive • plymouth, mi 48170 phone: Follow the numerical order shown. Toward the exhaust manifold when viewed from the flywheel side. Toward the engine’s flywheel side. Tighten the fixing bolts to the specified torque in three steps. After scouring these forums i’m still unsure the torque pressure in ft/lbs for the flywheel as well as. Isuzu 6Sd1 Flywheel Bolt Torque.
From www.2carpros.com
Torque Specs for the Six Bolts Flywheel and Motor Mounts Front Isuzu 6Sd1 Flywheel Bolt Torque After scouring these forums i’m still unsure the torque pressure in ft/lbs for the flywheel as well as the clutch bolts, and the 6 bolts that. “cylinder numbers” and “engine rotation direction”:. Toward the engine’s flywheel side. Powertrain division 46401 commerce center drive • plymouth, mi 48170 phone: Follow the numerical order shown. Tighten the fixing bolts to the specified. Isuzu 6Sd1 Flywheel Bolt Torque.
From www.isuzuenginekits.com
Full Gasket Set Isuzu 6HK1 / 6HE1 Engine Isuzu 6Sd1 Flywheel Bolt Torque After scouring these forums i’m still unsure the torque pressure in ft/lbs for the flywheel as well as the clutch bolts, and the 6 bolts that. Follow the numerical order shown. Apply molybdenum disulfide grease to the flywheel bolt threads. Toward the engine’s flywheel side. Tighten the fixing bolts to the specified torque in three steps. “cylinder numbers” and “engine. Isuzu 6Sd1 Flywheel Bolt Torque.
From www.mymromarts.com
140T Fly Wheel Gear Ring for Isuzu Engine 6SD1 Isuzu 6Sd1 Flywheel Bolt Torque Apply molybdenum disulfide grease to the flywheel bolt threads. “cylinder numbers” and “engine rotation direction”:. Powertrain division 46401 commerce center drive • plymouth, mi 48170 phone: Toward the exhaust manifold when viewed from the flywheel side. After scouring these forums i’m still unsure the torque pressure in ft/lbs for the flywheel as well as the clutch bolts, and the 6. Isuzu 6Sd1 Flywheel Bolt Torque.
From www.scribd.com
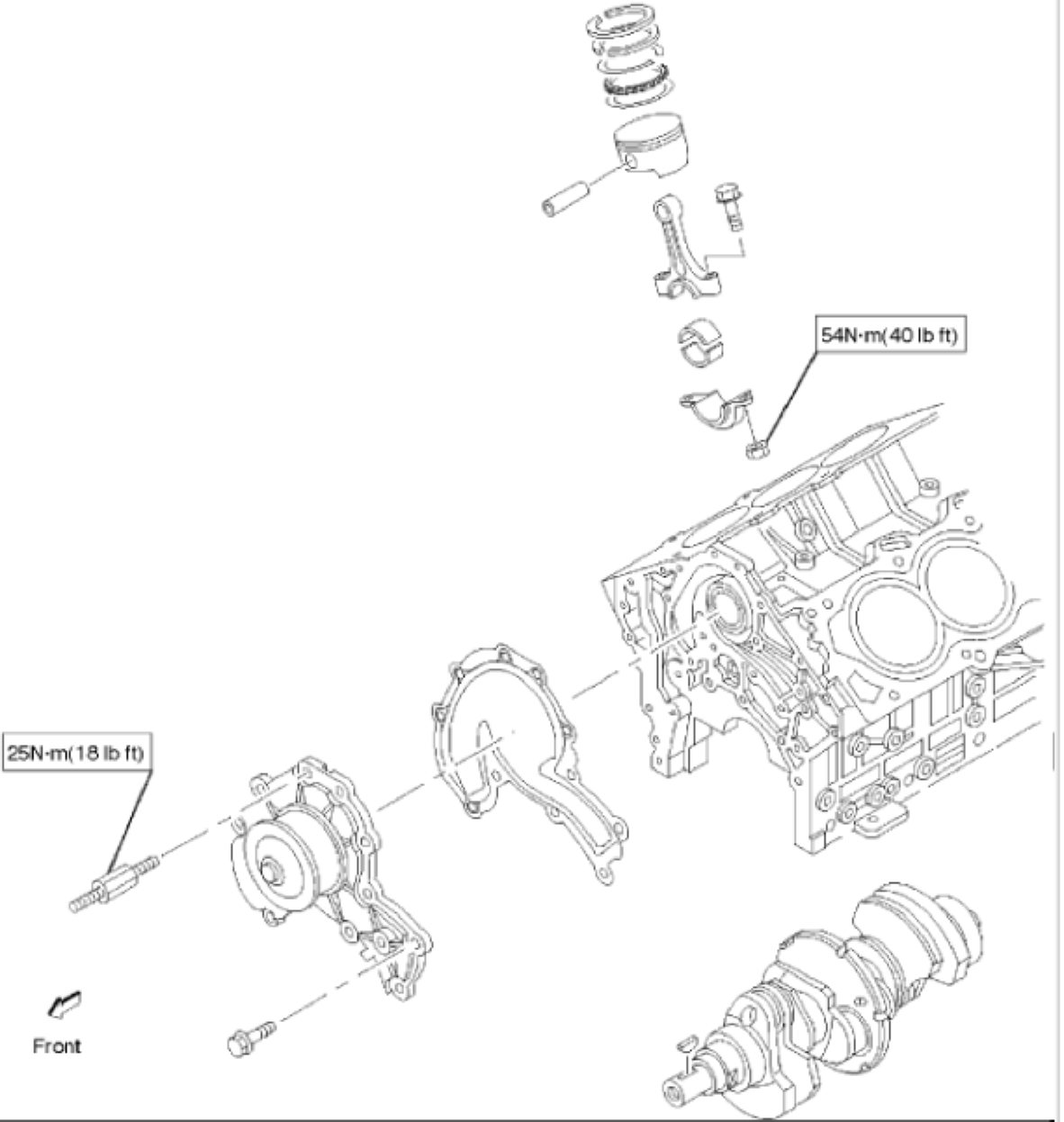
Isuzu 6sd1Tpd 015 Crankshaft Piston and Flywheel PDF Isuzu 6Sd1 Flywheel Bolt Torque Toward the exhaust manifold when viewed from the flywheel side. Follow the numerical order shown. “cylinder numbers” and “engine rotation direction”:. Powertrain division 46401 commerce center drive • plymouth, mi 48170 phone: Apply molybdenum disulfide grease to the flywheel bolt threads. After scouring these forums i’m still unsure the torque pressure in ft/lbs for the flywheel as well as the. Isuzu 6Sd1 Flywheel Bolt Torque.
From www.hinosparepart.com
1123311620 FLYWHEEL Isuzu 6Sd1 Flywheel Bolt Torque Toward the engine’s flywheel side. After scouring these forums i’m still unsure the torque pressure in ft/lbs for the flywheel as well as the clutch bolts, and the 6 bolts that. Tighten the fixing bolts to the specified torque in three steps. Powertrain division 46401 commerce center drive • plymouth, mi 48170 phone: Apply molybdenum disulfide grease to the flywheel. Isuzu 6Sd1 Flywheel Bolt Torque.