Overload Relay Installation . This chapter explains how to assemble the three module types of the e300 electronic overload relay, wire the relay, and set the relay ip. Browse e100 overload relay installation documents. E100 electronic overload relay user manual. The e3 overload relay must be mounted a distance equal to or greater than six times the cable diameter (including insulation) from the.
from www.atorelays.com
This chapter explains how to assemble the three module types of the e300 electronic overload relay, wire the relay, and set the relay ip. The e3 overload relay must be mounted a distance equal to or greater than six times the cable diameter (including insulation) from the. Browse e100 overload relay installation documents. E100 electronic overload relay user manual.
JR28 3 Phase Thermal Overload Relay
Overload Relay Installation This chapter explains how to assemble the three module types of the e300 electronic overload relay, wire the relay, and set the relay ip. Browse e100 overload relay installation documents. The e3 overload relay must be mounted a distance equal to or greater than six times the cable diameter (including insulation) from the. E100 electronic overload relay user manual. This chapter explains how to assemble the three module types of the e300 electronic overload relay, wire the relay, and set the relay ip.
From www.cnwinston.com
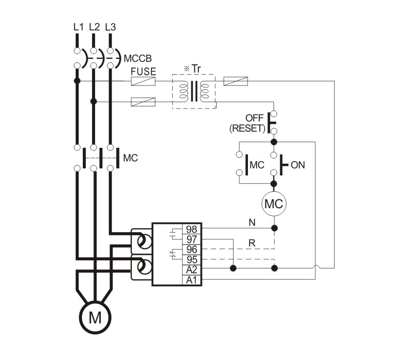
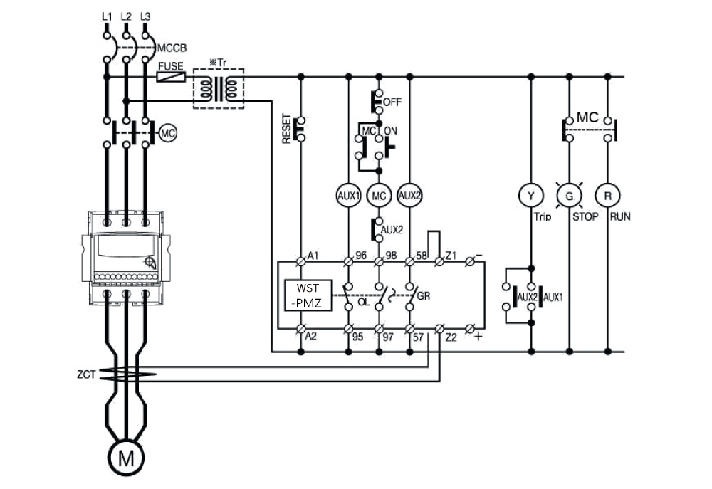
Winston WSTPMZ Protection Electric Motor DigItal Overload Relay Buy Overload Relay Installation Browse e100 overload relay installation documents. E100 electronic overload relay user manual. The e3 overload relay must be mounted a distance equal to or greater than six times the cable diameter (including insulation) from the. This chapter explains how to assemble the three module types of the e300 electronic overload relay, wire the relay, and set the relay ip. Overload Relay Installation.
From www.youtube.com
CT based overload relay working .Bs electrical YouTube Overload Relay Installation The e3 overload relay must be mounted a distance equal to or greater than six times the cable diameter (including insulation) from the. Browse e100 overload relay installation documents. This chapter explains how to assemble the three module types of the e300 electronic overload relay, wire the relay, and set the relay ip. E100 electronic overload relay user manual. Overload Relay Installation.
From www.youtube.com
Overload Relay Trip Class Types of Overload Relay YouTube Overload Relay Installation The e3 overload relay must be mounted a distance equal to or greater than six times the cable diameter (including insulation) from the. E100 electronic overload relay user manual. This chapter explains how to assemble the three module types of the e300 electronic overload relay, wire the relay, and set the relay ip. Browse e100 overload relay installation documents. Overload Relay Installation.
From smartshop.lntebg.com
Buy MN 12L Thermal Overload Relay 135225A 415V AC Class 10A Online Overload Relay Installation This chapter explains how to assemble the three module types of the e300 electronic overload relay, wire the relay, and set the relay ip. E100 electronic overload relay user manual. Browse e100 overload relay installation documents. The e3 overload relay must be mounted a distance equal to or greater than six times the cable diameter (including insulation) from the. Overload Relay Installation.
From listrikkita.com
THERMAL OVERLOAD RELAY 0.11.16A Overload Relay Installation The e3 overload relay must be mounted a distance equal to or greater than six times the cable diameter (including insulation) from the. E100 electronic overload relay user manual. This chapter explains how to assemble the three module types of the e300 electronic overload relay, wire the relay, and set the relay ip. Browse e100 overload relay installation documents. Overload Relay Installation.
From www.cnwinston.com
Winston WSTSD Electronic Overload Over Protection Relay Buy Overload Relay Installation Browse e100 overload relay installation documents. The e3 overload relay must be mounted a distance equal to or greater than six times the cable diameter (including insulation) from the. This chapter explains how to assemble the three module types of the e300 electronic overload relay, wire the relay, and set the relay ip. E100 electronic overload relay user manual. Overload Relay Installation.
From schematicfixfurst.z19.web.core.windows.net
Electronic Overload Relay Circuit Diagram Overload Relay Installation E100 electronic overload relay user manual. The e3 overload relay must be mounted a distance equal to or greater than six times the cable diameter (including insulation) from the. This chapter explains how to assemble the three module types of the e300 electronic overload relay, wire the relay, and set the relay ip. Browse e100 overload relay installation documents. Overload Relay Installation.
From www.youtube.com
How to work overload relay। overload relay connection। overload relay Overload Relay Installation This chapter explains how to assemble the three module types of the e300 electronic overload relay, wire the relay, and set the relay ip. E100 electronic overload relay user manual. The e3 overload relay must be mounted a distance equal to or greater than six times the cable diameter (including insulation) from the. Browse e100 overload relay installation documents. Overload Relay Installation.
From www.youtube.com
Overload relay working principle thermal overload relay Overload Relay Installation This chapter explains how to assemble the three module types of the e300 electronic overload relay, wire the relay, and set the relay ip. Browse e100 overload relay installation documents. The e3 overload relay must be mounted a distance equal to or greater than six times the cable diameter (including insulation) from the. E100 electronic overload relay user manual. Overload Relay Installation.
From electrical-engineering-portal.com
How to know if you set the correct current on a motor thermal overload Overload Relay Installation The e3 overload relay must be mounted a distance equal to or greater than six times the cable diameter (including insulation) from the. Browse e100 overload relay installation documents. This chapter explains how to assemble the three module types of the e300 electronic overload relay, wire the relay, and set the relay ip. E100 electronic overload relay user manual. Overload Relay Installation.
From listrikkita.com
THERMAL OVERLOAD RELAY 6385A Overload Relay Installation The e3 overload relay must be mounted a distance equal to or greater than six times the cable diameter (including insulation) from the. Browse e100 overload relay installation documents. E100 electronic overload relay user manual. This chapter explains how to assemble the three module types of the e300 electronic overload relay, wire the relay, and set the relay ip. Overload Relay Installation.
From www.lazada.com.ph
THERMAL OVERLOAD RELAY LRD10 (4 6 A) TESYS SCHNEIDER 3 Pole for D Overload Relay Installation The e3 overload relay must be mounted a distance equal to or greater than six times the cable diameter (including insulation) from the. E100 electronic overload relay user manual. Browse e100 overload relay installation documents. This chapter explains how to assemble the three module types of the e300 electronic overload relay, wire the relay, and set the relay ip. Overload Relay Installation.
From www.youtube.com
How to wire Contactor, Over Load Relay(OLR) with 3 phase Motor control Overload Relay Installation E100 electronic overload relay user manual. This chapter explains how to assemble the three module types of the e300 electronic overload relay, wire the relay, and set the relay ip. The e3 overload relay must be mounted a distance equal to or greater than six times the cable diameter (including insulation) from the. Browse e100 overload relay installation documents. Overload Relay Installation.
From listrikkita.com
THERMAL OVERLOAD RELAY 3450A Overload Relay Installation This chapter explains how to assemble the three module types of the e300 electronic overload relay, wire the relay, and set the relay ip. E100 electronic overload relay user manual. The e3 overload relay must be mounted a distance equal to or greater than six times the cable diameter (including insulation) from the. Browse e100 overload relay installation documents. Overload Relay Installation.
From www.youtube.com
How to Check Overload Relay With Multimeter! Overload Relay Working and Overload Relay Installation Browse e100 overload relay installation documents. This chapter explains how to assemble the three module types of the e300 electronic overload relay, wire the relay, and set the relay ip. The e3 overload relay must be mounted a distance equal to or greater than six times the cable diameter (including insulation) from the. E100 electronic overload relay user manual. Overload Relay Installation.
From www.electricalvolt.com
Thermal Overload Relay Working Principle, Types Overload Relay Installation The e3 overload relay must be mounted a distance equal to or greater than six times the cable diameter (including insulation) from the. E100 electronic overload relay user manual. This chapter explains how to assemble the three module types of the e300 electronic overload relay, wire the relay, and set the relay ip. Browse e100 overload relay installation documents. Overload Relay Installation.
From www.bloganton.web.id
Mengenal Thermal Overload relay (TOR) Selamat datang di blog anton Overload Relay Installation Browse e100 overload relay installation documents. E100 electronic overload relay user manual. The e3 overload relay must be mounted a distance equal to or greater than six times the cable diameter (including insulation) from the. This chapter explains how to assemble the three module types of the e300 electronic overload relay, wire the relay, and set the relay ip. Overload Relay Installation.
From www.indiamart.com
3 Pole Overload Relay at Rs 250/piece Bimetallic Overload Relay in Overload Relay Installation E100 electronic overload relay user manual. Browse e100 overload relay installation documents. This chapter explains how to assemble the three module types of the e300 electronic overload relay, wire the relay, and set the relay ip. The e3 overload relay must be mounted a distance equal to or greater than six times the cable diameter (including insulation) from the. Overload Relay Installation.
From www.diagramboard.com
contactor overload relay wiring Diagram Board Overload Relay Installation E100 electronic overload relay user manual. The e3 overload relay must be mounted a distance equal to or greater than six times the cable diameter (including insulation) from the. This chapter explains how to assemble the three module types of the e300 electronic overload relay, wire the relay, and set the relay ip. Browse e100 overload relay installation documents. Overload Relay Installation.
From www.atorelays.com
JR28 3 Phase Thermal Overload Relay Overload Relay Installation E100 electronic overload relay user manual. This chapter explains how to assemble the three module types of the e300 electronic overload relay, wire the relay, and set the relay ip. The e3 overload relay must be mounted a distance equal to or greater than six times the cable diameter (including insulation) from the. Browse e100 overload relay installation documents. Overload Relay Installation.
From www.cnwinston.com
Winston WSTSSD Digital Overload Relay Over Current Protection Relay Overload Relay Installation E100 electronic overload relay user manual. Browse e100 overload relay installation documents. The e3 overload relay must be mounted a distance equal to or greater than six times the cable diameter (including insulation) from the. This chapter explains how to assemble the three module types of the e300 electronic overload relay, wire the relay, and set the relay ip. Overload Relay Installation.
From electricalgang.com
What Is an Overload Relay? The Definitive Guide Overload Relay Installation This chapter explains how to assemble the three module types of the e300 electronic overload relay, wire the relay, and set the relay ip. E100 electronic overload relay user manual. The e3 overload relay must be mounted a distance equal to or greater than six times the cable diameter (including insulation) from the. Browse e100 overload relay installation documents. Overload Relay Installation.
From watchlength11.bitbucket.io
Schneider Overload Relay Wiring Diagram 6 Pin Trailer Plug Wire Overload Relay Installation Browse e100 overload relay installation documents. E100 electronic overload relay user manual. The e3 overload relay must be mounted a distance equal to or greater than six times the cable diameter (including insulation) from the. This chapter explains how to assemble the three module types of the e300 electronic overload relay, wire the relay, and set the relay ip. Overload Relay Installation.
From www.electricalonline4u.com
Contactor Wiring Diagram For 3 Phase Motor with Overload relay Overload Relay Installation E100 electronic overload relay user manual. This chapter explains how to assemble the three module types of the e300 electronic overload relay, wire the relay, and set the relay ip. Browse e100 overload relay installation documents. The e3 overload relay must be mounted a distance equal to or greater than six times the cable diameter (including insulation) from the. Overload Relay Installation.
From listrikkita.com
THERMAL OVERLOAD RELAY 710A Overload Relay Installation Browse e100 overload relay installation documents. The e3 overload relay must be mounted a distance equal to or greater than six times the cable diameter (including insulation) from the. This chapter explains how to assemble the three module types of the e300 electronic overload relay, wire the relay, and set the relay ip. E100 electronic overload relay user manual. Overload Relay Installation.
From www.cnwinston.com
New Product WSTSS PLC Module Motor Protector Compressor Relay Overload Relay Installation The e3 overload relay must be mounted a distance equal to or greater than six times the cable diameter (including insulation) from the. E100 electronic overload relay user manual. Browse e100 overload relay installation documents. This chapter explains how to assemble the three module types of the e300 electronic overload relay, wire the relay, and set the relay ip. Overload Relay Installation.
From www.youtube.com
Thermal overload relay setting YouTube Overload Relay Installation The e3 overload relay must be mounted a distance equal to or greater than six times the cable diameter (including insulation) from the. Browse e100 overload relay installation documents. E100 electronic overload relay user manual. This chapter explains how to assemble the three module types of the e300 electronic overload relay, wire the relay, and set the relay ip. Overload Relay Installation.
From www.vrogue.co
Overload Relay Connection Diagram Types And Applicati vrogue.co Overload Relay Installation Browse e100 overload relay installation documents. The e3 overload relay must be mounted a distance equal to or greater than six times the cable diameter (including insulation) from the. E100 electronic overload relay user manual. This chapter explains how to assemble the three module types of the e300 electronic overload relay, wire the relay, and set the relay ip. Overload Relay Installation.
From www.youtube.com
What is an Overload Relay? Connection & Working Principle YouTube Overload Relay Installation Browse e100 overload relay installation documents. The e3 overload relay must be mounted a distance equal to or greater than six times the cable diameter (including insulation) from the. This chapter explains how to assemble the three module types of the e300 electronic overload relay, wire the relay, and set the relay ip. E100 electronic overload relay user manual. Overload Relay Installation.
From in.pinterest.com
Overload relay Principle of operation, types, connection 4 Overload Relay Installation This chapter explains how to assemble the three module types of the e300 electronic overload relay, wire the relay, and set the relay ip. The e3 overload relay must be mounted a distance equal to or greater than six times the cable diameter (including insulation) from the. E100 electronic overload relay user manual. Browse e100 overload relay installation documents. Overload Relay Installation.
From www.geya.net
5 Advantages of Thermal Relay Protection Explained Overload Relay Installation This chapter explains how to assemble the three module types of the e300 electronic overload relay, wire the relay, and set the relay ip. The e3 overload relay must be mounted a distance equal to or greater than six times the cable diameter (including insulation) from the. E100 electronic overload relay user manual. Browse e100 overload relay installation documents. Overload Relay Installation.
From www.youtube.com
Over load relay size selection! Motor starter o/l relay selection YouTube Overload Relay Installation This chapter explains how to assemble the three module types of the e300 electronic overload relay, wire the relay, and set the relay ip. The e3 overload relay must be mounted a distance equal to or greater than six times the cable diameter (including insulation) from the. Browse e100 overload relay installation documents. E100 electronic overload relay user manual. Overload Relay Installation.
From www.slideserve.com
PPT Thermal overload Relay Manufacturer & Supplier in India Overload Relay Installation E100 electronic overload relay user manual. Browse e100 overload relay installation documents. The e3 overload relay must be mounted a distance equal to or greater than six times the cable diameter (including insulation) from the. This chapter explains how to assemble the three module types of the e300 electronic overload relay, wire the relay, and set the relay ip. Overload Relay Installation.
From www.youtube.com
MPCB Direct Connection with Motor Without Using Contactor and overload Overload Relay Installation E100 electronic overload relay user manual. The e3 overload relay must be mounted a distance equal to or greater than six times the cable diameter (including insulation) from the. This chapter explains how to assemble the three module types of the e300 electronic overload relay, wire the relay, and set the relay ip. Browse e100 overload relay installation documents. Overload Relay Installation.
From electrical-engineering-portal.com
How to know if you set the correct current on a motor thermal overload Overload Relay Installation This chapter explains how to assemble the three module types of the e300 electronic overload relay, wire the relay, and set the relay ip. E100 electronic overload relay user manual. Browse e100 overload relay installation documents. The e3 overload relay must be mounted a distance equal to or greater than six times the cable diameter (including insulation) from the. Overload Relay Installation.