John Deere Neutral Safety Switch Location . The neutral safety switch on a john deere rider is found under the brake pedal. The switch closes when in neutral, so it can be jumped in an. It has a hex head and screws into the transmission. I know you said that you changed the seat switch, but i would be looking at the seat switch, connector and wiring. A pair of wires go. The switch is located near the top left corner of the transmission. If you are getting the message “shift to neutral” on your jd3032e and are unable to start your tractor, this video will walk you. How to bypass the seat safety switch on a john deere 2038r, and replacing the neutral safety switch. When the neutral safety switch is opened by putting it in gear,. What do i need to do to access this switch with the 60d mmm attached and no hydraulics to remove it?
from shabnumbasant.blogspot.com
When the neutral safety switch is opened by putting it in gear,. It has a hex head and screws into the transmission. If you are getting the message “shift to neutral” on your jd3032e and are unable to start your tractor, this video will walk you. I know you said that you changed the seat switch, but i would be looking at the seat switch, connector and wiring. What do i need to do to access this switch with the 60d mmm attached and no hydraulics to remove it? How to bypass the seat safety switch on a john deere 2038r, and replacing the neutral safety switch. The neutral safety switch on a john deere rider is found under the brake pedal. The switch closes when in neutral, so it can be jumped in an. The switch is located near the top left corner of the transmission. A pair of wires go.
john deere 318 wiring diagram ShabnumBasant
John Deere Neutral Safety Switch Location If you are getting the message “shift to neutral” on your jd3032e and are unable to start your tractor, this video will walk you. The switch closes when in neutral, so it can be jumped in an. What do i need to do to access this switch with the 60d mmm attached and no hydraulics to remove it? If you are getting the message “shift to neutral” on your jd3032e and are unable to start your tractor, this video will walk you. It has a hex head and screws into the transmission. When the neutral safety switch is opened by putting it in gear,. I know you said that you changed the seat switch, but i would be looking at the seat switch, connector and wiring. The switch is located near the top left corner of the transmission. A pair of wires go. How to bypass the seat safety switch on a john deere 2038r, and replacing the neutral safety switch. The neutral safety switch on a john deere rider is found under the brake pedal.
From www.justanswer.com
Have a john deere 1023e yard tractor and i have it sitting in the neutral position but i keep John Deere Neutral Safety Switch Location The neutral safety switch on a john deere rider is found under the brake pedal. The switch is located near the top left corner of the transmission. The switch closes when in neutral, so it can be jumped in an. It has a hex head and screws into the transmission. If you are getting the message “shift to neutral” on. John Deere Neutral Safety Switch Location.
From wiringschema.com
[DIAGRAM] John Deere 4020 Wiring Diagram Neutral Safety Switch Location John Deere Neutral Safety Switch Location It has a hex head and screws into the transmission. The neutral safety switch on a john deere rider is found under the brake pedal. When the neutral safety switch is opened by putting it in gear,. A pair of wires go. The switch closes when in neutral, so it can be jumped in an. The switch is located near. John Deere Neutral Safety Switch Location.
From avspare.com
410D BACKHOE, LOADER FORWARD AND NEUTRAL REVERSE CONTROL SWITCH AND LEVER EPC John Deere online John Deere Neutral Safety Switch Location How to bypass the seat safety switch on a john deere 2038r, and replacing the neutral safety switch. The neutral safety switch on a john deere rider is found under the brake pedal. It has a hex head and screws into the transmission. When the neutral safety switch is opened by putting it in gear,. A pair of wires go.. John Deere Neutral Safety Switch Location.
From www.ebay.com.au
Genuine Neutral Safety Switch For John Deere OEM MIA881067 881067 eBay John Deere Neutral Safety Switch Location How to bypass the seat safety switch on a john deere 2038r, and replacing the neutral safety switch. The switch closes when in neutral, so it can be jumped in an. When the neutral safety switch is opened by putting it in gear,. What do i need to do to access this switch with the 60d mmm attached and no. John Deere Neutral Safety Switch Location.
From www.gatorforums.net
Gator 825i s4 John Deere Gator Forums John Deere Neutral Safety Switch Location A pair of wires go. It has a hex head and screws into the transmission. When the neutral safety switch is opened by putting it in gear,. How to bypass the seat safety switch on a john deere 2038r, and replacing the neutral safety switch. The switch closes when in neutral, so it can be jumped in an. I know. John Deere Neutral Safety Switch Location.
From www.lawnsite.com
John Deere Transmission Question and No Spark Page 2 LawnSite™ is the largest and most John Deere Neutral Safety Switch Location I know you said that you changed the seat switch, but i would be looking at the seat switch, connector and wiring. How to bypass the seat safety switch on a john deere 2038r, and replacing the neutral safety switch. What do i need to do to access this switch with the 60d mmm attached and no hydraulics to remove. John Deere Neutral Safety Switch Location.
From shabnumbasant.blogspot.com
john deere 318 wiring diagram ShabnumBasant John Deere Neutral Safety Switch Location The switch closes when in neutral, so it can be jumped in an. What do i need to do to access this switch with the 60d mmm attached and no hydraulics to remove it? The switch is located near the top left corner of the transmission. When the neutral safety switch is opened by putting it in gear,. It has. John Deere Neutral Safety Switch Location.
From forums.yesterdaystractors.com
Loose Neutral Start Switch Connector John Deere Forum Yesterday's Tractors John Deere Neutral Safety Switch Location It has a hex head and screws into the transmission. What do i need to do to access this switch with the 60d mmm attached and no hydraulics to remove it? If you are getting the message “shift to neutral” on your jd3032e and are unable to start your tractor, this video will walk you. A pair of wires go.. John Deere Neutral Safety Switch Location.
From www.ebay.com.au
Genuine Neutral Safety Switch For John Deere OEM MIA881067 881067 eBay John Deere Neutral Safety Switch Location How to bypass the seat safety switch on a john deere 2038r, and replacing the neutral safety switch. A pair of wires go. What do i need to do to access this switch with the 60d mmm attached and no hydraulics to remove it? When the neutral safety switch is opened by putting it in gear,. It has a hex. John Deere Neutral Safety Switch Location.
From www.ebay.com
NOS John Deere neutral safety switch, tractors, mowers, pickers, strippers eBay John Deere Neutral Safety Switch Location A pair of wires go. It has a hex head and screws into the transmission. What do i need to do to access this switch with the 60d mmm attached and no hydraulics to remove it? How to bypass the seat safety switch on a john deere 2038r, and replacing the neutral safety switch. The neutral safety switch on a. John Deere Neutral Safety Switch Location.
From www.greentractortalk.com
Neutral Switch on 1025r bypass Green Tractor Talk John Deere Neutral Safety Switch Location It has a hex head and screws into the transmission. The neutral safety switch on a john deere rider is found under the brake pedal. If you are getting the message “shift to neutral” on your jd3032e and are unable to start your tractor, this video will walk you. The switch is located near the top left corner of the. John Deere Neutral Safety Switch Location.
From www.ebay.com
John Deere Neutral Safety Push Switch AUC15225 TCA16430 (b319) eBay John Deere Neutral Safety Switch Location How to bypass the seat safety switch on a john deere 2038r, and replacing the neutral safety switch. I know you said that you changed the seat switch, but i would be looking at the seat switch, connector and wiring. A pair of wires go. It has a hex head and screws into the transmission. The switch closes when in. John Deere Neutral Safety Switch Location.
From greenfarmparts.com
John Deere Neutral Safety Switch F91001 Green Farm Parts John Deere Neutral Safety Switch Location A pair of wires go. I know you said that you changed the seat switch, but i would be looking at the seat switch, connector and wiring. The switch closes when in neutral, so it can be jumped in an. When the neutral safety switch is opened by putting it in gear,. What do i need to do to access. John Deere Neutral Safety Switch Location.
From tractorproblems.com
John Deere Safety Switch Problems Troubleshooting Guide Tractor Problems John Deere Neutral Safety Switch Location A pair of wires go. The switch is located near the top left corner of the transmission. I know you said that you changed the seat switch, but i would be looking at the seat switch, connector and wiring. The neutral safety switch on a john deere rider is found under the brake pedal. It has a hex head and. John Deere Neutral Safety Switch Location.
From www.wiringdraw.com
John Deere Safety Switch Wiring Diagram Wiring Draw And Schematic John Deere Neutral Safety Switch Location The switch closes when in neutral, so it can be jumped in an. It has a hex head and screws into the transmission. I know you said that you changed the seat switch, but i would be looking at the seat switch, connector and wiring. If you are getting the message “shift to neutral” on your jd3032e and are unable. John Deere Neutral Safety Switch Location.
From www.igra-world.com
How to Fix John Deere Safety Switch Problems? Guide) John Deere Neutral Safety Switch Location What do i need to do to access this switch with the 60d mmm attached and no hydraulics to remove it? It has a hex head and screws into the transmission. A pair of wires go. How to bypass the seat safety switch on a john deere 2038r, and replacing the neutral safety switch. The switch closes when in neutral,. John Deere Neutral Safety Switch Location.
From www.youtube.com
Bypassing Neutral Safety Switch on John Deere 4310 Ep. 45 YouTube John Deere Neutral Safety Switch Location How to bypass the seat safety switch on a john deere 2038r, and replacing the neutral safety switch. I know you said that you changed the seat switch, but i would be looking at the seat switch, connector and wiring. If you are getting the message “shift to neutral” on your jd3032e and are unable to start your tractor, this. John Deere Neutral Safety Switch Location.
From www.disenparts.com
Neutral Start Safety Switch AM36443 John Deere John Deere Neutral Safety Switch Location A pair of wires go. I know you said that you changed the seat switch, but i would be looking at the seat switch, connector and wiring. The switch is located near the top left corner of the transmission. It has a hex head and screws into the transmission. What do i need to do to access this switch with. John Deere Neutral Safety Switch Location.
From www.justanswer.com
John Deere Neutral Safety Switch Location Q&A JustAnswer John Deere Neutral Safety Switch Location It has a hex head and screws into the transmission. The neutral safety switch on a john deere rider is found under the brake pedal. A pair of wires go. The switch closes when in neutral, so it can be jumped in an. If you are getting the message “shift to neutral” on your jd3032e and are unable to start. John Deere Neutral Safety Switch Location.
From bologny.com
John Deere 4240 Neutral Safety Switch Location Bologny John Deere Neutral Safety Switch Location The switch closes when in neutral, so it can be jumped in an. What do i need to do to access this switch with the 60d mmm attached and no hydraulics to remove it? I know you said that you changed the seat switch, but i would be looking at the seat switch, connector and wiring. How to bypass the. John Deere Neutral Safety Switch Location.
From www.justanswer.com
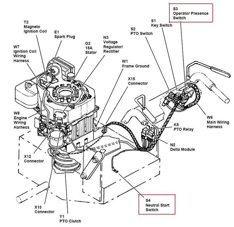
John Deere Q&A Neutral Safety Switch, PTO Solenoid & Wiring Diagrams John Deere Neutral Safety Switch Location What do i need to do to access this switch with the 60d mmm attached and no hydraulics to remove it? The neutral safety switch on a john deere rider is found under the brake pedal. A pair of wires go. The switch closes when in neutral, so it can be jumped in an. It has a hex head and. John Deere Neutral Safety Switch Location.
From www.justanswer.com
Where is the neutral safety switch located on a 2005 John Deere 310G backhoe? 2005 310G. We are John Deere Neutral Safety Switch Location The switch closes when in neutral, so it can be jumped in an. What do i need to do to access this switch with the 60d mmm attached and no hydraulics to remove it? It has a hex head and screws into the transmission. The neutral safety switch on a john deere rider is found under the brake pedal. When. John Deere Neutral Safety Switch Location.
From www.greentractortalk.com
Neutral switch issue? Green Tractor Talk John Deere Neutral Safety Switch Location The neutral safety switch on a john deere rider is found under the brake pedal. It has a hex head and screws into the transmission. If you are getting the message “shift to neutral” on your jd3032e and are unable to start your tractor, this video will walk you. When the neutral safety switch is opened by putting it in. John Deere Neutral Safety Switch Location.
From www.haytalk.com
John Deere utility tractor neutral safety switch Hay & Forage Forum John Deere Neutral Safety Switch Location The switch is located near the top left corner of the transmission. When the neutral safety switch is opened by putting it in gear,. The neutral safety switch on a john deere rider is found under the brake pedal. I know you said that you changed the seat switch, but i would be looking at the seat switch, connector and. John Deere Neutral Safety Switch Location.
From www.youtube.com
Safety switches John Deere 4400 4300 4200 late 9000's YouTube John Deere Neutral Safety Switch Location When the neutral safety switch is opened by putting it in gear,. I know you said that you changed the seat switch, but i would be looking at the seat switch, connector and wiring. If you are getting the message “shift to neutral” on your jd3032e and are unable to start your tractor, this video will walk you. It has. John Deere Neutral Safety Switch Location.
From www.caretxdigital.com
john deere seat switch wiring Wiring Diagram and Schematics John Deere Neutral Safety Switch Location The neutral safety switch on a john deere rider is found under the brake pedal. What do i need to do to access this switch with the 60d mmm attached and no hydraulics to remove it? I know you said that you changed the seat switch, but i would be looking at the seat switch, connector and wiring. The switch. John Deere Neutral Safety Switch Location.
From www.justanswer.com
John Deere Neutral Safety Switch Location Q&A on Heavy Equipment John Deere Neutral Safety Switch Location It has a hex head and screws into the transmission. What do i need to do to access this switch with the 60d mmm attached and no hydraulics to remove it? If you are getting the message “shift to neutral” on your jd3032e and are unable to start your tractor, this video will walk you. When the neutral safety switch. John Deere Neutral Safety Switch Location.
From farmlifegeek.com
John Deere Safety Switch Problems John Deere Neutral Safety Switch Location I know you said that you changed the seat switch, but i would be looking at the seat switch, connector and wiring. The switch closes when in neutral, so it can be jumped in an. A pair of wires go. How to bypass the seat safety switch on a john deere 2038r, and replacing the neutral safety switch. The neutral. John Deere Neutral Safety Switch Location.
From greenfarmparts.com
John Deere Neutral Safety Switch F91001 Green Farm Parts John Deere Neutral Safety Switch Location I know you said that you changed the seat switch, but i would be looking at the seat switch, connector and wiring. The switch is located near the top left corner of the transmission. A pair of wires go. The switch closes when in neutral, so it can be jumped in an. How to bypass the seat safety switch on. John Deere Neutral Safety Switch Location.
From www.justanswer.com
John Deere Gator Q&A Neutral Safety Switch, Starting Issues & More John Deere Neutral Safety Switch Location A pair of wires go. When the neutral safety switch is opened by putting it in gear,. It has a hex head and screws into the transmission. How to bypass the seat safety switch on a john deere 2038r, and replacing the neutral safety switch. The neutral safety switch on a john deere rider is found under the brake pedal.. John Deere Neutral Safety Switch Location.
From www.igra-world.com
How to Fix John Deere Safety Switch Problems? Guide) John Deere Neutral Safety Switch Location A pair of wires go. I know you said that you changed the seat switch, but i would be looking at the seat switch, connector and wiring. The neutral safety switch on a john deere rider is found under the brake pedal. It has a hex head and screws into the transmission. If you are getting the message “shift to. John Deere Neutral Safety Switch Location.
From www.youtube.com
How I found the electrical issue on my John Deere S240, and a look at all of the safety switches John Deere Neutral Safety Switch Location The neutral safety switch on a john deere rider is found under the brake pedal. A pair of wires go. What do i need to do to access this switch with the 60d mmm attached and no hydraulics to remove it? The switch closes when in neutral, so it can be jumped in an. How to bypass the seat safety. John Deere Neutral Safety Switch Location.
From www.eparts.shop
Neutral Safety Start Switch for John Deere John Deere Neutral Safety Switch Location It has a hex head and screws into the transmission. The switch closes when in neutral, so it can be jumped in an. What do i need to do to access this switch with the 60d mmm attached and no hydraulics to remove it? The neutral safety switch on a john deere rider is found under the brake pedal. How. John Deere Neutral Safety Switch Location.
From www.lazada.com.ph
AM117780 Neutral Safety Start Switch for John Deere X575 X585 X595 X700 Lazada PH John Deere Neutral Safety Switch Location I know you said that you changed the seat switch, but i would be looking at the seat switch, connector and wiring. It has a hex head and screws into the transmission. A pair of wires go. The neutral safety switch on a john deere rider is found under the brake pedal. How to bypass the seat safety switch on. John Deere Neutral Safety Switch Location.
From www.2carpros.com
Neutral Safety Switch Location Where Exactly Is the Neutral John Deere Neutral Safety Switch Location The switch is located near the top left corner of the transmission. What do i need to do to access this switch with the 60d mmm attached and no hydraulics to remove it? A pair of wires go. I know you said that you changed the seat switch, but i would be looking at the seat switch, connector and wiring.. John Deere Neutral Safety Switch Location.