Engine Oil Cooler Pajero . for the cooling system i remove the thermostat and use a cooling system flushing agent and run engine, use. hi, i've been doing a lot of searching through the forums and just wondering if anyone has attempted an. the best selling oil cooler replacement parts for mitsubishi pajero / shogun are available for your in original quality from. we recommend the following engine oil cooler for your mitsubishi pajero / shogun sport: apparently the 6g74 v6 doesn't have an engine oil cooler installed and i was considering installing one of.
from www.proxyparts.com
for the cooling system i remove the thermostat and use a cooling system flushing agent and run engine, use. apparently the 6g74 v6 doesn't have an engine oil cooler installed and i was considering installing one of. hi, i've been doing a lot of searching through the forums and just wondering if anyone has attempted an. we recommend the following engine oil cooler for your mitsubishi pajero / shogun sport: the best selling oil cooler replacement parts for mitsubishi pajero / shogun are available for your in original quality from.
Oil cooler Mitsubishi Pajero Hardtop 3.2 DID 16V Long 4M41
Engine Oil Cooler Pajero apparently the 6g74 v6 doesn't have an engine oil cooler installed and i was considering installing one of. we recommend the following engine oil cooler for your mitsubishi pajero / shogun sport: apparently the 6g74 v6 doesn't have an engine oil cooler installed and i was considering installing one of. hi, i've been doing a lot of searching through the forums and just wondering if anyone has attempted an. for the cooling system i remove the thermostat and use a cooling system flushing agent and run engine, use. the best selling oil cooler replacement parts for mitsubishi pajero / shogun are available for your in original quality from.
From shopee.ph
Oring Oil cooler pajero sport triton 2500cc all new original Official Engine Oil Cooler Pajero we recommend the following engine oil cooler for your mitsubishi pajero / shogun sport: hi, i've been doing a lot of searching through the forums and just wondering if anyone has attempted an. the best selling oil cooler replacement parts for mitsubishi pajero / shogun are available for your in original quality from. for the cooling. Engine Oil Cooler Pajero.
From www.aliexpress.com
Engine Oil Cooler for PAJERO MONTERO II 2nd 1990 2004 3.0L 6G72 Engine Oil Cooler Pajero apparently the 6g74 v6 doesn't have an engine oil cooler installed and i was considering installing one of. for the cooling system i remove the thermostat and use a cooling system flushing agent and run engine, use. the best selling oil cooler replacement parts for mitsubishi pajero / shogun are available for your in original quality from.. Engine Oil Cooler Pajero.
From www.megazip.net
Oil cooler tube for 1990 1998 Mitsubishi PAJERO/MONTERO V44W EUR Engine Oil Cooler Pajero the best selling oil cooler replacement parts for mitsubishi pajero / shogun are available for your in original quality from. hi, i've been doing a lot of searching through the forums and just wondering if anyone has attempted an. apparently the 6g74 v6 doesn't have an engine oil cooler installed and i was considering installing one of.. Engine Oil Cooler Pajero.
From shop.euroimpex.lt
1241005011 1241005011, mr968408 Oil Cooler Mitsubishi Pajero 2002 2.5L Engine Oil Cooler Pajero hi, i've been doing a lot of searching through the forums and just wondering if anyone has attempted an. the best selling oil cooler replacement parts for mitsubishi pajero / shogun are available for your in original quality from. apparently the 6g74 v6 doesn't have an engine oil cooler installed and i was considering installing one of.. Engine Oil Cooler Pajero.
From www.alibaba.com
Transmission Oil Cooler For Mitsubishi Pajero Montero V73 V75 V77 V93 Engine Oil Cooler Pajero the best selling oil cooler replacement parts for mitsubishi pajero / shogun are available for your in original quality from. hi, i've been doing a lot of searching through the forums and just wondering if anyone has attempted an. for the cooling system i remove the thermostat and use a cooling system flushing agent and run engine,. Engine Oil Cooler Pajero.
From shop.euroimpex.lt
0241008112 0241008112 Oil Cooler Mitsubishi Pajero 1995 2.5L 15EUR Engine Oil Cooler Pajero the best selling oil cooler replacement parts for mitsubishi pajero / shogun are available for your in original quality from. for the cooling system i remove the thermostat and use a cooling system flushing agent and run engine, use. hi, i've been doing a lot of searching through the forums and just wondering if anyone has attempted. Engine Oil Cooler Pajero.
From www.ebay.co.uk
MITSUBISHI PAJERO SHOGUN 3.2 16V DIESEL 4M41 OIL COOLER 20002006 eBay Engine Oil Cooler Pajero we recommend the following engine oil cooler for your mitsubishi pajero / shogun sport: hi, i've been doing a lot of searching through the forums and just wondering if anyone has attempted an. the best selling oil cooler replacement parts for mitsubishi pajero / shogun are available for your in original quality from. apparently the 6g74. Engine Oil Cooler Pajero.
From shopee.co.id
Jual oil cooler pajero sport triton all new Pajero sport 1240A008 Engine Oil Cooler Pajero for the cooling system i remove the thermostat and use a cooling system flushing agent and run engine, use. the best selling oil cooler replacement parts for mitsubishi pajero / shogun are available for your in original quality from. we recommend the following engine oil cooler for your mitsubishi pajero / shogun sport: hi, i've been. Engine Oil Cooler Pajero.
From www.alibaba.com
Engine Oil Cooler For Mitsubishi Pajero Montero Shogun V63 V65 V67 V73 Engine Oil Cooler Pajero for the cooling system i remove the thermostat and use a cooling system flushing agent and run engine, use. the best selling oil cooler replacement parts for mitsubishi pajero / shogun are available for your in original quality from. we recommend the following engine oil cooler for your mitsubishi pajero / shogun sport: apparently the 6g74. Engine Oil Cooler Pajero.
From www.aliexpress.com
MB033779 Suitable for Mitsubishi Pajero II V33V43 Engine Oil Cooler Engine Oil Cooler Pajero apparently the 6g74 v6 doesn't have an engine oil cooler installed and i was considering installing one of. hi, i've been doing a lot of searching through the forums and just wondering if anyone has attempted an. the best selling oil cooler replacement parts for mitsubishi pajero / shogun are available for your in original quality from.. Engine Oil Cooler Pajero.
From www.proxyparts.com
Mitsubishi Pajero Oil coolers stock Engine Oil Cooler Pajero apparently the 6g74 v6 doesn't have an engine oil cooler installed and i was considering installing one of. we recommend the following engine oil cooler for your mitsubishi pajero / shogun sport: for the cooling system i remove the thermostat and use a cooling system flushing agent and run engine, use. hi, i've been doing a. Engine Oil Cooler Pajero.
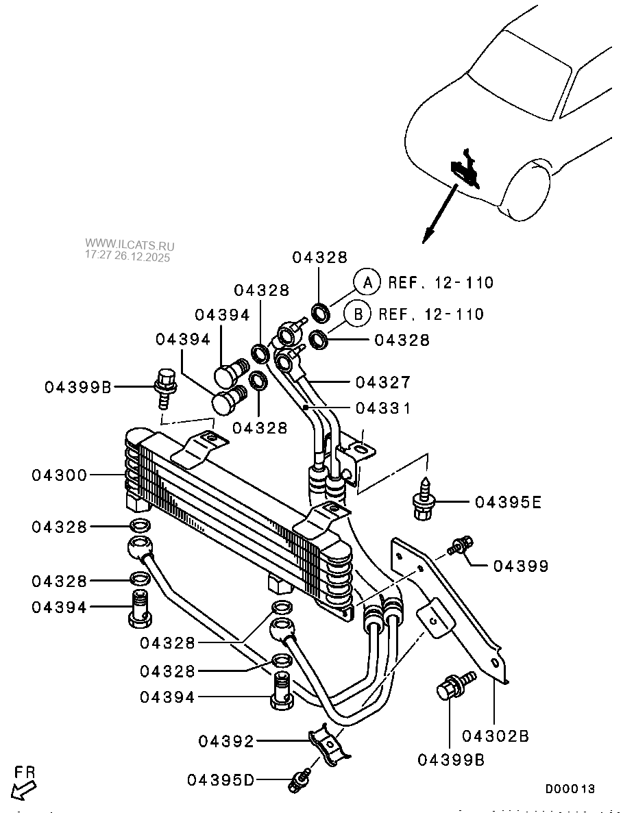
From www.ilcats.ru
OIL COOLER TUBE MITSUBISHI PAJERO/MONTERO (G.EXP)&(B803N4A8A) Engine Oil Cooler Pajero apparently the 6g74 v6 doesn't have an engine oil cooler installed and i was considering installing one of. hi, i've been doing a lot of searching through the forums and just wondering if anyone has attempted an. the best selling oil cooler replacement parts for mitsubishi pajero / shogun are available for your in original quality from.. Engine Oil Cooler Pajero.
From www.alibaba.com
Engine Oil Cooler For Mitsubishi Pajero Montero Shogun V63 V65 V67 V73 Engine Oil Cooler Pajero for the cooling system i remove the thermostat and use a cooling system flushing agent and run engine, use. hi, i've been doing a lot of searching through the forums and just wondering if anyone has attempted an. the best selling oil cooler replacement parts for mitsubishi pajero / shogun are available for your in original quality. Engine Oil Cooler Pajero.
From www.proxyparts.com
Oil cooler Mitsubishi Pajero/Shogun Hardtop 3.2 DID 16V 4M41 Engine Oil Cooler Pajero the best selling oil cooler replacement parts for mitsubishi pajero / shogun are available for your in original quality from. for the cooling system i remove the thermostat and use a cooling system flushing agent and run engine, use. apparently the 6g74 v6 doesn't have an engine oil cooler installed and i was considering installing one of.. Engine Oil Cooler Pajero.
From www.alibaba.com
Engine Oil Cooler For Mitsubishi Pajero Montero Iii 20002006 Mr404903 Engine Oil Cooler Pajero for the cooling system i remove the thermostat and use a cooling system flushing agent and run engine, use. we recommend the following engine oil cooler for your mitsubishi pajero / shogun sport: the best selling oil cooler replacement parts for mitsubishi pajero / shogun are available for your in original quality from. apparently the 6g74. Engine Oil Cooler Pajero.
From www.aliexpress.com
1PCS Engine Oil Cooler Hose MR431081 For Mitsubishi Montero Pajero 2001 Engine Oil Cooler Pajero the best selling oil cooler replacement parts for mitsubishi pajero / shogun are available for your in original quality from. hi, i've been doing a lot of searching through the forums and just wondering if anyone has attempted an. apparently the 6g74 v6 doesn't have an engine oil cooler installed and i was considering installing one of.. Engine Oil Cooler Pajero.
From shopee.co.id
Jual selang Hose oil cooler pajero triton Shopee Indonesia Engine Oil Cooler Pajero the best selling oil cooler replacement parts for mitsubishi pajero / shogun are available for your in original quality from. apparently the 6g74 v6 doesn't have an engine oil cooler installed and i was considering installing one of. hi, i've been doing a lot of searching through the forums and just wondering if anyone has attempted an.. Engine Oil Cooler Pajero.
From www.pinterest.com
Transmission oil cooler Mitsubishi Pajero, Shogun, Montero, 20002006 Engine Oil Cooler Pajero the best selling oil cooler replacement parts for mitsubishi pajero / shogun are available for your in original quality from. hi, i've been doing a lot of searching through the forums and just wondering if anyone has attempted an. apparently the 6g74 v6 doesn't have an engine oil cooler installed and i was considering installing one of.. Engine Oil Cooler Pajero.
From www.proxyparts.com
Oil cooler Mitsubishi Pajero Hardtop 3.2 DID 16V Long 4M41 Engine Oil Cooler Pajero apparently the 6g74 v6 doesn't have an engine oil cooler installed and i was considering installing one of. for the cooling system i remove the thermostat and use a cooling system flushing agent and run engine, use. we recommend the following engine oil cooler for your mitsubishi pajero / shogun sport: hi, i've been doing a. Engine Oil Cooler Pajero.
From www.proxyparts.com
Mitsubishi Pajero Oil coolers stock Engine Oil Cooler Pajero we recommend the following engine oil cooler for your mitsubishi pajero / shogun sport: hi, i've been doing a lot of searching through the forums and just wondering if anyone has attempted an. for the cooling system i remove the thermostat and use a cooling system flushing agent and run engine, use. apparently the 6g74 v6. Engine Oil Cooler Pajero.
From shopee.co.id
Jual Oli cooler oil cooler Pajero sport Triton 2500cc Asli Mitsubishi Engine Oil Cooler Pajero apparently the 6g74 v6 doesn't have an engine oil cooler installed and i was considering installing one of. for the cooling system i remove the thermostat and use a cooling system flushing agent and run engine, use. the best selling oil cooler replacement parts for mitsubishi pajero / shogun are available for your in original quality from.. Engine Oil Cooler Pajero.
From www.alibaba.com
Engine Oil Cooler For Mitsubishi Pajero Montero Shogun V63 V65 V67 V73 Engine Oil Cooler Pajero apparently the 6g74 v6 doesn't have an engine oil cooler installed and i was considering installing one of. the best selling oil cooler replacement parts for mitsubishi pajero / shogun are available for your in original quality from. for the cooling system i remove the thermostat and use a cooling system flushing agent and run engine, use.. Engine Oil Cooler Pajero.
From www.proxyparts.com
Oil cooler Mitsubishi Pajero/Shogun Hardtop 3.2 DID 16V Autom Engine Oil Cooler Pajero we recommend the following engine oil cooler for your mitsubishi pajero / shogun sport: apparently the 6g74 v6 doesn't have an engine oil cooler installed and i was considering installing one of. hi, i've been doing a lot of searching through the forums and just wondering if anyone has attempted an. for the cooling system i. Engine Oil Cooler Pajero.
From www.ebay.com.au
MITSUBISHI PAJERO SHOGUN 3.2 16V DIESEL 4M41 OIL COOLER 20002006 eBay Engine Oil Cooler Pajero we recommend the following engine oil cooler for your mitsubishi pajero / shogun sport: for the cooling system i remove the thermostat and use a cooling system flushing agent and run engine, use. the best selling oil cooler replacement parts for mitsubishi pajero / shogun are available for your in original quality from. apparently the 6g74. Engine Oil Cooler Pajero.
From www.ebay.co.uk
MITSUBISHI PAJERO SHOGUN 3.2 16V DIESEL 4M41 OIL COOLER 20002006 eBay Engine Oil Cooler Pajero hi, i've been doing a lot of searching through the forums and just wondering if anyone has attempted an. the best selling oil cooler replacement parts for mitsubishi pajero / shogun are available for your in original quality from. we recommend the following engine oil cooler for your mitsubishi pajero / shogun sport: for the cooling. Engine Oil Cooler Pajero.
From www.alibaba.com
Engine Oil Cooler For Mitsubishi Pajero Montero Shogun V63 V65 V67 V73 Engine Oil Cooler Pajero hi, i've been doing a lot of searching through the forums and just wondering if anyone has attempted an. we recommend the following engine oil cooler for your mitsubishi pajero / shogun sport: for the cooling system i remove the thermostat and use a cooling system flushing agent and run engine, use. apparently the 6g74 v6. Engine Oil Cooler Pajero.
From www.cuongngan.com
Ống nhớt giải nhiệt nhớt động cơ (Tube engine oil cooler) Pajero V33 Engine Oil Cooler Pajero the best selling oil cooler replacement parts for mitsubishi pajero / shogun are available for your in original quality from. apparently the 6g74 v6 doesn't have an engine oil cooler installed and i was considering installing one of. for the cooling system i remove the thermostat and use a cooling system flushing agent and run engine, use.. Engine Oil Cooler Pajero.
From www.proxyparts.com
Oil cooler Mitsubishi Pajero Hardtop 3.2 DID 16V Long 4M41 Engine Oil Cooler Pajero we recommend the following engine oil cooler for your mitsubishi pajero / shogun sport: the best selling oil cooler replacement parts for mitsubishi pajero / shogun are available for your in original quality from. for the cooling system i remove the thermostat and use a cooling system flushing agent and run engine, use. apparently the 6g74. Engine Oil Cooler Pajero.
From www.proxyparts.com
Mitsubishi Pajero Oil coolers stock Engine Oil Cooler Pajero the best selling oil cooler replacement parts for mitsubishi pajero / shogun are available for your in original quality from. for the cooling system i remove the thermostat and use a cooling system flushing agent and run engine, use. hi, i've been doing a lot of searching through the forums and just wondering if anyone has attempted. Engine Oil Cooler Pajero.
From www.proxyparts.com
Mitsubishi Pajero Oil coolers stock Engine Oil Cooler Pajero we recommend the following engine oil cooler for your mitsubishi pajero / shogun sport: the best selling oil cooler replacement parts for mitsubishi pajero / shogun are available for your in original quality from. hi, i've been doing a lot of searching through the forums and just wondering if anyone has attempted an. for the cooling. Engine Oil Cooler Pajero.
From www.mitzybitz.com
Engine Oil Cooler for a Mitsubishi Pajero/montero Sport K94W Buy Engine Oil Cooler Pajero for the cooling system i remove the thermostat and use a cooling system flushing agent and run engine, use. we recommend the following engine oil cooler for your mitsubishi pajero / shogun sport: hi, i've been doing a lot of searching through the forums and just wondering if anyone has attempted an. the best selling oil. Engine Oil Cooler Pajero.
From www.mitzybitz.com
Engine Oil Cooler for a Mitsubishi Pajero/montero Sport K94W Buy Engine Oil Cooler Pajero we recommend the following engine oil cooler for your mitsubishi pajero / shogun sport: for the cooling system i remove the thermostat and use a cooling system flushing agent and run engine, use. hi, i've been doing a lot of searching through the forums and just wondering if anyone has attempted an. apparently the 6g74 v6. Engine Oil Cooler Pajero.
From www.alibaba.com
Engine Oil Cooler For Mitsubishi Pajero Montero Sport Triton L200 Kg4w Engine Oil Cooler Pajero for the cooling system i remove the thermostat and use a cooling system flushing agent and run engine, use. the best selling oil cooler replacement parts for mitsubishi pajero / shogun are available for your in original quality from. apparently the 6g74 v6 doesn't have an engine oil cooler installed and i was considering installing one of.. Engine Oil Cooler Pajero.
From www.proxyparts.com
Mitsubishi Pajero Oil coolers stock Engine Oil Cooler Pajero for the cooling system i remove the thermostat and use a cooling system flushing agent and run engine, use. the best selling oil cooler replacement parts for mitsubishi pajero / shogun are available for your in original quality from. we recommend the following engine oil cooler for your mitsubishi pajero / shogun sport: hi, i've been. Engine Oil Cooler Pajero.
From picclick.co.uk
ENGINE OIL COOLER Cover Gasket Mitsubishi Pajero V26C Mk2 2.8T £14.99 Engine Oil Cooler Pajero apparently the 6g74 v6 doesn't have an engine oil cooler installed and i was considering installing one of. we recommend the following engine oil cooler for your mitsubishi pajero / shogun sport: hi, i've been doing a lot of searching through the forums and just wondering if anyone has attempted an. the best selling oil cooler. Engine Oil Cooler Pajero.