Nissan Cabstar Fuel Pump Problems . Answered in 20 hours by: The 3.2 cabstar and the 2.5 navara pumps are alot alike, but because of the long year range for. The p1275 code is related to the fuel pump, and the symptoms you've described could indeed be linked to a timing chain problem affecting the. This happens because the pump isn't sending enough fuel to the engine. Change your fuel cap yourself. You need to to do a fuel pump reset every time you do a fuel filter replacement this w. One sign of a fuel pump issue is when your engine stalls or hesitates.
from www.proxyparts.com
The p1275 code is related to the fuel pump, and the symptoms you've described could indeed be linked to a timing chain problem affecting the. Answered in 20 hours by: Change your fuel cap yourself. The 3.2 cabstar and the 2.5 navara pumps are alot alike, but because of the long year range for. One sign of a fuel pump issue is when your engine stalls or hesitates. This happens because the pump isn't sending enough fuel to the engine. You need to to do a fuel pump reset every time you do a fuel filter replacement this w.
Mechanical fuel pump Nissan Cabstar 2.5 D 1046459021 TD25 ZEXEL
Nissan Cabstar Fuel Pump Problems The 3.2 cabstar and the 2.5 navara pumps are alot alike, but because of the long year range for. The p1275 code is related to the fuel pump, and the symptoms you've described could indeed be linked to a timing chain problem affecting the. Change your fuel cap yourself. One sign of a fuel pump issue is when your engine stalls or hesitates. This happens because the pump isn't sending enough fuel to the engine. Answered in 20 hours by: The 3.2 cabstar and the 2.5 navara pumps are alot alike, but because of the long year range for. You need to to do a fuel pump reset every time you do a fuel filter replacement this w.
From www.aliexpress.com
Oe 0445010418 0928400671 Fuel Injection Pump For Nissan Cabstar Atleon Nissan Cabstar Fuel Pump Problems Change your fuel cap yourself. You need to to do a fuel pump reset every time you do a fuel filter replacement this w. Answered in 20 hours by: The 3.2 cabstar and the 2.5 navara pumps are alot alike, but because of the long year range for. This happens because the pump isn't sending enough fuel to the engine.. Nissan Cabstar Fuel Pump Problems.
From www.ubuy.co.in
for NISSAN CABSTAR RENAULT MASCOTT FUEL PUMP Ubuy India Nissan Cabstar Fuel Pump Problems This happens because the pump isn't sending enough fuel to the engine. Answered in 20 hours by: The p1275 code is related to the fuel pump, and the symptoms you've described could indeed be linked to a timing chain problem affecting the. You need to to do a fuel pump reset every time you do a fuel filter replacement this. Nissan Cabstar Fuel Pump Problems.
From www.youtube.com
How to do a Nissan fuel pump reset, Navara Pathfinder and Cabstar YD25 Nissan Cabstar Fuel Pump Problems Answered in 20 hours by: The p1275 code is related to the fuel pump, and the symptoms you've described could indeed be linked to a timing chain problem affecting the. This happens because the pump isn't sending enough fuel to the engine. Change your fuel cap yourself. The 3.2 cabstar and the 2.5 navara pumps are alot alike, but because. Nissan Cabstar Fuel Pump Problems.
From www.proxyparts.com
Mechanical fuel pump Nissan Cabstar 2.5 D 1046459021 TD25 ZEXEL Nissan Cabstar Fuel Pump Problems Change your fuel cap yourself. You need to to do a fuel pump reset every time you do a fuel filter replacement this w. The 3.2 cabstar and the 2.5 navara pumps are alot alike, but because of the long year range for. One sign of a fuel pump issue is when your engine stalls or hesitates. Answered in 20. Nissan Cabstar Fuel Pump Problems.
From www.proxyparts.com
Mechanical fuel pump Nissan Cabstar 2.5 D 1046459021 TD25 ZEXEL Nissan Cabstar Fuel Pump Problems You need to to do a fuel pump reset every time you do a fuel filter replacement this w. This happens because the pump isn't sending enough fuel to the engine. Answered in 20 hours by: One sign of a fuel pump issue is when your engine stalls or hesitates. Change your fuel cap yourself. The 3.2 cabstar and the. Nissan Cabstar Fuel Pump Problems.
From www.autodoc.co.uk
Fuel pump for NISSAN CABSTAR » Buy cheap diesel and gasoline Fuel Nissan Cabstar Fuel Pump Problems The 3.2 cabstar and the 2.5 navara pumps are alot alike, but because of the long year range for. The p1275 code is related to the fuel pump, and the symptoms you've described could indeed be linked to a timing chain problem affecting the. Answered in 20 hours by: This happens because the pump isn't sending enough fuel to the. Nissan Cabstar Fuel Pump Problems.
From www.proxyparts.com
Used Nissan CabStar 3.0 DI 35 Mechanical fuel pump 0470504042 BD30 Nissan Cabstar Fuel Pump Problems You need to to do a fuel pump reset every time you do a fuel filter replacement this w. One sign of a fuel pump issue is when your engine stalls or hesitates. This happens because the pump isn't sending enough fuel to the engine. Change your fuel cap yourself. Answered in 20 hours by: The 3.2 cabstar and the. Nissan Cabstar Fuel Pump Problems.
From www.ubuy.co.in
for NISSAN CABSTAR RENAULT MASCOTT FUEL PUMP Ubuy India Nissan Cabstar Fuel Pump Problems The 3.2 cabstar and the 2.5 navara pumps are alot alike, but because of the long year range for. Answered in 20 hours by: Change your fuel cap yourself. This happens because the pump isn't sending enough fuel to the engine. You need to to do a fuel pump reset every time you do a fuel filter replacement this w.. Nissan Cabstar Fuel Pump Problems.
From www.proxyparts.com
Mechanical fuel pump Nissan Cabstar 2.5 D 1046459021 TD25 ZEXEL Nissan Cabstar Fuel Pump Problems This happens because the pump isn't sending enough fuel to the engine. You need to to do a fuel pump reset every time you do a fuel filter replacement this w. Answered in 20 hours by: One sign of a fuel pump issue is when your engine stalls or hesitates. The 3.2 cabstar and the 2.5 navara pumps are alot. Nissan Cabstar Fuel Pump Problems.
From chinascv.en.made-in-china.com
0928400671 Imv OEM ODM for Bosch Usage Cp1h3 Fuel Injection Pump Nissan Cabstar Fuel Pump Problems The p1275 code is related to the fuel pump, and the symptoms you've described could indeed be linked to a timing chain problem affecting the. This happens because the pump isn't sending enough fuel to the engine. Answered in 20 hours by: One sign of a fuel pump issue is when your engine stalls or hesitates. You need to to. Nissan Cabstar Fuel Pump Problems.
From www.ubuy.co.in
for NISSAN CABSTAR RENAULT MASCOTT FUEL PUMP Ubuy India Nissan Cabstar Fuel Pump Problems Answered in 20 hours by: The p1275 code is related to the fuel pump, and the symptoms you've described could indeed be linked to a timing chain problem affecting the. One sign of a fuel pump issue is when your engine stalls or hesitates. Change your fuel cap yourself. This happens because the pump isn't sending enough fuel to the. Nissan Cabstar Fuel Pump Problems.
From www.ebay.co.uk
for NISSAN CABSTAR RENAULT MASCOTT FUEL PUMP PRESSURE REGULATOR CONTROL Nissan Cabstar Fuel Pump Problems You need to to do a fuel pump reset every time you do a fuel filter replacement this w. This happens because the pump isn't sending enough fuel to the engine. Change your fuel cap yourself. The p1275 code is related to the fuel pump, and the symptoms you've described could indeed be linked to a timing chain problem affecting. Nissan Cabstar Fuel Pump Problems.
From www.youtube.com
Nissan Cabstar engine problems How to YouTube Nissan Cabstar Fuel Pump Problems The p1275 code is related to the fuel pump, and the symptoms you've described could indeed be linked to a timing chain problem affecting the. Change your fuel cap yourself. You need to to do a fuel pump reset every time you do a fuel filter replacement this w. The 3.2 cabstar and the 2.5 navara pumps are alot alike,. Nissan Cabstar Fuel Pump Problems.
From www.epcatalogs.com
Nissan Cabstar Model TL0 Series Electronic Service Manual Nissan Cabstar Fuel Pump Problems One sign of a fuel pump issue is when your engine stalls or hesitates. The p1275 code is related to the fuel pump, and the symptoms you've described could indeed be linked to a timing chain problem affecting the. Answered in 20 hours by: This happens because the pump isn't sending enough fuel to the engine. Change your fuel cap. Nissan Cabstar Fuel Pump Problems.
From www.b-parts.com
Injection pump NISSAN CABSTAR E (TL_, VL_) 10180384 BParts Nissan Cabstar Fuel Pump Problems One sign of a fuel pump issue is when your engine stalls or hesitates. This happens because the pump isn't sending enough fuel to the engine. Change your fuel cap yourself. The 3.2 cabstar and the 2.5 navara pumps are alot alike, but because of the long year range for. You need to to do a fuel pump reset every. Nissan Cabstar Fuel Pump Problems.
From www.singleemachinery.com
Buy Nissan Cabstar F24 16684MA70A Fuel Injection Tube No. 5 Sing Lee Nissan Cabstar Fuel Pump Problems The p1275 code is related to the fuel pump, and the symptoms you've described could indeed be linked to a timing chain problem affecting the. The 3.2 cabstar and the 2.5 navara pumps are alot alike, but because of the long year range for. Answered in 20 hours by: You need to to do a fuel pump reset every time. Nissan Cabstar Fuel Pump Problems.
From www.aliexpress.com
Fuel Pump Pressure Suction Control Scv Valve Metering Unit For Nissan Nissan Cabstar Fuel Pump Problems You need to to do a fuel pump reset every time you do a fuel filter replacement this w. Change your fuel cap yourself. The p1275 code is related to the fuel pump, and the symptoms you've described could indeed be linked to a timing chain problem affecting the. This happens because the pump isn't sending enough fuel to the. Nissan Cabstar Fuel Pump Problems.
From www.godpt.com
Fuel Pump Suction Control Valve 20032010 For Nissan Cabstar A6860VM0 Nissan Cabstar Fuel Pump Problems You need to to do a fuel pump reset every time you do a fuel filter replacement this w. Answered in 20 hours by: One sign of a fuel pump issue is when your engine stalls or hesitates. The 3.2 cabstar and the 2.5 navara pumps are alot alike, but because of the long year range for. The p1275 code. Nissan Cabstar Fuel Pump Problems.
From www.aliexpress.com
NEW 16700 MA70C VZ20D 0445010136 Fuel Injection Pump for NISSAN Y61 Nissan Cabstar Fuel Pump Problems This happens because the pump isn't sending enough fuel to the engine. One sign of a fuel pump issue is when your engine stalls or hesitates. You need to to do a fuel pump reset every time you do a fuel filter replacement this w. Change your fuel cap yourself. The p1275 code is related to the fuel pump, and. Nissan Cabstar Fuel Pump Problems.
From www.ebay.com
FUEL PUMP SUCTION CONTROL VALVE for NISSAN NAVARA CABSTAR PATHFINDER 2. Nissan Cabstar Fuel Pump Problems One sign of a fuel pump issue is when your engine stalls or hesitates. Change your fuel cap yourself. Answered in 20 hours by: You need to to do a fuel pump reset every time you do a fuel filter replacement this w. The 3.2 cabstar and the 2.5 navara pumps are alot alike, but because of the long year. Nissan Cabstar Fuel Pump Problems.
From www.proxyparts.com
Mechanical fuel pump Nissan CabStar 167005X00D YD25 DENSO Nissan Cabstar Fuel Pump Problems The p1275 code is related to the fuel pump, and the symptoms you've described could indeed be linked to a timing chain problem affecting the. One sign of a fuel pump issue is when your engine stalls or hesitates. Answered in 20 hours by: You need to to do a fuel pump reset every time you do a fuel filter. Nissan Cabstar Fuel Pump Problems.
From www.helendiesel.com
New DENSO fuel pump 2940000786, SM2940000786, DCRP300780,16700 VM01D Nissan Cabstar Fuel Pump Problems The 3.2 cabstar and the 2.5 navara pumps are alot alike, but because of the long year range for. The p1275 code is related to the fuel pump, and the symptoms you've described could indeed be linked to a timing chain problem affecting the. Answered in 20 hours by: Change your fuel cap yourself. This happens because the pump isn't. Nissan Cabstar Fuel Pump Problems.
From www.proxyparts.com
Mechanical fuel pump Nissan CabStar 167005X00D YD25 DENSO Nissan Cabstar Fuel Pump Problems You need to to do a fuel pump reset every time you do a fuel filter replacement this w. Change your fuel cap yourself. One sign of a fuel pump issue is when your engine stalls or hesitates. This happens because the pump isn't sending enough fuel to the engine. Answered in 20 hours by: The 3.2 cabstar and the. Nissan Cabstar Fuel Pump Problems.
From shopee.ph
♨1 Set For Nissan NP300 Cabstar Isuzu DMax Pickup Mazda 3 Series Nissan Cabstar Fuel Pump Problems The p1275 code is related to the fuel pump, and the symptoms you've described could indeed be linked to a timing chain problem affecting the. One sign of a fuel pump issue is when your engine stalls or hesitates. You need to to do a fuel pump reset every time you do a fuel filter replacement this w. The 3.2. Nissan Cabstar Fuel Pump Problems.
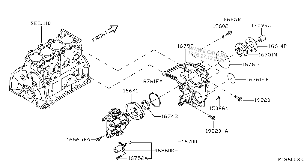
From www.ilcats.ru
FUEL INJECTION PUMP NISSAN CABSTAR Nissan Cabstar Fuel Pump Problems Answered in 20 hours by: The p1275 code is related to the fuel pump, and the symptoms you've described could indeed be linked to a timing chain problem affecting the. One sign of a fuel pump issue is when your engine stalls or hesitates. You need to to do a fuel pump reset every time you do a fuel filter. Nissan Cabstar Fuel Pump Problems.
From www.youtube.com
ZD30 Diesel Fuel Injection Pump Failure VP44 D22 Nissan Frontier Navara Nissan Cabstar Fuel Pump Problems This happens because the pump isn't sending enough fuel to the engine. One sign of a fuel pump issue is when your engine stalls or hesitates. Change your fuel cap yourself. You need to to do a fuel pump reset every time you do a fuel filter replacement this w. Answered in 20 hours by: The p1275 code is related. Nissan Cabstar Fuel Pump Problems.
From www.radiator-repairs.co.uk
Fuel Tank Repairs Radiator Repairs Nissan Cabstar Fuel Pump Problems This happens because the pump isn't sending enough fuel to the engine. One sign of a fuel pump issue is when your engine stalls or hesitates. You need to to do a fuel pump reset every time you do a fuel filter replacement this w. The p1275 code is related to the fuel pump, and the symptoms you've described could. Nissan Cabstar Fuel Pump Problems.
From www.proxyparts.com
Mechanical fuel pump Nissan Cabstar 2.5 D 1046459021 TD25 ZEXEL Nissan Cabstar Fuel Pump Problems One sign of a fuel pump issue is when your engine stalls or hesitates. The 3.2 cabstar and the 2.5 navara pumps are alot alike, but because of the long year range for. The p1275 code is related to the fuel pump, and the symptoms you've described could indeed be linked to a timing chain problem affecting the. Change your. Nissan Cabstar Fuel Pump Problems.
From www.pfjones.co.uk
Nissan Cabstar Euro 4 2006Present Denso Reconditioned Common Rail Pump Nissan Cabstar Fuel Pump Problems Answered in 20 hours by: You need to to do a fuel pump reset every time you do a fuel filter replacement this w. The p1275 code is related to the fuel pump, and the symptoms you've described could indeed be linked to a timing chain problem affecting the. Change your fuel cap yourself. This happens because the pump isn't. Nissan Cabstar Fuel Pump Problems.
From www.b-parts.com
Fuel pump NISSAN CABSTAR E (TL_, VL_) 10179749 BParts Nissan Cabstar Fuel Pump Problems Answered in 20 hours by: The p1275 code is related to the fuel pump, and the symptoms you've described could indeed be linked to a timing chain problem affecting the. One sign of a fuel pump issue is when your engine stalls or hesitates. This happens because the pump isn't sending enough fuel to the engine. Change your fuel cap. Nissan Cabstar Fuel Pump Problems.
From recambiopl.com
PUMP HIGH PRESSURE FUEL PUMP 0470504023 NISSAN CABSTAR 0470504023 Nissan Cabstar Fuel Pump Problems The p1275 code is related to the fuel pump, and the symptoms you've described could indeed be linked to a timing chain problem affecting the. This happens because the pump isn't sending enough fuel to the engine. The 3.2 cabstar and the 2.5 navara pumps are alot alike, but because of the long year range for. You need to to. Nissan Cabstar Fuel Pump Problems.
From www.ilcats.ru
FUEL INJECTION PUMP NISSAN CABSTAR Nissan Cabstar Fuel Pump Problems You need to to do a fuel pump reset every time you do a fuel filter replacement this w. Change your fuel cap yourself. This happens because the pump isn't sending enough fuel to the engine. The p1275 code is related to the fuel pump, and the symptoms you've described could indeed be linked to a timing chain problem affecting. Nissan Cabstar Fuel Pump Problems.
From www.ebay.com
FUEL PUMP SUCTION CONTROL VALVE for NISSAN NAVARA CABSTAR PATHFINDER 2. Nissan Cabstar Fuel Pump Problems This happens because the pump isn't sending enough fuel to the engine. One sign of a fuel pump issue is when your engine stalls or hesitates. Answered in 20 hours by: The 3.2 cabstar and the 2.5 navara pumps are alot alike, but because of the long year range for. Change your fuel cap yourself. The p1275 code is related. Nissan Cabstar Fuel Pump Problems.
From www.pfjones.co.uk
Nissan Cabstar Euro 4 2006Present Denso Reconditioned Common Rail Pump Nissan Cabstar Fuel Pump Problems The 3.2 cabstar and the 2.5 navara pumps are alot alike, but because of the long year range for. This happens because the pump isn't sending enough fuel to the engine. Change your fuel cap yourself. You need to to do a fuel pump reset every time you do a fuel filter replacement this w. One sign of a fuel. Nissan Cabstar Fuel Pump Problems.
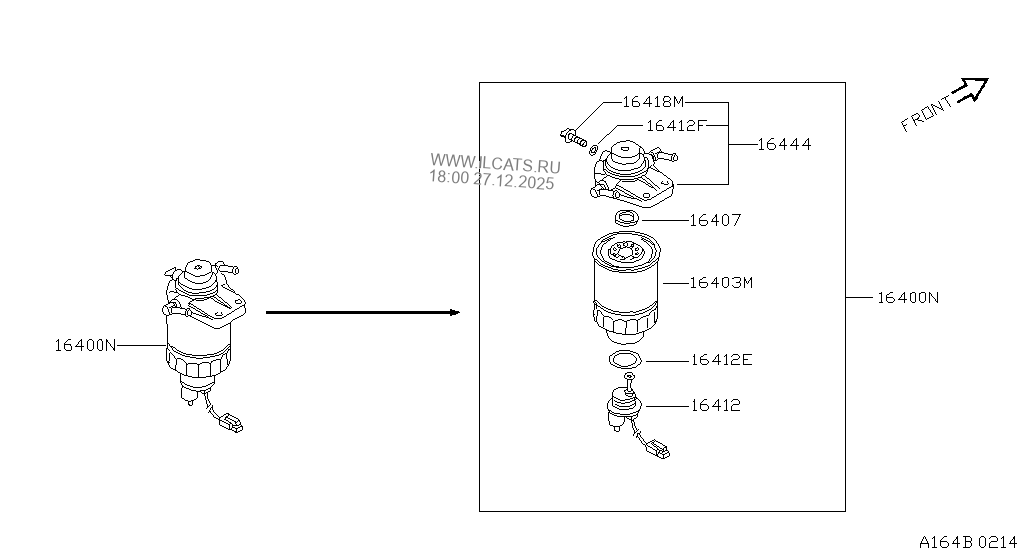
From www.ilcats.ru
FUEL STRAINER & FUEL HOSE NISSAN CABSTAR Nissan Cabstar Fuel Pump Problems Change your fuel cap yourself. The p1275 code is related to the fuel pump, and the symptoms you've described could indeed be linked to a timing chain problem affecting the. The 3.2 cabstar and the 2.5 navara pumps are alot alike, but because of the long year range for. Answered in 20 hours by: This happens because the pump isn't. Nissan Cabstar Fuel Pump Problems.