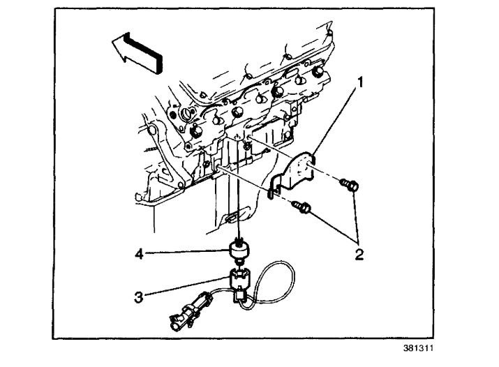
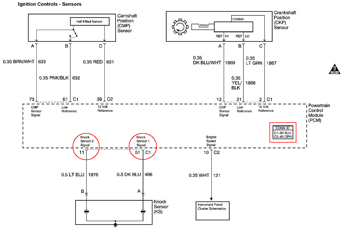
P0332 Gm Knock/Combustion Vibration Sensor 'B' Circuit Low . The knock sensor is your engine’s first line of defense against knocking, a serious problem that can cause significant engine damage if left unchecked. Common symptoms of a p0332 include a lit check engine light, reduced engine performance, and reduced fuel efficiency. By definition, p0332 means that the vehicles ecm/pcm is getting a signal that is lower than the defined operational range from the knock sensor (sensor 2 | bank 2). These are the steps i took to replace the knock sensors on my truck, keep in mind this repair is. Knock sensor 2 circuit low (bank 2) what is a knock sensor?.more. Clearing this code typically requires a new knock sensor or correcting an issue within the wiring harness. One potential issue that could cause the check engine light to come on is a p0332 code, indicating a knock sensor 2 circuit low input. The p0332 obd2 code activates when the bank 2 knock sensor isn’t sending a signal to the engine computer. How to fix a chevy/gmc p0332 engine code: Code p0332 could be triggered by faulty or broken knock sensors, a malfunctioning pcm, and wiring problems in the knock sensor.
from www.carparts.com
Knock sensor 2 circuit low (bank 2) what is a knock sensor?.more. One potential issue that could cause the check engine light to come on is a p0332 code, indicating a knock sensor 2 circuit low input. Code p0332 could be triggered by faulty or broken knock sensors, a malfunctioning pcm, and wiring problems in the knock sensor. How to fix a chevy/gmc p0332 engine code: Common symptoms of a p0332 include a lit check engine light, reduced engine performance, and reduced fuel efficiency. These are the steps i took to replace the knock sensors on my truck, keep in mind this repair is. By definition, p0332 means that the vehicles ecm/pcm is getting a signal that is lower than the defined operational range from the knock sensor (sensor 2 | bank 2). The knock sensor is your engine’s first line of defense against knocking, a serious problem that can cause significant engine damage if left unchecked. The p0332 obd2 code activates when the bank 2 knock sensor isn’t sending a signal to the engine computer. Clearing this code typically requires a new knock sensor or correcting an issue within the wiring harness.
P0332 Code Knock Sensor 2 Circuit Low Input (Bank 2) In The Garage
P0332 Gm Knock/Combustion Vibration Sensor 'B' Circuit Low Knock sensor 2 circuit low (bank 2) what is a knock sensor?.more. These are the steps i took to replace the knock sensors on my truck, keep in mind this repair is. Knock sensor 2 circuit low (bank 2) what is a knock sensor?.more. Code p0332 could be triggered by faulty or broken knock sensors, a malfunctioning pcm, and wiring problems in the knock sensor. Clearing this code typically requires a new knock sensor or correcting an issue within the wiring harness. Common symptoms of a p0332 include a lit check engine light, reduced engine performance, and reduced fuel efficiency. How to fix a chevy/gmc p0332 engine code: The knock sensor is your engine’s first line of defense against knocking, a serious problem that can cause significant engine damage if left unchecked. The p0332 obd2 code activates when the bank 2 knock sensor isn’t sending a signal to the engine computer. One potential issue that could cause the check engine light to come on is a p0332 code, indicating a knock sensor 2 circuit low input. By definition, p0332 means that the vehicles ecm/pcm is getting a signal that is lower than the defined operational range from the knock sensor (sensor 2 | bank 2).
From circuitdbabductees.z13.web.core.windows.net
How To Test Gm Knock Sensor P0332 Gm Knock/Combustion Vibration Sensor 'B' Circuit Low The knock sensor is your engine’s first line of defense against knocking, a serious problem that can cause significant engine damage if left unchecked. How to fix a chevy/gmc p0332 engine code: Knock sensor 2 circuit low (bank 2) what is a knock sensor?.more. The p0332 obd2 code activates when the bank 2 knock sensor isn’t sending a signal to. P0332 Gm Knock/Combustion Vibration Sensor 'B' Circuit Low.
From www.youtube.com
Knock sensor p0327 p0332 Chevy 4.8 5.3 6.0 YouTube P0332 Gm Knock/Combustion Vibration Sensor 'B' Circuit Low How to fix a chevy/gmc p0332 engine code: The knock sensor is your engine’s first line of defense against knocking, a serious problem that can cause significant engine damage if left unchecked. Common symptoms of a p0332 include a lit check engine light, reduced engine performance, and reduced fuel efficiency. Knock sensor 2 circuit low (bank 2) what is a. P0332 Gm Knock/Combustion Vibration Sensor 'B' Circuit Low.
From www.gm-trucks.com
2005 GMC Sierra 1500 P0332 specific knock sensor questions inside P0332 Gm Knock/Combustion Vibration Sensor 'B' Circuit Low The knock sensor is your engine’s first line of defense against knocking, a serious problem that can cause significant engine damage if left unchecked. How to fix a chevy/gmc p0332 engine code: Common symptoms of a p0332 include a lit check engine light, reduced engine performance, and reduced fuel efficiency. By definition, p0332 means that the vehicles ecm/pcm is getting. P0332 Gm Knock/Combustion Vibration Sensor 'B' Circuit Low.
From ls1tech.com
P0332 Knock Sensors LS1TECH P0332 Gm Knock/Combustion Vibration Sensor 'B' Circuit Low Knock sensor 2 circuit low (bank 2) what is a knock sensor?.more. Clearing this code typically requires a new knock sensor or correcting an issue within the wiring harness. The knock sensor is your engine’s first line of defense against knocking, a serious problem that can cause significant engine damage if left unchecked. These are the steps i took to. P0332 Gm Knock/Combustion Vibration Sensor 'B' Circuit Low.
From www.justanswer.com
Chevy Silverado P0332 Code Knock Sensor Circuit Q&A JustAnswer P0332 Gm Knock/Combustion Vibration Sensor 'B' Circuit Low How to fix a chevy/gmc p0332 engine code: Common symptoms of a p0332 include a lit check engine light, reduced engine performance, and reduced fuel efficiency. The knock sensor is your engine’s first line of defense against knocking, a serious problem that can cause significant engine damage if left unchecked. Clearing this code typically requires a new knock sensor or. P0332 Gm Knock/Combustion Vibration Sensor 'B' Circuit Low.
From www.ft86club.com
P0332 Knock Sensor 2 Circuit Low Input (Bank2) Toyota GR86, 86, FRS P0332 Gm Knock/Combustion Vibration Sensor 'B' Circuit Low How to fix a chevy/gmc p0332 engine code: One potential issue that could cause the check engine light to come on is a p0332 code, indicating a knock sensor 2 circuit low input. By definition, p0332 means that the vehicles ecm/pcm is getting a signal that is lower than the defined operational range from the knock sensor (sensor 2 |. P0332 Gm Knock/Combustion Vibration Sensor 'B' Circuit Low.
From carfromjapan.com
How Does A Knock Sensor Work All You Need To Know P0332 Gm Knock/Combustion Vibration Sensor 'B' Circuit Low These are the steps i took to replace the knock sensors on my truck, keep in mind this repair is. The p0332 obd2 code activates when the bank 2 knock sensor isn’t sending a signal to the engine computer. Clearing this code typically requires a new knock sensor or correcting an issue within the wiring harness. Code p0332 could be. P0332 Gm Knock/Combustion Vibration Sensor 'B' Circuit Low.
From www.youtube.com
GM Vortec/LSx Knock Sensors Diagnosis and Replacement 4.8, 5.3, 5.7 P0332 Gm Knock/Combustion Vibration Sensor 'B' Circuit Low These are the steps i took to replace the knock sensors on my truck, keep in mind this repair is. By definition, p0332 means that the vehicles ecm/pcm is getting a signal that is lower than the defined operational range from the knock sensor (sensor 2 | bank 2). The p0332 obd2 code activates when the bank 2 knock sensor. P0332 Gm Knock/Combustion Vibration Sensor 'B' Circuit Low.
From www.ebay.ca
GM TSB 020604023A/P0332 Repair Kit w/Intake Manifold Gasket 2 Knock P0332 Gm Knock/Combustion Vibration Sensor 'B' Circuit Low Common symptoms of a p0332 include a lit check engine light, reduced engine performance, and reduced fuel efficiency. Code p0332 could be triggered by faulty or broken knock sensors, a malfunctioning pcm, and wiring problems in the knock sensor. By definition, p0332 means that the vehicles ecm/pcm is getting a signal that is lower than the defined operational range from. P0332 Gm Knock/Combustion Vibration Sensor 'B' Circuit Low.
From obdstation.com
P0332 OBD2 Code Knock Sensor 2 Circuit Low Input (Bank 2) OBD Station P0332 Gm Knock/Combustion Vibration Sensor 'B' Circuit Low By definition, p0332 means that the vehicles ecm/pcm is getting a signal that is lower than the defined operational range from the knock sensor (sensor 2 | bank 2). The p0332 obd2 code activates when the bank 2 knock sensor isn’t sending a signal to the engine computer. Code p0332 could be triggered by faulty or broken knock sensors, a. P0332 Gm Knock/Combustion Vibration Sensor 'B' Circuit Low.
From www.gm-trucks.com
2005 GMC Sierra 1500 P0332 specific knock sensor questions inside P0332 Gm Knock/Combustion Vibration Sensor 'B' Circuit Low Common symptoms of a p0332 include a lit check engine light, reduced engine performance, and reduced fuel efficiency. By definition, p0332 means that the vehicles ecm/pcm is getting a signal that is lower than the defined operational range from the knock sensor (sensor 2 | bank 2). The p0332 obd2 code activates when the bank 2 knock sensor isn’t sending. P0332 Gm Knock/Combustion Vibration Sensor 'B' Circuit Low.
From engineblogfpc8is.z21.web.core.windows.net
Gm Dtc P0332 P0332 Gm Knock/Combustion Vibration Sensor 'B' Circuit Low Common symptoms of a p0332 include a lit check engine light, reduced engine performance, and reduced fuel efficiency. By definition, p0332 means that the vehicles ecm/pcm is getting a signal that is lower than the defined operational range from the knock sensor (sensor 2 | bank 2). One potential issue that could cause the check engine light to come on. P0332 Gm Knock/Combustion Vibration Sensor 'B' Circuit Low.
From www.carparts.com
P0332 Code Knock Sensor 2 Circuit Low Input (Bank 2) In The Garage P0332 Gm Knock/Combustion Vibration Sensor 'B' Circuit Low By definition, p0332 means that the vehicles ecm/pcm is getting a signal that is lower than the defined operational range from the knock sensor (sensor 2 | bank 2). These are the steps i took to replace the knock sensors on my truck, keep in mind this repair is. Common symptoms of a p0332 include a lit check engine light,. P0332 Gm Knock/Combustion Vibration Sensor 'B' Circuit Low.
From www.youtube.com
GMC Chevy P0332 P0327 Knock Sensor Circuit Low Input "TSB" YouTube P0332 Gm Knock/Combustion Vibration Sensor 'B' Circuit Low The p0332 obd2 code activates when the bank 2 knock sensor isn’t sending a signal to the engine computer. Knock sensor 2 circuit low (bank 2) what is a knock sensor?.more. By definition, p0332 means that the vehicles ecm/pcm is getting a signal that is lower than the defined operational range from the knock sensor (sensor 2 | bank 2).. P0332 Gm Knock/Combustion Vibration Sensor 'B' Circuit Low.
From www.justanswer.com
2001 Chevy Tahoe 4.8L P0332 Engine Code (Knock Sensor 2 Circuit Low P0332 Gm Knock/Combustion Vibration Sensor 'B' Circuit Low The knock sensor is your engine’s first line of defense against knocking, a serious problem that can cause significant engine damage if left unchecked. One potential issue that could cause the check engine light to come on is a p0332 code, indicating a knock sensor 2 circuit low input. The p0332 obd2 code activates when the bank 2 knock sensor. P0332 Gm Knock/Combustion Vibration Sensor 'B' Circuit Low.
From www.youtube.com
DTC P0332 Overview Knock Sensor 2 Circuit Low YouTube P0332 Gm Knock/Combustion Vibration Sensor 'B' Circuit Low Clearing this code typically requires a new knock sensor or correcting an issue within the wiring harness. One potential issue that could cause the check engine light to come on is a p0332 code, indicating a knock sensor 2 circuit low input. How to fix a chevy/gmc p0332 engine code: Knock sensor 2 circuit low (bank 2) what is a. P0332 Gm Knock/Combustion Vibration Sensor 'B' Circuit Low.
From themotorguy.com
P0332 Code How to Diagnose Low Input Circuit for Knock Sensor 2 The P0332 Gm Knock/Combustion Vibration Sensor 'B' Circuit Low By definition, p0332 means that the vehicles ecm/pcm is getting a signal that is lower than the defined operational range from the knock sensor (sensor 2 | bank 2). Code p0332 could be triggered by faulty or broken knock sensors, a malfunctioning pcm, and wiring problems in the knock sensor. The p0332 obd2 code activates when the bank 2 knock. P0332 Gm Knock/Combustion Vibration Sensor 'B' Circuit Low.
From www.justanswer.com
Buick LeSabre Knock Sensor P0332 Location, Removal Tool & More P0332 Gm Knock/Combustion Vibration Sensor 'B' Circuit Low How to fix a chevy/gmc p0332 engine code: The knock sensor is your engine’s first line of defense against knocking, a serious problem that can cause significant engine damage if left unchecked. One potential issue that could cause the check engine light to come on is a p0332 code, indicating a knock sensor 2 circuit low input. Knock sensor 2. P0332 Gm Knock/Combustion Vibration Sensor 'B' Circuit Low.
From www.carparts.com
P0332 Code Knock Sensor 2 Circuit Low Input (Bank 2) In The Garage P0332 Gm Knock/Combustion Vibration Sensor 'B' Circuit Low Common symptoms of a p0332 include a lit check engine light, reduced engine performance, and reduced fuel efficiency. How to fix a chevy/gmc p0332 engine code: Clearing this code typically requires a new knock sensor or correcting an issue within the wiring harness. By definition, p0332 means that the vehicles ecm/pcm is getting a signal that is lower than the. P0332 Gm Knock/Combustion Vibration Sensor 'B' Circuit Low.
From www.2carpros.com
Code P0332, How to Replace Knock Sensor P0332 Gm Knock/Combustion Vibration Sensor 'B' Circuit Low How to fix a chevy/gmc p0332 engine code: Clearing this code typically requires a new knock sensor or correcting an issue within the wiring harness. One potential issue that could cause the check engine light to come on is a p0332 code, indicating a knock sensor 2 circuit low input. By definition, p0332 means that the vehicles ecm/pcm is getting. P0332 Gm Knock/Combustion Vibration Sensor 'B' Circuit Low.
From www.youtube.com
Reparar Codigo P0332 Knock Sensor Bank 2 Low Response YouTube P0332 Gm Knock/Combustion Vibration Sensor 'B' Circuit Low How to fix a chevy/gmc p0332 engine code: The knock sensor is your engine’s first line of defense against knocking, a serious problem that can cause significant engine damage if left unchecked. These are the steps i took to replace the knock sensors on my truck, keep in mind this repair is. The p0332 obd2 code activates when the bank. P0332 Gm Knock/Combustion Vibration Sensor 'B' Circuit Low.
From www.youtube.com
P0330 Knock Sensor 2 Circuit Malfunction Bank 2 Symptoms Causes P0332 Gm Knock/Combustion Vibration Sensor 'B' Circuit Low The knock sensor is your engine’s first line of defense against knocking, a serious problem that can cause significant engine damage if left unchecked. One potential issue that could cause the check engine light to come on is a p0332 code, indicating a knock sensor 2 circuit low input. How to fix a chevy/gmc p0332 engine code: The p0332 obd2. P0332 Gm Knock/Combustion Vibration Sensor 'B' Circuit Low.
From www.youtube.com
Knock sensor GMC Chev truck repair P0327 P0332 and AC voltage test 2/2 P0332 Gm Knock/Combustion Vibration Sensor 'B' Circuit Low How to fix a chevy/gmc p0332 engine code: Common symptoms of a p0332 include a lit check engine light, reduced engine performance, and reduced fuel efficiency. Code p0332 could be triggered by faulty or broken knock sensors, a malfunctioning pcm, and wiring problems in the knock sensor. These are the steps i took to replace the knock sensors on my. P0332 Gm Knock/Combustion Vibration Sensor 'B' Circuit Low.
From www.youtube.com
P0332 Knock sensor test with DVOM YouTube P0332 Gm Knock/Combustion Vibration Sensor 'B' Circuit Low Clearing this code typically requires a new knock sensor or correcting an issue within the wiring harness. The knock sensor is your engine’s first line of defense against knocking, a serious problem that can cause significant engine damage if left unchecked. One potential issue that could cause the check engine light to come on is a p0332 code, indicating a. P0332 Gm Knock/Combustion Vibration Sensor 'B' Circuit Low.
From www.alldata.com
Chevy Truck Knock Sensor Issues‚ DTCS P0327 & P0332 ALLDATA P0332 Gm Knock/Combustion Vibration Sensor 'B' Circuit Low Clearing this code typically requires a new knock sensor or correcting an issue within the wiring harness. One potential issue that could cause the check engine light to come on is a p0332 code, indicating a knock sensor 2 circuit low input. Common symptoms of a p0332 include a lit check engine light, reduced engine performance, and reduced fuel efficiency.. P0332 Gm Knock/Combustion Vibration Sensor 'B' Circuit Low.
From www.youtube.com
How To Diagnose GM Knock Sensors P0327 & P0332 YouTube P0332 Gm Knock/Combustion Vibration Sensor 'B' Circuit Low The knock sensor is your engine’s first line of defense against knocking, a serious problem that can cause significant engine damage if left unchecked. Common symptoms of a p0332 include a lit check engine light, reduced engine performance, and reduced fuel efficiency. These are the steps i took to replace the knock sensors on my truck, keep in mind this. P0332 Gm Knock/Combustion Vibration Sensor 'B' Circuit Low.
From www.cadillacforums.com
DTC P0332 Knock Sensor replacement TSB 020604023A Cadillac Owners P0332 Gm Knock/Combustion Vibration Sensor 'B' Circuit Low Code p0332 could be triggered by faulty or broken knock sensors, a malfunctioning pcm, and wiring problems in the knock sensor. One potential issue that could cause the check engine light to come on is a p0332 code, indicating a knock sensor 2 circuit low input. The p0332 obd2 code activates when the bank 2 knock sensor isn’t sending a. P0332 Gm Knock/Combustion Vibration Sensor 'B' Circuit Low.
From www.carparts.com
P0330 Code Knock Sensor 2 Circuit (Bank 2) In The Garage with P0332 Gm Knock/Combustion Vibration Sensor 'B' Circuit Low Code p0332 could be triggered by faulty or broken knock sensors, a malfunctioning pcm, and wiring problems in the knock sensor. One potential issue that could cause the check engine light to come on is a p0332 code, indicating a knock sensor 2 circuit low input. The p0332 obd2 code activates when the bank 2 knock sensor isn’t sending a. P0332 Gm Knock/Combustion Vibration Sensor 'B' Circuit Low.
From www.youtube.com
2014 2015 2016 Ford Explorer 3.5L EcoBoost P0332, PO327 Knock/Cobustion P0332 Gm Knock/Combustion Vibration Sensor 'B' Circuit Low One potential issue that could cause the check engine light to come on is a p0332 code, indicating a knock sensor 2 circuit low input. Code p0332 could be triggered by faulty or broken knock sensors, a malfunctioning pcm, and wiring problems in the knock sensor. The p0332 obd2 code activates when the bank 2 knock sensor isn’t sending a. P0332 Gm Knock/Combustion Vibration Sensor 'B' Circuit Low.
From www.justanswer.com
GM 5.3 Knock Sensor Location Q&A for DTC P0332 & Engine Knocking P0332 Gm Knock/Combustion Vibration Sensor 'B' Circuit Low These are the steps i took to replace the knock sensors on my truck, keep in mind this repair is. How to fix a chevy/gmc p0332 engine code: Code p0332 could be triggered by faulty or broken knock sensors, a malfunctioning pcm, and wiring problems in the knock sensor. One potential issue that could cause the check engine light to. P0332 Gm Knock/Combustion Vibration Sensor 'B' Circuit Low.
From www.gmfullsize.com
P0332, Knock Sensor Circuit Page 2 GMC Truck Forum P0332 Gm Knock/Combustion Vibration Sensor 'B' Circuit Low Clearing this code typically requires a new knock sensor or correcting an issue within the wiring harness. How to fix a chevy/gmc p0332 engine code: Code p0332 could be triggered by faulty or broken knock sensors, a malfunctioning pcm, and wiring problems in the knock sensor. The knock sensor is your engine’s first line of defense against knocking, a serious. P0332 Gm Knock/Combustion Vibration Sensor 'B' Circuit Low.
From www.2carpros.com
P0332 Knock Sensor 2 Circuit Low Input? Location? P0332 Gm Knock/Combustion Vibration Sensor 'B' Circuit Low One potential issue that could cause the check engine light to come on is a p0332 code, indicating a knock sensor 2 circuit low input. Common symptoms of a p0332 include a lit check engine light, reduced engine performance, and reduced fuel efficiency. Clearing this code typically requires a new knock sensor or correcting an issue within the wiring harness.. P0332 Gm Knock/Combustion Vibration Sensor 'B' Circuit Low.
From www.youtube.com
Chevy Impala P0332 Knock Sensor Trouble YouTube P0332 Gm Knock/Combustion Vibration Sensor 'B' Circuit Low The p0332 obd2 code activates when the bank 2 knock sensor isn’t sending a signal to the engine computer. These are the steps i took to replace the knock sensors on my truck, keep in mind this repair is. The knock sensor is your engine’s first line of defense against knocking, a serious problem that can cause significant engine damage. P0332 Gm Knock/Combustion Vibration Sensor 'B' Circuit Low.
From obdforcar.com
P0332 OBDII Code Symptoms + Fixes [Knock Sensor] 2024 P0332 Gm Knock/Combustion Vibration Sensor 'B' Circuit Low The p0332 obd2 code activates when the bank 2 knock sensor isn’t sending a signal to the engine computer. Code p0332 could be triggered by faulty or broken knock sensors, a malfunctioning pcm, and wiring problems in the knock sensor. Clearing this code typically requires a new knock sensor or correcting an issue within the wiring harness. Common symptoms of. P0332 Gm Knock/Combustion Vibration Sensor 'B' Circuit Low.
From www.2carpros.com
Code P0332 Bank 2 Knock Sensor Circuit Low Output P0332 Gm Knock/Combustion Vibration Sensor 'B' Circuit Low Common symptoms of a p0332 include a lit check engine light, reduced engine performance, and reduced fuel efficiency. Code p0332 could be triggered by faulty or broken knock sensors, a malfunctioning pcm, and wiring problems in the knock sensor. By definition, p0332 means that the vehicles ecm/pcm is getting a signal that is lower than the defined operational range from. P0332 Gm Knock/Combustion Vibration Sensor 'B' Circuit Low.