Bearing Calculation Design . Bearing any larger than necessary (engineering economy) and the bearing must survive to the expected design life of the application. The following calculation examples illustrate the methods used to determine the requisite bearing size or the basic rating life for spherical plain. Iso 281:2007 — rolling bearings — dynamic load ratings and rating life. The load on a rolling contact bearing is exerted on a very small area as illustrated in figure 1. Generally, the optimal bearing must be selected to suit the nature of the machine, the area within the machine, the spindle specification, bearing. Bearing life is a function of bearing load, and understanding. Bearing design for life and selection calculator. Search for bearings based on designation or dimensions; Calculate bearing performance, including bearing rating life, friction, co2. When selecting an axlebox bearing or unit, skf should be contacted for assistance with necessary calculations.
from www.softpedia.com
Calculate bearing performance, including bearing rating life, friction, co2. The following calculation examples illustrate the methods used to determine the requisite bearing size or the basic rating life for spherical plain. Iso 281:2007 — rolling bearings — dynamic load ratings and rating life. Bearing any larger than necessary (engineering economy) and the bearing must survive to the expected design life of the application. Bearing design for life and selection calculator. Generally, the optimal bearing must be selected to suit the nature of the machine, the area within the machine, the spindle specification, bearing. Bearing life is a function of bearing load, and understanding. The load on a rolling contact bearing is exerted on a very small area as illustrated in figure 1. Search for bearings based on designation or dimensions; When selecting an axlebox bearing or unit, skf should be contacted for assistance with necessary calculations.
Download MITCalc Rolling Bearings Calculation SKF
Bearing Calculation Design Search for bearings based on designation or dimensions; Generally, the optimal bearing must be selected to suit the nature of the machine, the area within the machine, the spindle specification, bearing. When selecting an axlebox bearing or unit, skf should be contacted for assistance with necessary calculations. The load on a rolling contact bearing is exerted on a very small area as illustrated in figure 1. Bearing any larger than necessary (engineering economy) and the bearing must survive to the expected design life of the application. Iso 281:2007 — rolling bearings — dynamic load ratings and rating life. Search for bearings based on designation or dimensions; The following calculation examples illustrate the methods used to determine the requisite bearing size or the basic rating life for spherical plain. Calculate bearing performance, including bearing rating life, friction, co2. Bearing life is a function of bearing load, and understanding. Bearing design for life and selection calculator.
From www.softpedia.com
Download MITCalc Rolling Bearings Calculation SKF Bearing Calculation Design Iso 281:2007 — rolling bearings — dynamic load ratings and rating life. Generally, the optimal bearing must be selected to suit the nature of the machine, the area within the machine, the spindle specification, bearing. Search for bearings based on designation or dimensions; Bearing any larger than necessary (engineering economy) and the bearing must survive to the expected design life. Bearing Calculation Design.
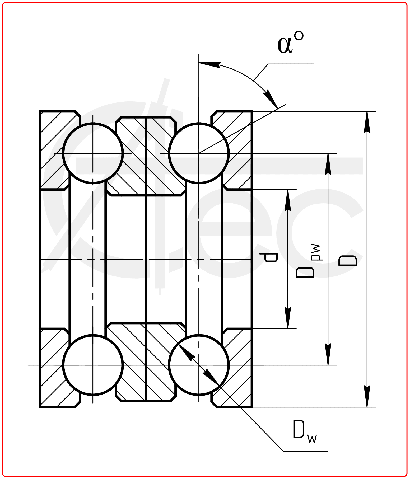
From www.researchgate.net
Hydrostatic journal bearing geometry and nomenclature. Download Bearing Calculation Design Bearing any larger than necessary (engineering economy) and the bearing must survive to the expected design life of the application. Bearing life is a function of bearing load, and understanding. The load on a rolling contact bearing is exerted on a very small area as illustrated in figure 1. When selecting an axlebox bearing or unit, skf should be contacted. Bearing Calculation Design.
From www.tbksoft.com
TBK Rolling bearings calculation according to DIN ISO 281 Bearing Calculation Design Bearing design for life and selection calculator. Bearing life is a function of bearing load, and understanding. Iso 281:2007 — rolling bearings — dynamic load ratings and rating life. Generally, the optimal bearing must be selected to suit the nature of the machine, the area within the machine, the spindle specification, bearing. Calculate bearing performance, including bearing rating life, friction,. Bearing Calculation Design.
From www.sdp-si.com
Technical Information Ball bearing types, selection factors, and Bearing Calculation Design When selecting an axlebox bearing or unit, skf should be contacted for assistance with necessary calculations. Search for bearings based on designation or dimensions; The following calculation examples illustrate the methods used to determine the requisite bearing size or the basic rating life for spherical plain. Bearing any larger than necessary (engineering economy) and the bearing must survive to the. Bearing Calculation Design.
From www.chegg.com
Solved Question Figure shows a shaft supported by two Bearing Calculation Design Iso 281:2007 — rolling bearings — dynamic load ratings and rating life. The load on a rolling contact bearing is exerted on a very small area as illustrated in figure 1. Generally, the optimal bearing must be selected to suit the nature of the machine, the area within the machine, the spindle specification, bearing. Calculate bearing performance, including bearing rating. Bearing Calculation Design.
From www.chegg.com
Helical gear placed at B position generates the Bearing Calculation Design Bearing life is a function of bearing load, and understanding. The load on a rolling contact bearing is exerted on a very small area as illustrated in figure 1. When selecting an axlebox bearing or unit, skf should be contacted for assistance with necessary calculations. Bearing design for life and selection calculator. Generally, the optimal bearing must be selected to. Bearing Calculation Design.
From www.softpedia.com
Download MITCalc Rolling Bearings Calculation SKF Bearing Calculation Design The following calculation examples illustrate the methods used to determine the requisite bearing size or the basic rating life for spherical plain. Bearing life is a function of bearing load, and understanding. Bearing any larger than necessary (engineering economy) and the bearing must survive to the expected design life of the application. When selecting an axlebox bearing or unit, skf. Bearing Calculation Design.
From www.youtube.com
How to calculate the required bearing plate thickness to support a Bearing Calculation Design Bearing life is a function of bearing load, and understanding. Generally, the optimal bearing must be selected to suit the nature of the machine, the area within the machine, the spindle specification, bearing. Bearing design for life and selection calculator. Iso 281:2007 — rolling bearings — dynamic load ratings and rating life. Search for bearings based on designation or dimensions;. Bearing Calculation Design.
From www.sdp-si.com
Technical Information Ball bearing types, selection factors, and Bearing Calculation Design Iso 281:2007 — rolling bearings — dynamic load ratings and rating life. Bearing life is a function of bearing load, and understanding. Generally, the optimal bearing must be selected to suit the nature of the machine, the area within the machine, the spindle specification, bearing. Calculate bearing performance, including bearing rating life, friction, co2. Bearing design for life and selection. Bearing Calculation Design.
From www.triangleoshkosh.com
How To Calculate The Load Of Your Bearing Triangle Manufacturing Bearing Calculation Design Bearing life is a function of bearing load, and understanding. Calculate bearing performance, including bearing rating life, friction, co2. Generally, the optimal bearing must be selected to suit the nature of the machine, the area within the machine, the spindle specification, bearing. Bearing design for life and selection calculator. Bearing any larger than necessary (engineering economy) and the bearing must. Bearing Calculation Design.
From www.youtube.com
BEARINGS BASICS and Bearing Life for Mechanical Design in 10 Minutes Bearing Calculation Design When selecting an axlebox bearing or unit, skf should be contacted for assistance with necessary calculations. Generally, the optimal bearing must be selected to suit the nature of the machine, the area within the machine, the spindle specification, bearing. Calculate bearing performance, including bearing rating life, friction, co2. Bearing any larger than necessary (engineering economy) and the bearing must survive. Bearing Calculation Design.
From medias.schaeffler.us
Single row angular contact ball bearings content Schaeffler medias Bearing Calculation Design Bearing design for life and selection calculator. Bearing any larger than necessary (engineering economy) and the bearing must survive to the expected design life of the application. Iso 281:2007 — rolling bearings — dynamic load ratings and rating life. Generally, the optimal bearing must be selected to suit the nature of the machine, the area within the machine, the spindle. Bearing Calculation Design.
From www.youtube.com
Bearing Calculation from KNOWN Coordinates YouTube Bearing Calculation Design The following calculation examples illustrate the methods used to determine the requisite bearing size or the basic rating life for spherical plain. The load on a rolling contact bearing is exerted on a very small area as illustrated in figure 1. Search for bearings based on designation or dimensions; Iso 281:2007 — rolling bearings — dynamic load ratings and rating. Bearing Calculation Design.
From onlineopenuniversity.blogspot.com
Online Open University Elastomeric Bearing Design Bearing Calculation Design Calculate bearing performance, including bearing rating life, friction, co2. Bearing design for life and selection calculator. Search for bearings based on designation or dimensions; Bearing life is a function of bearing load, and understanding. Bearing any larger than necessary (engineering economy) and the bearing must survive to the expected design life of the application. Generally, the optimal bearing must be. Bearing Calculation Design.
From www.slideserve.com
PPT Bearings for Bridges PowerPoint Presentation ID210315 Bearing Calculation Design Iso 281:2007 — rolling bearings — dynamic load ratings and rating life. Bearing life is a function of bearing load, and understanding. Bearing design for life and selection calculator. The following calculation examples illustrate the methods used to determine the requisite bearing size or the basic rating life for spherical plain. Search for bearings based on designation or dimensions; Generally,. Bearing Calculation Design.
From www.youtube.com
Design of bearing (Introduction),part=1,md1 YouTube Bearing Calculation Design Bearing life is a function of bearing load, and understanding. Generally, the optimal bearing must be selected to suit the nature of the machine, the area within the machine, the spindle specification, bearing. Search for bearings based on designation or dimensions; The load on a rolling contact bearing is exerted on a very small area as illustrated in figure 1.. Bearing Calculation Design.
From www.standardsmedia.com
Life Ratings for Modern Rolling Bearings A Design Guide for Bearing Calculation Design Iso 281:2007 — rolling bearings — dynamic load ratings and rating life. Calculate bearing performance, including bearing rating life, friction, co2. Search for bearings based on designation or dimensions; The following calculation examples illustrate the methods used to determine the requisite bearing size or the basic rating life for spherical plain. Bearing design for life and selection calculator. Bearing life. Bearing Calculation Design.
From koyo.jtekt.co.jp
Calculation of loads Basic Bearing Knowledge Koyo Bearings /JTEKT Bearing Calculation Design Calculate bearing performance, including bearing rating life, friction, co2. Generally, the optimal bearing must be selected to suit the nature of the machine, the area within the machine, the spindle specification, bearing. Iso 281:2007 — rolling bearings — dynamic load ratings and rating life. The load on a rolling contact bearing is exerted on a very small area as illustrated. Bearing Calculation Design.
From www.excelcalcs.com
Elastomeric Bearing Design Bearing Calculation Design Calculate bearing performance, including bearing rating life, friction, co2. Iso 281:2007 — rolling bearings — dynamic load ratings and rating life. When selecting an axlebox bearing or unit, skf should be contacted for assistance with necessary calculations. Bearing any larger than necessary (engineering economy) and the bearing must survive to the expected design life of the application. Generally, the optimal. Bearing Calculation Design.
From bearingsupplier.cn
Design And Calculation Deruna Bearings 100 Factory Bearing Calculation Design Search for bearings based on designation or dimensions; The following calculation examples illustrate the methods used to determine the requisite bearing size or the basic rating life for spherical plain. Bearing design for life and selection calculator. Bearing any larger than necessary (engineering economy) and the bearing must survive to the expected design life of the application. Bearing life is. Bearing Calculation Design.
From www.iqsdirectory.com
Ball Bearings Types, Design, Function, and Benefits Bearing Calculation Design The following calculation examples illustrate the methods used to determine the requisite bearing size or the basic rating life for spherical plain. Generally, the optimal bearing must be selected to suit the nature of the machine, the area within the machine, the spindle specification, bearing. Search for bearings based on designation or dimensions; Calculate bearing performance, including bearing rating life,. Bearing Calculation Design.
From www.skf.com
Calculating the radial load acting on matched bearings Bearing Calculation Design Search for bearings based on designation or dimensions; The following calculation examples illustrate the methods used to determine the requisite bearing size or the basic rating life for spherical plain. Bearing design for life and selection calculator. Iso 281:2007 — rolling bearings — dynamic load ratings and rating life. Bearing any larger than necessary (engineering economy) and the bearing must. Bearing Calculation Design.
From www.chegg.com
Solved A design of a shaft with gears and bearings is Bearing Calculation Design Calculate bearing performance, including bearing rating life, friction, co2. Generally, the optimal bearing must be selected to suit the nature of the machine, the area within the machine, the spindle specification, bearing. Bearing design for life and selection calculator. When selecting an axlebox bearing or unit, skf should be contacted for assistance with necessary calculations. Bearing any larger than necessary. Bearing Calculation Design.
From baartgroup.com
How to Determine Approximate Bearing Life Baart Industrial Group Bearing Calculation Design Calculate bearing performance, including bearing rating life, friction, co2. Iso 281:2007 — rolling bearings — dynamic load ratings and rating life. When selecting an axlebox bearing or unit, skf should be contacted for assistance with necessary calculations. The following calculation examples illustrate the methods used to determine the requisite bearing size or the basic rating life for spherical plain. Generally,. Bearing Calculation Design.
From www.power-mi.com
Rolling element bearing components and failing frequencies PowerMI Bearing Calculation Design When selecting an axlebox bearing or unit, skf should be contacted for assistance with necessary calculations. Search for bearings based on designation or dimensions; Bearing any larger than necessary (engineering economy) and the bearing must survive to the expected design life of the application. The load on a rolling contact bearing is exerted on a very small area as illustrated. Bearing Calculation Design.
From www.researchgate.net
Schematic of the journal bearing and the end thrust bearing formed by Bearing Calculation Design Bearing design for life and selection calculator. The load on a rolling contact bearing is exerted on a very small area as illustrated in figure 1. Bearing any larger than necessary (engineering economy) and the bearing must survive to the expected design life of the application. The following calculation examples illustrate the methods used to determine the requisite bearing size. Bearing Calculation Design.
From www.youtube.com
Bearing Calculation and Design (MITCalc06) YouTube Bearing Calculation Design Bearing life is a function of bearing load, and understanding. Bearing design for life and selection calculator. Iso 281:2007 — rolling bearings — dynamic load ratings and rating life. Bearing any larger than necessary (engineering economy) and the bearing must survive to the expected design life of the application. When selecting an axlebox bearing or unit, skf should be contacted. Bearing Calculation Design.
From www.gmn.de
Bearing service life calculation GMN Bearing Calculation Design Bearing design for life and selection calculator. Generally, the optimal bearing must be selected to suit the nature of the machine, the area within the machine, the spindle specification, bearing. Bearing life is a function of bearing load, and understanding. Calculate bearing performance, including bearing rating life, friction, co2. When selecting an axlebox bearing or unit, skf should be contacted. Bearing Calculation Design.
From www.slideserve.com
PPT Bearings for Bridges PowerPoint Presentation ID210315 Bearing Calculation Design The load on a rolling contact bearing is exerted on a very small area as illustrated in figure 1. Generally, the optimal bearing must be selected to suit the nature of the machine, the area within the machine, the spindle specification, bearing. Bearing any larger than necessary (engineering economy) and the bearing must survive to the expected design life of. Bearing Calculation Design.
From www.slideserve.com
PPT Bearings for Bridges PowerPoint Presentation ID210315 Bearing Calculation Design Calculate bearing performance, including bearing rating life, friction, co2. Bearing any larger than necessary (engineering economy) and the bearing must survive to the expected design life of the application. Bearing life is a function of bearing load, and understanding. The following calculation examples illustrate the methods used to determine the requisite bearing size or the basic rating life for spherical. Bearing Calculation Design.
From calcdevice.com
Thrust plain bearing Online Calculator Bearing Calculation Design Bearing life is a function of bearing load, and understanding. The load on a rolling contact bearing is exerted on a very small area as illustrated in figure 1. Calculate bearing performance, including bearing rating life, friction, co2. The following calculation examples illustrate the methods used to determine the requisite bearing size or the basic rating life for spherical plain.. Bearing Calculation Design.
From www.youtube.com
Bearings COMBINED Radial and Axial LOADS in 10 Minutes! YouTube Bearing Calculation Design Search for bearings based on designation or dimensions; Bearing life is a function of bearing load, and understanding. Generally, the optimal bearing must be selected to suit the nature of the machine, the area within the machine, the spindle specification, bearing. Bearing design for life and selection calculator. The following calculation examples illustrate the methods used to determine the requisite. Bearing Calculation Design.
From www.softpedia.com
Download MITCalc Rolling Bearings Calculation SKF Bearing Calculation Design Search for bearings based on designation or dimensions; Bearing design for life and selection calculator. Iso 281:2007 — rolling bearings — dynamic load ratings and rating life. Calculate bearing performance, including bearing rating life, friction, co2. When selecting an axlebox bearing or unit, skf should be contacted for assistance with necessary calculations. The load on a rolling contact bearing is. Bearing Calculation Design.
From engineeringdiscoveries.com
Useful Methods Of Improving Soil Bearing Capacity Engineering Discoveries Bearing Calculation Design The load on a rolling contact bearing is exerted on a very small area as illustrated in figure 1. Generally, the optimal bearing must be selected to suit the nature of the machine, the area within the machine, the spindle specification, bearing. Iso 281:2007 — rolling bearings — dynamic load ratings and rating life. Search for bearings based on designation. Bearing Calculation Design.
From calcdevice.com
Double Thrust Ball Bearing Online Calculator Bearing Calculation Design When selecting an axlebox bearing or unit, skf should be contacted for assistance with necessary calculations. The load on a rolling contact bearing is exerted on a very small area as illustrated in figure 1. Calculate bearing performance, including bearing rating life, friction, co2. The following calculation examples illustrate the methods used to determine the requisite bearing size or the. Bearing Calculation Design.